- 您的位置:
- 标准下载网 >>
- 标准分类 >>
- 纺织行业标准(FZ) >>
- FZ/T 93066-2007 梳棉机用齿条盖板针布
标准号:
FZ/T 93066-2007
标准名称:
梳棉机用齿条盖板针布
标准类别:
纺织行业标准(FZ)
标准状态:
现行出版语种:
简体中文下载格式:
.zip .pdf下载大小:
2.35 MB
点击下载
标准简介:
FZ/T 93066-2007.
1范围
FZ/T 93066规定了梳棉机用齿条盖板针布(以下简称“齿条盖板针布")的术语和定义、分类与标记.要求、试验方法、检验规则、包装、标志、运输和储存。
FZ/T 93066适用于固定在梳棉机锡林前.后和刺辊上、下的齿条盖板针布。
2规范性引用文件
下列文件中的条款通过本标准的引用而成为本标准的条款。凡是注日期的引用文件,其随后所有的修改单(不包括勘误的内容)或修订版均不适用于本标准,然而,鼓励根据本标准达成协议的各方研究是否可使用这些文件的最新版本。凡是不注日期的引用文件,其最新版本适用于本标准。
GB/T 191包装 储运图示标志
GB/T2828.1计数抽样检验程序第1部分:按接收质量限(AQL)检索的逐批检验抽样计划
GB/T 2829周期检验计数抽样程序及表(适用于对过程稳定性的检验)
GB/T 4340.1金属维氏硬度试验第1部分:试验方法
GB/T 4340.2金属维氏硬度试验 第2部分:硬度计的检验
GB/T 4892硬质 直方体运输包装尺寸系列
GB/T 6543瓦楞 纸箱
GB/T 12339防护用内包装材料
FZ/T 90081梳理 机用齿条术语和定义
3术语和定义
FZ/T 90081确立的术语和定义适用于本标准。
4分类与标记
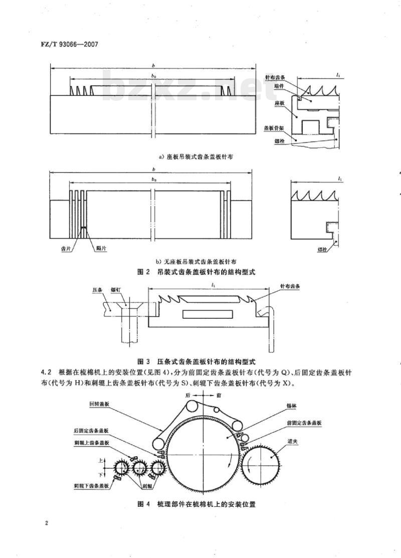
4.1 根据针布固定在盖板骨架上的方式,分为边夹式齿条盖板针布(代号为B,见图1)、吊装式齿条盖板针布(代号为D,见图2)和压条式齿条盖板针布(代号为Y,见图3).根据有无座板,吊装式齿条盖板针布分为座板吊装式齿条盖板针布(代号为Z)和无座板吊装式齿条盖板针布(代号为W).
部分标准内容:
中华人民共和国纺织行业标准
FZ/T93066-—2007
梳棉机用齿条盖板针布
Top wire clothings for carding machines2007-05-29发布
数码防伪
中华人民共和国国家发展和改革委员会2007-11-01实施
FZ/T93066—2007
本标准根据我国梳棉机用齿条盖板针布的制造设备、技术水平和棉纺厂的使用要求,按照产品的基本特性进行分级。标准中规定的优等品技术性能指标与国外先进技术指标相当,合格品按使用的基本需要确定。
本标准的附录A为规范性附录。
本标准由中国纺织工业协会提出。本标准由全国纺织机械与附件标准化技术委员会归口。本标准由陕西纺织器材研究所负责起草。本标准主要参加起草单位:青岛纺机针布有限公司、常州钢箍有限公司、金轮针布(江苏)有限公司、浙江锦峰纺织机械有限公司。
本标准主要起草人:赵玉生、付晓艳、陈幼泉、施越浩、陆忠、陈少清。本标准首次发布。
1范围
梳棉机用齿条盖板针布
FZ/T93066—2007
本标准规定了梳棉机用齿条盖板针布(以下简称“齿条盖板针布”)的术语和定义、分类与标记、要求、试验方法、检验规则、包装、标志、运输和储存。本标准适用于固定在梳棉机锡林前、后和刺辊上、下的齿条盖板针布。2规范性引用文件
下列文件中的条款通过本标准的引用而成为本标准的条款。凡是注日期的引用文件,其随后所有的修改单(不包括勘误的内容)或修订版均不适用于本标准,然而,鼓励根据本标准达成协议的各方研究是否可使用这些文件的最新版本。凡是不注日期的引用文件,其最新版本适用于本标准。GB/T191包装储运图示标志
GB/T2828.1计数抽样检验程序第1部分:按接收质量限(AQL)检索的逐批检验抽样计划GB/T2829周期检验计数抽样程序及表(适用于对过程稳定性的检验)GB/T4340.1金属维氏硬度试验第1部分:试验方法GB/T4340.2金属维氏硬度试验第2部分:硬度计的检验GB/T4892
硬质直方体运输包装尺寸系列
3瓦楞纸箱
GB/T6543
防护用内包装材料
GB/T12339
FZ/T90081
梳理机用齿条术语和定义
3术语和定义
FZ/T90081确立的术语和定义适用于本标准。4分类与标记
4.1根据针布固定在盖板骨架上的方式,分为边夹式齿条盖板针布(代号为B,见图1)、吊装式齿条盖板针布(代号为D,见图2)和压条式齿条盖板针布(代号为Y,见图3)。根据有无座板,吊装式齿条盖板针布分为座板吊装式齿条盖板针布(代号为Z)和无座板吊装式齿条盖板针布(代号为W)。
针布齿条
蜡件/
图1边夹式齿条盖板针布的结构型式AAA
FZ/T93066—2007
齿片/
a)座板吊装式齿条盖板针布
b)无座板吊装式齿条盖板针布
图2吊装式齿条盖板针布的结构型式图3压条式齿条盖板针布的结构型式针布齿条
盖板骨架
针布齿条
4.2根据在梳棉机上的安装位置(见图4),分为前固定齿条盖板针布(代号为Q)、后固定齿条盖板针布(代号为H)和刺辊上齿条盖板针布(代号为S)、刺辊下齿条盖板针布(代号为X)。后
回转盖板
后固定齿条盖板
刺辑上齿条盖板
刺辑下齿条盖板
前固定齿条盖板
梳理部件在梳棉机上的安装位置FZ/T93066—2007
4.3根据针布齿条的齿部硬度和针布有效齿顶面的平面度,齿条盖板针布分为优等品和合格品。4.4齿条盖板针布的标记方法:由产品名称、标准号、安装位置代号、固定在盖板骨架上的方式代号和针布齿密顺序组成。
标记示例1:齿密为240齿/(25.4mm)2、前固定用边夹式齿条盖板针布,其标记为:齿条盖板针布FZ/T93066-QB-240标记示例2:齿密为320齿/(25.4mm)2、后固定用座板吊装式齿条盖板针布,其标记为:齿条盖板针布FZ/T93066-HZD-320标记示例3:齿密为62齿/(25.4mm)2、刺辑下用压条式齿条盖板针布,其标记为:齿条盖板针布FZ/T93066-XY-62
5要求
齿条盖板针布基本尺寸的极限偏差应符合表1规定。表1齿条盖板针布基本尺寸的极限偏差基本尺寸
总宽6
针布宽be
针布长1
极限偏差
5.2齿条盖板针布固定在盖板骨架上后,有效齿顶面的平面度应符合表2规定。表2齿条盖板针布有效齿顶面的平面度公差分类
边夹式,吊装式
压条式
优等品
合格品
优等品
合格品
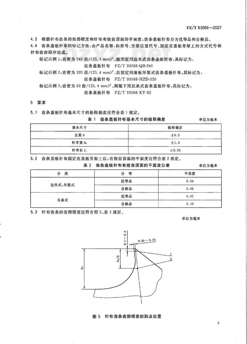
5.3针布齿条的齿部硬度应符合图5、表3规定。平面度
单位为毫米
单位为毫米
单位为毫米
0.05~0.10www.bzxz.net
图5针布齿条齿部硬度的测点位置3
FZ/T93066—2007
小负荷维氏硬度
表3针布齿条的齿部硬度
优等品
合格品
5.4齿条盖板针布齿密偏差应为其理论值的士5%。≥780
≥700
5.5针布齿条齿形应完整,不应有漏冲齿、断齿、弯齿,齿部无毛刺和扭曲。5.6针布齿条表面应无锈斑、起皮。5.7齿条盖板针布应能紧密、牢固地固定在盖板骨架上。6试验方法
6.1齿条盖板针布的基本尺寸应用普通计量器具测量。2
6.2齿条盖板针布固定在盖板骨架上后,有效齿顶面的平面度误差宜用多点电子测量仪按仪器使用说明进行测量;也可采用图6或图7所示平面度测量仪进行测量,或用普通计量器具测量。盖板骨架
指示器
测盘架
齿条盖板针布
齿顶面
齿条盖板针布平面度测量仪结构示意测量杆
图7压条式齿条盖板针布平面度测量仪结构示意6.3测量针布齿条齿部硬度应按附录A规定进行。6.4齿密误差采用拓印测量计算。6.5针布齿条齿形及外观质量、齿条盖板针布的组装质量应目测。7
检验规则
7.1总则
7.1.1齿条盖板针布应通过以下类别的检验:型式检验:
一出厂检验,
FZ/T93066-2007
7.1.2型式检验和出厂检验应由制造厂质量检验部门负责进行,订货方也可按本标准的出厂检验规定在30d内对购进的齿条盖板针布进行验收:根据订货方要求,制造厂应提供出厂检验所在周期的型式检验报告。
7.1.3凡在型式检验或出厂检验中,被检验的样本单位若有不符合本标准有关规定时,即为不合格;有1个或1个以上不合格,即为不合格品。7.2检验
7.2.1型式检验
7.2.1.1连续生产的齿条盖板针布(以根为样本单位)和针布齿条(以片为样本单位)均应根据生产过程稳定的大约持续时间、试验时间和试验费用进行型式检验;在改变设计、改进主要制造工艺、更换材料或中断生产后再恢复生产时,也应进行型式检验。7.2.1.2
型式检验按GB/T2829中判别水平I的一次抽样方案,型式检验方案由表4给出。表4
齿条盖板针布的型式检验方案
检验项目名称
平面度
测点1硬度
针布宽
针布长
测点2硬度
外观质量
夹固质量
出厂检验
检验。
要求的章条号
试验方法的章条号
样本单位
不合格质量水平
不合格分类
每批齿条盖板针布都应以根为样本单位进行出厂检验,经型式检验合格后方可进行出厂出厂检验采用GB/T2828.1中一般检查水平I的一次抽样方案,从正常检验开始,出厂检验方案由表5给出。
表5齿条盖板针布的出厂检验方案序号
检验项目名称
平面度
针布宽
针布长
外观质量
夹固质量
要求的章条号
试验方法的章条号
接收质量限
不合格分类
FZ/T93066-2007
8包装、标志、运输和储存
8.1包装
8.1.1产品
8.1.1.1齿条盖板针布应经检验合格并附有合格证,方可进行包装。8.1.1.2齿条盖板针布应按订货方要求进行包装;也可按类别以多件包装交货。8.1.2包装技术与方法
8.1.2.1内包装
齿条盖板针布或齿条盖板内包装宜使用GB/T12339规定的防锈材料。8.1.2.2外包装和运输包装
齿条盖板针布或齿条盖板的外包装宜采用GB/T6543规定的1类或2类双瓦楞纸箱,运输包装件基本尺寸应尽量符合GB/T4892规定。8.1.2.3防震包装
齿条盖板针布或齿条盖板与外包装箱之间应衬垫防震性缓冲材料。8.2标志
8.2.1产品标志
每根齿条盖板针布或齿条盖板均应有商标和产品编号。8.2.2包装标志
8.2.2.1运输包装上应有包装标志(运输包装收发货标志和包装储运图示标志),其内容应遵照以下规定。
8.2.2.1.1运输包装收发货标志
a)制造厂名及商标;
b)产品标记;
质量等级标志;
生产批号或生产日期;
出厂日期;
f)数量(套或根);
g)毛重;
h)体积(长×宽×高=m)。
8.2.2.1.2包装储运图示标志
“怕雨”“小心轻放”和“向上”标志应遵照GB/T191中有关规定。8.2.2.2运输包装收发货标志和包装储运图示标志应分别位于运输包装箱的侧面和端面。8.2.2.3标志应用油漆、油墨等印色材料涂打或印刷,标志应清晰、耐久。8.3运输
齿条盖板针布或齿条盖板在运输中应加盖遮篷,搬运时应轻装、轻卸。8.4储存
8.4.1制造厂应对齿条盖板针布或齿条盖板进行充分的防锈处理,并保证自出厂之日起1a内不因防锈处理不当而引起锈蚀。
8.4.2齿条盖板针布或齿条盖板应包装完整地存放在通风干燥并无腐蚀性介质的环境中。6
A.1试验仪器
附录A
(规范性附录)
齿条盖板针布齿条小负荷维氏硬度试验方法维氏硬度计应符合GB/T4340.2中有关规定。A.2试样及其制备
FZ/T93066-2007
A.2.1测定齿条盖板针布齿条硬度的试样,应以冲断后的片状成品针布齿条为样本单位,在本型式检验周期内随机抽取。
A.2.2每片针布齿条应从适宜的齿隙间切断为短样段,以便制取嵌样;制取嵌样时,短样段的两端切面应在砂轮上磨平齐,以保证针布齿条侧面与镶嵌面吻合一致;嵌样在抛磨时,应注意控制磨削升温,以免影响测试结果。
A.2.3每片针布齿条的嵌样均应有单独且清晰的编号。A.3试验条件
温度:(23±5)℃。
A.4试验程序
A.4.1硬度测试位置按5.3
A.4.2按GB/T4340.1规定试验方法,在每片针布齿条上随机测3个齿的硬度,1、2测点可选在同一个齿部,也可以不选在同一个齿部。A.5试验结果评定
A.5.1取3个齿测值的算术平均值为该片针布齿条规定测点的硬度值。A.5.21、2测点硬度均合格时,该片针布齿条硬度即为合格;否则,为不合格。FZ/T93066-2007
中华人民共和国纺织
行业标准
梳棉机用齿条盖板针布
FZ/T93066—2007
中国标推出版社出版发行
北京复兴门外三里河北街16号
邮政编码:100045
网址 spe.net.cn
电话:6852394668517548
中国标准出版社秦皇岛印刷厂印刷各地新华书店经销
开本880×12301/16印张0.75字数15千字2007年8月第一次印刷
2007年8月第一版
书号:155066·2-18001定价14.00元
如有印装差错由本社发行中心调换版权专有侵权必究
举报电话:(010)68533533
小提示:此标准内容仅展示完整标准里的部分截取内容,若需要完整标准请到上方自行免费下载完整标准文档。
标准图片预览:





- 其它标准
- 热门标准
- FZ纺织行业标准
- FZ/T90083-1995 纺织机械筒子架主要尺寸
- FZ/T92054-1996 倍捻锭子
- FZ/T92038-1995 熔融纺丝圆形孔喷丝板
- FZ/T92052-1995 轴承内径φ12mm环锭锭子
- FZ/T33010-1999 苎麻卷烟带
- FZ/T60033-2012 家用纺织品 毛巾不均匀水洗尺寸变化的测定
- FZ/T24010-2013 防缩毛纺织产品
- FZ/T43004-2013 桑蚕丝纬编针织绸
- FZ/T73011-2013 针织腹带
- FZ/T32024-2019 亚麻与棉混纺色纺纱
- FZ/T70012-2016 -次成型束身无缝内衣号型
- FZ/T70001-2003 针织和编结绒线试验方法
- FZ/T73018-2002 毛针织品
- FZ60007-1991 毛毯试验方法
- FZ/T01053-1998 纺织品 纤维含量的标识
- 行业新闻
网站备案号:湘ICP备2025141790号-2