- 您的位置:
- 标准下载网 >>
- 标准分类 >>
- 交通行业标准(JT) >>
- JT/T 800-2011 公路用钢网复合型玻璃纤维增强塑料管箱
标准号:
JT/T 800-2011
标准名称:
公路用钢网复合型玻璃纤维增强塑料管箱
标准类别:
交通行业标准(JT)
标准状态:
现行出版语种:
简体中文下载格式:
.zip .pdf下载大小:
363.72 KB
点击下载
标准简介:
JT/T 800-2011 Glassfiber reinforced plastic steel mesh trunk for highway.
1范围
JT/T 800规定了公路用钢网复合型玻璃纤维增强塑料管箱(以下简称钢网玻璃钢管箱)的产品分类、结构尺寸及偏差、技术要求、试验方法检验规则、标志、包装、运输和储有等内容。
JT/T 800适用于公路用钢网玻璃钢管箱。
2规范性引用文件
下列文件对于本文件的应用是必不可少的。凡是注8期的引用文件,仅所注日期的版本适用于本文件。凡是不注日期的引用文件,其最新版本(包括所有的修改单)适用于本文件。
GB/T 1447- -2005纤维增强塑料拉伸性能试验方法
GB/T 1449纤维增强塑料弯曲性能试验方法
GB/T 1451纤维增强塑料简支梁式冲击韧性试验方法
GB/T 1463- -2005 纤维增强塑料密度和相对密度试验方法
GB/T 1634. 2- -2004塑料负荷变形温度的测定 第2部分:塑料硬橡胶和长纤维增强复合材料
CB/T 3854增强塑料巴柯尔硬度试验方法
GB/T 8237纤维增强塑料用液体不饱和聚酯树脂
GR/T 8924纤维增强塑料燃烧性能试验方法氧指数法
CB/T 17470玻璃纤维短切原丝毡和连续原丝毡
GB/T 18369玻璃纤维无捻粗纱
部分标准内容:
备案号:
中华人民共和国交通运输行业标准JT /T 800-2011
公路用钢网复合型玻璃纤维增强塑料管箱Glassfiber reinforced plastic steel mesh trunk for highway2011-06-13发布
中华人民共和国交通运输部
2011-09-01实施
规范性引用文件
产品分类、结构、尺寸及偏差
技术要求
试验方法
检验规则
标志、包装、运输及储存
附录A(资料性附录)
结构形式及部件图
JT/T800-2011
本标准按照GB/T1.1-2009给出的规则起草。JT/T800-—2011
本标准由全国交通工程设施(公路)标准化技术委员会(SAC/TC223)提出并归口。本标准起草单位:交通运输部公路科学研究院、国家交通安全设施质量监督检验中心、公路交通安全实验室。
本标准参加起草单位:杭州天允科技有限公司。本标准主要起草人:马学锋、程立平、王大恒、陆宇红、郭东华、魏正治、彭雷、白媛媛。1范围
公路用钢网复合型玻璃纤维增强塑料管箱JT/T800--2011
本标准规定了公路用钢网复合型玻璃纤维增强塑料管箱(以下简称钢网玻璃钢管箱)的产品分类、结构尺寸及偏差、技术要求、试验方法、检验规则、标志、包装、运输和储存等内容。本标准适用于公路用钢网玻璃钢管箱。2规范性引用文件
下列文件对于本文件的应用是必不可少的。凡是注日期的引用文件,仅所注日期的版本适用于本文件。凡是不注日期的引用文件,其最新版本(包括所有的修改单)适用于本文件。GB/T1447—2005
GB/T1449
GB/T1451
GB/T1463—2005
GB/T1634.2—2004
GB/T3854
GB/T8237
GB/T8924
GB/T17470
GB/T18369
GB/T18370
GB/T18371
GB/T22040-—2008
CB/T24721.1—2009
GB/T 24721.2—2009
YB/T5294
纤维增强塑料拉伸性能试验方法纤维增强塑料弯曲性能试验方法纤维增强塑料简支梁式冲击韧性试验方法纤维增强塑料密度和相对密度试验方法塑料负荷变形温度的测定第2部分:塑料、硬橡胶和长纤维增强复合材料增强塑料巴柯尔硬度试验方法
纤维增强塑料用液体不饱和聚酯树脂纤维增强塑料燃烧性能试验方法氧指数法玻璃纤维短切原丝毡和连续原丝毡玻璃纤维无捻粗纱
玻璃纤维无捻粗纱布
连续玻璃纤维纱
公路沿线设施塑料制品耐候性要求及测试方法公路用玻璃纤维增强塑料产品第1部分:通则公路用玻璃纤维增强塑料产品第2部分:管箱一般用途低碳钢丝
3产品分类、结构、尺寸及偏差
3.1分类
钢网玻璃钢管箱按照结构分为下面两种类型,结构示意图参见附录A:3.1.1
A型,内卷边型;
B型,外卷边型。
钢网玻璃钢管箱按用途分为下面两种类型,结构示意图参见附录A:3.1.2
a)类,普通管箱;
Ⅱ类,接头管箱。
3.1.3依据成型工艺的不同,公路用钢网玻璃钢管箱分为以下几类:拉挤成型钢网玻璃钢管箱;
JT/T800—2011
模压成型钢网玻璃钢管箱;
其他机械制造成型钢网玻璃钢管箱。c)
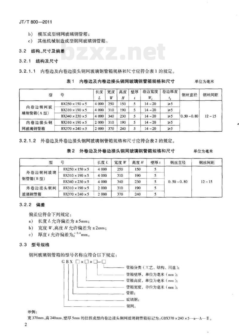
3.2结构、尺寸及偏差
结构及尺寸
内卷边及内卷边接头钢网玻璃钢管箱规格和尺寸应符合表1的规定。3.2.1.1免费标准下载网bzxz
表1内卷边及内卷边接头钢网玻璃钢管箱规格和尺寸型
内卷边钢网玻
璃钢管箱(A型)
内卷边接头钢
网玻璃钢管箱
BX250×150×5
BX310×190×5
BX340×230×5
BX310×190×5
BX370×240×5
卷边宽度
卷边厚度
外卷边及外卷边接头钢网玻璃钢管箱规格和尺寸应符合表2的规定。3.2.1.2
表2外卷边及外卷边接头钢网玻璃钢管箱规格和尺寸型
外卷边钢网玻璃
钢管箱(B型)
外卷边接头钢网
玻璃钢管箱
3.2.2偏差
BX250×150×5
BX310×190×5
BX340×230×5
BX310×190×5
BX370×240×5
偏差应符合下列规定:
a)长度L允许偏差为±5mm;
长度!
宽度W、高度H允许偏差为±2mm;b)
厚度t允许偏差为。04mm。
3.3型号规格
宽度W
钢网玻璃钢管箱的型号名称应符合以下规定:GBX□××-
高度H
壁厚t
单位为毫米
钢丝直径
0.50~0.80
钢丝间距
单位为毫米
钢丝直径
0.50~0.80
管箱分类(工艺、结构、用途);管箱壁厚,单位为毫米(mm);管箱高度,单位为毫米(mm);管箱宽度,单位为毫米(mm):管箱;
玻璃钢;
钢网。
示例:
钢丝间距
宽370mm、高240mm、壁厚5mm的拉挤成型内卷边接头钢网玻璃钢管箱标记为:CBX370×240×5—aAIⅡ。2
4技术要求
4.1一般要求
4.1.1原材料
JT/T800—2011
热固性树脂的性能指标应符合GB/T8237的要求,并应具有良好的机械强度、较好的耐化学性和耐候性能。
增强材料的性能指标应符合GB/T17470、GB/T18369、GB/T18370、GB/T18371的要求,应选用无碱玻璃纤维或中碱玻璃纤维制成的纱制品和织物。钢网原材性能指标应符合YB/T5294的要求。4.1.2外观质量
钢网玻璃钢管箱应外形平直,无明显歪斜,管箱盖与管箱体配合紧密,具有良好的防水效果。钢网玻璃钢管箱表面平整光滑、色泽均匀,不得有起皱、裂纹、颗粒、流胶、树脂剥落、纤维裸露和表面发黏等缺陷。含胶量均勾、固化稳定,无分层,单件产品表面的气泡累计面积不得大于100mm2,单个最大气泡面积不得大于15mm。钢网与玻璃钢基体材料结合紧密,无分层,无剥离。将管箱沿断面随机切开后钢网无锈蚀现象。
4.2理化性能要求
力学性能要求
钢网玻璃钢管箱力学性能应符合表3的要求。表3
钢网玻璃钢管箱力学性能要求
通用物理力学性能
拉伸强度(MPa)
弯曲强度(MPa)
冲击强度(kJ/m2)
密度(g/cm)
巴柯尔硬度
负荷变形温度(℃)
管箱内壁静摩擦系数
拉伸强度、弯曲强度要求均为纵横两个方向。4.2.2氧指数
技术要求
≥160
≥170
≥150
氧指数(阻燃2级)应大于或等于26%,氧指数要求阻燃二级为一般要求,特殊要求可根据供求双方协商决定是否采用阻燃一级。
4.2.3耐水性能
经规定时间试验后,钢网玻璃钢管箱表面不应出现软化、皱纹、起泡、开裂、被溶解、溶剂浸人等痕迹材料弯曲强度性能保留率不小丁试验前的85%或其弯曲强度值不小于材料试验前规定弯曲强度值。3
JT/T800—2011
4.2.4耐化学介质性能
公路用玻璃纤维增强塑料产品在下列介质中经规定时间试验后,表面不应出现软化、皱纹、起泡、开裂、被溶解、溶剂浸人等痕迹,材料弯曲强度与试验前的数据相比较,其性能保留率应不小于表4的规定或其弯曲强度值不小于材料试验前规定弯曲强度值。表4玻璃纤维增强塑料产品耐化学介质性能技术要求介质种类
4.2.5环境适应性能
4.2.5.1耐湿热性能
技术要求
≥90%
≥80%
介质种类
技术要求
经240h的耐湿热试验后,钢网玻璃钢管箱不应有变色或被侵蚀的痕迹,材料弯曲强度性能保留率不小于试验前的80%或其弯曲强度值不小于材料试验前规定弯曲强度值。4.2.5.2耐低温冲击性能
经低温冲击试验后,以冲击点为圆心,半径6mm区域外,试样无开裂、分层剥离或其他破坏现象:4.2.5.3耐低温坠落性能
经低温坠落试验后,钢网玻璃钢管箱应无折断、开裂、分层等破损现象。4.2.5.4耐人工加速老化试验(氙弧灯光源)经总辐照能量不小于3.5×10°kJ/m2的氙灯人工加速老化试验后,试样无变色、龟裂、粉化等明显老化现象,材料弯曲强度性能保留率不小于试验前的80%或其弯曲强度值不小于材料试验前规定弯曲强度值。5试验方法
5.1试验要求
5.1.1试样状态调节和试验环境条件按GB/T24721.1—2009中5.1规定。5.1.2试剂
按GB/T24721.1—2009中5.2规定。5.1.3试验仪器和设备
按GB/T24721.1——2009中5.3规定5.2试样制备
通用要求
按CB/T24721.1—2009中5.4规定。5.2.2特殊规定
按CB/T24721.2—2009中5.4.2规定。4
JT/T800—2011
耐水性能、耐化学介质性能和环境适应性能测试时,需要对试样加工表面利用石蜡、树脂等进行涂覆封装,以避免试剂与试样加工面直接接触。5.3外观质量
在正常光线下,目测直接观察。5.4通用物理力学性能
5.4.1拉伸强度
按GB/T1447-2005规定执行,非模压短切纤维塑料样品宜优先选用Ⅱ型试样。5.4.2弯曲强度
按GB/T1449规定执行。
5.4.3冲击强度
按GB/T1451规定执行。
5.4.4密度
按GB/T1463一2005规定执行,形状规则的产品试样宜优先采用几何法,异型产品试样可采用浮力法。
5.4.5巴柯尔硬度
按GB/T3854规定执行。
5.4.6负荷变形温度
按GB/T1634.2—2004规定执行,最大弯曲应力选用A法,为1.80MPa。5.4.7管箱内壁摩擦系数
按GB/T24721.2—2009中附录B执行。5.5氧指数(阻燃性能)
按GB/T8924规定执行。
5.6耐水性能
按GB/T24721.1—2009中5.5.4规定。5.7耐化学介质性能
5.7.1耐汽油性能
按GB/T24721.1—2009中5.5.5.1规定。5.7.2耐酸性能
按GB/T24721.1—2009中5.5.5.2规定。5
JT/T800-2011
5.7.3耐碱性能
按GB/T24721.12009中5.5.5.3规定。5.8环境适应性能
5.8.1耐湿热性能
按GB/T24721.1--2009中5.5.6.1规定。5.8.2耐低温冲击性能
按GB/T24721.1-2009中5.5.6.2规定。5.8.3耐低温坠落性能
按GB/T24721.1--2009中5.5.6.3规定。5.8.4人工加速老化试验(氙弧灯光源)按GB/T22040—2008中6.9规定执行,型式检验应采用人工加速老化试验。5.9材料性能保留率
按GB/T24721.1-2009中5.5.7规定。5.10试验结果
试验结果一般采用算术平均值表示,有效数字位数按相关试验方法标准规定执行,若无规定一般有效数字位数保留三位。
6检验规则
检验规则应符合GB/T24721.1—2009第6章规定的检验规则。7标志、包装、运输及储存
7.1标志
交货时,产品整包装应该附有一张制造标签和一张合格证标签。制造标签内容包括:产品名称、生产日期、批号、产品标准号、生产企业名称、联系地址。合格证标签内容包括:合格证、检验合格、检验证编号、检验人员代号、检验日期等。7.2包装
产品外包装应能保证产品在运输和储存过程中,不发生外力导致的表面损伤。7.3运输
产品在运输过程中应固定牢固,装卸过程中应轻装轻卸,避免产品受到碰撞、重压。7.4储存
产品应储存在防雨、防潮、避光、无腐蚀的环境中,不得与高温热源或明火接触。6
附录A
(资料性附录)
结构形式及部件图
JT/T800—2011
按照结构划分的管箱结构形式参见图A.1,按照用途划分的管箱结构形式参见图A.2。a)A型管箱(内卷边)
说明:
管箱;
2—箱体。
说明:
b)B型管箱(外卷边)
管箱;
2—箱体。
图A.1按照结构划分的管箱结构形式图a)A型接头管箱
说明:1-
说明:1-
接头管箱:2
接头管箱;2-
A型管箱:3
B型管箱:3-
管箱搭板(承插式);4
b)B型接头管箱
管箱搭板(承插式):4一
接头管箱;5
管箱搭板。
接头管箱;5管箱搭板
图A.2按照用途划分的管箱结构形式及部件图
小提示:此标准内容仅展示完整标准里的部分截取内容,若需要完整标准请到上方自行免费下载完整标准文档。
标准图片预览:





- 其它标准
- 热门标准
- JT交通运输标准
- JT4209-1978 绞吸式挖泥船换轴节技术要求
- JT4212-1978 绞吸式挖泥船主机与泥浆泵总装配技术要求
- JTG/TD21-2014 公路立体交叉设计细则
- JTGD30-2015 公路路基设计规范
- JT/T331.1-2006 港口码头劳动定员 第1部分:术语
- JTGF80/1-2004 公路工程质量检验评定标准 第一册 土建工程
- JT/T481-2002 道路货物运输交易信息服务系统技术要求
- JT/T494-2003 汽油机进气阀沉积物模拟试验方法
- JTJ061-1999 公路勘测规范(附条文说明)
- JTGD63-2007 公路桥涵地基与基础设计规范
- JT/T614-2004 沥青老化烘箱
- JT/T340-2009 船舶动力装置能量平衡测量与计算方法
- JTG/TF30-2014 公路水泥混凝土路面施工技术细则
- JT/T860.1-2013 沥青混合料改性添加剂 第1部分:抗车辙剂
- JT/T888-2014 公共汽车类型划分及等级评定
- 行业新闻
网站备案号:湘ICP备2025141790号-2