- 您的位置:
- 标准下载网 >>
- 标准分类 >>
- 纺织行业标准(FZ) >>
- FZ/T 95010-2013 还原蒸箱
标准号:
FZ/T 95010-2013
标准名称:
还原蒸箱
标准类别:
纺织行业标准(FZ)
标准状态:
现行出版语种:
简体中文下载格式:
.zip .pdf下载大小:
1.36 MB
相关标签:
还原
点击下载
标准简介:
FZ/T 95010-2013.
1范围
FZ/T 95010规定了还原蒸箱的型式及参数、要求、试验方法、检验规则、标志包装、运输和贮存。
FZ/T 95010适用于棉、涤棉及其混纺.交织类织物平幅染色后的还原汽燕,并对其他不同品种.规格的织物或纱线具有-定兼容性的还原蒸箱。
2规范性引用文件
下列文件对于本文件的应用是必不可少的。凡是注日期的引用文件,仅注日期的版本适用于本文件。凡是不注日期的引用文件,其最新版本(包括所有的修改单)适用于本文件.
GB/T 191包装 储运图示标志
GB 2894安全标志及其使用导则
GB 5226.1- -2008机械电气安全 机械电气设备 第1部分:通用技术条件
GB/T 7111.1纺织机械噪声测试规范 第1 部分:通用要求
GB/T 7111.7纺织机械噪声测试规范 第7 部分:染整机械
GB/T 17780纺织机械安全要求
GB/T 22801纺织机械染整机器导布辊 主要尺寸 及要求
FZ/T 90001纺织机械产 品包装
FZ/T 90074纺织机械产 品涂装
FZ/T 90089.1纺织机械铭牌型式、尺寸及技术要求
FZ/T 90089.2纺织机械铭牌内容
JB/T 4127.1- 1999机械密封 技术条件
3型式及参数
3.1型式
卧式。
3.2参数
5试验方法
5.1检验方法
5.1.1汽蒸温度(4.3),用接触式温度计或温度显示仪检测。
5.1.2 导布辊表面水平度(4.6) ,用水平仪置于导布辊表面进行检测.
5.1.3 相邻导布辊之间的平行度公差(4.7) ,用钢卷尺围绕两导布辊外圆一周,取其差值的二分之- - .
5.1.4 箱内升温时间(4.8) ,按照温度显示仪的读数,从室温20 C开始计算升温时间。
5.1.5 隔热板外表面温升(4.9) ,用红外线测温仪在整机左右两侧前、中、后各测一块隔热板的温升,取其最大值.检测每一块隔热板的温升时,将被测的每块隔热板外表面平均分成四个区域,用红外线刮温仪测量每个区域中心点的温度,以其算术平均值减环境温度作为该块隔热板的温升。环境温度为正对隔热板、距离为1 m的参照物的温度。
5.1.6 导布辊机械密封部位渗漏量(4. 10),按JB/T 4127.1-1999的规定检测。
5.1.7 全机噪声(发射声压级)(4.11),按GB/T 7111.1.GB/T 7111.7的规定,空车运转时用精密声级计测试。
部分标准内容:
中华人民共和国纺织行业标准
FZ/T95010—2013
代替FZ/T95010-1998
还原蒸箱
2013-07-22发布
中华人民共和国工业和信息化部发布
2013-12-01实施
中华人民共和国纺织
行业标
还原蒸
FZ/T95010—2013
中国标准出版社出版发行
北京市朝阳区和平里西街甲2号(100013)北京市西城区三里河北街16号(100045)网址spc.net.cn
总编室:(010)64275323发行中心:(010)51780235读者服务部:(010)68523946
中国标准出版社秦皇岛印刷厂印刷各地新华书店经销
1/16印张0.5
字数10千字
开本880X1230
2013年10月第一版2013年10月第一次印刷书号:155066·2-26028定价14.00元由本社发行中心调换
如有印装差错
侵权必究
版权专有
举报电话:(010)68510107
本标准按照GB/T1.1一2009给出的规则起草。本标准代替FZ/T95010—1998&还原蒸箱》。本标准与FZ/T95010—1998相比主要技术变化如下:修改了参数(见表1,1998年版的表1):修改了汽蒸温度的要求(见4.3,1998年版的4.3):删除了空气含量检测仪功能的要求(见1998年版的4.4);修改了箱内导布辑表面水平度的要求(见4.6,1998年版的4.6);FZ/T95010—2013
修改了箱内相邻导布辊之间的平行度公差的要求(见4.7,1998年版的4.7);增加了箱内温度升温时间的要求(见4.8);-增加了箱体外隔热板外表面与工作环境温差的要求(见4.9);一删除了摩擦离合器式橡胶弹性带的要求(见1998年版的4.10):一增加了全机噪声的要求(见4.11);一增加了电气设备的要求(见4.12);增加了采取安全防护措施和设置警示标志的要求(见4.13);增加了产品涂装的要求(见4.14)。本标准由中国纺织工业联合会提出。本标准由全国纺织机械与附件标准化技术委员会纺纱、染整机械分技术委员会(SAC/TC215/SC1)归口。
本标起草单位:江苏建业机械制造有限公司、国家纺织机械质量监督检验中心、黄石经纬纺织机械有限公司。
本标准主要起草人:王继清、李立平、李昭荣、陈建荣、彭国洲。本标准于1998年7月首次发布,本次为第一次修订。1范围
还原蒸箱
FZ/T95010—2013
本标准规定了还原蒸箱的型式及参数、要求、试验方法、检验规则、标志、包装、运输和贮存。本标准适用于棉、涤棉及其混纺、交织类织物平幅染色后的还原汽蒸,并对其他不同品种、规格的织物或纱线具有一定兼容性的还原蒸箱。2规范性引用文件
下列文件对于本文件的应用是必不可少的。凡是注日期的引用文件,仅注日期的版本适用于本文件。凡是不注日期的引用文件,其最新版本(包括所有的修改单)适用于本文件。GB/T191包装储运图示标志
安全标志及其使用导则
GB2894
GB5226.1—2008
第1部分:通用技术条件
机械电气安全
机械电气设备
GB/T7111.1
GB/T7111.7
GB/T17780
GB/T22801
FZ/T90001
FZ/T90074
纺织机械噪声测试规范
第1部分:通用要求
纺织机械噪声测试规范免费标准下载网bzxz
纺织机械安全要求
第7部分:染整机械
纺织机械染整机器导布辊
纺织机械产品包装
纺织机械产品涂装
FZ/T90089.1
主要尺寸及要求
纺织机械铭牌型式、尺寸及技术要求FZ/T90089.2
纺织机械铭牌
JB/T4127.1—1999机械密封技术条件3型式及参数
3.1型式
卧式。
3.2参数
参数见表1。
公称宽度/mm
公称速度/(m/min)
容布量/m
1100\.1200、1400.1600.1800.2000.2200.2400.2600.2800.3000.3200.3400.3600
50.60.80.100
50、60.70.80、90
FZ/T95010—2013
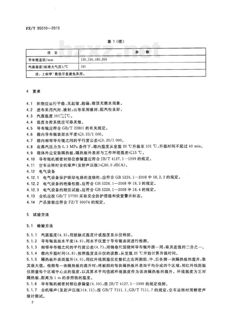
导布辊直径/mm
汽蒸温度(标准大气压)/℃
表1(续)
125、150、180、200
注:上标带“数值尽量避免采用。4要求
织物应运行平稳,无起皱、跑偏,箱顶无滴水现象。4.1
进布采用汽封、液封;出布采用液封,阻汽性良好。4.3汽蒸温度101+.9℃。
4.4温度自控系统应可靠灵敏。
4.5导布辑应符合GB/T22801的有关规定。4.6箱内导布辊表面水平度≤0.20/1000。4.7箱内相邻导布辊之间的平行度公差≤0.20/1000。数
在蒸汽压力为0.3MPa条件下,箱内温度从室温20℃升温至101℃,升温时间不超过40min。4.8
4.9箱体外应安装隔热板,隔热板外表面与工作环境温差≤15℃。4.10导布辊机械密封部位渗漏量应符合JB/T4127.1—1999的规定。4.11空车运转时全机噪声(发射声压级)≤80.0dB(A)。4.12电气设备
4.12.1电气设备保护联结电路的连续性,应符合GB5226.1--2008中18.2.2的规定。4.12.2电气设备的绝缘性能,应符合GB5226.1-2008中18.3的规定。4.12.3电气设备的耐压试验,应符合GB5226.1一2008中18.4的规定。4.13全机应按GB/T17780采取安全防护措施和设置警示标志。4.14产品涂装应符合FZ/T90074的规定。5试验方法
5.1检验方法
汽蒸温度(4.3),用接触式温度计或温度显示仪检测。5.1.1
5.1.2导布辊表面水平度(4.6),用水平仪置于导布辊表面进行检测。5.1.3相邻导布辑之间的平行度公差(4.7),用钢卷尺围绕两导布辊外圆一周,取其差值的二分之一。5.1.4箱内升温时间(4.8),按照温度显示仪的读数,从室温20℃开始计算升温时间。5.1.5隔热板外表面温升(4.9),用红外线测温仪在整机左右两侧前、中、后各测一块隔热板的温升,取其最大值。检测每一块隔热板的温升时,将被测的每块隔热板外表面平均分成四个区域,用红外线测温仪测量每个区域中心点的温度,以其算术平均值减环境温度作为该块隔热板的温升。环境温度为正对隔热板、距离为1m的参照物的温度。5.1.6导布辑机械密封部位渗漏量(4.10),按JB/T4127.1-1999的规定检测5.1.7全机噪声(发射声压级)(4.11),按GB/T7111.1,GB/T7111.7的规定,空车运转时用精密声级计测试。
FZ/T95010—2013
5.1.8电气设备的保护联结电路连续性(4.12.1),按GB5226.12008中18.2.2的规定测试(测试数据判定按GB5226.1—2008附录G的规定)。5.1.9电气设备的绝缘性能(4.12.2),按GB5226.1—2008中18.3的规定用兆欧表测试。5.1.10电气设备的耐压试验(4.12.3),按GB5226.1--2008中18.4的规定用耐压试验仪测试。其余项目,感官检测。
5.2空车运转试验
5.2.1试验条件:
试验时间:2h
b)试验速度:70m/min。
检验项目:见4.6、4.7、4.11~4.14。5.2.2
5.3.工作负荷试验
5.3.1试验条件:
空车运转试验符合要求后再进行工作负荷试验;a)
试验温度:101C;
试验速度:公称速度的80%;
试验时间:连续运转24h。
检验项目:见4.1~4.4、4.8~4.10。6检验规则
型式检验
产品在下列情况之一时,应进行型式检验:6.1.1
新产品鉴定时:
生产过程中,如结构、材料、工艺有较大改变,可能影响产品性能时;出厂检验结果与上次型式检验有较大差异时;产品长期停产两年后,再恢复生产时;第三方进行质量检验时。
检验项目:见第4章。
6.2出厂检验
每批产品至少抽出一台全装,同时进行空车运转试验,并经生产企业质检部门检验合格,附有产6.2.1
品合格证方能出厂。
6.2.2检验项目:见4.5~4.7、4.12~4.14。6.3判定规则
6.3.1全部项目检验合格,判该产品符合标准要求。6.3.2在安装调试过程中,发现有项目不符合本标准时,生产企业应会同用户共同处理。7标志
7.1包装箱上的储运图示标志,按GB/T191的规定。FZ/T95010—2013
7.2产品铭牌,按FZ/T90089.1和FZ/T90089.2的规定。7.3产品安全标志,按GB2894的规定。包装、运输和贮存
8.1产品的包装,按FZ/T90001的规定。2产品在运输过程中,包装箱应按规定的朝向安置,不得倾斜或改变方向。8.2
8.3产品出厂后,在良好的防雨及通风贮存条件下,包装箱内的产品防潮、防锈有效期为一年。版权专有侵权必究
书号:155066·2-26028
FZ/T95010-2013
打印日期:2013年10月25日F009定价:
小提示:此标准内容仅展示完整标准里的部分截取内容,若需要完整标准请到上方自行免费下载完整标准文档。
标准图片预览:





- 其它标准
- 热门标准
- FZ纺织行业标准
- FZ/T70012-2016 -次成型束身无缝内衣号型
- FZ/T73011-2013 针织腹带
- FZ/T24010-2013 防缩毛纺织产品
- FZ/T60033-2012 家用纺织品 毛巾不均匀水洗尺寸变化的测定
- FZ/T92054-1996 倍捻锭子
- FZ/T92052-1995 轴承内径φ12mm环锭锭子
- FZ/T92038-1995 熔融纺丝圆形孔喷丝板
- FZ/T90083-1995 纺织机械筒子架主要尺寸
- FZ/T32024-2019 亚麻与棉混纺色纺纱
- FZ/T94062-2012 提花机
- FZ/T01036-2014 纺织品 以特克(Tex)制的约整值代替传统纱支的综合换算表
- FZ/T54059-2012 涤锦复合预取向丝
- FZ/T34009-2012 亚麻(或大麻)棉混纺印染布
- FZ/T14023-2012 涤(锦)纶防水透湿雨衣面料
- FZ/T12023-2011 芳纶1313本色纱线
- 行业新闻
网站备案号:湘ICP备2025141790号-2