- 您的位置:
- 标准下载网 >>
- 标准分类 >>
- 国家标准(GB) >>
- GB 8924-1988 玻璃纤维增强塑料燃烧性能试验方法氧指数法
标准号:
GB 8924-1988
标准名称:
玻璃纤维增强塑料燃烧性能试验方法氧指数法
标准类别:
国家标准(GB)
英文名称:
Test method for combustion performance of glass fiber reinforced plastics - Oxygen index method标准状态:
已作废-
发布日期:
1988-03-02 -
实施日期:
1989-03-01 -
作废日期:
2005-12-01 出版语种:
简体中文下载格式:
.rar.pdf下载大小:
126.15 KB
标准ICS号:
环保、保健与安全>>消防>>13.220.50建筑材料和构件的阻燃性中标分类号:
建材>>建材产品>>Q23纤维增强复合材料
替代情况:
被GB/T 8924-2005代替采标情况:
等同JIS K 7201-1977
点击下载
标准简介:
标准下载解压密码:www.bzxz.net
本标准规定了玻璃纤维增强塑料燃烧性能试验方法之一——氧指数法的试验装置、试验步骤和结果计算。本标准适用于测定玻璃纤维增强塑料在本标准规定条件下,试样持续燃烧所必须的最低氧浓度,它以氧的体积百分比表示。本标准仅适用于评定本标准规定条件下材料的燃烧性能,但不能评定实际使用条件下的着火危险性。 GB 8924-1988 玻璃纤维增强塑料燃烧性能试验方法氧指数法 GB8924-1988
部分标准内容:
第一部分主要建筑材料的检测方法标准6试验报告
试验报告包括以下内容:
α,材料的鉴别特征:名称、牌号、批号、成型工艺、生产单位等。b.试样树脂含量。
c,试样尺寸和状态调节情况。
d,平均燃烧时间(t,s)。
e.平均烧蚀长度(L,mm)。
f.平均烧蚀百分质量损失(W,%)。g.燃烧现象。
h,试验日期和人员。
附加说明:
本标由中国船舶工业总公司提出,由全国纤维增强塑料标准化技术委员会归口。本标准由中国船舶工业总公司洛阳船舶材料研究所、国家建材局北京玻璃钢研究所负责起草。免费标准下载网bzxz
本标主要起草人郭明祖、李述枚、邱红英。20.《玻璃纤维增强塑料燃烧性能试验方法氧指数法》GB8924--88
1主题内容与适用范围
本标准规定了玻璃纤维增强塑料燃烧性能试验方法之一-验步骤和结果计算。
一氧指数法的试验装置、试
本标准适用于测定玻璃纤维增强塑料在本标准规定条件下,试样持续燃烧所必须的最低氧浓度,它以氧的体积百分比表示。本标仅适用于评定本标准规定条件下材料的燃烧性能,但不能评定实际使用条件下的着火危险性。
2引用标准
GB1446纤维增强塑料性能试验方法总则GB2577玻璃钢树脂含量试验方法GB2576玻璃钢中树脂不可溶分含量试验方法3试样
3.1尺寸
试样长度为70~150mm宽度为(6.5±0.5)mm,厚度为(3±0.5)mm。其他厚度的试样也可进行试验,但试验结果只能在同样厚度下进行比较。3.2制备
试样制备应符合GB1446第1章规定。3.3数量及外观检查
每组试样不少于5根。
外观检查应符合GB1446的2.1条规定。3.4树脂含量偏差和固化度
十三、防火材料
每组试样中树脂含量最大值与最小值之差应不大于4%,固化度应大于80%,也可按产品标准或技术规范的规定。
树脂含量按GB2577测量,固化度按GB2576测量。3.5状态调节
按GB1446的3.2条规定。
4试验设备
4.1通风橱
试验在设有观察窗的通风橱内进行。4.2氧指数测定仪
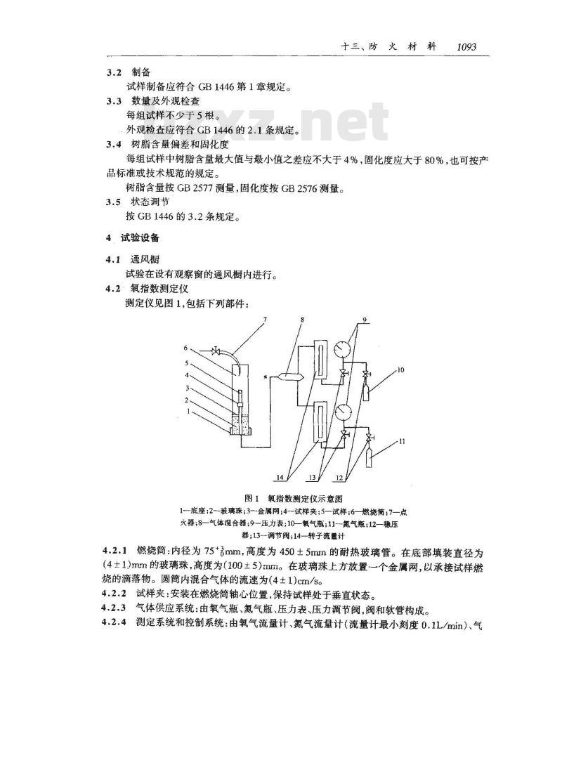
测定仪见图1,包括下列部件:
图1 氧指数测定仪示意图
1-底座;2--玻璃珠;3—金属网;4试样夹;5—试样;6—燃烧简;7—点火器;8—气体混合器;9压力表;10—氧气瓶;11-氮气瓶;12—稳压器;13—调节阀;14—转子流量计4.2.1燃烧筒:内径为75*mm,高度为450±5mm的耐热玻璃管。在底部填装直径为(4±1)mm的玻璃珠,高度为(100±5)mm。在玻璃珠上方放置一个金属网,以承接试样燃烧的滴落物。圆筒内混合气体的流速为(4±1)cm/s。4.2.2试样夹:安装在燃烧简轴心位置,保持试样处于垂直状态。4.2.3气体供应系统:由氧气瓶、氮气瓶、压力表、压力调节阀,阀和软管构成。4.2.4测定系统和控制系统:由氧气流量计、氮气流量计(流量计最小刻度0.1L/min)、气1094
第一部分主要建筑材料的检测方法标准体混合器、压力表、稳压阀、调节阀、清洁器及管路组成。另外,各流量计一年必须校正一次。4.2.5点火器:尖端内径为1~3mm的喷嘴。火焰长度可以随意控制,并能进人燃烧筒上方点燃试样。热源为液化石油气、天然气、煤气等(有争议时,以丁烷气为准)。4.3其他
4.3.1秒表:精度为0.1so
4.3.2游标卡尺:精度为0.02mmc5试验步骤
将固化度和树脂含量符合3.4的试样按5.1~5.7进行试验。5.1测量试样厚度d,准确至0.05mm。5.2试验前,转动阀门,检查连接处是否漏气。5.3将试样垂直地装在试样夹上。试样的上端至筒顶的距离不小于100mm。5.4根据经验或试样在空气中燃烧情况,选择试样的初始氧浓度。如在空气中迅速燃烧,则为18%以下;如在空气中不着火,则为25%以上。5.52点火器的火焰长度为15~25mm。5.6调节流量阀门,使流入燃烧简的氧、氮混合气体达到要求的氧浓度,并保证燃烧简中气体的流动速度为(4±1)cm/s。让燃烧筒通过30s的气体后,在试样上端点火,当试样上端确实点燃后,撤走火源,并马上开始记录时间和观察燃烧情况(包括炭化、熔融、弯曲、滴落、阴燃、火焰及烟雾大小、颜色、燃烧后分层及火焰分布均勾否)。5.7反复进行下面α条和b条的操作,测得三次试样燃烧时间为3min以上的最低氧浓度,即α条的氧浓度值,但条和b条所得氧浓度之差应小于0.5%。在燃烧过程中流量不能改变,也不能打开通风系统。
a.试样燃烧时间大于3min,则降低氧浓度。b.试样燃烧时间小于3min,则增加氧浓度。6计算
氧指数0.1.按式(1)计算:
0.1.=[0,]+N, ×100
式中 O.I.—-氧指数(%);
[O,]——氧气的流量(L/min);
[N2] ——氮气的流量(L/min)。7试验结果
7.1每根试样的氧指数值。
7.2算术平均值,取小数点后一位。8试验报告
试验报告应包括以下内容:
十三、防?火材?料
Q.试样的鉴别特征:名称、编号、基料牌号、成型工艺、提供单位等;6.试样尺寸和状态调节情况;
c.试样平均树脂含量W(%);
d.试样平均固化度C.(%);
e。每个试样的氧指数值和平均值;f.试验环境;
g·燃烧状态;
h,试验日期和人员。
附加说明:
本标准由中国船舶工业总公司提出。本标准由全国纤维增强塑料标准化技术委员会归口。本标准由洛阳船舶材料研究所负责起草。1095
21.《阻燃纸和纸板燃烧性能试验方法》GB/T14656-931主题内容与适用范围
本标推规定了阻燃纸和纸板在特定条件下的燃烧性能试验方法。本标准适用于厚度1.6mm以下,经过阻燃处理的纸和纸板,也适用于经涂布或印刷加工、厚度1.6mm以下的阻燃纸制品。2术语
2.1续焰时间移去燃烧器火焰后,试样继续有焰燃烧的时间,单位为秒(s)。2.2续灼燃时间试样停止有焰燃烧后,炭化部分继续灼热燃烧的时间,单位为秒(s)。2.3炭化长度燃烧试验后,试样炭化部分沿试样长边方向的最大长度,单位为毫米(mm)。
2.4阻燃纸经过阻燃处理的纸、纸板和纸制品。2.5非耐水性阻燃纸指在水中浸泡后阻燃性能不能满足6.1.2条之要求的阻燃纸。2.6耐水性阻燃纸指在水中浸泡后阻燃性能满足6.2.2条之要求的阻燃纸。3试验装置和仪器
3.1试验装置
主要由燃烧箱、控制箱和燃气供给系统组成(见图1)。3.1.1燃烧箱
由箱体、试样固定装置、燃烧器等组成(见图2)。3.1.1.1箱体用厚度2mm的不锈钢板制作。外形尺寸为305mm×355mm×760mmo箱体正面设镶有玻璃的门,箱体顶板上均勾分布16个直径为12.5mm的通风孔(见图3)。箱体两侧面各有8个直径12.5mm的通风孔,其孔中心距离下部边缘25mm。在箱体顶板
小提示:此标准内容仅展示完整标准里的部分截取内容,若需要完整标准请到上方自行免费下载完整标准文档。
试验报告包括以下内容:
α,材料的鉴别特征:名称、牌号、批号、成型工艺、生产单位等。b.试样树脂含量。
c,试样尺寸和状态调节情况。
d,平均燃烧时间(t,s)。
e.平均烧蚀长度(L,mm)。
f.平均烧蚀百分质量损失(W,%)。g.燃烧现象。
h,试验日期和人员。
附加说明:
本标由中国船舶工业总公司提出,由全国纤维增强塑料标准化技术委员会归口。本标准由中国船舶工业总公司洛阳船舶材料研究所、国家建材局北京玻璃钢研究所负责起草。免费标准下载网bzxz
本标主要起草人郭明祖、李述枚、邱红英。20.《玻璃纤维增强塑料燃烧性能试验方法氧指数法》GB8924--88
1主题内容与适用范围
本标准规定了玻璃纤维增强塑料燃烧性能试验方法之一-验步骤和结果计算。
一氧指数法的试验装置、试
本标准适用于测定玻璃纤维增强塑料在本标准规定条件下,试样持续燃烧所必须的最低氧浓度,它以氧的体积百分比表示。本标仅适用于评定本标准规定条件下材料的燃烧性能,但不能评定实际使用条件下的着火危险性。
2引用标准
GB1446纤维增强塑料性能试验方法总则GB2577玻璃钢树脂含量试验方法GB2576玻璃钢中树脂不可溶分含量试验方法3试样
3.1尺寸
试样长度为70~150mm宽度为(6.5±0.5)mm,厚度为(3±0.5)mm。其他厚度的试样也可进行试验,但试验结果只能在同样厚度下进行比较。3.2制备
试样制备应符合GB1446第1章规定。3.3数量及外观检查
每组试样不少于5根。
外观检查应符合GB1446的2.1条规定。3.4树脂含量偏差和固化度
十三、防火材料
每组试样中树脂含量最大值与最小值之差应不大于4%,固化度应大于80%,也可按产品标准或技术规范的规定。
树脂含量按GB2577测量,固化度按GB2576测量。3.5状态调节
按GB1446的3.2条规定。
4试验设备
4.1通风橱
试验在设有观察窗的通风橱内进行。4.2氧指数测定仪
测定仪见图1,包括下列部件:
图1 氧指数测定仪示意图
1-底座;2--玻璃珠;3—金属网;4试样夹;5—试样;6—燃烧简;7—点火器;8—气体混合器;9压力表;10—氧气瓶;11-氮气瓶;12—稳压器;13—调节阀;14—转子流量计4.2.1燃烧筒:内径为75*mm,高度为450±5mm的耐热玻璃管。在底部填装直径为(4±1)mm的玻璃珠,高度为(100±5)mm。在玻璃珠上方放置一个金属网,以承接试样燃烧的滴落物。圆筒内混合气体的流速为(4±1)cm/s。4.2.2试样夹:安装在燃烧简轴心位置,保持试样处于垂直状态。4.2.3气体供应系统:由氧气瓶、氮气瓶、压力表、压力调节阀,阀和软管构成。4.2.4测定系统和控制系统:由氧气流量计、氮气流量计(流量计最小刻度0.1L/min)、气1094
第一部分主要建筑材料的检测方法标准体混合器、压力表、稳压阀、调节阀、清洁器及管路组成。另外,各流量计一年必须校正一次。4.2.5点火器:尖端内径为1~3mm的喷嘴。火焰长度可以随意控制,并能进人燃烧筒上方点燃试样。热源为液化石油气、天然气、煤气等(有争议时,以丁烷气为准)。4.3其他
4.3.1秒表:精度为0.1so
4.3.2游标卡尺:精度为0.02mmc5试验步骤
将固化度和树脂含量符合3.4的试样按5.1~5.7进行试验。5.1测量试样厚度d,准确至0.05mm。5.2试验前,转动阀门,检查连接处是否漏气。5.3将试样垂直地装在试样夹上。试样的上端至筒顶的距离不小于100mm。5.4根据经验或试样在空气中燃烧情况,选择试样的初始氧浓度。如在空气中迅速燃烧,则为18%以下;如在空气中不着火,则为25%以上。5.52点火器的火焰长度为15~25mm。5.6调节流量阀门,使流入燃烧简的氧、氮混合气体达到要求的氧浓度,并保证燃烧简中气体的流动速度为(4±1)cm/s。让燃烧筒通过30s的气体后,在试样上端点火,当试样上端确实点燃后,撤走火源,并马上开始记录时间和观察燃烧情况(包括炭化、熔融、弯曲、滴落、阴燃、火焰及烟雾大小、颜色、燃烧后分层及火焰分布均勾否)。5.7反复进行下面α条和b条的操作,测得三次试样燃烧时间为3min以上的最低氧浓度,即α条的氧浓度值,但条和b条所得氧浓度之差应小于0.5%。在燃烧过程中流量不能改变,也不能打开通风系统。
a.试样燃烧时间大于3min,则降低氧浓度。b.试样燃烧时间小于3min,则增加氧浓度。6计算
氧指数0.1.按式(1)计算:
0.1.=[0,]+N, ×100
式中 O.I.—-氧指数(%);
[O,]——氧气的流量(L/min);
[N2] ——氮气的流量(L/min)。7试验结果
7.1每根试样的氧指数值。
7.2算术平均值,取小数点后一位。8试验报告
试验报告应包括以下内容:
十三、防?火材?料
Q.试样的鉴别特征:名称、编号、基料牌号、成型工艺、提供单位等;6.试样尺寸和状态调节情况;
c.试样平均树脂含量W(%);
d.试样平均固化度C.(%);
e。每个试样的氧指数值和平均值;f.试验环境;
g·燃烧状态;
h,试验日期和人员。
附加说明:
本标准由中国船舶工业总公司提出。本标准由全国纤维增强塑料标准化技术委员会归口。本标准由洛阳船舶材料研究所负责起草。1095
21.《阻燃纸和纸板燃烧性能试验方法》GB/T14656-931主题内容与适用范围
本标推规定了阻燃纸和纸板在特定条件下的燃烧性能试验方法。本标准适用于厚度1.6mm以下,经过阻燃处理的纸和纸板,也适用于经涂布或印刷加工、厚度1.6mm以下的阻燃纸制品。2术语
2.1续焰时间移去燃烧器火焰后,试样继续有焰燃烧的时间,单位为秒(s)。2.2续灼燃时间试样停止有焰燃烧后,炭化部分继续灼热燃烧的时间,单位为秒(s)。2.3炭化长度燃烧试验后,试样炭化部分沿试样长边方向的最大长度,单位为毫米(mm)。
2.4阻燃纸经过阻燃处理的纸、纸板和纸制品。2.5非耐水性阻燃纸指在水中浸泡后阻燃性能不能满足6.1.2条之要求的阻燃纸。2.6耐水性阻燃纸指在水中浸泡后阻燃性能满足6.2.2条之要求的阻燃纸。3试验装置和仪器
3.1试验装置
主要由燃烧箱、控制箱和燃气供给系统组成(见图1)。3.1.1燃烧箱
由箱体、试样固定装置、燃烧器等组成(见图2)。3.1.1.1箱体用厚度2mm的不锈钢板制作。外形尺寸为305mm×355mm×760mmo箱体正面设镶有玻璃的门,箱体顶板上均勾分布16个直径为12.5mm的通风孔(见图3)。箱体两侧面各有8个直径12.5mm的通风孔,其孔中心距离下部边缘25mm。在箱体顶板
小提示:此标准内容仅展示完整标准里的部分截取内容,若需要完整标准请到上方自行免费下载完整标准文档。
标准图片预览:




- 其它标准
- 热门标准
- 国家标准(GB)
- GB/T2828.1-2012 计数抽样检验程序 第1部分:按接收质量限(AQL)检索的逐批检验抽样计划
- GB/T8566-2022 系统与软件工程 软件生存周期过程
- GB/T30917—2014 /ISo 29941:2010 天然胶乳橡胶避孕套中可迁移亚硝胺的测定
- GB/T9124.1-2019 钢制管法兰 第1部分:PN 系列
- GB/T1182-2018 产品几何技术规范(GPS) 几何公差 形状、方向、位置和跳动公差标注
- GB/T12777-1999 金属波纹管膨胀节通用技术条件
- GB/T29633.4-2020 南极地名 第4部分:罗马字母拼写
- GB/T5169.15—2015 /IEC 60695-11-3;2012 电工电子产品着火危险试验第15部分:试验火焰500 W火焰装置和确认试验方法
- GB4706.3-1986 家用和类似用途电器的安全食物搅碎器及类似用途电器的特殊要求
- GB15193.5-2003 骨髓细胞微核试验
- GB15985-1995 丝虫病诊断标准及处理原则
- GB19159-2003 车用液化石油气
- GB/T7407-1997 中国及世界主要海运贸易港口代码
- GB14287.4-2014 电气火灾监控系统 第4部分:故障电弧探测器
- GB/T43929-2024 空间用纤维光学器件测试指南
- 行业新闻
请牢记:“bzxz.net”即是“标准下载”四个汉字汉语拼音首字母与国际顶级域名“.net”的组合。 ©2025 标准下载网 www.bzxz.net 本站邮件:bzxznet@163.com
网站备案号:湘ICP备2025141790号-2
网站备案号:湘ICP备2025141790号-2