- 您的位置:
- 标准下载网 >>
- 标准分类 >>
- 国家标准(GB) >>
- GB/T 10231-1988 保护继电器的结构型式与基本尺寸系列
标准号:
GB/T 10231-1988
标准名称:
保护继电器的结构型式与基本尺寸系列
标准类别:
国家标准(GB)
标准状态:
已作废-
发布日期:
1988-12-01 -
实施日期:
1990-01-01 出版语种:
简体中文下载格式:
.rar.pdf下载大小:
84.09 KB
点击下载
标准简介:
标准下载解压密码:www.bzxz.net
本标准规定了保护继电器的结构型式,包括凸出式和嵌入式两种;还规定了基本尺寸系列,所标注的尺寸为理论尺寸,公差和配合间隙根据有关结构标准确定。本标准列入了系列1和系列2两部分结构型式与基本尺寸系列。系列1尺寸为优选尺寸系列。本标准适用于电力系统保护继电器及其装置。本标准仅适用于新设计的产品壳体结构及尺寸。 GB/T 10231-1988 保护继电器的结构型式与基本尺寸系列 GB/T10231-1988
部分标准内容:
中华人民共和国国家标准
保护继电器的结构型式与基本尺寸系列Structural type and series of baslcdimenuslons of protective relayGB 10231—88
本标准规定了保护继电器的结树型式,包括凸出式和嵌人式两种:还规定了基本尺寸系列,所标注的尺寸为理论尺寸,公差和配合间隙根据有关结构标准确定。本标准列入了系列I和系列1两部分结构型式与基本尺寸系列。系列I尺寸为优选尺寸系列。本标准适用于电力系统保护维继电器及其装置本标准仅适用于新设计的产品壳体结构及尺寸。1系列 1 结构型式与基本尺寸系列1.1外形尺寸图见图 1,图 2。
凸出式结构外形尺寸图
中华人民共和国机械电子工业部1988-12-12批准1990-01-01实施
1.2 安装尺寸图见图 3,图4。
GB 10231—88
图2·嵌入式结构外形尺寸图
图3凸出式结构安装尺小图
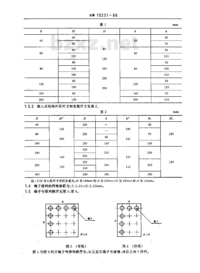
1.3外形尺寸和安装尺寸
1.3.1凸出式结构外形尺寸和安装尺寸见表 1图4嵌入式结构安装尺图
GB10231--88bZxz.net
嵌入式结构外形尺寸和安装尺寸见表2。表2
注: 1)H 与h的尺寸对应关系为:H 为 140mm 时,h 为 130tur;H 为 160tntn 时,h 为 145mm。1-4端子排列的网格格距为:7.5,10,12.5,15mm。5端子号排列顺序见图5,图6。
图5 (背视)
图6(背视)
图5与图6所示端子号排列顺序为:从左至右端子号递增,再自上而下排列。h
2系列1 结构型式与基本尺寸系列GB 1023188
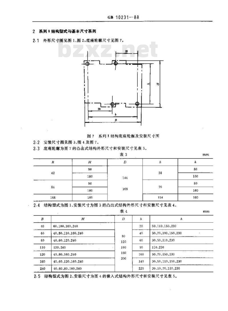
2.1外形尺寸图见图1、图2,座轮廉尺寸见图7。8
图 7系列I结构底座轮廊及安装尺寸图2.2安装尺寸图见图3、图4及图7。2.3底座轮廊为图7的凸出式结构外形尺寸和安装尺寸见表3。表3
2.4结构型式为图1、安装尺寸为图 3的凸出式结构外形尺寸和安装尺寸见表4。表4
60,100,160.240
40,80.110,160.240
40.60.120.240
40.80.160,240
40.60.120.160、240
40.60.80.160、240
50.110.150,230
30、79,100、150、230
30,50,110,230
30.70,150.230
30,50,110,150,230
30、50、70、150、230
2.5结构型式为图2、安装尺寸为图 4的嵌入式结构外形尺寸和安装尺寸见表 5。五
GB10231--88
2.6系列1结构型式端子排列网格距及端子号排列顺序暂不作规定附加说明:
本标准由许昌继电器研究所归口。本标准由许昌继电器研究所等单位负责起草。
小提示:此标准内容仅展示完整标准里的部分截取内容,若需要完整标准请到上方自行免费下载完整标准文档。
保护继电器的结构型式与基本尺寸系列Structural type and series of baslcdimenuslons of protective relayGB 10231—88
本标准规定了保护继电器的结树型式,包括凸出式和嵌人式两种:还规定了基本尺寸系列,所标注的尺寸为理论尺寸,公差和配合间隙根据有关结构标准确定。本标准列入了系列I和系列1两部分结构型式与基本尺寸系列。系列I尺寸为优选尺寸系列。本标准适用于电力系统保护维继电器及其装置本标准仅适用于新设计的产品壳体结构及尺寸。1系列 1 结构型式与基本尺寸系列1.1外形尺寸图见图 1,图 2。
凸出式结构外形尺寸图
中华人民共和国机械电子工业部1988-12-12批准1990-01-01实施
1.2 安装尺寸图见图 3,图4。
GB 10231—88
图2·嵌入式结构外形尺寸图
图3凸出式结构安装尺小图
1.3外形尺寸和安装尺寸
1.3.1凸出式结构外形尺寸和安装尺寸见表 1图4嵌入式结构安装尺图
GB10231--88bZxz.net
嵌入式结构外形尺寸和安装尺寸见表2。表2
注: 1)H 与h的尺寸对应关系为:H 为 140mm 时,h 为 130tur;H 为 160tntn 时,h 为 145mm。1-4端子排列的网格格距为:7.5,10,12.5,15mm。5端子号排列顺序见图5,图6。
图5 (背视)
图6(背视)
图5与图6所示端子号排列顺序为:从左至右端子号递增,再自上而下排列。h
2系列1 结构型式与基本尺寸系列GB 1023188
2.1外形尺寸图见图1、图2,座轮廉尺寸见图7。8
图 7系列I结构底座轮廊及安装尺寸图2.2安装尺寸图见图3、图4及图7。2.3底座轮廊为图7的凸出式结构外形尺寸和安装尺寸见表3。表3
2.4结构型式为图1、安装尺寸为图 3的凸出式结构外形尺寸和安装尺寸见表4。表4
60,100,160.240
40,80.110,160.240
40.60.120.240
40.80.160,240
40.60.120.160、240
40.60.80.160、240
50.110.150,230
30、79,100、150、230
30,50,110,230
30.70,150.230
30,50,110,150,230
30、50、70、150、230
2.5结构型式为图2、安装尺寸为图 4的嵌入式结构外形尺寸和安装尺寸见表 5。五
GB10231--88
2.6系列1结构型式端子排列网格距及端子号排列顺序暂不作规定附加说明:
本标准由许昌继电器研究所归口。本标准由许昌继电器研究所等单位负责起草。
小提示:此标准内容仅展示完整标准里的部分截取内容,若需要完整标准请到上方自行免费下载完整标准文档。
标准图片预览:





- 其它标准
- 热门标准
- 国家标准(GB)
- GB/T30917—2014 /ISo 29941:2010 天然胶乳橡胶避孕套中可迁移亚硝胺的测定
- GB/T12777-1999 金属波纹管膨胀节通用技术条件
- GB/T29633.4-2020 南极地名 第4部分:罗马字母拼写
- GB15193.5-2003 骨髓细胞微核试验
- GB/T43225-2023 空间物体登记要求
- GB4706.3-1986 家用和类似用途电器的安全食物搅碎器及类似用途电器的特殊要求
- GB15985-1995 丝虫病诊断标准及处理原则
- GB19159-2003 车用液化石油气
- GB/T7407-1997 中国及世界主要海运贸易港口代码
- GB1913.2-1990 漂白浸渍绝缘纸
- GB/T15425-1994 贸易单128条码
- GB14287.4-2014 电气火灾监控系统 第4部分:故障电弧探测器
- GB5237.3-2008 铝合金建筑型材 第3部分:电泳涂漆型材
- GB/T39964-2021 造纸行业能源管理体系实施指南
- GB/T9771.6-2020 通信用单模光纤 第6部分:宽波长段 光传输用非零色散单模光纤特性
- 行业新闻
请牢记:“bzxz.net”即是“标准下载”四个汉字汉语拼音首字母与国际顶级域名“.net”的组合。 ©2025 标准下载网 www.bzxz.net 本站邮件:bzxznet@163.com
网站备案号:湘ICP备2025141790号-2
网站备案号:湘ICP备2025141790号-2