- 您的位置:
- 标准下载网 >>
- 标准分类 >>
- 航空工业行业标准(HB) >>
- HB 4-54-76 导管识别标志
标准号:
HB 4-54-76
标准名称:
导管识别标志
标准类别:
航空工业行业标准(HB)
标准状态:
现行-
发布日期:
1976-10-27 -
实施日期:
1976-10-01 出版语种:
简体中文下载格式:
.rar.pdf下载大小:
3.50 MB
部分标准内容:
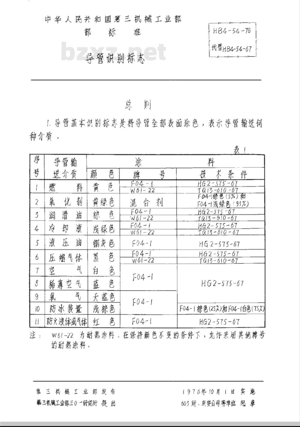
中华人民共和国第三机械工业部部标准
导管识别标志
HB4-54-76
代替HB4-54-67
1.导管基本识剃标志是将导管全部表面涤色,表示导管输送何种介质。
导管输
送介质
氧化剂
润滑油
冷却液
液压油
压缩气体
稀薄空气
防冰装置
防火液体或气体
黄色藍
黄绿色
浅绿色
天蓝色
浅棕色
牌國号
W6/-22
混合剂
W61-22
技术条件
HG2-575-67
TQ13-610-67
F04-棕色(5%)
F04一浅绿色(95%)
HG2-575-67
TQ13-610-67
HG2-575-67
T13-610-67
HG 2-575-67
HG2-575-67
TQ13-610-67
HG2-575-67
F04-!棕色(25%)和F04-1台色(75%)HG2-575-67
W61-22为耐热涂料,在保持颜色不变的条件下,允许采用其他牌号的耐热途料。
第三机械工业部发布
第三机城工业部三0一研究所提出1976年10月1买施
603所、庆安公司等单位起草
HR4-54-76
共15页第2页
2.导管辅助识别标志是沿导管表面贴上一圈印有导管用途字样的标签。标签材料为100克板纸(单光或双光),自底黑学将表2至表6中的标签字样用印刷法印制在标签上,字体为5号仿呆体。如液压油,液压助力系统增压辅助管路为:助力系
助增压
二、导管分组
导管按系统分成五组:
A组—供油系统导管;
B组—液压系统导管;
C组冷气系统导管;
D组—设备导管;
E组—一航翌仪表导管。
签学样
(导管用途)
汽油通气管
汽淄放油管
煤油通气管
供油系统导管
标签字祥
(导管用途)
煤油放油管
燃料通气管
燃料放出管
压缩燃料混合液
HB4 - 54 - 76
标签学样
(等管用途)
压缩燃料混合液通气管
压缩燃料总合施黄
缩燃料滩台没版毅管
酒精水溶滚
酒精水溶液通气管
酒精水溶液放液管
硝酸通气管
硝酸放液管
液态氧
液态氧通气管
序输送
号价质
共15页第了页
续表2
标签享样导管
(导管用途)
液态氧放液管
过氧化氢
过氧化氢通气管
过氧化氢放出管
通气管
放油管
通气管
放水管
标记示例:A组19号液夺氧导管标记为:HB4-54-A19。颜色
A组19号液态氧导管涂耐热涂料标记为:HB4-54-AI9R席输送
喜分质
HB4- 54 - 76
B组液压系统导管
标签学样
(导管用途)
主管路吸油
主管路增压
主管路通气
主管路国淘
主管路应急吸油
主管路应急增压
主管路应急通气
主管路应急回油
助力系统吸油
助力系统增压
助力系统副翼操纵
助力系统升降舵操纵
助力系统方向窥操纵
勘力系统通气路
助力系统回油路
序输送
专价质
共15页第4页
标签享样
(导管用途)
助力系统辅助吸油
助力系统辅助增压
助力系统辅助副翼操纵
助力系统辅助分降窥谦纵
勘力系统辅助方向貌操纵
助力系统辅助通气路
力系统铺助回油路
助力系统应急吸油
助力系统应急增压
助力系统应急副翼操纵
到舞保粉
助力系统筑应急升降貌操纵
助力系统应急方间勉操织
助力系统应急通气路
助力系统应急闽油路
关闭起落架舱门
HB4-54 -76
席输送
标签学样得管
(寻管用途)
应急关闭起落架窥门
起落架收起
起落架应急收起
起落架放下
起落架应急放下
打升起落架舱门
应急打开起落架舱门
机轮刹车
机轮应急刹车
前机轮刹车
右机轮刻车
左机轨刹车
前机轮转弯
关闭着陆减速板
应急关闭着陆减速板
共15页第5页
续表3
标签学样导管
价质(寻管用选)
打开着陆减速板
应急打开着陆减速板
关闭翼
应急关闭襟翼
打开襟翼
应急打开翼
燃科画油
燃料应急回油
关闭空气减速板
应急关闭空气减速板
打升空气减速板
应急打开空气减速板
升酶机构操纵
关闭炸弹舱门
应急关闭炸弹舱门
序葡送
号价质
HB4-54-76
标签字样
(导管用途)
打开炸弹舱门
应急打开弹舱门
自动驾驶仪操纵
关闭座舱盖
应急关闭座舱盖
打开座舱盖
应急打开座舱盖
专时开在配品
关闭舱门
应急关闭翁门
打开舱门
应急打升舱门
关闭舱口盖
应急关闲舱口盖
打开舱口盖
应急打开舱口盖
共15页第6页
续表3
标签学样
(导管用途)
关闭座舱
应急关闭座舱
打开座舱
应急打开座舱
关闭乘员应急门
应急关阴乘员应急舱门
打开来员应急舱门
应急打开乘员应急舱门
移动座椅
关闭动力装置调节片
应急关闭动力装置调节片
立意大闭动力裁直调节片
打开动力装置节片
应急打升动力装置调节片
关闭照相装置舱门
应急关闭照相装置舱门
序输送
HB4-54-76
标签学样
号价质(导管用途)
打开照捐装置舱门
应急打开照相装置舱门
收起武器
应急妆起武器
放下武器
应急放下武器免费标准下载网bzxz
发动机整流链收进
发动机整流链放出
蓄压器机上充气
助力系统水孕要足面
换位 (上仰)
助力系统水本安是面
换位 (俯浒)
勘力系统水孕安定面
辅助换位(上仰)
助力系统水卒安是面
辅助换位(俯冲)
[序输送
共15质第7质
续表3
标签字样寻管
价质(导管用途)颜色
115/油
助力系统水卒安是
面应急换位(上仰)
助力系统水伞安定
面应急换位(俯冲)
超落架萼曲
起落架解陈普曲
右机轮滑转
尾轮滑转
左机轮滑转
前轮滑转
放出绞车钢索
应急放出绞车钢索
收起绞车钢索
应急收起绞车索
标记示:B组88号应急打开动力装置调节片导管标记为:HB4-54-B88 c
序输选
HB4-54-76
C组冷气系统导管
标签字样得管
序输选
(管用途)
高压管路
低压管路
通气管
机上充气
专用舱增压
飞行服增压
接应急气瓶
座舱空气调节
座舱气密
自压缩机充气
油箱增压
付油箱增压
液压系统油箱增压
号价质
共15页第8页
标签字样导管
(导管用途)
武器装弹
关闭起落架舱门
应急关闭起落架舱门
起落架收起
起落架应急收起
放下起落架
应急放下起落架
打升起落架舱门
应急打开起落架舱门
机轮刹车
机轮应急刹车
前机轮剩车
右机轮刹车
*经过座舱露在外面的导管危许涂成座舱颜色。色
HB4-54-76
标签字样
序瀚送
价质 (导管用途)
左机轮刹车
前机乾转弯
减速伞
关闭着陆减速板
应急关闭着陆减速板
打开着荫减速板
应急打开着陆减速板
关闭闲襟翼
应急关闲襟翼
打开襟翼
应急打开襟翼
旋易燃气
应急放易燃气
关雨气动活门
打开气动活门
共15页第9页
续表4
标签学祥导管
(导管用途)
锁钩线路操纵
关闲空气减速板
应急关闭塑气减速板
打开空气减速板
应急打升空气减速板
升降机构操纵
敬生设备准备过程
站比现
魚雷纵
关闭炸弹舱门
应急关闭炸弹门
打开炸弹舱门
应急打开炸弹舱门
自动驾驶仪操纵
无线电增压
雷达增压
序输送
HB4-54-76
标签字样
(导管用途)
货舱加温
机翼防冰
尾翼防冰
关闭座舱盖
应急关闭座舱盖
打开座舱盖
应急打升座舱盖
关闭舱门
应急关闭翁门
打开舱门
应急打开舱门
关闭舱口盖
应急关闭舱口盖
打开舱口盖
应急打开舱口盖
号介质
共15页第10页
续表4
称釜学样寻管
(导管用途)
关闭座舱
应急关闭座舱
打开座舱
应急打开座舱
关闭乘员应急舱口盖
应急关闭乘员应急舱口盖
打升乘员应急舱口盖
应急打升乘员应急舱口盖
移动座椅
座舱盖气密糠纵
舱口盖气密靜纵
关闭动力装置调节片
成驾关闭市
动力装置调节片
亚息大闭政教直调节
打开动力装置调节片
应急打开动力装置节片
HB4- 54 -76
标签学样
(导管用途)
关闭照相装置舱门
应急关闭照指装置舱门
打开照相装置舱门
应急打升照相装置舱门
收起武器
应急收起武器
序输送
共15第1页
续表4
标签学样导管
(导管用途)颜色
放下武器
应急放下武器
发动机整流锥收进
发动机整流链放出
起动发动机
应急移动座椅
标记示例:C组56号雷达增压导管标记为:HB4-54-C56C 组 56号雷达增压导管涂耐热涂料标记为:HB4-54-C56R。
设备导管
标签学样
序输送
(管用途)
液体用于螺旋蔡
液体用于机翼
液体用于尾翼
标签学样
用途)
液体用于进气道
液体通气管
液体放出管
小提示:此标准内容仅展示完整标准里的部分截取内容,若需要完整标准请到上方自行免费下载完整标准文档。
导管识别标志
HB4-54-76
代替HB4-54-67
1.导管基本识剃标志是将导管全部表面涤色,表示导管输送何种介质。
导管输
送介质
氧化剂
润滑油
冷却液
液压油
压缩气体
稀薄空气
防冰装置
防火液体或气体
黄色藍
黄绿色
浅绿色
天蓝色
浅棕色
牌國号
W6/-22
混合剂
W61-22
技术条件
HG2-575-67
TQ13-610-67
F04-棕色(5%)
F04一浅绿色(95%)
HG2-575-67
TQ13-610-67
HG2-575-67
T13-610-67
HG 2-575-67
HG2-575-67
TQ13-610-67
HG2-575-67
F04-!棕色(25%)和F04-1台色(75%)HG2-575-67
W61-22为耐热涂料,在保持颜色不变的条件下,允许采用其他牌号的耐热途料。
第三机械工业部发布
第三机城工业部三0一研究所提出1976年10月1买施
603所、庆安公司等单位起草
HR4-54-76
共15页第2页
2.导管辅助识别标志是沿导管表面贴上一圈印有导管用途字样的标签。标签材料为100克板纸(单光或双光),自底黑学将表2至表6中的标签字样用印刷法印制在标签上,字体为5号仿呆体。如液压油,液压助力系统增压辅助管路为:助力系
助增压
二、导管分组
导管按系统分成五组:
A组—供油系统导管;
B组—液压系统导管;
C组冷气系统导管;
D组—设备导管;
E组—一航翌仪表导管。
签学样
(导管用途)
汽油通气管
汽淄放油管
煤油通气管
供油系统导管
标签字祥
(导管用途)
煤油放油管
燃料通气管
燃料放出管
压缩燃料混合液
HB4 - 54 - 76
标签学样
(等管用途)
压缩燃料混合液通气管
压缩燃料总合施黄
缩燃料滩台没版毅管
酒精水溶滚
酒精水溶液通气管
酒精水溶液放液管
硝酸通气管
硝酸放液管
液态氧
液态氧通气管
序输送
号价质
共15页第了页
续表2
标签享样导管
(导管用途)
液态氧放液管
过氧化氢
过氧化氢通气管
过氧化氢放出管
通气管
放油管
通气管
放水管
标记示例:A组19号液夺氧导管标记为:HB4-54-A19。颜色
A组19号液态氧导管涂耐热涂料标记为:HB4-54-AI9R席输送
喜分质
HB4- 54 - 76
B组液压系统导管
标签学样
(导管用途)
主管路吸油
主管路增压
主管路通气
主管路国淘
主管路应急吸油
主管路应急增压
主管路应急通气
主管路应急回油
助力系统吸油
助力系统增压
助力系统副翼操纵
助力系统升降舵操纵
助力系统方向窥操纵
勘力系统通气路
助力系统回油路
序输送
专价质
共15页第4页
标签享样
(导管用途)
助力系统辅助吸油
助力系统辅助增压
助力系统辅助副翼操纵
助力系统辅助分降窥谦纵
勘力系统辅助方向貌操纵
助力系统辅助通气路
力系统铺助回油路
助力系统应急吸油
助力系统应急增压
助力系统应急副翼操纵
到舞保粉
助力系统筑应急升降貌操纵
助力系统应急方间勉操织
助力系统应急通气路
助力系统应急闽油路
关闭起落架舱门
HB4-54 -76
席输送
标签学样得管
(寻管用途)
应急关闭起落架窥门
起落架收起
起落架应急收起
起落架放下
起落架应急放下
打升起落架舱门
应急打开起落架舱门
机轮刹车
机轮应急刹车
前机轮刹车
右机轮刻车
左机轨刹车
前机轮转弯
关闭着陆减速板
应急关闭着陆减速板
共15页第5页
续表3
标签学样导管
价质(寻管用选)
打开着陆减速板
应急打开着陆减速板
关闭翼
应急关闭襟翼
打开襟翼
应急打开翼
燃科画油
燃料应急回油
关闭空气减速板
应急关闭空气减速板
打升空气减速板
应急打开空气减速板
升酶机构操纵
关闭炸弹舱门
应急关闭炸弹舱门
序葡送
号价质
HB4-54-76
标签字样
(导管用途)
打开炸弹舱门
应急打开弹舱门
自动驾驶仪操纵
关闭座舱盖
应急关闭座舱盖
打开座舱盖
应急打开座舱盖
专时开在配品
关闭舱门
应急关闭翁门
打开舱门
应急打升舱门
关闭舱口盖
应急关闲舱口盖
打开舱口盖
应急打开舱口盖
共15页第6页
续表3
标签学样
(导管用途)
关闭座舱
应急关闭座舱
打开座舱
应急打开座舱
关闭乘员应急门
应急关阴乘员应急舱门
打开来员应急舱门
应急打开乘员应急舱门
移动座椅
关闭动力装置调节片
应急关闭动力装置调节片
立意大闭动力裁直调节片
打开动力装置节片
应急打升动力装置调节片
关闭照相装置舱门
应急关闭照相装置舱门
序输送
HB4-54-76
标签学样
号价质(导管用途)
打开照捐装置舱门
应急打开照相装置舱门
收起武器
应急妆起武器
放下武器
应急放下武器免费标准下载网bzxz
发动机整流链收进
发动机整流链放出
蓄压器机上充气
助力系统水孕要足面
换位 (上仰)
助力系统水本安是面
换位 (俯浒)
勘力系统水孕安定面
辅助换位(上仰)
助力系统水卒安是面
辅助换位(俯冲)
[序输送
共15质第7质
续表3
标签字样寻管
价质(导管用途)颜色
115/油
助力系统水卒安是
面应急换位(上仰)
助力系统水伞安定
面应急换位(俯冲)
超落架萼曲
起落架解陈普曲
右机轮滑转
尾轮滑转
左机轮滑转
前轮滑转
放出绞车钢索
应急放出绞车钢索
收起绞车钢索
应急收起绞车索
标记示:B组88号应急打开动力装置调节片导管标记为:HB4-54-B88 c
序输选
HB4-54-76
C组冷气系统导管
标签字样得管
序输选
(管用途)
高压管路
低压管路
通气管
机上充气
专用舱增压
飞行服增压
接应急气瓶
座舱空气调节
座舱气密
自压缩机充气
油箱增压
付油箱增压
液压系统油箱增压
号价质
共15页第8页
标签字样导管
(导管用途)
武器装弹
关闭起落架舱门
应急关闭起落架舱门
起落架收起
起落架应急收起
放下起落架
应急放下起落架
打升起落架舱门
应急打开起落架舱门
机轮刹车
机轮应急刹车
前机轮剩车
右机轮刹车
*经过座舱露在外面的导管危许涂成座舱颜色。色
HB4-54-76
标签字样
序瀚送
价质 (导管用途)
左机轮刹车
前机乾转弯
减速伞
关闭着陆减速板
应急关闭着陆减速板
打开着荫减速板
应急打开着陆减速板
关闭闲襟翼
应急关闲襟翼
打开襟翼
应急打开襟翼
旋易燃气
应急放易燃气
关雨气动活门
打开气动活门
共15页第9页
续表4
标签学祥导管
(导管用途)
锁钩线路操纵
关闲空气减速板
应急关闭塑气减速板
打开空气减速板
应急打升空气减速板
升降机构操纵
敬生设备准备过程
站比现
魚雷纵
关闭炸弹舱门
应急关闭炸弹门
打开炸弹舱门
应急打开炸弹舱门
自动驾驶仪操纵
无线电增压
雷达增压
序输送
HB4-54-76
标签字样
(导管用途)
货舱加温
机翼防冰
尾翼防冰
关闭座舱盖
应急关闭座舱盖
打开座舱盖
应急打升座舱盖
关闭舱门
应急关闭翁门
打开舱门
应急打开舱门
关闭舱口盖
应急关闭舱口盖
打开舱口盖
应急打开舱口盖
号介质
共15页第10页
续表4
称釜学样寻管
(导管用途)
关闭座舱
应急关闭座舱
打开座舱
应急打开座舱
关闭乘员应急舱口盖
应急关闭乘员应急舱口盖
打升乘员应急舱口盖
应急打升乘员应急舱口盖
移动座椅
座舱盖气密糠纵
舱口盖气密靜纵
关闭动力装置调节片
成驾关闭市
动力装置调节片
亚息大闭政教直调节
打开动力装置调节片
应急打开动力装置节片
HB4- 54 -76
标签学样
(导管用途)
关闭照相装置舱门
应急关闭照指装置舱门
打开照相装置舱门
应急打升照相装置舱门
收起武器
应急收起武器
序输送
共15第1页
续表4
标签学样导管
(导管用途)颜色
放下武器
应急放下武器
发动机整流锥收进
发动机整流链放出
起动发动机
应急移动座椅
标记示例:C组56号雷达增压导管标记为:HB4-54-C56C 组 56号雷达增压导管涂耐热涂料标记为:HB4-54-C56R。
设备导管
标签学样
序输送
(管用途)
液体用于螺旋蔡
液体用于机翼
液体用于尾翼
标签学样
用途)
液体用于进气道
液体通气管
液体放出管
小提示:此标准内容仅展示完整标准里的部分截取内容,若需要完整标准请到上方自行免费下载完整标准文档。
标准图片预览:





- 其它标准
- 上一篇: HB 4-53-1999 铅封
- 下一篇: HB 4-55-1995 导管弯曲半径
- 热门标准
- 航空工业行业标准(HB)
- HB7026.24-1994 夹具通用件定位件 带拉环定位插销
- HB/Z177-1990 软件项目管理基本要求
- HB/Z273.10-1995 切削加工操作指南 齿轮加工
- HB5420-1989 电阻焊电极与辅助装置用铜及铜合金
- HB6176-1988 飞机油气式缓冲器起落架
- HB5522-1980 模压橡胶制品尺寸公差(试行)
- HB7774.1-2005 基于UG航空发动机建模要求 第1部分:通用要求
- HB7796-2005 航空产品数据管理通用要求
- HB7834-2008 航空发动机产品结构编码
- HB7878-2008 空地导弹战斗部威力指标仿真试验方法
- HB7882-2008 金属软管组件通用规范
- HB7026.21-1994 夹具通用件定位件 带滚花头定位插销
- HB8029-2002 尼龙半圆头螺钉
- HB6336-2002 平锥头半空心铆钉(6336)
- HB5830.14-1996 机载设备环境条件及试验方法 低气压(高度)
- 行业新闻
请牢记:“bzxz.net”即是“标准下载”四个汉字汉语拼音首字母与国际顶级域名“.net”的组合。 ©2025 标准下载网 www.bzxz.net 本站邮件:bzxznet@163.com
网站备案号:湘ICP备2025141790号-2
网站备案号:湘ICP备2025141790号-2