- 您的位置:
- 标准下载网 >>
- 标准分类 >>
- 航空工业行业标准(HB) >>
- HB 4-52-2002 导管扩口
标准号:
HB 4-52-2002
标准名称:
导管扩口
标准类别:
航空工业行业标准(HB)
标准状态:
现行-
发布日期:
2003-02-24 -
实施日期:
2003-02-24 出版语种:
简体中文下载格式:
.rar.pdf下载大小:
940.91 KB
替代情况:
HB 4-52-1999
部分标准内容:
中华人民共和国航空行业标准
FL4700
2003-02-24发布
导管扩口
Flare of tube
国防科学技术工业委员会发布
HB4-52-2002
代替HI34-52-1999
2003-02—24实施
HB4-52-2002
本标准是对原航空工业标准HB4-52-1999《导管扩口》修订而成。此次更改的主要内容是,增加了一个新的尺寸系列及其相关要求,以适应将工作压力提高到28MPa的需要。本标准的第1尺寸系列与HB4-52-1999的尺寸和标记方法完全等同,第2尺寸系列与有关国外标准等效。
本标准生效日起,代替HB4-52-1999。本标准由中国航空工业第一集团公司提出。本标准由中国航空综合技术研究所归口。本标准起草单位:中国航空综合技术研究所、沈阳飞机设计研究所和西安飞机制造公司。本标准主要起草人:李俊异、许广吉、孙忠志。本标准于1967年首次发布,1976年第一次修订,1983年第二次修订,1999年第三次修订。1范围
导管扩口
HB4-52-2002
本标准规定了采用扩口管路连接时的管端扩口的尺寸、扩口前导管的修正和其他相关要求。本标准适用于按航空工业标准进行的扩口管路连接。2规范性引用文件
下列规范性文件中的有关条文通过本标准的引用而成为本标准的条文。下列注明日期或版次的引用文件,其后的任何修改单或修订版本都不适用于本标准,但提倡使用本标准的各方探讨使用其新版本的可能性。下列未注明日期或版次的引用文件,其最新版本适用于本标准。HB41-2002扩口管路连接件通用规范HB4-2-2002导管的公称尺寸
3要求
3.1扩口的尺寸和公差
3.1.1导管扩口的尺寸和公差按图1和表1规定。表中的第1尺寸系列和第2尺寸系列分别同相同名称的尺寸系列相对应。
不小于0.4
清除毛刺不允许有裂纹
HB4-52-2002
公称尺寸”
表1扩口的尺寸和公差
公称尺寸”
单位为毫米
第1尺寸系列采用导管假定直径d。作为公称尺寸,第2尺寸系列采用导管公称外径D公称尺寸,导管的假定直径和公称外径按HB4-2-2002。3.1.2导管扩口部分的锥面轴线相对导管中心线的角度偏差不应超过1°30°。3.1.3直接在平管嘴内进行导管的扩口时,只检查r尺寸的下偏差。3.1.4导管扩口边缘的壁厚不应小于导管公称壁厚的70%,对D~≤8mm的铝合金管允许壁厚减至公称值的55%~60%。免费标准下载网bzxz
3.2导管扩口前的预处理
3.2.1为提高导管抗疲劳强度,扩口前允许对导管的连接处或全长进行尺寸的精加工强化或液体喷丸处理。
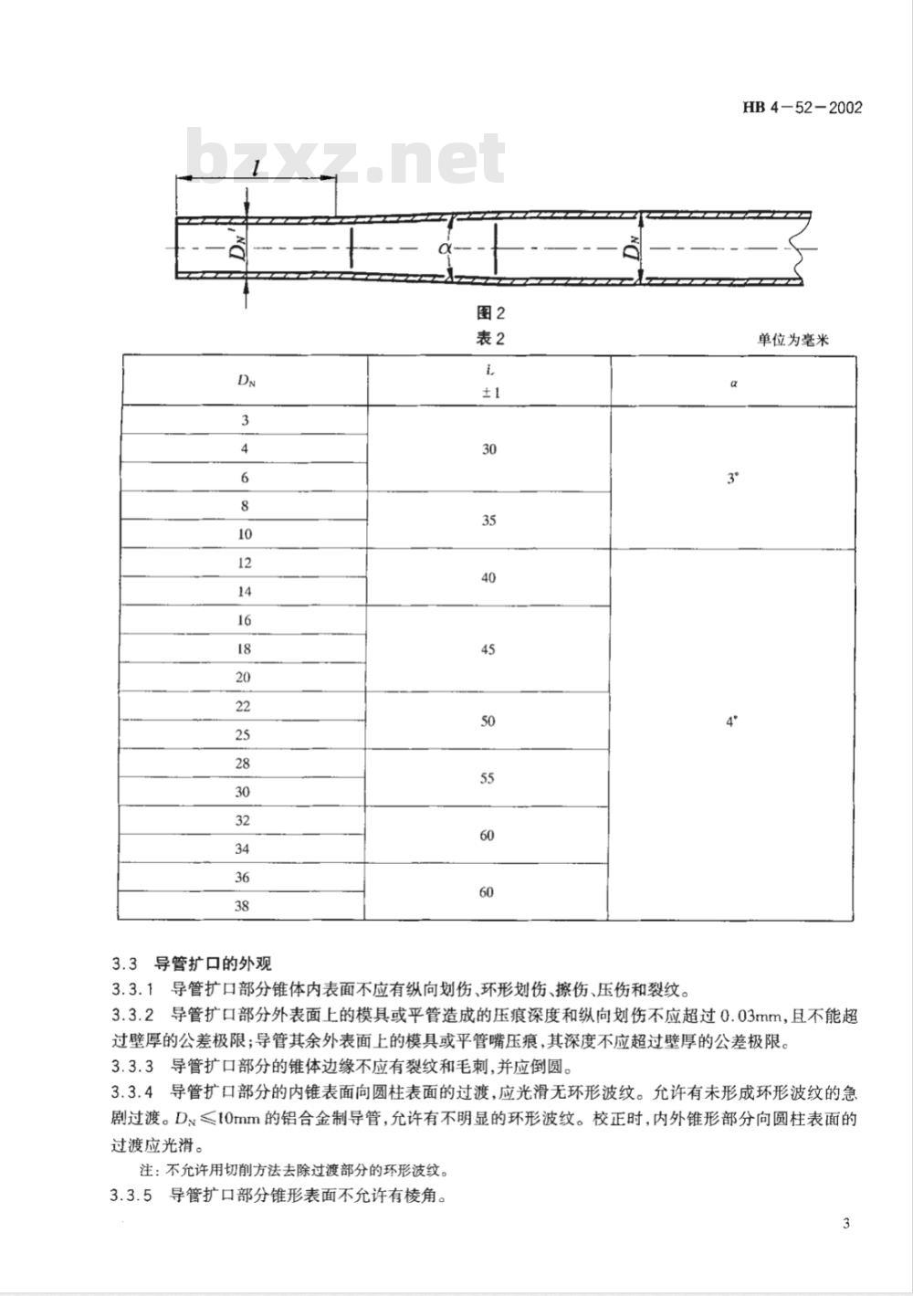
2采用负差导管时,扩口前不需要修正。采用带有正偏差的导管时,扩口前应采用不去除材料的方3.2.2
法对管端进行修正,修正后的导管形状和相关尺寸如图2和表2,修正后1长度内导管外径的上偏差应符合d9或d10公差,下偏差应符合导管供货标准的规定。采用带正偏差的1Cr18Ni9Ti钢制导管时,如果导管同平管嘴间的过盈量不超过0.16mm,可以不进行修正。DN
3.3导管扩口的外观
3.3.1导管扩口部分锥体内表面不应有纵向划伤、环形划伤、擦伤、压伤和裂纹。a
HB4-52-2002
单位为毫米
3.3.2导管扩口部分外表面上的模具或平管造成的压痕深度和纵向划伤不应超过0.03mm,且不能超过壁厚的公差极限;导管其余外表面上的模具或平管嘴压痕,其深度不应超过壁厚的公差极限。3.3.3导管扩口部分的锥体边缘不应有裂纹和毛刺,并应倒圆。3.3.4导管扩口部分的内锥表面向圆柱表面的过渡,应光滑无环形波纹。允许有未形成环形波纹的急剧过渡。D~≤10mm的铝合金制导管,允许有不明显的环形波纹。校正时,内外锥形部分向圆柱表面的过渡应光滑。
注:不允许用切削方法去除过渡部分的环形波纹。3.3.5导管扩口部分锥形表面不允许有棱角。3
HB4-52-2002
3.4其他要求
通用技术要求按HB4-1-2002。
小提示:此标准内容仅展示完整标准里的部分截取内容,若需要完整标准请到上方自行免费下载完整标准文档。
FL4700
2003-02-24发布
导管扩口
Flare of tube
国防科学技术工业委员会发布
HB4-52-2002
代替HI34-52-1999
2003-02—24实施
HB4-52-2002
本标准是对原航空工业标准HB4-52-1999《导管扩口》修订而成。此次更改的主要内容是,增加了一个新的尺寸系列及其相关要求,以适应将工作压力提高到28MPa的需要。本标准的第1尺寸系列与HB4-52-1999的尺寸和标记方法完全等同,第2尺寸系列与有关国外标准等效。
本标准生效日起,代替HB4-52-1999。本标准由中国航空工业第一集团公司提出。本标准由中国航空综合技术研究所归口。本标准起草单位:中国航空综合技术研究所、沈阳飞机设计研究所和西安飞机制造公司。本标准主要起草人:李俊异、许广吉、孙忠志。本标准于1967年首次发布,1976年第一次修订,1983年第二次修订,1999年第三次修订。1范围
导管扩口
HB4-52-2002
本标准规定了采用扩口管路连接时的管端扩口的尺寸、扩口前导管的修正和其他相关要求。本标准适用于按航空工业标准进行的扩口管路连接。2规范性引用文件
下列规范性文件中的有关条文通过本标准的引用而成为本标准的条文。下列注明日期或版次的引用文件,其后的任何修改单或修订版本都不适用于本标准,但提倡使用本标准的各方探讨使用其新版本的可能性。下列未注明日期或版次的引用文件,其最新版本适用于本标准。HB41-2002扩口管路连接件通用规范HB4-2-2002导管的公称尺寸
3要求
3.1扩口的尺寸和公差
3.1.1导管扩口的尺寸和公差按图1和表1规定。表中的第1尺寸系列和第2尺寸系列分别同相同名称的尺寸系列相对应。
不小于0.4
清除毛刺不允许有裂纹
HB4-52-2002
公称尺寸”
表1扩口的尺寸和公差
公称尺寸”
单位为毫米
第1尺寸系列采用导管假定直径d。作为公称尺寸,第2尺寸系列采用导管公称外径D公称尺寸,导管的假定直径和公称外径按HB4-2-2002。3.1.2导管扩口部分的锥面轴线相对导管中心线的角度偏差不应超过1°30°。3.1.3直接在平管嘴内进行导管的扩口时,只检查r尺寸的下偏差。3.1.4导管扩口边缘的壁厚不应小于导管公称壁厚的70%,对D~≤8mm的铝合金管允许壁厚减至公称值的55%~60%。免费标准下载网bzxz
3.2导管扩口前的预处理
3.2.1为提高导管抗疲劳强度,扩口前允许对导管的连接处或全长进行尺寸的精加工强化或液体喷丸处理。
2采用负差导管时,扩口前不需要修正。采用带有正偏差的导管时,扩口前应采用不去除材料的方3.2.2
法对管端进行修正,修正后的导管形状和相关尺寸如图2和表2,修正后1长度内导管外径的上偏差应符合d9或d10公差,下偏差应符合导管供货标准的规定。采用带正偏差的1Cr18Ni9Ti钢制导管时,如果导管同平管嘴间的过盈量不超过0.16mm,可以不进行修正。DN
3.3导管扩口的外观
3.3.1导管扩口部分锥体内表面不应有纵向划伤、环形划伤、擦伤、压伤和裂纹。a
HB4-52-2002
单位为毫米
3.3.2导管扩口部分外表面上的模具或平管造成的压痕深度和纵向划伤不应超过0.03mm,且不能超过壁厚的公差极限;导管其余外表面上的模具或平管嘴压痕,其深度不应超过壁厚的公差极限。3.3.3导管扩口部分的锥体边缘不应有裂纹和毛刺,并应倒圆。3.3.4导管扩口部分的内锥表面向圆柱表面的过渡,应光滑无环形波纹。允许有未形成环形波纹的急剧过渡。D~≤10mm的铝合金制导管,允许有不明显的环形波纹。校正时,内外锥形部分向圆柱表面的过渡应光滑。
注:不允许用切削方法去除过渡部分的环形波纹。3.3.5导管扩口部分锥形表面不允许有棱角。3
HB4-52-2002
3.4其他要求
通用技术要求按HB4-1-2002。
小提示:此标准内容仅展示完整标准里的部分截取内容,若需要完整标准请到上方自行免费下载完整标准文档。
标准图片预览:





- 其它标准
- 上一篇: HB 4-52-1999 导管扩口
- 下一篇: HB 4-53-1983 铅封
- 热门标准
- 航空工业行业标准(HB)
- HB7026.24-1994 夹具通用件定位件 带拉环定位插销
- HB/Z177-1990 软件项目管理基本要求
- HB/Z273.10-1995 切削加工操作指南 齿轮加工
- HB5420-1989 电阻焊电极与辅助装置用铜及铜合金
- HB6176-1988 飞机油气式缓冲器起落架
- HB7774.1-2005 基于UG航空发动机建模要求 第1部分:通用要求
- HB7796-2005 航空产品数据管理通用要求
- HB7878-2008 空地导弹战斗部威力指标仿真试验方法
- HB7882-2008 金属软管组件通用规范
- HB7026.21-1994 夹具通用件定位件 带滚花头定位插销
- HB6336-2002 平锥头半空心铆钉(6336)
- HB5830.14-1996 机载设备环境条件及试验方法 低气压(高度)
- HB8029-2002 尼龙半圆头螺钉
- HB6925-1994 三齿粗加工立铣刀用槽铣刀 用于 HB 6911~6912-94 HB 6914~6915-94 D=63~80mm
- HB6928-1994 三齿粗加工立铣刀偏背刀用样板和校对样板 检测 HB 6927-94 槽铣刀用
- 行业新闻
请牢记:“bzxz.net”即是“标准下载”四个汉字汉语拼音首字母与国际顶级域名“.net”的组合。 ©2025 标准下载网 www.bzxz.net 本站邮件:bzxznet@163.com
网站备案号:湘ICP备2025141790号-2
网站备案号:湘ICP备2025141790号-2