- 您的位置:
- 标准下载网 >>
- 标准分类 >>
- 机械行业标准(JB) >>
- JB 5386-1991 机床主轴用精密滚动轴承补充技术条件
标准号:
JB 5386-1991
标准名称:
机床主轴用精密滚动轴承补充技术条件
标准类别:
机械行业标准(JB)
标准状态:
已作废-
实施日期:
1992-07-01 -
作废日期:
2006-02-01 出版语种:
简体中文下载格式:
.rar.pdf下载大小:
144.65 KB
部分标准内容:
中华人民共和国机械行业标准
机床主轴用精密滚动轴承
补充技术条件
1主题内容与适用范围
JB538691
本标准规定了机床主轴用精密滚动轴承(D级以上)的补充技术要求;特殊公差级SP、UP级的技术要求,锥孔公差。(特殊公差级SP、UP级是对现有公差级别及C、B级轴承的补充)。本标准适用于订货验收及轴承制浩生产检验2、引用标准
GB295向心轴承成对安装角接触球轴承外形尺寸GB307.2滚动轴承公差的测量方法(G13307.3滚动轴承
般技术要求
滚动轴承钢球
GB 308i
GB4661
滚动轴承圆柱滚子
GB7811
滚动轴承参数符号
GB4604
滚动轴承径尚游隙
JB1255
5高碳铭轴承钢滚动轴承零件热处理技术条件3符号
除下列符号外,本标准所使用的符号及含义按GB7811的规定。S:双向推刀角接触球轴承轴圈滚道对底面厚度的变动量;S:双向推力角接触球轴承座圈滚道对底面厚度的变动量;An:双向推力角接触球轴承单一高度的偏差:山、:双向推力角接触球轴承座圈单:-宽度的偏差。4技术要求
4.1材料及热处理质量
机床主轴用精密轴承采用ZGCr15钢制造,热处理质量要求按JB1255中C、B级公差轴承的要求4.2振动与噪声
机床轴用精密轴承的振动、噪声水平按制造厂主管部门的规定执行。4.3尺寸稳定性
轴承令件需经尺寸稳定处理,以保持良好的尺寸稳定性。4.4清洁度
机床主轴用精密轴承成品清洁度按制造厂主管部门的规定执行。4.5配合表面粗糙度
机械电子工业部1991-06-25批准1992-07-01实施
JB 5386--91
SPUP级轴配合表面料糙度按GB307.3中相应C、B级精度的规定。4.E配套用滚动体
机床1输用精密滚辅承装用GB4661及有关标准中【级以[(舍1级)滚F、球输承装用(308中规宠的(级以(金级)钢球。4、?游隙
SP、U级双列两作滚了轴承,梁用GB4604附录A中第·“组游隙催。4.6按融市公差
角送触球承的接触角公差按产品图样的规定,配对轴承的接触角相互准应不大!5公差
5.1双列例柱滚了轴承
5.1.1F级公差见表1、表2。
公称内备
1偏差
公称外径力
双列圆柱滚子轴承SP级内圈公漳(孔)sd
下偏落
L:偏差
上偏差
下偏差
双列圆柱滚子轴承SP级外圈公差下偏差
上偏差
注:外阀的以,与同·辅承内圈的V、规定一致、5.3.2UP级公差见表3、表4。
下偏差
上偏差
下偏落
公称内径d
公称外径[)
JB5386--91
表3双列圆杜滚子轴承UP级内圈公差(直孔)Ada
上偏差下偏差
上偏差下偏差
双列圆柱滚子轴承UP级外圈公差Ap
上偏蔡
下偏差
上偏差
注:外圈的V及山与相同轴承内圈的V、规定致。5.1.3
SP级、UP级圆锥孔(锥度1:12)公差见表5。下偏差
表5双列圆柱滚子轴承锥孔公差
公称内径d
5.2双向推力角接触球轴承
SP级公差
“下偏差
上偏差
SP级、UP级公差值见表6、表7。+6
下偏差
上偏差bzxZ.net
←-23
上偏差
UP级公差
Adinpdu
下偏差
上偏差
下偏差
下偏差
· 91)
公称内径
IB5386---91
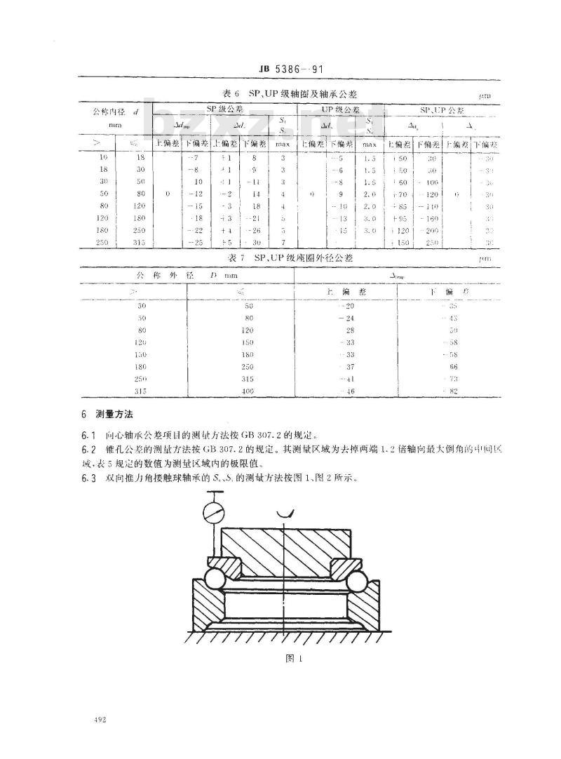
表6SP,UP级轴圈及轴承公差
SP级公差
上偏差下偏差上偏差下编差
6测量方法
UP级公差
上偏差下偏差
SP、UP级座圈外径公差
6.1向心轴派公差项是的测就方法按GB307.2的规定。20
SP、UP公差
上偏卷下偏差痛差下偏亲
6.2锥孔公差的测量方法按GB307.2的规定。其测量区域为去掉两端1.2倍轴向最大倒角的中间区域,表5规定的数值为测量区域内的极限值6.3双向推力角接触球轴承的S。、S,的测量方法按图1、图2所示。图
JB5386-91
6.4双向推力角接触球轴承的高度公差按图3的方法测量。图3
6.5第6.3及6.4条测量负荷的推荐值见表8。使被测轴承旋转稳即可。表8
检验及包装
7.1执行本标准的轴承成品必须百分之百的进行检验。7.2经检验合格的产品应按下述内容出具合格证:a.
轴承代号:
技术标编号;
被测轴承编号;
包装日期;
检查员姓名或代号;
JB5386--91
必须填写下述项目的测值:AampAmKia、Keaf.
(如用户要求经轴承生产广同意还应填写其他项目的测值)。7.3按用户要求在成品轴承上标出径向跳动最高点及组配角线,标志方法按GB295的规定。7.4合格产品经清洗、防锈处理后需单个(或成组)装盒,可分离轴承套圈与带滚动体组件之间应加衬垫隔离。
8其他
8.1SP、UP级公差等级代号标志方法,同GB272滚动轴承代号方法的规定,表示在基本代号的左侧。8.2本标准未规定的其他内容,如轴承外观、装配质量、防锈期等,按GB307.3中C、B级公差的规定执行。
附加说明:
本标准由全国滚动轴承标准化技术委员会提出。本标准由机械电子工业部洛阳轴承研究所归并负责起草。本标准起草人崔之惠。
小提示:此标准内容仅展示完整标准里的部分截取内容,若需要完整标准请到上方自行免费下载完整标准文档。
机床主轴用精密滚动轴承
补充技术条件
1主题内容与适用范围
JB538691
本标准规定了机床主轴用精密滚动轴承(D级以上)的补充技术要求;特殊公差级SP、UP级的技术要求,锥孔公差。(特殊公差级SP、UP级是对现有公差级别及C、B级轴承的补充)。本标准适用于订货验收及轴承制浩生产检验2、引用标准
GB295向心轴承成对安装角接触球轴承外形尺寸GB307.2滚动轴承公差的测量方法(G13307.3滚动轴承
般技术要求
滚动轴承钢球
GB 308i
GB4661
滚动轴承圆柱滚子
GB7811
滚动轴承参数符号
GB4604
滚动轴承径尚游隙
JB1255
5高碳铭轴承钢滚动轴承零件热处理技术条件3符号
除下列符号外,本标准所使用的符号及含义按GB7811的规定。S:双向推刀角接触球轴承轴圈滚道对底面厚度的变动量;S:双向推力角接触球轴承座圈滚道对底面厚度的变动量;An:双向推力角接触球轴承单一高度的偏差:山、:双向推力角接触球轴承座圈单:-宽度的偏差。4技术要求
4.1材料及热处理质量
机床主轴用精密轴承采用ZGCr15钢制造,热处理质量要求按JB1255中C、B级公差轴承的要求4.2振动与噪声
机床轴用精密轴承的振动、噪声水平按制造厂主管部门的规定执行。4.3尺寸稳定性
轴承令件需经尺寸稳定处理,以保持良好的尺寸稳定性。4.4清洁度
机床主轴用精密轴承成品清洁度按制造厂主管部门的规定执行。4.5配合表面粗糙度
机械电子工业部1991-06-25批准1992-07-01实施
JB 5386--91
SPUP级轴配合表面料糙度按GB307.3中相应C、B级精度的规定。4.E配套用滚动体
机床1输用精密滚辅承装用GB4661及有关标准中【级以[(舍1级)滚F、球输承装用(308中规宠的(级以(金级)钢球。4、?游隙
SP、U级双列两作滚了轴承,梁用GB4604附录A中第·“组游隙催。4.6按融市公差
角送触球承的接触角公差按产品图样的规定,配对轴承的接触角相互准应不大!5公差
5.1双列例柱滚了轴承
5.1.1F级公差见表1、表2。
公称内备
1偏差
公称外径力
双列圆柱滚子轴承SP级内圈公漳(孔)sd
下偏落
L:偏差
上偏差
下偏差
双列圆柱滚子轴承SP级外圈公差下偏差
上偏差
注:外阀的以,与同·辅承内圈的V、规定一致、5.3.2UP级公差见表3、表4。
下偏差
上偏差
下偏落
公称内径d
公称外径[)
JB5386--91
表3双列圆杜滚子轴承UP级内圈公差(直孔)Ada
上偏差下偏差
上偏差下偏差
双列圆柱滚子轴承UP级外圈公差Ap
上偏蔡
下偏差
上偏差
注:外圈的V及山与相同轴承内圈的V、规定致。5.1.3
SP级、UP级圆锥孔(锥度1:12)公差见表5。下偏差
表5双列圆柱滚子轴承锥孔公差
公称内径d
5.2双向推力角接触球轴承
SP级公差
“下偏差
上偏差
SP级、UP级公差值见表6、表7。+6
下偏差
上偏差bzxZ.net
←-23
上偏差
UP级公差
Adinpdu
下偏差
上偏差
下偏差
下偏差
· 91)
公称内径
IB5386---91
表6SP,UP级轴圈及轴承公差
SP级公差
上偏差下偏差上偏差下编差
6测量方法
UP级公差
上偏差下偏差
SP、UP级座圈外径公差
6.1向心轴派公差项是的测就方法按GB307.2的规定。20
SP、UP公差
上偏卷下偏差痛差下偏亲
6.2锥孔公差的测量方法按GB307.2的规定。其测量区域为去掉两端1.2倍轴向最大倒角的中间区域,表5规定的数值为测量区域内的极限值6.3双向推力角接触球轴承的S。、S,的测量方法按图1、图2所示。图
JB5386-91
6.4双向推力角接触球轴承的高度公差按图3的方法测量。图3
6.5第6.3及6.4条测量负荷的推荐值见表8。使被测轴承旋转稳即可。表8
检验及包装
7.1执行本标准的轴承成品必须百分之百的进行检验。7.2经检验合格的产品应按下述内容出具合格证:a.
轴承代号:
技术标编号;
被测轴承编号;
包装日期;
检查员姓名或代号;
JB5386--91
必须填写下述项目的测值:AampAmKia、Keaf.
(如用户要求经轴承生产广同意还应填写其他项目的测值)。7.3按用户要求在成品轴承上标出径向跳动最高点及组配角线,标志方法按GB295的规定。7.4合格产品经清洗、防锈处理后需单个(或成组)装盒,可分离轴承套圈与带滚动体组件之间应加衬垫隔离。
8其他
8.1SP、UP级公差等级代号标志方法,同GB272滚动轴承代号方法的规定,表示在基本代号的左侧。8.2本标准未规定的其他内容,如轴承外观、装配质量、防锈期等,按GB307.3中C、B级公差的规定执行。
附加说明:
本标准由全国滚动轴承标准化技术委员会提出。本标准由机械电子工业部洛阳轴承研究所归并负责起草。本标准起草人崔之惠。
小提示:此标准内容仅展示完整标准里的部分截取内容,若需要完整标准请到上方自行免费下载完整标准文档。
标准图片预览:





- 其它标准
- 热门标准
- 机械行业标准(JB)
- JB/T7893.1-1999 立式振动离心机
- JB/T7899-1999 填充聚四氟乙烯软带导轨 技术条件
- JB/T7938-1999 液压泵站油箱公称容量系列
- JB/T1625-2002 工业锅炉焊接管孔
- JB/T7850-1995 手夹快换接头
- JB/T8009.4-1999 机床夹具零件及部件 弧形压块
- JB/T7936-1999 直廓环面蜗杆减速器
- JB/T7939-1999 单活塞杆液压缸两腔面积比
- JB/T7941.2-1995 旋入式圆形油杯
- JB/T7946.2-1999 铸造铝硅合金过烧
- JB/T7925.2-1995 滑动轴承 多层轴承减摩合金硬度检验方法
- JB/T6375-1992 气动阀用橡胶密封圈 尺寸系列和公差
- JB/T7945-1999 灰铸铁机械性能试验方法
- JB/T7966.3-1999 模具铣刀 第 3 部分:莫氏锥柄圆柱形球头立铣刀
- JB/T7946.3-1999 铸造铝合金针孔
- 行业新闻
请牢记:“bzxz.net”即是“标准下载”四个汉字汉语拼音首字母与国际顶级域名“.net”的组合。 ©2025 标准下载网 www.bzxz.net 本站邮件:bzxznet@163.com
网站备案号:湘ICP备2025141790号-2
网站备案号:湘ICP备2025141790号-2