- 您的位置:
- 标准下载网 >>
- 标准分类 >>
- 国家标准(GB) >>
- GB 7101-1994 固体饮料卫生标准
标准号:
GB 7101-1994
标准名称:
固体饮料卫生标准
标准类别:
国家标准(GB)
标准状态:
已作废-
发布日期:
1994-08-10 -
实施日期:
1994-08-10 -
作废日期:
2004-05-01 出版语种:
简体中文下载格式:
.rar.pdf下载大小:
132.26 KB
部分标准内容:
中华人民共和国国家标准
GB7101—94
固体饮料卫生标准
Hygienic standard of solid drink1主题内容与适用范围
本标准规定了固体饮料的分类、技术要求及检验方法。代替GB7101
本标准适用于以糖、乳或乳制品、蛋或蛋制品、果汁或/和食用植物提取物等为主要原料,添加适量的辅料或食品添加剂制成的固体制品。本标准不适用于烧煮型咖啡。2引用标准
GB2760
食品添加剂使用卫生标准
食品卫生微生物学检验
菌落总数测定
食品卫生微生物学检验
大肠菌群测定
食品卫生微生物学检验
沙门氏菌检验
食品卫生微生物学检验
志贺氏菌检验
食品卫生微生物学检验
葡萄球菌检验
GB4789.10
GB4789.11
食品卫生微生物学检验
食品卫生微生物学检验
GB4789.15bzxz.net
食品中水分的测定方法
GB5009.11
GB5009.12
食品中蛋白质的测定方法
食品中总砷的测定方法
食品中铅的测定方法
食品中铜的测定方法
GB5009.13
3分类
溶血性链球菌检验
霉菌和酵母菌总数测定
3.1蛋白型固体饮料:以糖、乳及乳制品、蛋及蛋制品或植物蛋白等为主要原料,添加适量的辅料或/和食品添加剂制成的蛋白质含量≥4%的制品,3.2普通型固体饮料:以糖、果汁,或以食用植物浓缩提取物为主要原料,添加适量的辅料或/和食品添加剂制成的蛋白质含量<4%的制品。3.3焙烤型(速溶咖啡)固体饮料:以焙烤后的咖啡豆磨碎所提取的浓缩液为主要原料,添加适量的辅料或/和食品添加剂,经脱水制成的冲溶后即可饮用的制品。中华人民共和国卫生部1994-08-10批准4技术要求
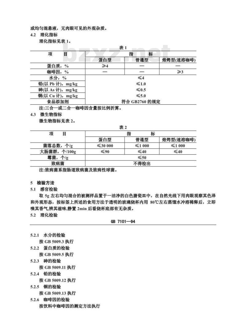
4.1感官指标
GB7101—94
1994-08-10实施
有该品种特有的色泽、香气和滋味,无结块,无刺激、焦糊、酸败及其他异味,冲溶后呈澄清或均匀混悬液,无肉眼可见的外观杂质。4.2理化指标
理化指标见表1。
蛋白质,%
咖啡因,%
水分,%
铅(以Pb计),mg/kg
砷(以As计),mg/kg
铜(以Cu计),mg/kg
食品添加剂
蛋白型
普通型
符合GB2760的规定
注:三合一或二合一咖啡因含量按比例折算。微生物指标
微生物指标见表2。
菌落总数,个/g
大肠菌群,个/100g
霉菌,个/g
致病菌
蛋白型
≤30000
注:致病菌系指肠道致病菌及致病性球菌。5检验方法
5.1感官检验
普通型
≤1000
不得检出
焙烤型(速溶咖啡)
焙烤型(速溶咖啡)
≤1000
取5g左右均匀混合的被测样品置于一洁净的白色塘瓷血中,在自然光线下用肉眼观察其色泽和外观形态,按标签上所述的食用方法于透明的玻璃烧杯内用80℃左右蒸馏水冲溶稀释后,立即其香气,辨其滋味,静置2min后看烧杯底部有无杂质。5.2理化检验
GB7101—94
5.2.1水分的检验
按GB5009.3执行
5.2.2蛋白质的检验
按GB5009.5执行
5.2.3的检验
按GB5009.11执行
5.2.4铅的检验
按GB5009.12执行
5.2.5铜的检验
按GB5009.13执行
5.2.6咖啡因的检验
按饮料中咖啡因的测定方法执行5.3微生物检验
5.3.1菌落总数的检验
按GB4789.2执行
5.3.2大肠菌群的检验
按GB4789.3执行
5.3.2致病菌的检验
按GB4789.4、GB4789.5、GB4789.10、GB4789.11执行。5.3.4霉菌的检验
按GB4789.15执行。
附加说明:
本标准由卫生部卫生监督司提出。本标准由上海市食品卫生监督检验所、广东省食品卫生监督检验所、天津市食品卫生监督检验所、武汉市食品卫生监督检验所、四川省食品卫生监督检验所、南京市食品卫生监督检验所负责起草。
本标准主要起草人须欣、文彦、徐留发、袁三喜、魏仁钧、曾寿瀛。本标准由卫生部委托技术归口单位卫生部食品卫生监督检验所负责解释。
小提示:此标准内容仅展示完整标准里的部分截取内容,若需要完整标准请到上方自行免费下载完整标准文档。
GB7101—94
固体饮料卫生标准
Hygienic standard of solid drink1主题内容与适用范围
本标准规定了固体饮料的分类、技术要求及检验方法。代替GB7101
本标准适用于以糖、乳或乳制品、蛋或蛋制品、果汁或/和食用植物提取物等为主要原料,添加适量的辅料或食品添加剂制成的固体制品。本标准不适用于烧煮型咖啡。2引用标准
GB2760
食品添加剂使用卫生标准
食品卫生微生物学检验
菌落总数测定
食品卫生微生物学检验
大肠菌群测定
食品卫生微生物学检验
沙门氏菌检验
食品卫生微生物学检验
志贺氏菌检验
食品卫生微生物学检验
葡萄球菌检验
GB4789.10
GB4789.11
食品卫生微生物学检验
食品卫生微生物学检验
GB4789.15bzxz.net
食品中水分的测定方法
GB5009.11
GB5009.12
食品中蛋白质的测定方法
食品中总砷的测定方法
食品中铅的测定方法
食品中铜的测定方法
GB5009.13
3分类
溶血性链球菌检验
霉菌和酵母菌总数测定
3.1蛋白型固体饮料:以糖、乳及乳制品、蛋及蛋制品或植物蛋白等为主要原料,添加适量的辅料或/和食品添加剂制成的蛋白质含量≥4%的制品,3.2普通型固体饮料:以糖、果汁,或以食用植物浓缩提取物为主要原料,添加适量的辅料或/和食品添加剂制成的蛋白质含量<4%的制品。3.3焙烤型(速溶咖啡)固体饮料:以焙烤后的咖啡豆磨碎所提取的浓缩液为主要原料,添加适量的辅料或/和食品添加剂,经脱水制成的冲溶后即可饮用的制品。中华人民共和国卫生部1994-08-10批准4技术要求
4.1感官指标
GB7101—94
1994-08-10实施
有该品种特有的色泽、香气和滋味,无结块,无刺激、焦糊、酸败及其他异味,冲溶后呈澄清或均匀混悬液,无肉眼可见的外观杂质。4.2理化指标
理化指标见表1。
蛋白质,%
咖啡因,%
水分,%
铅(以Pb计),mg/kg
砷(以As计),mg/kg
铜(以Cu计),mg/kg
食品添加剂
蛋白型
普通型
符合GB2760的规定
注:三合一或二合一咖啡因含量按比例折算。微生物指标
微生物指标见表2。
菌落总数,个/g
大肠菌群,个/100g
霉菌,个/g
致病菌
蛋白型
≤30000
注:致病菌系指肠道致病菌及致病性球菌。5检验方法
5.1感官检验
普通型
≤1000
不得检出
焙烤型(速溶咖啡)
焙烤型(速溶咖啡)
≤1000
取5g左右均匀混合的被测样品置于一洁净的白色塘瓷血中,在自然光线下用肉眼观察其色泽和外观形态,按标签上所述的食用方法于透明的玻璃烧杯内用80℃左右蒸馏水冲溶稀释后,立即其香气,辨其滋味,静置2min后看烧杯底部有无杂质。5.2理化检验
GB7101—94
5.2.1水分的检验
按GB5009.3执行
5.2.2蛋白质的检验
按GB5009.5执行
5.2.3的检验
按GB5009.11执行
5.2.4铅的检验
按GB5009.12执行
5.2.5铜的检验
按GB5009.13执行
5.2.6咖啡因的检验
按饮料中咖啡因的测定方法执行5.3微生物检验
5.3.1菌落总数的检验
按GB4789.2执行
5.3.2大肠菌群的检验
按GB4789.3执行
5.3.2致病菌的检验
按GB4789.4、GB4789.5、GB4789.10、GB4789.11执行。5.3.4霉菌的检验
按GB4789.15执行。
附加说明:
本标准由卫生部卫生监督司提出。本标准由上海市食品卫生监督检验所、广东省食品卫生监督检验所、天津市食品卫生监督检验所、武汉市食品卫生监督检验所、四川省食品卫生监督检验所、南京市食品卫生监督检验所负责起草。
本标准主要起草人须欣、文彦、徐留发、袁三喜、魏仁钧、曾寿瀛。本标准由卫生部委托技术归口单位卫生部食品卫生监督检验所负责解释。
小提示:此标准内容仅展示完整标准里的部分截取内容,若需要完整标准请到上方自行免费下载完整标准文档。
标准图片预览:



- 其它标准
- 热门标准
- 国家标准(GB)
- GB29140-2024 纯碱单位产品能源消耗限额
- GB/T29633.4-2020 南极地名 第4部分:罗马字母拼写
- GB15193.5-2003 骨髓细胞微核试验
- GB/T15412-1994 应用电视摄像机云台通用技术条件
- GB28129-2011 乙羧氟草醚原药
- GB/T42970-2023 半导体集成电路 视频编解码电路测试方法
- GB/T18721.4-2024 印刷技术 印前数据交换 第4部分:显示用宽色域标准彩色图像数据 [Adobe RGB (1998)/SCID]
- GB/T9771.6-2020 通信用单模光纤 第6部分:宽波长段 光传输用非零色散单模光纤特性
- GB5237.3-2008 铝合金建筑型材 第3部分:电泳涂漆型材
- GB/T15773-1995 水土保持综合治理 验收规范
- GB3302-1982 日用陶瓷器验收、包装、标志、运输、储存规则
- GB/T30007-2022 船舶和海上技术 通过分析测速试航数据以确定速度和功率性能的评估导则
- GB30530-2024 二甲基硅氧烷单位产品能源消耗限额
- GB/T39249-2020 橡胶和塑料软管及非增强软管织物增强型 低温压扁试验
- GB/T17424-2019 差分全球卫星导航系统(DGNSS)技术要求
- 行业新闻
请牢记:“bzxz.net”即是“标准下载”四个汉字汉语拼音首字母与国际顶级域名“.net”的组合。 ©2025 标准下载网 www.bzxz.net 本站邮件:bzxznet@163.com
网站备案号:湘ICP备2025141790号-2
网站备案号:湘ICP备2025141790号-2