- 您的位置:
- 标准下载网 >>
- 标准分类 >>
- 国家标准(GB) >>
- GB 582-1976 船用扁圆形铸铁和铸钢法兰
标准号:
GB 582-1976
标准名称:
船用扁圆形铸铁和铸钢法兰
标准类别:
国家标准(GB)
标准状态:
已作废-
实施日期:
1977-07-01 出版语种:
简体中文下载格式:
.rar.pdf下载大小:
104.41 KB
替代情况:
调整为CB/T 3848-1999
部分标准内容:
中华人民共和国此内容来自标准下载网
国家标准
船用扁圆形铸铁和铸钢法兰
1.法兰的基本参数按表1。
铸铁法兰
铸钢法
2.法兰尺寸按下图和表2
斜度15
螺栓孔
中华人民共和国科学技术委员会密封面
工作遇度,
最T作压力,kG/cm
单位:癌来
其余3
GB 582-76
练诞径
螺栓孔
抗头练
(蜗蚊)
1966年1月1日
非2页第2
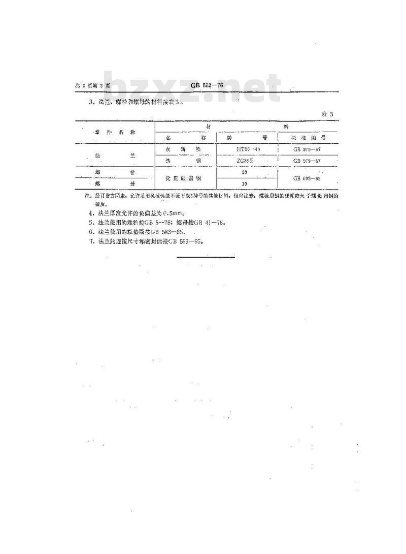
3,法些、栓和螺母的材料按衰3。作杂称
GE 5a2—了
优质磁察例
标祚缩号
GB 975—67
GH 579-67
GH 693—65
准,经订负方同,北诈乘用机城性能不低子表弹号的其他村科,但庭注意。螺用链的硬度应大于骤母用辆的硬降。
4.送些厚度允许的货偏益为心,5mm。5法兰使用的蝶检按GB5--76;螺母按GB4F—76。G.法兰使用的款腐按GB 583-65,7.法兰的连接尺寸和密抖面接GB569--65。
小提示:此标准内容仅展示完整标准里的部分截取内容,若需要完整标准请到上方自行免费下载完整标准文档。
国家标准
船用扁圆形铸铁和铸钢法兰
1.法兰的基本参数按表1。
铸铁法兰
铸钢法
2.法兰尺寸按下图和表2
斜度15
螺栓孔
中华人民共和国科学技术委员会密封面
工作遇度,
最T作压力,kG/cm
单位:癌来
其余3
GB 582-76
练诞径
螺栓孔
抗头练
(蜗蚊)
1966年1月1日
非2页第2
3,法些、栓和螺母的材料按衰3。作杂称
GE 5a2—了
优质磁察例
标祚缩号
GB 975—67
GH 579-67
GH 693—65
准,经订负方同,北诈乘用机城性能不低子表弹号的其他村科,但庭注意。螺用链的硬度应大于骤母用辆的硬降。
4.送些厚度允许的货偏益为心,5mm。5法兰使用的蝶检按GB5--76;螺母按GB4F—76。G.法兰使用的款腐按GB 583-65,7.法兰的连接尺寸和密抖面接GB569--65。
小提示:此标准内容仅展示完整标准里的部分截取内容,若需要完整标准请到上方自行免费下载完整标准文档。
标准图片预览:


- 热门标准
- 国家标准(GB)
- GB/T30917—2014 /ISo 29941:2010 天然胶乳橡胶避孕套中可迁移亚硝胺的测定
- GB/T12777-1999 金属波纹管膨胀节通用技术条件
- GB15193.5-2003 骨髓细胞微核试验
- GB/T29633.4-2020 南极地名 第4部分:罗马字母拼写
- GB/T39964-2021 造纸行业能源管理体系实施指南
- GB/T43929-2024 空间用纤维光学器件测试指南
- GB/T43225-2023 空间物体登记要求
- GB15985-1995 丝虫病诊断标准及处理原则
- GB19159-2003 车用液化石油气
- GB/T7407-1997 中国及世界主要海运贸易港口代码
- GB1913.2-1990 漂白浸渍绝缘纸
- GB14287.4-2014 电气火灾监控系统 第4部分:故障电弧探测器
- GB5237.3-2008 铝合金建筑型材 第3部分:电泳涂漆型材
- GB/T9771.6-2020 通信用单模光纤 第6部分:宽波长段 光传输用非零色散单模光纤特性
- GB29140-2024 纯碱单位产品能源消耗限额
- 行业新闻
请牢记:“bzxz.net”即是“标准下载”四个汉字汉语拼音首字母与国际顶级域名“.net”的组合。 ©2025 标准下载网 www.bzxz.net 本站邮件:bzxznet@163.com
网站备案号:湘ICP备2025141790号-2
网站备案号:湘ICP备2025141790号-2