- 您的位置:
- 标准下载网 >>
- 标准分类 >>
- 电子行业标准(SJ) >>
- SJ/T 9508.2-1993 30MHz~1GHz声音和电视信号的电缆分配系统 分配器质量分等标准
【电子行业标准(SJ)】 30MHz~1GHz声音和电视信号的电缆分配系统 分配器质量分等标准
本网站 发布时间:
2024-07-05 00:14:17
- SJ/T9508.2-1993
- 现行
- 点击下载此标准
标准号:
SJ/T 9508.2-1993
标准名称:
30MHz~1GHz声音和电视信号的电缆分配系统 分配器质量分等标准
标准类别:
电子行业标准(SJ)
标准状态:
现行-
发布日期:
1993-03-29 -
实施日期:
1993-07-01 出版语种:
简体中文下载格式:
.rar.pdf下载大小:
89.22 KB
点击下载
标准简介:
标准下载解压密码:www.bzxz.net
本标准规定了30MHz~1GHz声音和电视信号的电缆分配系统分配器(以下简称分配器)的质量等级和质量等级要求。本标准适用于分配器的质量分等,是考核该产品质量等级的依据。本标准只给出了关键性技术指标,必须与GB11318.1~11318.6和有关产品标准一起使用。 SJ/T 9508.2-1993 30MHz~1GHz声音和电视信号的电缆分配系统 分配器质量分等标准 SJ/T9508.2-1993
部分标准内容:
中华人民共和国电子行业标准
30MHz~1GHz声音和电视信号的电缆分配系统分配器质量分等标准
Grading standard ofquelityfor splitterused incableddistribution systems primarily intended for sound andtelevision signals operating between 30MHz and 1GHz1主题内容与适用范围
1.1主题内容
SJ/T9508.2-93
本标准规定了30MHz~1GHz声音和电视信号的电缆分配系统分配器(以下简称分配器)的质量等级和质量等级要求。
1.2适用范围
本标准适用于分配器的质量分等,是考核该产品质量等级的依据。本标准只给出了关键性技术指标,必须与GB11318.1~11318.6和有关产品标准一起使用。
2引用标准
GB11318.1
GB11318.2
GB11318.3
GB 11318.4
GB11318.5
GB11318.6
30MHz~1GHz声音和电视信号的电缆分配系统设备与部件:通用技术条件
30MHz~1GHz声音和电视信号的电缆分配系统设备与部件:性能参数要求
30MHz~1GHz声音和电视信号的电缆分配系统设备与部件:测量方法30MHz~1GHz声音和电视信号的电缆分配系统设备与部件:环境要求与试验方法
30MHz~1GHz声音和电视信号的电缆分配系统设备与部件:可靠性要求与试验方法
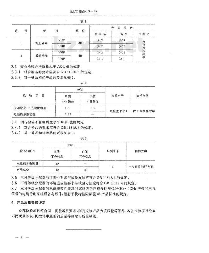
30MHz~1GHz声音和电视信号的电缆分配系统设备与部件:检验规则3质量等级和质量等级的技术要求3.1分配器的质量等级分为,优等品、一等品和合格品。3.2性能参数要求见表1。
中华人民共和国机械电子工业部1993-03-29批准1993-07-01实施
相互隔离
反射损耗
SJ/T9508.2--93
优等品
3.3交收检验合格质量水平AQL值的规定3.3.1对合格品的要求应符合GB11318.6的规定。对一等品和优等品的要求见表2。3.3.2
检验项目
开箱检查,工艺装配检查
电性能参数检查
不合格品
3.4例行检验不合格质量水平RQL.值的规定C类
不合格品
3.4.1对合格品的要求应符合GB11318.6的规定。3.4.2对-等品和优等品的要求见表3。表3
检验项目
电性能参数测量
环境试验
不合格品
不合格品
性能参数
检验水平免费标准bzxz.net
般检查水平1
判别水平
3.5三种等级分配器的可靠性要求与试验方法应符合GB11318.5的规定。合格品
特合现行标准
抽样方案
一次正常抽样方案
抽样方案
一次正常抽样方案
3.6三种等级分配器的环境适应性要求与试验方法应符合GB11318.4的规定,3.7三种等级分配器的电磁兼容性要求和试验方法应符合标准《30MHz~1GHz声音和电视信号的电缆分配系统设备与部件:辐射干扰特性限额值》和产品标准的规定。4产品质量等级评定
全部检验项目符合同一质量等级要求,则判定该产品为该质量等级品。若各检验项目分属不同质量等级,则按其中最低的质量等级定为质量等级。附加说明:
SJ/T9508.2-93
本标准由中华人民共和国机械电子工业部科学技术司提出。本标准由机械电子工业部电子标准化研究所归口。本标准由辽宁省电子产品监督检验所负责起草。本标准主要起草人:何延平、于朗、陈文凯、席树存。
小提示:此标准内容仅展示完整标准里的部分截取内容,若需要完整标准请到上方自行免费下载完整标准文档。
30MHz~1GHz声音和电视信号的电缆分配系统分配器质量分等标准
Grading standard ofquelityfor splitterused incableddistribution systems primarily intended for sound andtelevision signals operating between 30MHz and 1GHz1主题内容与适用范围
1.1主题内容
SJ/T9508.2-93
本标准规定了30MHz~1GHz声音和电视信号的电缆分配系统分配器(以下简称分配器)的质量等级和质量等级要求。
1.2适用范围
本标准适用于分配器的质量分等,是考核该产品质量等级的依据。本标准只给出了关键性技术指标,必须与GB11318.1~11318.6和有关产品标准一起使用。
2引用标准
GB11318.1
GB11318.2
GB11318.3
GB 11318.4
GB11318.5
GB11318.6
30MHz~1GHz声音和电视信号的电缆分配系统设备与部件:通用技术条件
30MHz~1GHz声音和电视信号的电缆分配系统设备与部件:性能参数要求
30MHz~1GHz声音和电视信号的电缆分配系统设备与部件:测量方法30MHz~1GHz声音和电视信号的电缆分配系统设备与部件:环境要求与试验方法
30MHz~1GHz声音和电视信号的电缆分配系统设备与部件:可靠性要求与试验方法
30MHz~1GHz声音和电视信号的电缆分配系统设备与部件:检验规则3质量等级和质量等级的技术要求3.1分配器的质量等级分为,优等品、一等品和合格品。3.2性能参数要求见表1。
中华人民共和国机械电子工业部1993-03-29批准1993-07-01实施
相互隔离
反射损耗
SJ/T9508.2--93
优等品
3.3交收检验合格质量水平AQL值的规定3.3.1对合格品的要求应符合GB11318.6的规定。对一等品和优等品的要求见表2。3.3.2
检验项目
开箱检查,工艺装配检查
电性能参数检查
不合格品
3.4例行检验不合格质量水平RQL.值的规定C类
不合格品
3.4.1对合格品的要求应符合GB11318.6的规定。3.4.2对-等品和优等品的要求见表3。表3
检验项目
电性能参数测量
环境试验
不合格品
不合格品
性能参数
检验水平免费标准bzxz.net
般检查水平1
判别水平
3.5三种等级分配器的可靠性要求与试验方法应符合GB11318.5的规定。合格品
特合现行标准
抽样方案
一次正常抽样方案
抽样方案
一次正常抽样方案
3.6三种等级分配器的环境适应性要求与试验方法应符合GB11318.4的规定,3.7三种等级分配器的电磁兼容性要求和试验方法应符合标准《30MHz~1GHz声音和电视信号的电缆分配系统设备与部件:辐射干扰特性限额值》和产品标准的规定。4产品质量等级评定
全部检验项目符合同一质量等级要求,则判定该产品为该质量等级品。若各检验项目分属不同质量等级,则按其中最低的质量等级定为质量等级。附加说明:
SJ/T9508.2-93
本标准由中华人民共和国机械电子工业部科学技术司提出。本标准由机械电子工业部电子标准化研究所归口。本标准由辽宁省电子产品监督检验所负责起草。本标准主要起草人:何延平、于朗、陈文凯、席树存。
小提示:此标准内容仅展示完整标准里的部分截取内容,若需要完整标准请到上方自行免费下载完整标准文档。
标准图片预览:



- 热门标准
- 电子行业标准(SJ)
- SJ3166-1988 GZS12-4-3型彩色显像管插座
- SJ2857.2-1988 温差电致冷材料性能的测试方法 电导率的测试方法
- SJ2879-1988 彩色电视接收机用色纯静会聚磁体组合件总规范
- SJ/T31063-1994 TCM-B三氯乙烯清洗机完好要求和检查评定方法
- SJ/T11010-1996 电子器件详细规范 半导体电视集成电路CD1124ACP伴音中频放大电路
- SJ/T11088-1996 电子器件详细规范 半导体集成电路CD7680CP图象伴音中频放大电路
- SJ20599-1996 推拉钨丝规范
- SJ/T9546-1993 无金属化孔单、双面印制板的质量分等标准
- SJ/T10038-1991 电子器件详细规范 半导体集成电路CC4008型CMOS4位二进制超前进位全加器
- SJ/T11332-2006 数字电视接收设备接口规范 第6部分:RGB模拟基色视频信号接口
- SJ/T31168-1994 发射管电性能测试电源完好要求和检查评定方法
- SJ/T31441-1994 离心式制冷机组完好要求和检查评定方法
- SJ/T31449-1994 供油管道完好要求和检查评定方法
- SJ/T10401-1993 半导体集成音响电路马达稳速电路测试方法的基本原理
- SJ/T10669-1995 表面组装器件可焊性试验
- 行业新闻
请牢记:“bzxz.net”即是“标准下载”四个汉字汉语拼音首字母与国际顶级域名“.net”的组合。 ©2025 标准下载网 www.bzxz.net 本站邮件:bzxznet@163.com
网站备案号:湘ICP备2025141790号-2
网站备案号:湘ICP备2025141790号-2