- 您的位置:
- 标准下载网 >>
- 标准分类 >>
- 煤炭行业标准(MT) >>
- MT/T 528-1995 滚筒式泥浆固液分离机
标准号:
MT/T 528-1995
标准名称:
滚筒式泥浆固液分离机
标准类别:
煤炭行业标准(MT)
标准状态:
已作废-
发布日期:
1996-01-15 -
实施日期:
1996-05-01 -
作废日期:
2005-07-26 出版语种:
简体中文下载格式:
.rar.pdf下载大小:
143.40 KB
部分标准内容:
中华人民共和国煤炭行业标准
滚筒式泥浆固液分离机
1主题内容与适用范围
MT/T 528—1995
本标准规定了滚简式泥浆固液分离机(以下简称“固液分离机”)的基本参数、技术要求、试验方法、检验规则、标志、包装、运输和贮存。本标准适用于钻井(孔)工程用泥浆最终处理的固液分离机。2引用标准
GB 1356
GB3323
GB 3768
GB7233
GB10095
GB10854
GB11345
GB11352
渐开线圆柱齿轮基本轮廓
钢熔化焊对接接头射线照相和质量分级噪声源声功率级的测定一简易法铸钢件超声探伤及质量评级方法渐开线圆柱齿轮精度
钢结构焊缝外形尺寸
钢焊缝手工超声波探伤方法和探伤结果分级一般工程用铸造碳钢件
GB/T13306标牌
JB2299矿山、工程、起重运输机械产品涂漆颜色和安全标志3术语
3.1泥浆
由粘土(或地层岩土)、水及有关辅料组成的处于细分散(或胶体分散)状态下的悬浮液。3.2泥浆固液分离
泥浆中固相物质(粘土或地层岩土等固体物质)与液相物质(水等)分开的过程。3.3絮凝反应
泥浆中固相物质聚集在一起形成絮凝的过程。3.4絮凝反应器
泥浆固液分离过程中完成絮凝反应的装置。4型号与基本参数
4.1型号
中华人民共和国煤炭工业部1996-01-15批准266
1996-05-01实施
MT/T528-1995免费标准bzxz.net
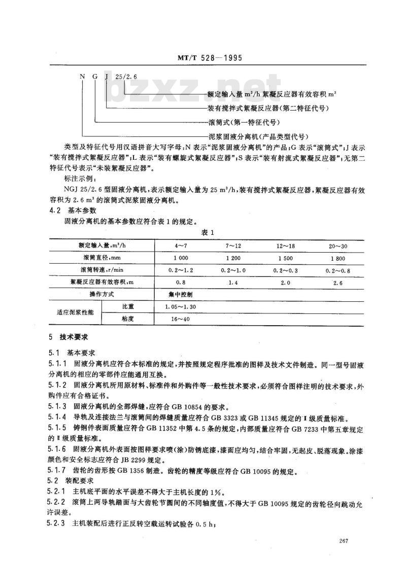
额定输入量m2/h絮凝反应器有效容积m3装有搅拌式絮凝反应器(第二特征代号)滚简式(第一特征代号)
泥浆固液分离机(产品类型代号)类型及特征代号用汉语拼音大写字母:N表示“泥浆固液分离机”的产品,G表示“滚筒式”,J表示“装有搅拌式絮凝反应器”,L表示“装有螺旋式凝反应器”,S表示“装有射流式絮凝反应器”,无第二特征代号表示“未装絮凝反应器”。标注示例:
NGJ25/2.6型固液分离机,表示额定输入量为25m2/h,装有搅拌式絮凝反应器,絮凝反应器有效容积为2.6m的滚筒式泥浆固液分离机。4.2基本参数
固液分离机的基本参数应符合表1的规定。表1
额定输入量,m/h
滚简直径,mm
滚简转速,r/min
絮凝反应器有效容积,m
操作方式
适应泥浆性能
5技术要求
5.1基本要求
集中控制
1.05~1.30
20~30
5.1.1固液分离机应符合本标准的规定,并按照规定程序批准的图样及技术文件制造。同-型号固液分离机的相应的零部件应能通用互换。5.1.2固液分离机所用原材料、标准件和外购件等一般性技术要求,必须符合图样注明的技术要求,外购件应有合格证书。
5.1.3固液分离机的全部焊缝,应符合GB10854的要求。5.1.4导轨及连接法兰与滚简间的焊缝质量应符合GB3323或GB11345规定的I级质量标准。5.1.5铸钢件表面质量应符合GB11352中第4.5条的规定,内部质量应符合GB7233中第五章规定的Ⅱ级质量标准。
5.1.6固液分离机外表面按图样要求喷(涂)防锈底漆,漆面应均匀,结合牢固,无起皮、脱落现象。涂漆颜色和安全标志应符合JB2299规定。5.1.7齿轮的齿形按GB1356制造。齿轮的精度等级应符合GB10095的规定。5.2装配要求
5.2.1主机底平面的水平误差不得大于主机长度的1%。5.2.2滚筒上两导轨踏面与大齿轮节窗间的不同轴度值,不得大于GB10095规定的齿轮径向跳动允许误差。
5.2.3主机装配后进行正反转空载运转试验各0.5h;267
运转灵活,无异常振动;
噪声低于75dB;
MT/T528—1995
大齿轮啮合后的接触面按高度不小于齿高的45%。5.2.4固液分离机各操作手柄、按扭应灵活、可靠。5.2.5
絮凝反应器进行通水试验,各密封处不得有滴漏现象。5.3固液分离机的成套包括
主机;
絮凝反应器;
计量箱;
操作台;
辅料泵;
专用工具:
供货合同规定的其他备品备件。6试验方法
6.1固液分离机的外观质量,包括焊缝表面质量和表面涂漆质量的检验采用目测法。外形尺寸用钢卷尺测量。
6.2将主机置于预制平台上,主机底乎面的水平误差采用干分表测量。6.3滚简上两导轨及连接法兰间的不同轴度值用干分表测量。6.4密封试验:
6.4.1管路系统的密封检验,在1.5倍工作压力下保压3min,观察密封效果。6.4.2固液分离机除管路系统外,直接注满清水观察密封效果。6.5~噪声测定:
噪声应按GB3768的规定进行测定。6.6传动性能试验:
6.6.1固液分离机的齿轮传动性能应按GB10095的规定进行测试。6.6.2滚简的转数用秒表计时直接数转测试。每次测试时间为2 min,进行3次,以均值表示。6.7固液分离机型式试验的最大输入量应不小于额定输入量的1.2倍。输入量按下式计算。输入量=泥浆输入量十辅料输入量。6.8固液分离机型式试验用泥浆的性能参数误差不超过表2规定值的土5%。表2
泥浆性能
7捡验规则
含砂量,%
1.05~1.30
7.1固液分离机必须经检验合格方可出厂,并附有产品合格证:7.2固液分离机的检验分出厂检验与型式检验两种。出厂检验由制造厂的质量检验部门进行。型式检验应由产品质量监督检验机构或主管部门指定的单位进行。检验项目应符合表3的规定。268
检验项目
外观质量
装配质量
密封性能
噪声要求
运转性能
MT/T528—1995
技术要求
5.1,55.1. 6
5.2.15.2.2
5.2.3(a、c)5.2.4
7.3有下列情况之一时应进行型式检验:a.
新产品或老产品转厂的试制产品;试验方法
6.1.2 6.1.3
正式生产的产品,在结构、材料、工艺有较大改变,可能影响产品性能时;国家质量监督检验机构提出要求时。c.
7.4型式检验的样品由成品库中抽取,抽取数量为1台。7.5判定规则:
检验类别
出厂检验或型式检验规定的检验项目(表3)中,任一项不合格的单台产品即判定为不合格:批量产品则应加倍抽样进行复检,复检中有一项不合格时则判定该批产品不合格。8标志、包装、运输和贮存
8.1标志
每台合格的固液分离机均应在明显部位牢固地装有产品标牌。标牌设计应符合GB/T13306的规定,并注明厂名、产品名称、产品型号、主要参数(滚簡直径、额定输入量、转速)、出厂日期(或编号)等。8.2包装
8.2.1经出厂检验合格的固液分离机的操作台、计量箱应在做好防护和内包装后方可进行外包装。8.2.2标志牌、仪表表面和专用工具应涂防锈脂。8.2.3体积小的备品备件和专用工具应用中性腊纸包装,装入塑料袋后放进包装箱,包装箱材质应符合有关规定。
8.2.4包装箱应随带下列技术文件a.
装箱清单,
产品检验合格证:
产品使用说明书;
随机备品备件和专用工具清单,安装图;
有关仪表、电气设备等外购件说明书(样本或复印件);订货合同规定的其他技术文件。8.3运输
固液分离机的包装箱和捆部件应满足陆地和水路运输的要求,并执行有关运输部门的有关规定,在运输过程中采取必要的防震措施。8.4贮存
8.4.1固液分离机的操作台必须贮存在通风、干燥的室内,其他部件可贮存在遮雨棚内,均应采取防腐蚀措施。
8.4.2固液分离机的操作台、计量箱除按仪表说明书的规定进行贮存外,当贮存温度低于一5℃时必须269
采取防冻措施。
3贮存期间每半年应更换防锈脂。8.4.3
附加说明:
MT/T 528—1995
本标准由煤炭工业部煤矿专用设备标准化技术委员会提出。本标准由煤炭部煤矿设备标准化技术委员会井巷设备分会归口。本标准由煤炭科学研究总院北京建井研究所负贵起草。本标推主要起草人柏万禄、王晓健。本标准委托煤炭科学研究总院北京建井研究所负责解释。270
小提示:此标准内容仅展示完整标准里的部分截取内容,若需要完整标准请到上方自行免费下载完整标准文档。
滚筒式泥浆固液分离机
1主题内容与适用范围
MT/T 528—1995
本标准规定了滚简式泥浆固液分离机(以下简称“固液分离机”)的基本参数、技术要求、试验方法、检验规则、标志、包装、运输和贮存。本标准适用于钻井(孔)工程用泥浆最终处理的固液分离机。2引用标准
GB 1356
GB3323
GB 3768
GB7233
GB10095
GB10854
GB11345
GB11352
渐开线圆柱齿轮基本轮廓
钢熔化焊对接接头射线照相和质量分级噪声源声功率级的测定一简易法铸钢件超声探伤及质量评级方法渐开线圆柱齿轮精度
钢结构焊缝外形尺寸
钢焊缝手工超声波探伤方法和探伤结果分级一般工程用铸造碳钢件
GB/T13306标牌
JB2299矿山、工程、起重运输机械产品涂漆颜色和安全标志3术语
3.1泥浆
由粘土(或地层岩土)、水及有关辅料组成的处于细分散(或胶体分散)状态下的悬浮液。3.2泥浆固液分离
泥浆中固相物质(粘土或地层岩土等固体物质)与液相物质(水等)分开的过程。3.3絮凝反应
泥浆中固相物质聚集在一起形成絮凝的过程。3.4絮凝反应器
泥浆固液分离过程中完成絮凝反应的装置。4型号与基本参数
4.1型号
中华人民共和国煤炭工业部1996-01-15批准266
1996-05-01实施
MT/T528-1995免费标准bzxz.net
额定输入量m2/h絮凝反应器有效容积m3装有搅拌式絮凝反应器(第二特征代号)滚简式(第一特征代号)
泥浆固液分离机(产品类型代号)类型及特征代号用汉语拼音大写字母:N表示“泥浆固液分离机”的产品,G表示“滚筒式”,J表示“装有搅拌式絮凝反应器”,L表示“装有螺旋式凝反应器”,S表示“装有射流式絮凝反应器”,无第二特征代号表示“未装絮凝反应器”。标注示例:
NGJ25/2.6型固液分离机,表示额定输入量为25m2/h,装有搅拌式絮凝反应器,絮凝反应器有效容积为2.6m的滚筒式泥浆固液分离机。4.2基本参数
固液分离机的基本参数应符合表1的规定。表1
额定输入量,m/h
滚简直径,mm
滚简转速,r/min
絮凝反应器有效容积,m
操作方式
适应泥浆性能
5技术要求
5.1基本要求
集中控制
1.05~1.30
20~30
5.1.1固液分离机应符合本标准的规定,并按照规定程序批准的图样及技术文件制造。同-型号固液分离机的相应的零部件应能通用互换。5.1.2固液分离机所用原材料、标准件和外购件等一般性技术要求,必须符合图样注明的技术要求,外购件应有合格证书。
5.1.3固液分离机的全部焊缝,应符合GB10854的要求。5.1.4导轨及连接法兰与滚简间的焊缝质量应符合GB3323或GB11345规定的I级质量标准。5.1.5铸钢件表面质量应符合GB11352中第4.5条的规定,内部质量应符合GB7233中第五章规定的Ⅱ级质量标准。
5.1.6固液分离机外表面按图样要求喷(涂)防锈底漆,漆面应均匀,结合牢固,无起皮、脱落现象。涂漆颜色和安全标志应符合JB2299规定。5.1.7齿轮的齿形按GB1356制造。齿轮的精度等级应符合GB10095的规定。5.2装配要求
5.2.1主机底平面的水平误差不得大于主机长度的1%。5.2.2滚筒上两导轨踏面与大齿轮节窗间的不同轴度值,不得大于GB10095规定的齿轮径向跳动允许误差。
5.2.3主机装配后进行正反转空载运转试验各0.5h;267
运转灵活,无异常振动;
噪声低于75dB;
MT/T528—1995
大齿轮啮合后的接触面按高度不小于齿高的45%。5.2.4固液分离机各操作手柄、按扭应灵活、可靠。5.2.5
絮凝反应器进行通水试验,各密封处不得有滴漏现象。5.3固液分离机的成套包括
主机;
絮凝反应器;
计量箱;
操作台;
辅料泵;
专用工具:
供货合同规定的其他备品备件。6试验方法
6.1固液分离机的外观质量,包括焊缝表面质量和表面涂漆质量的检验采用目测法。外形尺寸用钢卷尺测量。
6.2将主机置于预制平台上,主机底乎面的水平误差采用干分表测量。6.3滚简上两导轨及连接法兰间的不同轴度值用干分表测量。6.4密封试验:
6.4.1管路系统的密封检验,在1.5倍工作压力下保压3min,观察密封效果。6.4.2固液分离机除管路系统外,直接注满清水观察密封效果。6.5~噪声测定:
噪声应按GB3768的规定进行测定。6.6传动性能试验:
6.6.1固液分离机的齿轮传动性能应按GB10095的规定进行测试。6.6.2滚简的转数用秒表计时直接数转测试。每次测试时间为2 min,进行3次,以均值表示。6.7固液分离机型式试验的最大输入量应不小于额定输入量的1.2倍。输入量按下式计算。输入量=泥浆输入量十辅料输入量。6.8固液分离机型式试验用泥浆的性能参数误差不超过表2规定值的土5%。表2
泥浆性能
7捡验规则
含砂量,%
1.05~1.30
7.1固液分离机必须经检验合格方可出厂,并附有产品合格证:7.2固液分离机的检验分出厂检验与型式检验两种。出厂检验由制造厂的质量检验部门进行。型式检验应由产品质量监督检验机构或主管部门指定的单位进行。检验项目应符合表3的规定。268
检验项目
外观质量
装配质量
密封性能
噪声要求
运转性能
MT/T528—1995
技术要求
5.1,55.1. 6
5.2.15.2.2
5.2.3(a、c)5.2.4
7.3有下列情况之一时应进行型式检验:a.
新产品或老产品转厂的试制产品;试验方法
6.1.2 6.1.3
正式生产的产品,在结构、材料、工艺有较大改变,可能影响产品性能时;国家质量监督检验机构提出要求时。c.
7.4型式检验的样品由成品库中抽取,抽取数量为1台。7.5判定规则:
检验类别
出厂检验或型式检验规定的检验项目(表3)中,任一项不合格的单台产品即判定为不合格:批量产品则应加倍抽样进行复检,复检中有一项不合格时则判定该批产品不合格。8标志、包装、运输和贮存
8.1标志
每台合格的固液分离机均应在明显部位牢固地装有产品标牌。标牌设计应符合GB/T13306的规定,并注明厂名、产品名称、产品型号、主要参数(滚簡直径、额定输入量、转速)、出厂日期(或编号)等。8.2包装
8.2.1经出厂检验合格的固液分离机的操作台、计量箱应在做好防护和内包装后方可进行外包装。8.2.2标志牌、仪表表面和专用工具应涂防锈脂。8.2.3体积小的备品备件和专用工具应用中性腊纸包装,装入塑料袋后放进包装箱,包装箱材质应符合有关规定。
8.2.4包装箱应随带下列技术文件a.
装箱清单,
产品检验合格证:
产品使用说明书;
随机备品备件和专用工具清单,安装图;
有关仪表、电气设备等外购件说明书(样本或复印件);订货合同规定的其他技术文件。8.3运输
固液分离机的包装箱和捆部件应满足陆地和水路运输的要求,并执行有关运输部门的有关规定,在运输过程中采取必要的防震措施。8.4贮存
8.4.1固液分离机的操作台必须贮存在通风、干燥的室内,其他部件可贮存在遮雨棚内,均应采取防腐蚀措施。
8.4.2固液分离机的操作台、计量箱除按仪表说明书的规定进行贮存外,当贮存温度低于一5℃时必须269
采取防冻措施。
3贮存期间每半年应更换防锈脂。8.4.3
附加说明:
MT/T 528—1995
本标准由煤炭工业部煤矿专用设备标准化技术委员会提出。本标准由煤炭部煤矿设备标准化技术委员会井巷设备分会归口。本标准由煤炭科学研究总院北京建井研究所负贵起草。本标推主要起草人柏万禄、王晓健。本标准委托煤炭科学研究总院北京建井研究所负责解释。270
小提示:此标准内容仅展示完整标准里的部分截取内容,若需要完整标准请到上方自行免费下载完整标准文档。
标准图片预览:





- 其它标准
- 热门标准
- 煤炭行业标准(MT)
- MT/T963-2005 煤中汞含量分级
- MT429-1995 煤矿用隔爆型低压电缆接线盒
- MT705-2007 煤矿用隔爆型低压插销
- MT/T411-1995 YBI系列装岩机用隔爆型三相异步电动机
- MT/T240-1997 煤矿降尘用喷咀通用技术条件
- MT299.3-1992 冶金焦用鹤岗矿务局煤技术条件
- MT/T1129-2011 矿井救灾通信系统通用技术条件
- MT235-1991 立井多绳罐笼 平衡锤
- MT/T934-2005 煤矿许用炸药煤尘—可燃气安全度试验方法及判定
- MT/T430.3-1995 发电煤粉锅炉用永荣矿务局煤技术条件
- MT818.14-1999 煤矿用阻燃电缆 第3单:煤矿用阻燃通信电缆
- MT21-1990 立井箕斗计量装载设备
- MT292.3-1992 蒸汽机车用抚顺矿务局煤技术条件
- MT/T188.4-2000 煤矿用乳化液泵站 过滤器技术条件
- MT/T1005-2006 矿用分站
- 行业新闻
请牢记:“bzxz.net”即是“标准下载”四个汉字汉语拼音首字母与国际顶级域名“.net”的组合。 ©2025 标准下载网 www.bzxz.net 本站邮件:bzxznet@163.com
网站备案号:湘ICP备2025141790号-2
网站备案号:湘ICP备2025141790号-2