- 您的位置:
- 标准下载网 >>
- 标准分类 >>
- 通信行业标准(YD) >>
- YD/T 778-1999 光纤配线架
标准号:
YD/T 778-1999
标准名称:
光纤配线架
标准类别:
通信行业标准(YD)
标准状态:
已作废-
发布日期:
1999-02-23 -
实施日期:
1999-07-01 -
作废日期:
2006-10-01 出版语种:
简体中文下载格式:
.rar.pdf下载大小:
273.21 KB
部分标准内容:
YD/T 778—1999
本标准是对YD/T 778一95的修订,技术内容和编写结构均有所改变。本标准新增加了第4章命名”,第6章“质量分等”,第8章“检验规则”和第9章“标志、包装、运输和贮存”,标准的名称改为光纤配线架。本标准按GB/T12707一1991《工业产品质量分等导则》的规定,将产品质量水平分为优等品、一等品和合格品三种。
本标准第5章“要求”中新增加了5.2\外观与结构”,5.3\材料”,5.5\机械耐久性”:第7章“试验方法”中增加了7.4\机械耐久性试验”及7.7.5“贮运高温试验”、7.7.6“贮运低温试验”等内容。本标准自实施之日起,同时代替YD/T778-—95。本标准由邮电部电信科学研究规划院提出并归口。本标准起草单位:成都邮电通信设备厂。本标准主要起草人:邓川江、李照熙、崔英、李淑萍、黄金灶。598
1范围
中华人民共和国通信行业标准
光纤配线架
Optical fibres distribution frameYD/T 778—1999
代替YD/T778-95
本标准规定了光纤配线架(以下简称ODF)的定义、命名、要求、质量分等、试验方法,检验规则和标志、包装、运输和贮存。
本标准适用于ODF的检验和验收,并可作为ODF设计、生产、使用和考核产品质量等级的技术依据。
本标准不适用于ODF的质量分选。2引用标准
下列标准所包含的条文,通过在本标准中引用而构成为本标准的条文。本标准出版时,所示版本均为有效。所有标准都会被修订,使用本标准的各方应探讨使用下列标准最新版本的可能性。GB/T2423t1一1989电工电子产品基本环境试验规程试验A:低温试验方法GB/T2423.2--1989电工电子产品基本环境试验规程试验B:高温试验方法GB/T2423.9--1989电工电子产品基本环境试验规程试验Cb:设备用恒定湿热试验方法GB/T2828—1987逐批检查计数抽样程序及抽样表(适用于连续批的检查)GB/T2829--1987周期检查计数抽样程序及抽样表(适用于生产过程稳定性的检查)GB/T3873—1983通信设备产品包装通用技术条件第二部分:一般检查、电连
GB/T 5095.2—-1997E
电子设备用机电元件基本试验规程及测量方法续性、接触电阻测试、绝缘试验和电应力试验GB/T5169.7--1985电子电工产品着火危险试验本生灯型火焰试验方法GB/T12507-—1990光纤光缆连接器第一部分总规范GB/T12707—1991工业产品质量分等导则YD/T638.2—93光通信设备型号命名方法3定义
本标准采用下列定义。
3.1 光纤配线架ODF(Optical fibres Distribution Frame)光缆和光通信设备的配线连接设备。3.2光纤跳线
一根两端都带有光纤连接器插头的光缆。3.3尾纤
-根一端带有光纤连接器插头的光缆。3.4适配器
使尾纤连接器插头和光纤跳线连接器插头实现光学连接的器件。中华人民共和国信息产业部1999-02-23批准1999-07-01实施
3.5尾纤连接分配装置
YD/T 778—1999
由适配器、适配器卡座、安装板或适配器及适配器安装板组装而成,供尾纤与光纤跳线分别插人适配器外线侧和内线侧而完成活动连接的构件,应示明配线顺序号。3.6光纤终接装置
供光缆纤芯线与尾纤接续并盘绕富余光纤的构件,应示明配线顺序号。3.7尾纤盘线装置
供富余尾纤盘绕的构件。
4命名
ODF的型号按YD/T638.2一93中的方法命名,型号由专业代号、主称代号和序号三部分组成,如图1所法。
一序号
光纤配线架此内容来自标准下载网
光通信设备
图1型号的组成
5要求
5.1环境要求
5.1.1使用条件
5.1.1.1工作温度:—5℃~十40℃5.1.1.2相对湿度:不大于85%(+30℃时)。5.1.1.3大气压力:70106kPa。
5.1.2贮运温度:—25℃~+55℃。5.2外观与结构
5.2.1机架结构形式
机架结构应采用封闭式、半封闭式或散开式。5.2.2机架外形尺寸
机架商度分为2600mm、2200mm和2000mm三类,其宽度和深度尺寸在产品企业标准中规定。5.2.3机械活动部分应转动灵活、插拔适度、锁定可靠、施工安装和维护方便。门的开启角应不小于110°,间隙不大于2mm。
5.2.4结构应牢固,装配应具有一致性和互换性,紧固件无松动。外露和操作部位的锐边倒圆半径R不得小于2mm。
5.2.5引人光缆进入机架时,其弯曲半径应不小于光缆直径的15倍。5.2.6光缆光纤穿过金属板孔及沿结构件锐边转弯时,应装保护套及衬垫。纤芯、尾纤无论处于何处弯曲时,其曲率半径应不小于37.5mm。5.2.7涂疆层应表面光洁,色泽均匀、无流挂、无露底;金属件无毛刺锈蚀。5.2.8结构装置上的文字、图形、符号和标志应清晰、完整、无误。5.3材料
ODF所有的零件采用的材料应具有防腐性能,如该材料无防腐性能应作防腐处理;其物理、化学性能必须稳定,并与光缆护套和尾纤护套相容。为防止腐蚀和其他损害,这些材料还必须与其他设备中所600
常用的材料相容。
YD/T 778--1999
ODF如有采用工程塑料,其燃烧性能应符合GB/T5169.71985标准中试验A的要求。5.4光电性能
5.4.1光纤连接器
5.4.1.1光纤连接器插入损耗(含适配器和光纤跳线)应符合相应光纤连接器的国家标准或行业标准的规定。
5.4.1.2回波损耗应符合相应光纤连接器的国家标准或行业标准的规定。5.4.2高压防护接地装置
5.4.2.1机架高压防护接地装置与光缆中金属加强芯及金属护套相连,地线的截面积应大于6mm2。5.4.2.2机架高压防护接地装置与机架间绝缘,绝缘电阻不小于1000M2/500V(直流电)。5.4.2.3机架高压防护接地装置与机架间耐电压不小于3000V(直流电)/1min不击穿、无飞弧。5.4.3标称工作波长
850nm,1 310nm.1 550nm。
5.5机械耐久性
整套光纤连接器插拔500次后:
a)不得有机械损伤,插针表面无明显划痕;b)插人损耗应符合5.4.1.1的要求,附加损耗变动量不大于0.2dB;回波损耗应符合5.4.1.2和6.2的要求,回波损耗变动量不大于5dB。5.6功能要求
5.6.1光缆固定与保护功能
应具有光缆引人,固定和保护装置。该装置将光缆引人并固定在机架上,保护光缆及缆中纤芯不受损伤。光缆金属部分与机架绝缘,固定后的光缆金属护套及加强芯应可靠连接高压防护接地装置。5.6.2光纤终接功能
应具有光纤终接装置。该装置便于光缆纤芯及尾纤接续操作、施工、安装和维护。能固定和保护接头部位平直而不位移,避免外力影响,保证盘绕的光缆纤芯、尾纤不受损伤。5.6.3调线功能
通过光纤跳线连接器插头,能迅速方便地调度光缆中的纤芯序号及改变光传输系统的路序。5.6.4光缆纤芯和尾纤的保护功能光缆开剥后纤芯有保护装置并固定后引人光纤终接装置。5.6.5容量
每机架容量和单元容量(按适配器数量确定)应在产品企业标准中作出规定,光纤终接装置,尾纤盘线装置、适配器卡座、尾纤及适配器,在满容量范围内应能成套配置。5.7运输试验
包装合格的产品能承受GB/T3873一1983中“A.10公路运输”的试验要求,试验结束后:a)产品完整:产品表面及零部件不应有机械损伤,紧固件不得松脱;b)应符合5.4.1.1、5.4.1.2和6.2的要求。6质量分等
6.1基本要求
三个等级的ODF的要求首先应符合本标准第5章的规定。6.2回波损耗的分等要求应符合表1的规定。601
连接器种类
APC型连接器(高档)
PC型连接器(普通)
YD/T 778--1999
优等品
≥70dB
≥50dB
回波损耗
≥65dB
≥45dB
注:ODF的质重按GB/T12707-1991第二章的规定分为三等:优等品、一等品、合格品。7试验方法
7.1试验条件
7.1.1试验的标准大气条件见表2。表2试验的标准大气条件范围
15~35℃
相对湿度
45%75%
7.1.2试验仪表和量具应经国家二级或二级以上计量单位计量校准合格。7.2外观与结构检查
7.2.1用卡尺或卷尺检测机架外形尺寸。合格品
≥60dB
≥40dB
86~106kPa
7.2.2用手实际操作转动、插拔、锁定部位应感觉适度,用万能角尺,检测机架门开启角;用塞规检测其间隙的上、中、下三处。
7.2.3用装配工具手工检查紧固件,用棵手触摸外露和操作部位。7.2.4用R量规检测光缆尾纤的弯曲半径。7.2.5其他用目视方法检查。
7.3光电性能测试
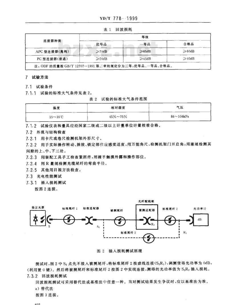
7.3.1插入损耗测试
按图2连接。
光纤配线架
稳定光源
标准屠纤 1
标准适配器
被测尾纤
标谁尾纤 2
被测适配器
图2插人损耗测试原理
标准尾纤2
光功率计
测试时,图2中S,点先不接人被测尾纤,将标准尾纤2按虚线连接(S,R),调测使得光功率为OdB(利用置0键)。然后将被测尾纤和标准尾纤2按图2中实线连接,测得的光功率值为S2R2插人损耗。7.3.2回波损耗测试
回波损耗测试可采用替代法或基准法中任意一种。当对测试结果发生争议时,应以基准法为准。a)替代法
按图3连接。
光反射测试仪
标准反射测试尾纤
YD/T 778-1999
光纤配线架
敲测适配器
图3回波损耗测试原理
被测尾纤
测试时,按图3所示接上被测尾纤,然后在被测尾纤暴露端R,涂上适量的反射匹配液,此时仪表所示值即为被测尾纤R,端的实际回波损耗值;同理,将被测尾纤R,反射匹配液清除干净后与被测适配器连接,另一端R2涂上反射匹配液,即可得到R,端的实际回波损耗值。b)基准法按GB/T12507—1990中2.7.4进行。7.3.3高压防护接地装置与机架间绝缘测试按GB/T5095.2一1997中试验3a:绝缘电阻的方法C进行。测量绝缘电阻的回路加直流电压为500V士50V,读取稳定的绝缘电阻数值,如果未达到稳定,应在加压后的60s士5s读取数值。7.3.4高压防护接地装置与机架间耐电压测试按GB/T5095.2--1997中“试验4a:耐电压”的方法C进行。试验电压为直流电压3000V,加试验电压的速率不大于500V/s,试验电压经受时间为60s土5s。7.4机械耐久性试验
在对方插头插入的情况下,以通常使用的方法插人和拨出,每十次记录一次光学性能数据,同时对插针体及适配器的弹性套简进行清洁;共插拔500次,记录50次数据。取最后5次数据的平均值。7.5塑料燃烧性能试验
按GB/T5169.7—1985标准规定进行,其产品样品分别施加火焰两次,每次间隔10min,每次施加火焰30s,试样离火后每次持续有焰燃烧时间应小于10s。7.6功能检查
采用视察法和操作法检查各功能装置安装的完整齐备性及其达到的功能性。7.7环境条件试验
7.7.1高温试验
按GB/T2423.2-1989中规定的试验Bb进行。将无包装的试验样品置于试验箱(室)内,以1C/min变化率升至十40℃士2℃,持续时间2h,再以同样的变化速率降温到试验标准大气条件范围的温度值并恢复2h。在条件试验其间及结束时进行检测。7.7.2低温试验
按GB/T2423.1-1989中规定的试验Ab进行。将无包装的试验样品置于试验箱(室)内,以1℃/min变化率降温至一5℃士3℃,持续时间2h,再以同样的变化速率升温到试验标准大气条件范围的温度值并恢复2h。在条件试验其间及结束时进行检测。7.7.3恒定湿热试验
按GB/T2423.9--1989中规定的试验Cb进行。将无包装的试验样品置于试验箱(室)内,以1C/min变化率将温度调到+30℃士2℃,然后在2h内将湿度调到(85土3)%,持续时间48h。条件试验之后,再调节到试验标准大气条件下恢复2h。在条件试验其间及结束时进行检测。7.7.4运输试验按GB/T3873一1983中“A.10公路运输试验”的规定进行试验。7.7.5贮运高温试验
按GB/T2423.2--1989中规定的试验Bb进行。将无包装的试验样品置于试验箱(室)内,以1C/min变化率升至十55℃土2℃,持续时间2h,再以同样的变化速率降温到试验标准大气条件范围的温度值,并恢复2h后进行检测。
7.7.6贮运低温试验
YD/T 778-1999
按GB/T2423.1一1989中规定的试验Ab进行。将无包装的试验样品置于试验箱(室)内,以1C/min变化率降温至一25℃土3C,持续时间2h,再以同样的变化速率升温到试验标准大气条件范围的温度值,并恢复2h后进行检测。
8检验规则
ODF的检验分为出厂检验和型式检验两类。8.1出厂检验
出厂检验的项目和抽样数见表3,其中各项检验的要求和方法见本标准第5、6、7章的相关内容。8.2型式检验
8.2,1型式检验一般每两年进行一次。8.2.2具有下列情况之一的均需做型式检验:a)产品停产一个周期以上又恢复生产b)转厂生产再试制定型;
c)正式生产后,如结构、材料、工艺有较大改变;d)产品投产前鉴定或质量监督机构提出。8.2.3型式检验的项目和抽样数见表3,其中各项检验的要求和方法见本标准第5.6、7章的相关内容。
表3检验项目、检验类别和抽样数序号
检验项目
外观与结构
插人损耗
回波摄耗
绝缘电阻
耐电压
阻燃性
功能要求
性试验
插人损耗
回波耗
插人损耗
回波损耗
绝缘电阻
耐电压
插人损耗
回波损耗
绝缘电阻
耐电压
不合格类别
B类「C类
出厂检
验项目
【型式检
验项目
出厂检验
检验类别和抽样数
型式检验
按GB/T2829-1987的判
每端产品出厂时都应检
检验项目1.4.5、7全检。
检验项目2、3按GB/T
2828—1987—般检查水
平1,正常一次抽样,产品
质量以不合格数表示。
AQL值为:1.0
别水平1,两次抽样方案,产
品质量以不合格数表示,
RQL值B类不合格值为:
3;0;2-
C类不合格值为:
r3:0;3
53;3;4
检验项目
插人损耗
回波损耗
绝缘电阻
耐电压
插人损耗
回波损耗
绝缘电阻
耐电压
插人损耗
回波损耗
绝缘电阻
耐电压
产品完整性
插入损耗
回波损耗
不合格类别
YD/T778—1999
续表3
出厂检)型式检
验项目
验项目
1“”表示出厂检验或型式检验所选择的相应项目。2“○”表示检验项目以不符合本标准规定的不合格的分类。9标志、包装、运输和贮存
9.1标志
出厂检验
检验类别和抽样数
ODF上应有标识,标明产品型号、名称、商标、生产单位、出厂年月、机号。ODF上的连接器应有商标或生产厂家的标记。9.2包装
型式检验
9.2.1ODF应包装出厂,包装要求及包装箱面标志应符合GB/T3873一1993的规定。9.2.2包装箱内除产品外,还应装人以下物品和有关文件,文件可用塑料袋或纸袋封装。a)备附件及专用工具;
b)产品使用说明书;
c)产品合格证;
d)装箱清单。
9.3运输
ODF包装后,可用汽车、火车、轮船、飞机等运输。在运输中应避免碰撞、跌落、雨雪的直接淋装和日光暴晒。
9.4贮存
ODF应贮存在通风良好、干燥的仓库中,其周围不应有腐蚀性气体存在,贮存温度为一25C~+55℃。
小提示:此标准内容仅展示完整标准里的部分截取内容,若需要完整标准请到上方自行免费下载完整标准文档。
本标准是对YD/T 778一95的修订,技术内容和编写结构均有所改变。本标准新增加了第4章命名”,第6章“质量分等”,第8章“检验规则”和第9章“标志、包装、运输和贮存”,标准的名称改为光纤配线架。本标准按GB/T12707一1991《工业产品质量分等导则》的规定,将产品质量水平分为优等品、一等品和合格品三种。
本标准第5章“要求”中新增加了5.2\外观与结构”,5.3\材料”,5.5\机械耐久性”:第7章“试验方法”中增加了7.4\机械耐久性试验”及7.7.5“贮运高温试验”、7.7.6“贮运低温试验”等内容。本标准自实施之日起,同时代替YD/T778-—95。本标准由邮电部电信科学研究规划院提出并归口。本标准起草单位:成都邮电通信设备厂。本标准主要起草人:邓川江、李照熙、崔英、李淑萍、黄金灶。598
1范围
中华人民共和国通信行业标准
光纤配线架
Optical fibres distribution frameYD/T 778—1999
代替YD/T778-95
本标准规定了光纤配线架(以下简称ODF)的定义、命名、要求、质量分等、试验方法,检验规则和标志、包装、运输和贮存。
本标准适用于ODF的检验和验收,并可作为ODF设计、生产、使用和考核产品质量等级的技术依据。
本标准不适用于ODF的质量分选。2引用标准
下列标准所包含的条文,通过在本标准中引用而构成为本标准的条文。本标准出版时,所示版本均为有效。所有标准都会被修订,使用本标准的各方应探讨使用下列标准最新版本的可能性。GB/T2423t1一1989电工电子产品基本环境试验规程试验A:低温试验方法GB/T2423.2--1989电工电子产品基本环境试验规程试验B:高温试验方法GB/T2423.9--1989电工电子产品基本环境试验规程试验Cb:设备用恒定湿热试验方法GB/T2828—1987逐批检查计数抽样程序及抽样表(适用于连续批的检查)GB/T2829--1987周期检查计数抽样程序及抽样表(适用于生产过程稳定性的检查)GB/T3873—1983通信设备产品包装通用技术条件第二部分:一般检查、电连
GB/T 5095.2—-1997E
电子设备用机电元件基本试验规程及测量方法续性、接触电阻测试、绝缘试验和电应力试验GB/T5169.7--1985电子电工产品着火危险试验本生灯型火焰试验方法GB/T12507-—1990光纤光缆连接器第一部分总规范GB/T12707—1991工业产品质量分等导则YD/T638.2—93光通信设备型号命名方法3定义
本标准采用下列定义。
3.1 光纤配线架ODF(Optical fibres Distribution Frame)光缆和光通信设备的配线连接设备。3.2光纤跳线
一根两端都带有光纤连接器插头的光缆。3.3尾纤
-根一端带有光纤连接器插头的光缆。3.4适配器
使尾纤连接器插头和光纤跳线连接器插头实现光学连接的器件。中华人民共和国信息产业部1999-02-23批准1999-07-01实施
3.5尾纤连接分配装置
YD/T 778—1999
由适配器、适配器卡座、安装板或适配器及适配器安装板组装而成,供尾纤与光纤跳线分别插人适配器外线侧和内线侧而完成活动连接的构件,应示明配线顺序号。3.6光纤终接装置
供光缆纤芯线与尾纤接续并盘绕富余光纤的构件,应示明配线顺序号。3.7尾纤盘线装置
供富余尾纤盘绕的构件。
4命名
ODF的型号按YD/T638.2一93中的方法命名,型号由专业代号、主称代号和序号三部分组成,如图1所法。
一序号
光纤配线架此内容来自标准下载网
光通信设备
图1型号的组成
5要求
5.1环境要求
5.1.1使用条件
5.1.1.1工作温度:—5℃~十40℃5.1.1.2相对湿度:不大于85%(+30℃时)。5.1.1.3大气压力:70106kPa。
5.1.2贮运温度:—25℃~+55℃。5.2外观与结构
5.2.1机架结构形式
机架结构应采用封闭式、半封闭式或散开式。5.2.2机架外形尺寸
机架商度分为2600mm、2200mm和2000mm三类,其宽度和深度尺寸在产品企业标准中规定。5.2.3机械活动部分应转动灵活、插拔适度、锁定可靠、施工安装和维护方便。门的开启角应不小于110°,间隙不大于2mm。
5.2.4结构应牢固,装配应具有一致性和互换性,紧固件无松动。外露和操作部位的锐边倒圆半径R不得小于2mm。
5.2.5引人光缆进入机架时,其弯曲半径应不小于光缆直径的15倍。5.2.6光缆光纤穿过金属板孔及沿结构件锐边转弯时,应装保护套及衬垫。纤芯、尾纤无论处于何处弯曲时,其曲率半径应不小于37.5mm。5.2.7涂疆层应表面光洁,色泽均匀、无流挂、无露底;金属件无毛刺锈蚀。5.2.8结构装置上的文字、图形、符号和标志应清晰、完整、无误。5.3材料
ODF所有的零件采用的材料应具有防腐性能,如该材料无防腐性能应作防腐处理;其物理、化学性能必须稳定,并与光缆护套和尾纤护套相容。为防止腐蚀和其他损害,这些材料还必须与其他设备中所600
常用的材料相容。
YD/T 778--1999
ODF如有采用工程塑料,其燃烧性能应符合GB/T5169.71985标准中试验A的要求。5.4光电性能
5.4.1光纤连接器
5.4.1.1光纤连接器插入损耗(含适配器和光纤跳线)应符合相应光纤连接器的国家标准或行业标准的规定。
5.4.1.2回波损耗应符合相应光纤连接器的国家标准或行业标准的规定。5.4.2高压防护接地装置
5.4.2.1机架高压防护接地装置与光缆中金属加强芯及金属护套相连,地线的截面积应大于6mm2。5.4.2.2机架高压防护接地装置与机架间绝缘,绝缘电阻不小于1000M2/500V(直流电)。5.4.2.3机架高压防护接地装置与机架间耐电压不小于3000V(直流电)/1min不击穿、无飞弧。5.4.3标称工作波长
850nm,1 310nm.1 550nm。
5.5机械耐久性
整套光纤连接器插拔500次后:
a)不得有机械损伤,插针表面无明显划痕;b)插人损耗应符合5.4.1.1的要求,附加损耗变动量不大于0.2dB;回波损耗应符合5.4.1.2和6.2的要求,回波损耗变动量不大于5dB。5.6功能要求
5.6.1光缆固定与保护功能
应具有光缆引人,固定和保护装置。该装置将光缆引人并固定在机架上,保护光缆及缆中纤芯不受损伤。光缆金属部分与机架绝缘,固定后的光缆金属护套及加强芯应可靠连接高压防护接地装置。5.6.2光纤终接功能
应具有光纤终接装置。该装置便于光缆纤芯及尾纤接续操作、施工、安装和维护。能固定和保护接头部位平直而不位移,避免外力影响,保证盘绕的光缆纤芯、尾纤不受损伤。5.6.3调线功能
通过光纤跳线连接器插头,能迅速方便地调度光缆中的纤芯序号及改变光传输系统的路序。5.6.4光缆纤芯和尾纤的保护功能光缆开剥后纤芯有保护装置并固定后引人光纤终接装置。5.6.5容量
每机架容量和单元容量(按适配器数量确定)应在产品企业标准中作出规定,光纤终接装置,尾纤盘线装置、适配器卡座、尾纤及适配器,在满容量范围内应能成套配置。5.7运输试验
包装合格的产品能承受GB/T3873一1983中“A.10公路运输”的试验要求,试验结束后:a)产品完整:产品表面及零部件不应有机械损伤,紧固件不得松脱;b)应符合5.4.1.1、5.4.1.2和6.2的要求。6质量分等
6.1基本要求
三个等级的ODF的要求首先应符合本标准第5章的规定。6.2回波损耗的分等要求应符合表1的规定。601
连接器种类
APC型连接器(高档)
PC型连接器(普通)
YD/T 778--1999
优等品
≥70dB
≥50dB
回波损耗
≥65dB
≥45dB
注:ODF的质重按GB/T12707-1991第二章的规定分为三等:优等品、一等品、合格品。7试验方法
7.1试验条件
7.1.1试验的标准大气条件见表2。表2试验的标准大气条件范围
15~35℃
相对湿度
45%75%
7.1.2试验仪表和量具应经国家二级或二级以上计量单位计量校准合格。7.2外观与结构检查
7.2.1用卡尺或卷尺检测机架外形尺寸。合格品
≥60dB
≥40dB
86~106kPa
7.2.2用手实际操作转动、插拔、锁定部位应感觉适度,用万能角尺,检测机架门开启角;用塞规检测其间隙的上、中、下三处。
7.2.3用装配工具手工检查紧固件,用棵手触摸外露和操作部位。7.2.4用R量规检测光缆尾纤的弯曲半径。7.2.5其他用目视方法检查。
7.3光电性能测试
7.3.1插入损耗测试
按图2连接。
光纤配线架
稳定光源
标准屠纤 1
标准适配器
被测尾纤
标谁尾纤 2
被测适配器
图2插人损耗测试原理
标准尾纤2
光功率计
测试时,图2中S,点先不接人被测尾纤,将标准尾纤2按虚线连接(S,R),调测使得光功率为OdB(利用置0键)。然后将被测尾纤和标准尾纤2按图2中实线连接,测得的光功率值为S2R2插人损耗。7.3.2回波损耗测试
回波损耗测试可采用替代法或基准法中任意一种。当对测试结果发生争议时,应以基准法为准。a)替代法
按图3连接。
光反射测试仪
标准反射测试尾纤
YD/T 778-1999
光纤配线架
敲测适配器
图3回波损耗测试原理
被测尾纤
测试时,按图3所示接上被测尾纤,然后在被测尾纤暴露端R,涂上适量的反射匹配液,此时仪表所示值即为被测尾纤R,端的实际回波损耗值;同理,将被测尾纤R,反射匹配液清除干净后与被测适配器连接,另一端R2涂上反射匹配液,即可得到R,端的实际回波损耗值。b)基准法按GB/T12507—1990中2.7.4进行。7.3.3高压防护接地装置与机架间绝缘测试按GB/T5095.2一1997中试验3a:绝缘电阻的方法C进行。测量绝缘电阻的回路加直流电压为500V士50V,读取稳定的绝缘电阻数值,如果未达到稳定,应在加压后的60s士5s读取数值。7.3.4高压防护接地装置与机架间耐电压测试按GB/T5095.2--1997中“试验4a:耐电压”的方法C进行。试验电压为直流电压3000V,加试验电压的速率不大于500V/s,试验电压经受时间为60s土5s。7.4机械耐久性试验
在对方插头插入的情况下,以通常使用的方法插人和拨出,每十次记录一次光学性能数据,同时对插针体及适配器的弹性套简进行清洁;共插拔500次,记录50次数据。取最后5次数据的平均值。7.5塑料燃烧性能试验
按GB/T5169.7—1985标准规定进行,其产品样品分别施加火焰两次,每次间隔10min,每次施加火焰30s,试样离火后每次持续有焰燃烧时间应小于10s。7.6功能检查
采用视察法和操作法检查各功能装置安装的完整齐备性及其达到的功能性。7.7环境条件试验
7.7.1高温试验
按GB/T2423.2-1989中规定的试验Bb进行。将无包装的试验样品置于试验箱(室)内,以1C/min变化率升至十40℃士2℃,持续时间2h,再以同样的变化速率降温到试验标准大气条件范围的温度值并恢复2h。在条件试验其间及结束时进行检测。7.7.2低温试验
按GB/T2423.1-1989中规定的试验Ab进行。将无包装的试验样品置于试验箱(室)内,以1℃/min变化率降温至一5℃士3℃,持续时间2h,再以同样的变化速率升温到试验标准大气条件范围的温度值并恢复2h。在条件试验其间及结束时进行检测。7.7.3恒定湿热试验
按GB/T2423.9--1989中规定的试验Cb进行。将无包装的试验样品置于试验箱(室)内,以1C/min变化率将温度调到+30℃士2℃,然后在2h内将湿度调到(85土3)%,持续时间48h。条件试验之后,再调节到试验标准大气条件下恢复2h。在条件试验其间及结束时进行检测。7.7.4运输试验按GB/T3873一1983中“A.10公路运输试验”的规定进行试验。7.7.5贮运高温试验
按GB/T2423.2--1989中规定的试验Bb进行。将无包装的试验样品置于试验箱(室)内,以1C/min变化率升至十55℃土2℃,持续时间2h,再以同样的变化速率降温到试验标准大气条件范围的温度值,并恢复2h后进行检测。
7.7.6贮运低温试验
YD/T 778-1999
按GB/T2423.1一1989中规定的试验Ab进行。将无包装的试验样品置于试验箱(室)内,以1C/min变化率降温至一25℃土3C,持续时间2h,再以同样的变化速率升温到试验标准大气条件范围的温度值,并恢复2h后进行检测。
8检验规则
ODF的检验分为出厂检验和型式检验两类。8.1出厂检验
出厂检验的项目和抽样数见表3,其中各项检验的要求和方法见本标准第5、6、7章的相关内容。8.2型式检验
8.2,1型式检验一般每两年进行一次。8.2.2具有下列情况之一的均需做型式检验:a)产品停产一个周期以上又恢复生产b)转厂生产再试制定型;
c)正式生产后,如结构、材料、工艺有较大改变;d)产品投产前鉴定或质量监督机构提出。8.2.3型式检验的项目和抽样数见表3,其中各项检验的要求和方法见本标准第5.6、7章的相关内容。
表3检验项目、检验类别和抽样数序号
检验项目
外观与结构
插人损耗
回波摄耗
绝缘电阻
耐电压
阻燃性
功能要求
性试验
插人损耗
回波耗
插人损耗
回波损耗
绝缘电阻
耐电压
插人损耗
回波损耗
绝缘电阻
耐电压
不合格类别
B类「C类
出厂检
验项目
【型式检
验项目
出厂检验
检验类别和抽样数
型式检验
按GB/T2829-1987的判
每端产品出厂时都应检
检验项目1.4.5、7全检。
检验项目2、3按GB/T
2828—1987—般检查水
平1,正常一次抽样,产品
质量以不合格数表示。
AQL值为:1.0
别水平1,两次抽样方案,产
品质量以不合格数表示,
RQL值B类不合格值为:
3;0;2-
C类不合格值为:
r3:0;3
53;3;4
检验项目
插人损耗
回波损耗
绝缘电阻
耐电压
插人损耗
回波损耗
绝缘电阻
耐电压
插人损耗
回波损耗
绝缘电阻
耐电压
产品完整性
插入损耗
回波损耗
不合格类别
YD/T778—1999
续表3
出厂检)型式检
验项目
验项目
1“”表示出厂检验或型式检验所选择的相应项目。2“○”表示检验项目以不符合本标准规定的不合格的分类。9标志、包装、运输和贮存
9.1标志
出厂检验
检验类别和抽样数
ODF上应有标识,标明产品型号、名称、商标、生产单位、出厂年月、机号。ODF上的连接器应有商标或生产厂家的标记。9.2包装
型式检验
9.2.1ODF应包装出厂,包装要求及包装箱面标志应符合GB/T3873一1993的规定。9.2.2包装箱内除产品外,还应装人以下物品和有关文件,文件可用塑料袋或纸袋封装。a)备附件及专用工具;
b)产品使用说明书;
c)产品合格证;
d)装箱清单。
9.3运输
ODF包装后,可用汽车、火车、轮船、飞机等运输。在运输中应避免碰撞、跌落、雨雪的直接淋装和日光暴晒。
9.4贮存
ODF应贮存在通风良好、干燥的仓库中,其周围不应有腐蚀性气体存在,贮存温度为一25C~+55℃。
小提示:此标准内容仅展示完整标准里的部分截取内容,若需要完整标准请到上方自行免费下载完整标准文档。
标准图片预览:





- 其它标准
- 上一篇: YD/T 777-1999 通信用逆变设备
- 下一篇: YD/T 779-1999 数字配线架
- 热门标准
- 通信行业标准(YD)
- YD/T2573-2017 代替 YD/T 2573-2013 LTE FDD 数字蜂窝移动通信网基站设备技术要求(第一阶段)
- YD/T2786.1-2014 支持多业务承载的 IP/MPLS 网络管理技术要求 第1部分:基本原则
- YD/T723.1-2007 通信电缆光缆用金属塑料复合带 第1部分:总则
- YD/T2890-2015 基于 LTE 技术的宽带集群通信(B-TrunC)系统接口测试方法(第一阶段)集群核心网到调度台接口
- YD2007-1993 公用移动电话工程设计规范
- YD/T837.3-1996 铜芯聚烯烃绝缘铝塑综合护套市内通信电缆试验方法 第3部分:机械物理性能试验方法
- YD/T1272.1-2003 光纤活动连接器 第一部分:LC型
- YD/T1642-2007 互联网业务服务质量测试方法
- YD/T1656-2007 采用边界网关协议多协议扩展(BGP-MP)的基于IPv6骨干网的IPv4网络互联(4 over 6)技术要求
- YD/T1745-2008 传送网安全防护检测要求
- YD/T1419.2-2005 接入网用单纤双向三端口光组件技术条件 第2部分:用于基于以太网方式的无源光网络(EPON)光网络单(ONU)的单纤双向三端口光组件
- YDB026-2008 基于ParLayX应用程序接口的企业应用业务的技术要求
- YD/T1803-2008 基于IP多媒体子系统(IMS)的呈现(Presence)业务测试方法(第一阶段)
- YDB034-2009 电信网安全需求
- YD/T1817-2017 代替 YD/T 1817-2008 通信设备用直流远供电源系统
- 行业新闻
请牢记:“bzxz.net”即是“标准下载”四个汉字汉语拼音首字母与国际顶级域名“.net”的组合。 ©2025 标准下载网 www.bzxz.net 本站邮件:bzxznet@163.com
网站备案号:湘ICP备2025141790号-2
网站备案号:湘ICP备2025141790号-2