- 您的位置:
- 标准下载网 >>
- 标准分类 >>
- 水产行业标准(SC) >>
- SC/T 8049-1994 渔船舵系修理技术要求
标准号:
SC/T 8049-1994
标准名称:
渔船舵系修理技术要求
标准类别:
水产行业标准(SC)
标准状态:
现行-
发布日期:
1994-11-01 -
实施日期:
1995-01-01 出版语种:
简体中文下载格式:
.rar.pdf下载大小:
68.64 KB
中标分类号:
公路、水路运输>>船舶维护与修理>>R32船用主辅机及管路附件维护修理
替代情况:
替代SC 49-79
点击下载
标准简介:
标准下载解压密码:www.bzxz.net
本标准规定了舵系零部件的蚀耗极限,使用极限间隙及对修理质量的基本要求。本标准适用于钢质渔船舵系修理。 SC/T 8049-1994 渔船舵系修理技术要求 SC/T8049-1994
部分标准内容:
中华人民共和国水产行业标准
渔船舵系修理技术要求
主题内容与适用范围
SC/T 8049--94
代替SC49—79
本标准规定了舵系零部件的蚀耗极限,使用极限间隙及对修理质量的基本要求。本标准适用于钢质渔船舵系修理。2
一般规定
2.1舵系修理原则上按原设计图样与要求修复,其材料的牌号与规格均需符合钢质海洋渔船建造规范或原设计要求。
2.2舵系零件的补焊应清除锈污后填补,焊后应清除焊渣并磨光,大面积的堆焊必须有合理的工艺规程,焊缝表面应均匀、致密,不应有裂纹、焊瘤、咬边、气孔、夹渣等缺陷。2.3经修理后的空心叶、导流管应按钢质海洋渔船规范所规定试验压力进行密性试验,合格后应作防腐蚀处理。
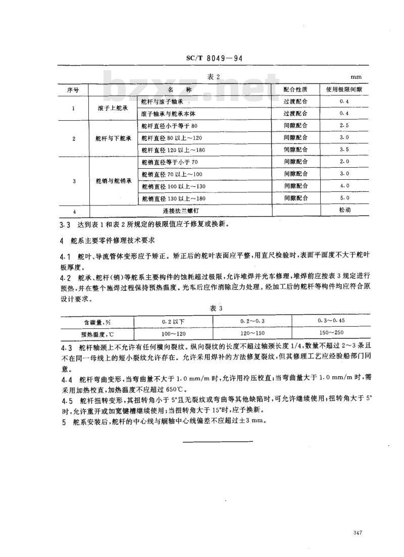
2.4舵系在船上安装后,在整个能角范围内,转动应灵活、平稳,无卡滞及振动现象,舵叶实际位置应与舵机上舵角指示器的读数相符,其偏差不得超过0.5。航行试验时应作效用试验。3蚀耗极限和使用极限间隙
3.1舵系主要零部件蚀耗极限见表1。表1
舵叶、导流管
舵杆非工作轴颈处
滑动轴承
舵杆连接法兰
舵链及牵杆
操能用钢索
舵系配合和使用间隙极限见表2。3.2
中华人民共和国农业部1994-11-01批准346
无衬套
有衬套
蚀耗极限
原设计板厚的30%
原设计直径的7%
原设计壁厚的10%
原设计壁厚的15%
原设计直径的7%
原设计法兰厚度的10%
原设计直径的10%
8倍直径长度内有10%的钢丝断裂1995-01-01实施
滚子上舵承
舵杆与下能承
能销与能销承
SC/T 8049—94
舵杆与滚子轴承
滚子轴承与能承本体
舵杆直径小于等于 80
舵杆直径80以上~120
舵杆直径120以上~180
能销直径等于小于70
舵销直径70以上~100
能销直径100以上130
能销直径130以上~180
连接法兰螺钉
3.3达到表1和表2所规定的极限值应予修复或换新。舵系主要零件修理技术要求
配合性质
过渡配合
过渡配合
间隙配合
间隙配合
间曦配合
间隙配合
间隙配合
间隙配合
间隙配合
使用极限间隙www.bzxz.net
4.1舵叶、导流管体变形应予矫正。矫正后的舵叶表面应平整,用直尺检验时,表面平面度不大于舵叶板厚度。
4.2舵承、舵杆(销)等舵系主要构件的蚀耗超过极限,允许堆焊并光车修理,堆焊前应按表3规定进行预热,并在整个施焊过程保持预热温度。光车后应作消除应力处理。经如工后的舵杆等构件均应符合原设计要求。
含碳量,%
预热温度,
0.2以下
100~120
120~150
150~250
4.3舵杆轴颈上不允许有任何横向裂纹。纵向裂纹的长度不超过轴颈长度1/4,数量不超过2~3条且不在同一母线上的短小裂纹允许存在。允许采用焊补的方法修复裂纹,但其修理工艺应经验船部门同意。
4.4舵杆弯曲变形,当弯曲量不大于1.0mm/m时,允许用冷压校直,当弯曲量大于1.0mm/m时,需采用加热校直,加热温度不应超过650℃。4.5舵杆扭转变形,其扭转角小于5°且无裂纹或弯曲等其他缺陷时,可允许继续使用,扭转角大于5°时,允许重开或加宽键槽继续使用;当扭转角大于15°时,应予换新。5舵系安装后,能杆的中心线与舰轴中心线偏差不应超过土3mm。347
附加说明:
SC/T8049-94
本标准由全国渔船标准化技术委员会提出。本标准由广州渔轮厂负责起草。本标准主要起草人林国厚、曾容。348
小提示:此标准内容仅展示完整标准里的部分截取内容,若需要完整标准请到上方自行免费下载完整标准文档。
渔船舵系修理技术要求
主题内容与适用范围
SC/T 8049--94
代替SC49—79
本标准规定了舵系零部件的蚀耗极限,使用极限间隙及对修理质量的基本要求。本标准适用于钢质渔船舵系修理。2
一般规定
2.1舵系修理原则上按原设计图样与要求修复,其材料的牌号与规格均需符合钢质海洋渔船建造规范或原设计要求。
2.2舵系零件的补焊应清除锈污后填补,焊后应清除焊渣并磨光,大面积的堆焊必须有合理的工艺规程,焊缝表面应均匀、致密,不应有裂纹、焊瘤、咬边、气孔、夹渣等缺陷。2.3经修理后的空心叶、导流管应按钢质海洋渔船规范所规定试验压力进行密性试验,合格后应作防腐蚀处理。
2.4舵系在船上安装后,在整个能角范围内,转动应灵活、平稳,无卡滞及振动现象,舵叶实际位置应与舵机上舵角指示器的读数相符,其偏差不得超过0.5。航行试验时应作效用试验。3蚀耗极限和使用极限间隙
3.1舵系主要零部件蚀耗极限见表1。表1
舵叶、导流管
舵杆非工作轴颈处
滑动轴承
舵杆连接法兰
舵链及牵杆
操能用钢索
舵系配合和使用间隙极限见表2。3.2
中华人民共和国农业部1994-11-01批准346
无衬套
有衬套
蚀耗极限
原设计板厚的30%
原设计直径的7%
原设计壁厚的10%
原设计壁厚的15%
原设计直径的7%
原设计法兰厚度的10%
原设计直径的10%
8倍直径长度内有10%的钢丝断裂1995-01-01实施
滚子上舵承
舵杆与下能承
能销与能销承
SC/T 8049—94
舵杆与滚子轴承
滚子轴承与能承本体
舵杆直径小于等于 80
舵杆直径80以上~120
舵杆直径120以上~180
能销直径等于小于70
舵销直径70以上~100
能销直径100以上130
能销直径130以上~180
连接法兰螺钉
3.3达到表1和表2所规定的极限值应予修复或换新。舵系主要零件修理技术要求
配合性质
过渡配合
过渡配合
间隙配合
间隙配合
间曦配合
间隙配合
间隙配合
间隙配合
间隙配合
使用极限间隙www.bzxz.net
4.1舵叶、导流管体变形应予矫正。矫正后的舵叶表面应平整,用直尺检验时,表面平面度不大于舵叶板厚度。
4.2舵承、舵杆(销)等舵系主要构件的蚀耗超过极限,允许堆焊并光车修理,堆焊前应按表3规定进行预热,并在整个施焊过程保持预热温度。光车后应作消除应力处理。经如工后的舵杆等构件均应符合原设计要求。
含碳量,%
预热温度,
0.2以下
100~120
120~150
150~250
4.3舵杆轴颈上不允许有任何横向裂纹。纵向裂纹的长度不超过轴颈长度1/4,数量不超过2~3条且不在同一母线上的短小裂纹允许存在。允许采用焊补的方法修复裂纹,但其修理工艺应经验船部门同意。
4.4舵杆弯曲变形,当弯曲量不大于1.0mm/m时,允许用冷压校直,当弯曲量大于1.0mm/m时,需采用加热校直,加热温度不应超过650℃。4.5舵杆扭转变形,其扭转角小于5°且无裂纹或弯曲等其他缺陷时,可允许继续使用,扭转角大于5°时,允许重开或加宽键槽继续使用;当扭转角大于15°时,应予换新。5舵系安装后,能杆的中心线与舰轴中心线偏差不应超过土3mm。347
附加说明:
SC/T8049-94
本标准由全国渔船标准化技术委员会提出。本标准由广州渔轮厂负责起草。本标准主要起草人林国厚、曾容。348
小提示:此标准内容仅展示完整标准里的部分截取内容,若需要完整标准请到上方自行免费下载完整标准文档。
标准图片预览:



- 其它标准
- 热门标准
- 水产行业标准(SC)
- SC/T7219.4-2015 三代虫病诊断规程 第4部分:中型三代虫病
- SC/T8080-1994 渔船柴油主机安装技术要求
- SC/T7205.2-2007 牡蛎包纳米虫病诊断规程 第2部分:组织病理学诊断法
- SC/T2047-2006 水产养殖用海洋微藻保种操作技术规范
- SC/T9011.4-2006 冻结装置试验方法 第4部分:流态冻结装置试验方法
- SC/T3701-2003 冻鱼糜制品
- SC2035-2006 文蛤
- SC/T8033-1994 渔船电动式起锚机修理技术条件
- SC/T8035-1997 渔船平板冻结机安装调试技术要求
- SC/T8040-1994 渔船100Nm、45Nm单片离合器修理技术要求
- SC/T3110-1996 冻虾仁
- SC/T3210-1986 盐渍海蛰皮和盐渍海蛰头
- SC/T3301-1989 速食海带
- SC/T3601-1988 蚝油
- SC/T3105-1988 鲜鳓鱼
- 行业新闻
请牢记:“bzxz.net”即是“标准下载”四个汉字汉语拼音首字母与国际顶级域名“.net”的组合。 ©2025 标准下载网 www.bzxz.net 本站邮件:bzxznet@163.com
网站备案号:湘ICP备2025141790号-2
网站备案号:湘ICP备2025141790号-2