- 您的位置:
- 标准下载网 >>
- 标准分类 >>
- 航天工业行业标准(QJ) >>
- QJ 2094-1991 自攻锁紧螺钉用宽牙螺纹
标准号:
QJ 2094-1991
标准名称:
自攻锁紧螺钉用宽牙螺纹
标准类别:
航天工业行业标准(QJ)
标准状态:
已作废-
实施日期:
1991-09-01 -
作废日期:
2001-02-01 出版语种:
简体中文下载格式:
.rar.pdf下载大小:
773.20 KB
部分标准内容:
中华人民共和国航空航天工业部航天工业标准QJ2094-91
自攻锁紧螺钉用宽牙螺纹
1991-01-23发布
1991-09—01实施
中华人民共和国航空航天工业部发布
中华人民共和国航空航天工业部航天工业标准自攻锁紧螺钉用宽牙螺纹
主题内容与适用范围
QJ2094-91
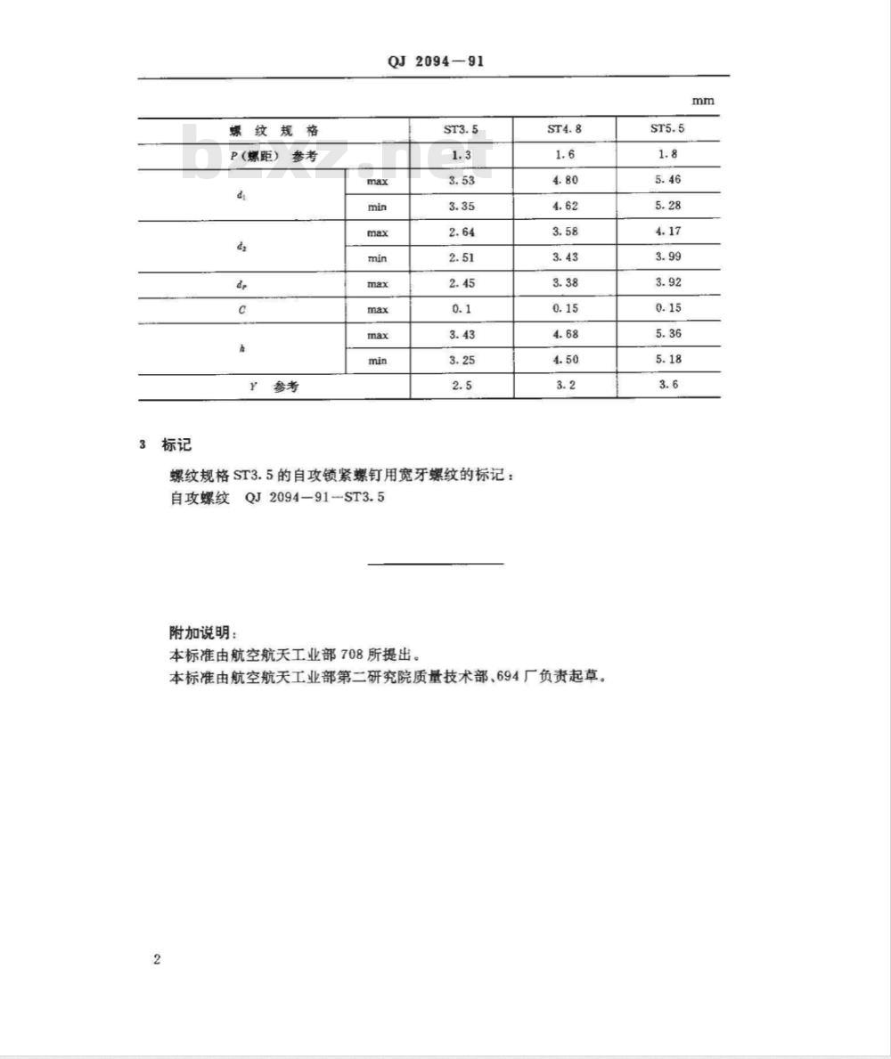
本标准规定了螺纹规格为ST3.5,ST4.8、ST5.5的自攻锁紧螺钉用宽牙螺纹及螺钉末端。
本标准适用于宽牙自攻锁紧螺钉。2尺寸
宽牙螺纹的尺寸按图和表的规定。20
X放大
航空航天工业部1991一01一23批准1991-09-01实施
螺纹规格
P(螺距)
QJ2094—91www.bzxz.net
螺纹规格ST3.5的自攻锁紧螺钉用宽牙螺纹的标记:自攻螺纹
附加说明:
QJ2094-91-ST3.5
本标准由航空航天工业部708所提出。ST4.8
本标准由航空航天工业部第二研究院质量技术部、694厂负责起草。2
被试对势
隔声仓
一级引时器
消声帽
二级消声器
二级消产器
二级引射器
小垫圈
分类代号:W6201
标记,W620101
1材料、45按GB699-65。
2热处理:HRC3540
3技术条件按HB/770-87
航空工业部1587-:04-08
HB3978-87
1987-07-0/
小提示:此标准内容仅展示完整标准里的部分截取内容,若需要完整标准请到上方自行免费下载完整标准文档。
自攻锁紧螺钉用宽牙螺纹
1991-01-23发布
1991-09—01实施
中华人民共和国航空航天工业部发布
中华人民共和国航空航天工业部航天工业标准自攻锁紧螺钉用宽牙螺纹
主题内容与适用范围
QJ2094-91
本标准规定了螺纹规格为ST3.5,ST4.8、ST5.5的自攻锁紧螺钉用宽牙螺纹及螺钉末端。
本标准适用于宽牙自攻锁紧螺钉。2尺寸
宽牙螺纹的尺寸按图和表的规定。20
X放大
航空航天工业部1991一01一23批准1991-09-01实施
螺纹规格
P(螺距)
QJ2094—91www.bzxz.net
螺纹规格ST3.5的自攻锁紧螺钉用宽牙螺纹的标记:自攻螺纹
附加说明:
QJ2094-91-ST3.5
本标准由航空航天工业部708所提出。ST4.8
本标准由航空航天工业部第二研究院质量技术部、694厂负责起草。2
被试对势
隔声仓
一级引时器
消声帽
二级消声器
二级消产器
二级引射器
小垫圈
分类代号:W6201
标记,W620101
1材料、45按GB699-65。
2热处理:HRC3540
3技术条件按HB/770-87
航空工业部1587-:04-08
HB3978-87
1987-07-0/
小提示:此标准内容仅展示完整标准里的部分截取内容,若需要完整标准请到上方自行免费下载完整标准文档。
标准图片预览:





- 其它标准
- 热门标准
- 航天工业行业标准(QJ)
- QJ903-1A-1995 航天产品工艺文件管理制度
- QJA1796-1998 分离(脱落)电连接器通用规范
- QJ3307-2008 固体火箭发动机离心静止试验方法
- QJ946A-1996 减压阀规范
- QJ1943-1990 S01-3聚氨酯清漆涂装通用工艺
- QJ177.17A-1995 通用卡箍 螺钉可调卡箍
- QJ177.11A-1995 通用卡箍 悬挂双卡箍
- QJ990.3-1986 涂层检验方法 涂层厚度检验方法
- QJ990.14-1986 涂层检验方法 涂层附着力检验方法
- QJ2078A-1998 电液伺服阀试验方法
- QJ903.17A-1995 航天产品工艺文件管理制度 焊接工艺文件编制规则
- QJ2226-1992 星载行波管功率放大器 通用技术条件
- QJ2076.16-1991 管道法兰 凹凸面管道法兰用铝垫片
- QJ1078.3-1992 2 JL 0.5--3型微型 (10mm X 10mm X 11mm) 高环境灵敏继电器详细规范
- QJ1145.3-1987 焊接夹具零件及部件 三角压板
- 行业新闻
请牢记:“bzxz.net”即是“标准下载”四个汉字汉语拼音首字母与国际顶级域名“.net”的组合。 ©2025 标准下载网 www.bzxz.net 本站邮件:bzxznet@163.com
网站备案号:湘ICP备2025141790号-2
网站备案号:湘ICP备2025141790号-2