- 您的位置:
- 标准下载网 >>
- 标准分类 >>
- 国家标准(GB) >>
- GB/T 19980-2005 纺织品 服装及其他纺织最终产品经家庭洗涤和干燥后外观的评价方法
标准号:
GB/T 19980-2005
标准名称:
纺织品 服装及其他纺织最终产品经家庭洗涤和干燥后外观的评价方法
标准类别:
国家标准(GB)
标准状态:
现行-
发布日期:
2005-11-04 -
实施日期:
2006-05-01 出版语种:
简体中文下载格式:
.rar.pdf下载大小:
646.02 KB
标准ICS号:
纺织和皮革技术>>纺织产品>>59.080.01纺织产品综合中标分类号:
纺织>>纺织综合>>W04基础标准与通用方法
点击下载
标准简介:
标准下载解压密码:www.bzxz.net
本标准规定了一种评价服装和其他纺织最终产品经过一次或几次家庭洗涤和干燥后,织物外观平整度、接缝平整度和熨烫褶裥保持性等外观的试验方法。本标准适用于具有任意织物结构、可水洗的纺织最终产品。由于评价的是纺织品最终产品,它们已经由生产商供货或者正待穿用,所以,本标准不包括缝制和熨烫褶裥的加工技术。加工技术应根据织物性能选用。本方法主要使用GB/T 8629中规定的B型家用洗衣机,但也可使用该标准中规定的A型洗衣机。已经认识到印花和其他图案可能会掩盖纺织最终产品的起皱外观,但本方法主要还是根据对包含了这种影响的试样的视觉外观进行评级。 GB/T 19980-2005 纺织品 服装及其他纺织最终产品经家庭洗涤和干燥后外观的评价方法 GB/T19980-2005
部分标准内容:
ICS 59. 080. 01
中华人民共和国国家标准
GB/T19980—2005
纺织品
服装及其他纺织最终产品经
家庭洗涤和干燥后外观的评价方法Textiles-Method for assessing appearance of apparel and other textileend products after domestic washing and drying(1S0 15487:1999.MOD)
2005-11-04发布
中华人民共和国国家质量监督检验检疫总局中国国家标准化管理委员会
2006-05-01实施
中华人民共和国
国家标准
纺织品
服装及其他纺织最终产品经
家庭洗涤和干燥后外观的评价方法GB/T 19980-2005
中国标准出版社出版发行
北京复兴门外三里河北街16号
邮敷编码:100C45
网址 bzcbs. com
电话:6852394668517548
中国标准出版社秦垒岛印刷厂印刷各地新华书店经销
开本880×12301/16印张0.75字数16于字2006年5月第一版
2006 年 5月第一次印
书号:155066·1-27441定价10.00元由本社发行中心调换
如有印装差错
版权专有侵权必究
举报电话:(010)68533533
GB/T 19980—2005
本标修改采用ISO15487:1999纺织品一服装和其他纺织最终产品经家庭洗涤和下燥后外观的评价方法”。
本标准与IS0 15487:1999的差异如下:本标推中引用的GB6529《纺织品的调湿和试验用标准大气》是春照国际标准中引用的IS0139:1973纺织品一—调凝和试验用标准大气》制定的,其中一级大气与IS0139:1973等同。
15015487:1999引用ISO6330:1984,本标准中引用的GB/T8629:2001《纺织品试验用家庭洗漆和干燥程序》尾等效采用ISO6330:2000制定的-5.2暗室照明方案中,增加了“4支1.2长的40W自色荧光灯分成两列\的规定和有关暗室条件的注2。
一织物外观平整度标推、韬榈外观标样和接缝外观样照,除AATCC(美国纺织品染化师协会)标择或样照外,与其具有同等效果的国产产品也可使用(见注3)。将国际标准中的编号“图7”改为“表2”。本标准出中国纺织工业协会提出。本标推由全国纺织品标准化技术委员会基础标推分会归口。本标准由纺织工业标准化研究所负责起草,中华人民共和国北京出人境检验检疫局协助起草。本标准主要起草人童金柱、李晓妻、徐思桥。1
1范围
纺织品服装及其他纺织最终产品经家庭洗涤和干燥后外观的评价方法GB/T 19980--2005
本标准规定了一种评价服装和其他纺织最终产品经过一次或几次家庭选涤和十燥后,织物外观平整度、接缝平整度和熨烫招榈保持性等外观的试验方法。本标雅适用于具有任意织物结构可水洗的纺织最终产品。由于评价的足纺织品最终产品,它们已经主生产商供货或者正待穿用,所以,本标准不包括缝制和射烫褶韵的加二浸术。加工投术应根在织场性能选用。
木方法主要使用 GB/362中规定的 B型家用洗衣机,但组可使用该标准中规定的 A型洗衣机。已经认识到印花和基他图家可能会掩盖纺织最终产品的起皱外观,但本方法主要还是根据对包含!这种影响的试样的视觉外观进行评级。2规范性引用文件
一列文偿中的象款通过本标谁的引用而成为本标准的条款。凡是注日期的引用文件,其随后所有的修改单(不包指勘误的内容)或修订版均不适用于本标准,然而,鼓励根据本标性达成协议的各方研究是否可使用这些文件的最新版本。凡是不注日期的引用文件,其最新版本适用于本标育。GB251—1995请定活色用灰色样卡(Ict1S0105-A03:1993)纺织品的调湿和试验用标准大气GB 6529
GB/T 8629
3术语和定义
物纸品试验用家庭洗涤和干燥程序(GB/T8629—2001.eqvS)@330:20:0)S
下列术语和定义适用于本标准。3.1
外观appearance
通过将单个部位与适当的标准样照进行比较,所获得的对服装或其他纺织最终产品的定量的总体规觉印象,
creaseretentio
韬保持
进过与一套标准样照比较,所获得的对费氮褶祠的定量化视觉印象3. 3
牛衣机折痕drvercreases
洗缘和干燥后的试样上存在的尖锐折痕,或者不规则的线条。注1:干衣机痕是一种试样在洗衣机和干衣机中因运动受限而产生的不希望存在的折痕。3.4
耐久压烫durallepress
復用中和洗涤后,能有效保持原有形状,平整的接缝,熨烫褶榈和不银的外观。3.5
洗涤lanndering
使用洗涤剂水溶液效织物,服装和纺织最终产品进行处理,以云除尘土和(或)污渍的过程。正肾情1
GB/T 19980--2005
况下洗涤包拆漂洗、脱水和干燥。3.6
接缝平整度seam smouthness
通过与一套标罹样照比较,获得的对接缝试样平整性的定量化视觉印象。3.7
外观平整度smnothness appearance通过与一套标样照比较,对试样平游性的定量化视觉印象。4原理
4.1模拟家庭洗涤的实际过程,对服装和其他纺织最终产品进行洗涤和干燥。根据有关利益方的协议,选用 CB/T 8629 中规定的一种洗涤和T燥程序。4.2在规定的照明条件下,格服装或其他纺织最终产品与外观平整度标样、褶外观标样和(或)接缝外观样照进行日测比较。在褶涧外观现的评定中,使用了一个置于适当位置、以强光侧向照亮纺织品褶区域的补充点光源。
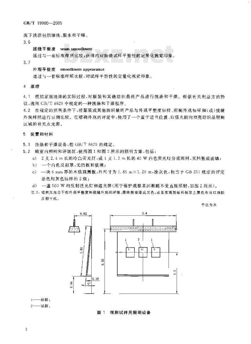
5 装置和材料
5.1洗涤和干燥设备,按GB/T8629的规定。5.2暗室内照明和评级区,使用图1 和图2所示的照明方案,包括:a)2支2.4 m长的冷凸荧光灯,或4支1.2 m长的40W白色荧光灯分成两列,无挡扳或坡璃:b)一个白色反射罩,无挡板和玻璃;c)一块 6 III厚的木质观测板,外尺寸为 1. 85 IM×1. 20 m,涂灰色,相当于 GB 251规定的评定沾色用灰色标样的2级;
d)一盘500W的反射泛光灯和遮光屏(用于保护观察者的眼晴不受直接照射,如图2所示)。过2:墙面反光会干扰外婉平整度和接缝外观的评级,需将侧墙漆成黑色,或者在观测板两侧装上黑色布帝以消除反射平扰。
单位为来
-标样;
试样,
图1观测试样用照明设备
合适的规半面高度;
遮光湃:
标样;www.bzxz.net
试样;
-500w反射泛光灯;
-观溃者。
图?照明和观测方案
褶翘外标社,于裙桐外观的评定·如图3所示,5.3
阁 3 裙韵标样
GB/T199832035
单位为米
5.4接缝标游样照,用于接缝(单针迹利双针迹)夕观平整度的评定,如图4和图5所示。GB/T19980—2C05
图4单针透接缝标准样照
图5双针迹接缝平整度样照
5.5外观平整度标样,用于织物外观平整度的评定.如图6所示。注3:AATCC标样或与之具有等向效果的国产标样或样照均可使月、图6外观平整度标样
6试样
对了织最终产品,逆择3件进行试验,7程序
7.1洗涤和干燥
空关利益方快商,使用 GB/T 8629观定的一种程序洗涤和下燥试样。如需要,将选定的洗涤于燥程序三复4次,其试验5次。每次干焕后,如是试样上产生了一衣机折衰,应在下次洗涤前心其润湿,雨手抚平或轻烫除去该折痕。最后一次二燥后,不应再去除起皱或折痕。.2调湿
将试样愿挂在衣架上,使其伸直,抚平贴边、饰面和接缝等,在GB65规定的一种大气中调湿4h。小
7.3观测
按下述方法,由3名观测者对处后的试样独立评级:GB/T 19930—2905
项部的荧光灯6.2a门应是观测板[5.2c门的唯一光源。除循福外观评级外,应关阅室内所有的其他光源。裙褪外观评级时使用的反射泛光灯和遮光屏[5.2d)位置见图2。b
服装和菜代最终产品放在观测板,使观测者尽可能地以实际中的间布冒进行观测观测者应站在试栏正能方,距观测板120cm3cm处。在视平面1.5m上下的高度范违内观测,对评级结果无足著影响。
7.4外观平整度
7.2.「将试样安放在观测板上,如图1所示,织物长边处于垂直方间。将与试样平整度最相似的立体外现平整变标详(5.5)放在总详两适,以有便对比评级。7.4.2外观平整度(SA)标样(5.5量然来源于机织物,但却不可能涵盖织物所有可能的起皱类型:际样应作为表示织动平整度各种水平的指导性基准,观测者应综合式样的起皱程度和数量,确定,人外观整皮级数,该级数与最能代其外观平整度水平的SA标样的级数相同见表1、与SA标样等效的织物平整度级数级数
7.4.3根据试栏
等效于SA-5标样
非带平整,压烫整迎后的外观
平整,整理后的观。
等嫩于SA-4标样
等效于SA-3.5标样
交平整,但未经压烫的外观
の等效于SA-3标样,杂乱,未经压激的外观等效于SA-2标样凌乱?明显起的外观A
等效于SA-:标样。凌乱不堪,皱痕和严重起皱的外观,取最考近二试样外观平整度的标样的级数作为试样处观平整度的级数,也可取两个整数标准级中问的半级(SA-2.5.SA-2.5.SA-4.5)7.4.4SA5级等数7DSA-5标样,表示最平整的外观,面SA-1标样则代表了非常低劣的外观。7.4.5如果试样上出现了干衣机折痕则应存细评级,某些干衣机断痕可能被忽视!当带有十衣机折
痕的试样防级数与同详是的其他试样相差超过1级时,应使用新试样重做试验,同时采取种项防洁施避免发生十衣机标痕
7.5接缝外观
7.5.1将试栏安放在观测接缝处于垂直方向,将食适的单针迹或双针迹接缝平整度(SS)标准样照(5.4)放置在试样旁边,度为便对比评级。7.5.2将观察注意力限定在受接缝影响的区域,忽略周原织物的外观。7.5.3取与试样上接缝外观最为接诉的标准样照(5.4)的级数作为试样接缝外观的级数,7.5.4SS-5的接缝平整度级数等效于标准样照No.5的外观,是最高水平的接继外观,SS-1的接缝平整度级数等效于标痒样照No.1的外观,接缝外观的水平非莺低,7.6褶外观
7.6.1将试样安放在观测板上,褶祠处十吾直方向。将与试样褶润外观最相似的裆桐外就(CR)标样(5.3)放在试样的两边,以方便对比评级。标样1、3、5放在试样左边,2、4放在右达,7.E.2游反射泛光灯和遮光屏放在观测区.如图2所示、在评级过程中需要使用。7.6.3将观察注意力限定在褶榈本身,忽略织物的外观。7.6.4攻与试样上褶涧外规最接选的标样的级数作为试样褶询外观的级效。7.6.5CR5的褶间外双级数等效于标样No.5的外观,是最高水平的祠外观,CR-1的褶涧外观级5
GB/T19980—2005
等效丁标样>o.1的外观,属水平非常低的褶搁外观,7.7纺织最终产品的外观
7.7.1确定被试制品的每个待评部位,填人评级表(见表2),表2评级表
检测部位
江:榈分值一权重系数义平均级数。权重系数
平均级数
7.7.2如需指明测试部位对制品总体外观的重要性.应在评级表中填人权重系数。7.7.3每个部位的权重系数取值为:一3,对制品总体外观非常重要;一2,对制品总体外观中等重要;-1,对制品总体外观不太重要。
得分值
7.7. 4将制品放在观测板上,待评级布面或部位的中心距地板约 1. 5 m,如图 1 所示。将合适的证体标样或标准样照放置在合适的位置,以方便对比评级(参见7.4、7.5或7,6)。7.7.5如果制品太大,例如是一件床单、棉被套、床罩或窗帘,将制品沿纵向折叠成原宽度一半。将其搭在根圆棒上(折叠成四等份),使织物长边处丁垂直方向。圆棒长度应足够容纳制品的半个宽度。将搭有大制品的圆棒系在评级板上,距地板大约1.8U1。以一种便十对比评级的方式放置标样或标准样照,以与标样相同的视平面,对凹分之一区块的整个宽度内的区域评级。以相同的方式评定所有四个四分之一区块,报告制品上每个评级部位的平均级数。8 结果的表示
对 7. 4、7. 5 和 7. 6 中的每-个评定项目,将 3 个观测者对一组 3 个试样所得到的 9 个观测值进行平均。报告3个平均值,至接近的半级。a)选项1:使用加权系数。
将评级表(表2)中赋予每个部位的权重系数求和,然后乘以5,即为该制品所能够达到的最大分数。将每个部位的平均级数乘以各自被赋予的权重系数,并将全部乘积相加,得到该制品的实际分数,以实际分数除以最大分数,再乘以100,得到每个制品外观平整度、褶涧外观、接缝外观的自分比值。b)选项2:使用评级表中的“平均级数”,计算并报告每个制品的每个评定部位的平均级数。9试验报告
试验报告应包括下述内:
a)标准编号,即GB/T19980--2005:b)样品捕述;
按GB/T8629的规定,所使用的洗漆和十燥程序;6
所使用的洗涤和干燥循环周期数;根据第8章a)计算的数值;
根据第8章b)计算的平均级数:
如果产品在洗涤中发生了磨损,注明磨损位置和数量;任何偏离本规定方法的细节。
GB/T 19980-—2005
GB/T199802005
参考文献
[1]G13/T13769—1992纺织品
耐久压烫织物经家庭洗涤和干燥后外规的评定方法L21GB/T13770J592
纺织品耐久压烫产品经家庭洗涤和十燥后褶皱外观的评定方法[3- GB/T 13771—1992
GB/T 19980-2005
耐久压烫产品经家庭洗涤和干燥后接缝外观的评定方法纺织品
版权专有慢权必究
书号:155066:1-27441
定价:
小提示:此标准内容仅展示完整标准里的部分截取内容,若需要完整标准请到上方自行免费下载完整标准文档。
中华人民共和国国家标准
GB/T19980—2005
纺织品
服装及其他纺织最终产品经
家庭洗涤和干燥后外观的评价方法Textiles-Method for assessing appearance of apparel and other textileend products after domestic washing and drying(1S0 15487:1999.MOD)
2005-11-04发布
中华人民共和国国家质量监督检验检疫总局中国国家标准化管理委员会
2006-05-01实施
中华人民共和国
国家标准
纺织品
服装及其他纺织最终产品经
家庭洗涤和干燥后外观的评价方法GB/T 19980-2005
中国标准出版社出版发行
北京复兴门外三里河北街16号
邮敷编码:100C45
网址 bzcbs. com
电话:6852394668517548
中国标准出版社秦垒岛印刷厂印刷各地新华书店经销
开本880×12301/16印张0.75字数16于字2006年5月第一版
2006 年 5月第一次印
书号:155066·1-27441定价10.00元由本社发行中心调换
如有印装差错
版权专有侵权必究
举报电话:(010)68533533
GB/T 19980—2005
本标修改采用ISO15487:1999纺织品一服装和其他纺织最终产品经家庭洗涤和下燥后外观的评价方法”。
本标准与IS0 15487:1999的差异如下:本标推中引用的GB6529《纺织品的调湿和试验用标准大气》是春照国际标准中引用的IS0139:1973纺织品一—调凝和试验用标准大气》制定的,其中一级大气与IS0139:1973等同。
15015487:1999引用ISO6330:1984,本标准中引用的GB/T8629:2001《纺织品试验用家庭洗漆和干燥程序》尾等效采用ISO6330:2000制定的-5.2暗室照明方案中,增加了“4支1.2长的40W自色荧光灯分成两列\的规定和有关暗室条件的注2。
一织物外观平整度标推、韬榈外观标样和接缝外观样照,除AATCC(美国纺织品染化师协会)标择或样照外,与其具有同等效果的国产产品也可使用(见注3)。将国际标准中的编号“图7”改为“表2”。本标准出中国纺织工业协会提出。本标推由全国纺织品标准化技术委员会基础标推分会归口。本标准由纺织工业标准化研究所负责起草,中华人民共和国北京出人境检验检疫局协助起草。本标准主要起草人童金柱、李晓妻、徐思桥。1
1范围
纺织品服装及其他纺织最终产品经家庭洗涤和干燥后外观的评价方法GB/T 19980--2005
本标准规定了一种评价服装和其他纺织最终产品经过一次或几次家庭选涤和十燥后,织物外观平整度、接缝平整度和熨烫招榈保持性等外观的试验方法。本标雅适用于具有任意织物结构可水洗的纺织最终产品。由于评价的足纺织品最终产品,它们已经主生产商供货或者正待穿用,所以,本标准不包括缝制和射烫褶韵的加二浸术。加工投术应根在织场性能选用。
木方法主要使用 GB/362中规定的 B型家用洗衣机,但组可使用该标准中规定的 A型洗衣机。已经认识到印花和基他图家可能会掩盖纺织最终产品的起皱外观,但本方法主要还是根据对包含!这种影响的试样的视觉外观进行评级。2规范性引用文件
一列文偿中的象款通过本标谁的引用而成为本标准的条款。凡是注日期的引用文件,其随后所有的修改单(不包指勘误的内容)或修订版均不适用于本标准,然而,鼓励根据本标性达成协议的各方研究是否可使用这些文件的最新版本。凡是不注日期的引用文件,其最新版本适用于本标育。GB251—1995请定活色用灰色样卡(Ict1S0105-A03:1993)纺织品的调湿和试验用标准大气GB 6529
GB/T 8629
3术语和定义
物纸品试验用家庭洗涤和干燥程序(GB/T8629—2001.eqvS)@330:20:0)S
下列术语和定义适用于本标准。3.1
外观appearance
通过将单个部位与适当的标准样照进行比较,所获得的对服装或其他纺织最终产品的定量的总体规觉印象,
creaseretentio
韬保持
进过与一套标准样照比较,所获得的对费氮褶祠的定量化视觉印象3. 3
牛衣机折痕drvercreases
洗缘和干燥后的试样上存在的尖锐折痕,或者不规则的线条。注1:干衣机痕是一种试样在洗衣机和干衣机中因运动受限而产生的不希望存在的折痕。3.4
耐久压烫durallepress
復用中和洗涤后,能有效保持原有形状,平整的接缝,熨烫褶榈和不银的外观。3.5
洗涤lanndering
使用洗涤剂水溶液效织物,服装和纺织最终产品进行处理,以云除尘土和(或)污渍的过程。正肾情1
GB/T 19980--2005
况下洗涤包拆漂洗、脱水和干燥。3.6
接缝平整度seam smouthness
通过与一套标罹样照比较,获得的对接缝试样平整性的定量化视觉印象。3.7
外观平整度smnothness appearance通过与一套标样照比较,对试样平游性的定量化视觉印象。4原理
4.1模拟家庭洗涤的实际过程,对服装和其他纺织最终产品进行洗涤和干燥。根据有关利益方的协议,选用 CB/T 8629 中规定的一种洗涤和T燥程序。4.2在规定的照明条件下,格服装或其他纺织最终产品与外观平整度标样、褶外观标样和(或)接缝外观样照进行日测比较。在褶涧外观现的评定中,使用了一个置于适当位置、以强光侧向照亮纺织品褶区域的补充点光源。
5 装置和材料
5.1洗涤和干燥设备,按GB/T8629的规定。5.2暗室内照明和评级区,使用图1 和图2所示的照明方案,包括:a)2支2.4 m长的冷凸荧光灯,或4支1.2 m长的40W白色荧光灯分成两列,无挡扳或坡璃:b)一个白色反射罩,无挡板和玻璃;c)一块 6 III厚的木质观测板,外尺寸为 1. 85 IM×1. 20 m,涂灰色,相当于 GB 251规定的评定沾色用灰色标样的2级;
d)一盘500W的反射泛光灯和遮光屏(用于保护观察者的眼晴不受直接照射,如图2所示)。过2:墙面反光会干扰外婉平整度和接缝外观的评级,需将侧墙漆成黑色,或者在观测板两侧装上黑色布帝以消除反射平扰。
单位为来
-标样;
试样,
图1观测试样用照明设备
合适的规半面高度;
遮光湃:
标样;www.bzxz.net
试样;
-500w反射泛光灯;
-观溃者。
图?照明和观测方案
褶翘外标社,于裙桐外观的评定·如图3所示,5.3
阁 3 裙韵标样
GB/T199832035
单位为米
5.4接缝标游样照,用于接缝(单针迹利双针迹)夕观平整度的评定,如图4和图5所示。GB/T19980—2C05
图4单针透接缝标准样照
图5双针迹接缝平整度样照
5.5外观平整度标样,用于织物外观平整度的评定.如图6所示。注3:AATCC标样或与之具有等向效果的国产标样或样照均可使月、图6外观平整度标样
6试样
对了织最终产品,逆择3件进行试验,7程序
7.1洗涤和干燥
空关利益方快商,使用 GB/T 8629观定的一种程序洗涤和下燥试样。如需要,将选定的洗涤于燥程序三复4次,其试验5次。每次干焕后,如是试样上产生了一衣机折衰,应在下次洗涤前心其润湿,雨手抚平或轻烫除去该折痕。最后一次二燥后,不应再去除起皱或折痕。.2调湿
将试样愿挂在衣架上,使其伸直,抚平贴边、饰面和接缝等,在GB65规定的一种大气中调湿4h。小
7.3观测
按下述方法,由3名观测者对处后的试样独立评级:GB/T 19930—2905
项部的荧光灯6.2a门应是观测板[5.2c门的唯一光源。除循福外观评级外,应关阅室内所有的其他光源。裙褪外观评级时使用的反射泛光灯和遮光屏[5.2d)位置见图2。b
服装和菜代最终产品放在观测板,使观测者尽可能地以实际中的间布冒进行观测观测者应站在试栏正能方,距观测板120cm3cm处。在视平面1.5m上下的高度范违内观测,对评级结果无足著影响。
7.4外观平整度
7.2.「将试样安放在观测板上,如图1所示,织物长边处于垂直方间。将与试样平整度最相似的立体外现平整变标详(5.5)放在总详两适,以有便对比评级。7.4.2外观平整度(SA)标样(5.5量然来源于机织物,但却不可能涵盖织物所有可能的起皱类型:际样应作为表示织动平整度各种水平的指导性基准,观测者应综合式样的起皱程度和数量,确定,人外观整皮级数,该级数与最能代其外观平整度水平的SA标样的级数相同见表1、与SA标样等效的织物平整度级数级数
7.4.3根据试栏
等效于SA-5标样
非带平整,压烫整迎后的外观
平整,整理后的观。
等嫩于SA-4标样
等效于SA-3.5标样
交平整,但未经压烫的外观
の等效于SA-3标样,杂乱,未经压激的外观等效于SA-2标样凌乱?明显起的外观A
等效于SA-:标样。凌乱不堪,皱痕和严重起皱的外观,取最考近二试样外观平整度的标样的级数作为试样处观平整度的级数,也可取两个整数标准级中问的半级(SA-2.5.SA-2.5.SA-4.5)7.4.4SA5级等数7DSA-5标样,表示最平整的外观,面SA-1标样则代表了非常低劣的外观。7.4.5如果试样上出现了干衣机折痕则应存细评级,某些干衣机断痕可能被忽视!当带有十衣机折
痕的试样防级数与同详是的其他试样相差超过1级时,应使用新试样重做试验,同时采取种项防洁施避免发生十衣机标痕
7.5接缝外观
7.5.1将试栏安放在观测接缝处于垂直方向,将食适的单针迹或双针迹接缝平整度(SS)标准样照(5.4)放置在试样旁边,度为便对比评级。7.5.2将观察注意力限定在受接缝影响的区域,忽略周原织物的外观。7.5.3取与试样上接缝外观最为接诉的标准样照(5.4)的级数作为试样接缝外观的级数,7.5.4SS-5的接缝平整度级数等效于标准样照No.5的外观,是最高水平的接继外观,SS-1的接缝平整度级数等效于标痒样照No.1的外观,接缝外观的水平非莺低,7.6褶外观
7.6.1将试样安放在观测板上,褶祠处十吾直方向。将与试样褶润外观最相似的裆桐外就(CR)标样(5.3)放在试样的两边,以方便对比评级。标样1、3、5放在试样左边,2、4放在右达,7.E.2游反射泛光灯和遮光屏放在观测区.如图2所示、在评级过程中需要使用。7.6.3将观察注意力限定在褶榈本身,忽略织物的外观。7.6.4攻与试样上褶涧外规最接选的标样的级数作为试样褶询外观的级效。7.6.5CR5的褶间外双级数等效于标样No.5的外观,是最高水平的祠外观,CR-1的褶涧外观级5
GB/T19980—2005
等效丁标样>o.1的外观,属水平非常低的褶搁外观,7.7纺织最终产品的外观
7.7.1确定被试制品的每个待评部位,填人评级表(见表2),表2评级表
检测部位
江:榈分值一权重系数义平均级数。权重系数
平均级数
7.7.2如需指明测试部位对制品总体外观的重要性.应在评级表中填人权重系数。7.7.3每个部位的权重系数取值为:一3,对制品总体外观非常重要;一2,对制品总体外观中等重要;-1,对制品总体外观不太重要。
得分值
7.7. 4将制品放在观测板上,待评级布面或部位的中心距地板约 1. 5 m,如图 1 所示。将合适的证体标样或标准样照放置在合适的位置,以方便对比评级(参见7.4、7.5或7,6)。7.7.5如果制品太大,例如是一件床单、棉被套、床罩或窗帘,将制品沿纵向折叠成原宽度一半。将其搭在根圆棒上(折叠成四等份),使织物长边处丁垂直方向。圆棒长度应足够容纳制品的半个宽度。将搭有大制品的圆棒系在评级板上,距地板大约1.8U1。以一种便十对比评级的方式放置标样或标准样照,以与标样相同的视平面,对凹分之一区块的整个宽度内的区域评级。以相同的方式评定所有四个四分之一区块,报告制品上每个评级部位的平均级数。8 结果的表示
对 7. 4、7. 5 和 7. 6 中的每-个评定项目,将 3 个观测者对一组 3 个试样所得到的 9 个观测值进行平均。报告3个平均值,至接近的半级。a)选项1:使用加权系数。
将评级表(表2)中赋予每个部位的权重系数求和,然后乘以5,即为该制品所能够达到的最大分数。将每个部位的平均级数乘以各自被赋予的权重系数,并将全部乘积相加,得到该制品的实际分数,以实际分数除以最大分数,再乘以100,得到每个制品外观平整度、褶涧外观、接缝外观的自分比值。b)选项2:使用评级表中的“平均级数”,计算并报告每个制品的每个评定部位的平均级数。9试验报告
试验报告应包括下述内:
a)标准编号,即GB/T19980--2005:b)样品捕述;
按GB/T8629的规定,所使用的洗漆和十燥程序;6
所使用的洗涤和干燥循环周期数;根据第8章a)计算的数值;
根据第8章b)计算的平均级数:
如果产品在洗涤中发生了磨损,注明磨损位置和数量;任何偏离本规定方法的细节。
GB/T 19980-—2005
GB/T199802005
参考文献
[1]G13/T13769—1992纺织品
耐久压烫织物经家庭洗涤和干燥后外规的评定方法L21GB/T13770J592
纺织品耐久压烫产品经家庭洗涤和十燥后褶皱外观的评定方法[3- GB/T 13771—1992
GB/T 19980-2005
耐久压烫产品经家庭洗涤和干燥后接缝外观的评定方法纺织品
版权专有慢权必究
书号:155066:1-27441
定价:
小提示:此标准内容仅展示完整标准里的部分截取内容,若需要完整标准请到上方自行免费下载完整标准文档。
标准图片预览:





- 热门标准
- 国家标准(GB)
- GB29140-2024 纯碱单位产品能源消耗限额
- GB/T29633.4-2020 南极地名 第4部分:罗马字母拼写
- GB15193.5-2003 骨髓细胞微核试验
- GB/T15773-1995 水土保持综合治理 验收规范
- GB/T15412-1994 应用电视摄像机云台通用技术条件
- GB28129-2011 乙羧氟草醚原药
- GB/T42970-2023 半导体集成电路 视频编解码电路测试方法
- GB/T18721.4-2024 印刷技术 印前数据交换 第4部分:显示用宽色域标准彩色图像数据 [Adobe RGB (1998)/SCID]
- GB/T9771.6-2020 通信用单模光纤 第6部分:宽波长段 光传输用非零色散单模光纤特性
- GB5237.3-2008 铝合金建筑型材 第3部分:电泳涂漆型材
- GB/T10599-1998 多绳摩擦式提升机
- GB3302-1982 日用陶瓷器验收、包装、标志、运输、储存规则
- GB/T30007-2022 船舶和海上技术 通过分析测速试航数据以确定速度和功率性能的评估导则
- GB30530-2024 二甲基硅氧烷单位产品能源消耗限额
- GB/T39249-2020 橡胶和塑料软管及非增强软管织物增强型 低温压扁试验
- 行业新闻
请牢记:“bzxz.net”即是“标准下载”四个汉字汉语拼音首字母与国际顶级域名“.net”的组合。 ©2025 标准下载网 www.bzxz.net 本站邮件:bzxznet@163.com
网站备案号:湘ICP备2025141790号-2
网站备案号:湘ICP备2025141790号-2