- 您的位置:
- 标准下载网 >>
- 标准分类 >>
- 农业行业标准(NY) >>
- NY/T 363-1999 种子除芒机试验鉴定方法
标准号:
NY/T 363-1999
标准名称:
种子除芒机试验鉴定方法
标准类别:
农业行业标准(NY)
标准状态:
现行-
发布日期:
1999-05-06 -
实施日期:
1999-07-01 出版语种:
简体中文下载格式:
.rar.pdf下载大小:
374.15 KB
中标分类号:
农业、林业>>农、林机械与设备>>B90农、林机械与设备
点击下载
标准简介:
标准下载解压密码:www.bzxz.net
本标准规定了种子除芒机的技术参数、质量指标、试验方法和检验规则。本标准适用于种子除芒机试验鉴定及产品质量监督检验。 NY/T 363-1999 种子除芒机试验鉴定方法 NY/T363-1999
部分标准内容:
备案号:2882—1999
中华人民共和国农业行业标准
NY/T 363-- 1999
种子除芒机试验鉴定方法
Testing and qualification method for seed awner1999-05-06发布
中华人民共和国农业部 发布
1999-07-01实施
NY/T 363—1999
引用标准
整机技术参数测定
质量指标
试验方法
检验规则
附录A(标准的附录)
附录B(标准的附录)
附录C(提示的附录)
试验检测记录表
试验用仪器设备
各种鉴定需要被检单位提供的技术文件3
NY/T363—1999
本标准是根据“种子工程”任务的总体规划,针对提高种子机械产品质量和统一试验鉴定方法而制定的。
本标准的编写内容参照JB5158一1991《牧草种子除芒机技术条件》。本标准的附录A、附录B为标准的附录本标准的附录C为提示的附录
本标准由全国农业机械标准化技术委员会农业机械化分技术委员会提出并归口。本标准起草单位:湖南省农业机械鉴定站。本标准起草人:吴文科、陈士新、邓实承。1范围
中华人民共和国农业行业标准
种子除芒机试验鉴定方法
Testing and qualification method for seed awner本标准规定了种子除芒机的技术参数、质量指标、试验方法和检验规则。本标准适用于种子除芒机试验鉴定及产品质量监督检验。2 引用标准
NY/T 363-- 1999
下列标准所包含的条文,通过在本标准中引用而构成为本标准的条文。本标准出版时,所示版本均为有效。所有标准都会被修订,使用本标准的各方应探讨使用下列标准最新版本的可能性。GB/T2828一1987逐批检查计数抽样程序及抽样表(适用于连续批的检套)GB4404.1~4404.2—1996粮食作物种子GB10395.1一1989农林拖拉机和机械安全技术要求第一部分:总则GB10396—1989农林拖拉机和机械安全标志GB/T13306—1991标牌
JB/T5673—1991农林拖拉机及机具涂漆通用技术条件
3整机技术参数测定
性能试验前应测定样机的主要技术参数,测定在平整的混凝土或硬质地面上进行,结果记入附录A表A1中。
4质量指标
4.1种子除芒机产品应按经规定程序批准的图样及技术文件制造,并符合有关标准要求。4.2种子除芒机产品质量按其技术水平和质量水平分为合格品、一一等品、优等品。4.3质量等级指标
4.3.1主要性能指标见表1。
表1主要性能指标
生产率.kg/h
破损率,%
除芒率,%
指标名称
除芒后种子净度
除芒后种子温度,℃
中华人民共和国农业部1999-D5-06批准合格品
指标值
≥设计值(规定值)
粮食种子三级以上
优等品
1999-07-01实施
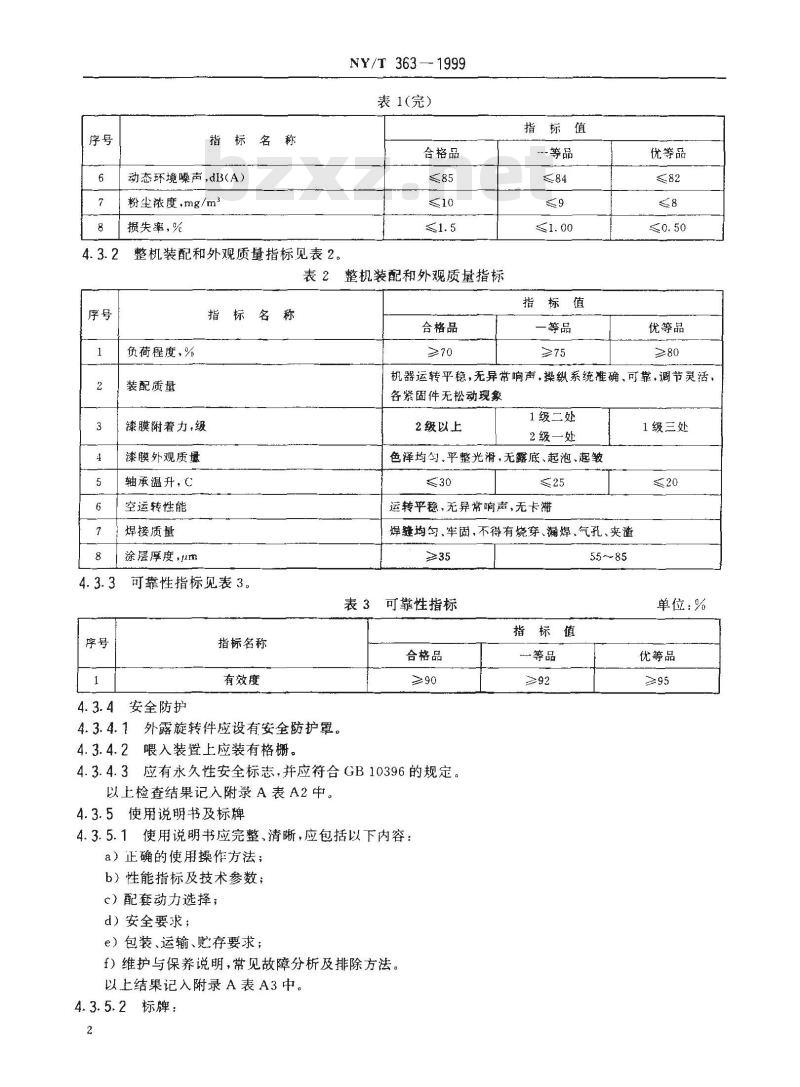
指标名称
动态环境噪声,dB(A)
粉尘浓度,mg/m3
损失率,%
整机装配和外观质量指标见表2。NY/T 363—1999
表1(完)
合格品
表2整机装配和外观质量指标
指标名称
合格品
负荷程度、%
装配质量
漆膜附着力,级
漆膜外观质量
轴承温升,C
空运转性能
焊接质量
涂层厚度μm
可靠性指标见表3。
指标名称
有效度
4.3.4安全防护
4.3.4.1外露旋转件应设有安全防护罩。4.3.4.2喂入装置上应装有格栅。70
指标值
指标值
一等品
优等品
优等品
机器运转平稳,无异常响声,操纵系统准确、可靠,调节灵活,各紧固件无松动现象
2级以上
1级二处
2级一处
色泽均匀、平整光滑,无露底、起泡、起皱30
运转平稳,无异常响声,无卡滞焊缝均匀、牢固,不得有烧穿、漏焊、气孔、夹渣>35
表3可靠性指标
合格品
4.3.4.3应有永久性安全标志,并应符合GB10396的规定。以上检查结果记入附录A表A2中。4.3.5使用说明书及标牌
4.3.5.1使用说明书应完整、清晰,应包括以下内容:a)正确的使用操作方法;
b)性能指标及技术参数;
c)配套动力选择;
d)安全要求;
e)包装、运输、贮存要求;
f)维护与保养说明,常见故障分析及排除方法。以上结果记入附录A表A3中。
4.3.5.2标牌:
指标值
一等品
1级三处
单位:%
优等品
NY/T 363--1999
a)每台种子除芒机应在明显位置上固定标牌,标牌尺寸和技术要求应符合GB/T13306的有关规b)标牌的内容应包括:制造厂名称、产品名称、型号、产品的主要技术参数、产品出厂编号、产品的生产日期。
5试验方法
5.1试验前的准备
5.1.1试验场地的选择
试验场地应选择在地面平整牢固,屋顶高度不低于3.5m,面积不少于20m,有较好的通风设备的室内,特殊情况要在室外进行试验的,风速应≤1m/s。5.1.2抽样方法
抽样方法应符合GB/T2828一次正常抽样方案,在生产厂成品库近一年内生产的10台以上整机中随机抽取样机两台,或在10套以上零部件中随机抽取两套,在销售部门或用户抽样时不受此限。5.2试验条件
5.2.1试验用仪器设备
试验用仪器(见附录B)应经过检验合格,并在校验和检定有效期内。5.2.2试验需要提供的技术文件见附录C。5.2.3样机应按使用说明书的规定进行安装并调试到正常工作状态。5.3试验用物料的要求
5.3.1试验用的粮食种子应有20%以上的种子处于带芒状态,质量均匀一致,试验前应初选去大杂和细杂,净度及含水率应达到GB4404.1~4404.2规定的3级以上粮食种子的质量水平。5.3.2试验用的种子数量应有相当于该机器额定生产率2h以上的生产量(不包括试运转所需种子)。5.3.3试验前后均应测试种子的含水率、干粒重、密度、净度、休止角、伤种率、含芒率、芒平均长度等,并将结果记入附录A表A4中。
5.4性能试验
性能试验应在满负荷状态下进行,测定中不应改变工作状态,各项指标应同时测试。且试验连续时间不应少于1h,每次取样时间为15min,取样3次。5.4.1生产率
试验时间不应少于30min,在测定时间内,从除芒机各出口接取全部物料,称其总质量,试验结果记入附录A表A5中。生产率按式(1)计算:W=Z
式中:W一小时生产率,kg/h;
Z出————出料口及其他出口接取的物料总质量,kg;出——测定时间,h。
5.4.2除芒率
样机进入正常工作状态30min后,分三次从出料口处随机取样,每次取样0.5kg。然后将三次抽取的样品混合在一起,从中取出两份,每份100g作为样本,分别清理破损种子质量P.,已除芒种子质量E,,然后按式(2)计算出除芒率C,并将结果记入附录A表A4中。带芒长度小于2mm的种子为已除芒种子。E
C(%)=× 100
式中:C—一除芒率,%;
(2)
已除芒种子质量,g。
5.4.3破损率
破损率按式(3)计算:
式中:P破碎率,%;
P,--—破损种子质量,g
5.4.4除芒后种子净度
除芒后种子净度按式(4)计算:式中:K---除芒种子净度,%;
NY/T 363-1999
P(%) =
K(%)=m×100
m净—除芒后的好种子质量(包括已除芒和未除芒种子),g;m*-
除芒前的物料质量·g。
5.4.5损失率
(3)
(4)
在测定时间内,由风机出口吹出和其他部位漏出的好种子质量占喂入物料总质量的百分比,按式(5)计算.并将结果记入附录A表A6中。S(%)=GG× 100
式中:S——
损失率,%:
Gx——风机出口吹出的好种子质量,kg;G覆一一机具其他部位漏出损失好种子质量,kg;一总喂入量,kg。
5.4.6除芒后种子温度
用点温计在出口处测定种子温度,测量三次,取其平均值。5.4.7功率测定
5.4.7.1空载功率的测定
空载运转正常后,用电功率表测定机具空载功率,并将结果记入附录A表A7中。N#=N装·7电·n传
式中:N空
空载功率,kW;
N表一-电功率表读数值,kW;
7电—-电机效率;
传-——·传动效率(取0.96)。5.4.7.2满载功率的测定
(5)
·(6)
机具在满负荷工作状况下稳定工作时,在测定生产率的同时,测定功率消耗,计算方法同5.4.7.1,并将结果记入附录A表A5中。
5.4.7.3负荷程度的测定
消耗功率与匹配额定功率之比。5.4.8粉尘浓度的测定
粉尘采集位置应在距机具1m、离地高度1.2m或产尘的呼吸带处采样,计算出粉尘浓度值(mg/m),记入附录A表A8中。
5.4.9动态环境噪声的测定
动态环境噪声应在满负荷工作时测定。声级计的传声器应放置在距被测机具表面1m、距地面高度4
NY/T 363 -1999
为1.2m处,预部測点距机具表面高度为1m,测取A计权声级,测点不少于5个,取其最大值,结果记入附录A表A9中。
5.5装配及外观质量测定
5.5.1用扭矩扳手检验关键部位螺纹紧固力矩值,20%以上的螺纹扭矩值达不到标准值8级要求的,此项为不合格。
5.5.2机具装配调试完毕后,空运转10min,检查机具有无异常声响和卡滞现象。5.5.3涂漆外观质量及涂漆附着力应符合JB/T5673规定的普通耐候涂层的要求。5.5.4轴承温升的测定
试验前先用点温计测取轴承处温度,满负荷正常运转1h后,再用点温计测定其轴承处温度,其温升应符合表2的规定。
以上试验结果记入附录A表A10中。5.6可靠性试验
可靠性试验时间每台不应少于200h,可靠性指标用有效度A值衡量,按式(7)计算,生产试验过程记录记入附录A表A11中,计算结果记入附录A表A12中。Zt
+× 100
A(%) =
式中:A—一有效率,%;
Zti被试种子除芒机动力工作时间之和,h;Zt,被试种子除芒机故障排除和修复时间之和,h。Zt,只计算致命故障、严重故障和一般故障。致命故障:导致功能完全丧失或造成重大经济损失的故障。严重故障:导致功能严重下降,主要零部件损坏等故障。一般故障:造成功能下降,一般零部件损坏,关键部位脱焊等。6检验规则
6.1除芒机应符合GB/T2828规定的计数抽样检查程序原则,并按表4所列不合格项目分类和表5抽样方案检查判定。
6.2不合格分类
被检项目凡低于本标准第4章质量指标值的均称不合格项目,按其对产品质量的影响程度,分为A、B、C三类,检验项目见表4。表 4不合格分类
除芒率
安全性能
动态环境噪声
有效度
使用说明书
生产率
除芒后种子温度
破摄率
粉尘浓度
负荷程度
关键部位螺纹紧固
焊接质量
6.3判定规则
损失率
除芒后种子净度
装配质量
漆膜附着力
涂漆外观质量
轴承温升
空运转性能
涂层厚度
NY/T3631999
表4(完)
6.3.1采用逐项考核,按类判定,以不合格分类表格中各组达到的最低等级为产品等级。6.3.2抽样检验方案见表5,表中AQL为质量合格水平,Ac为合格判定数,Re为不合格判定数。表5抽样检验方案
不合格分类
样本大小,n
项目数
检查水平
合格品
一等品
优等品
机器名称型号:
外形尺寸
(长×宽×高)
整机质量
额定生产率
除芒齿齿数
排列型式
滚簡直径
滚簡长度
滚简空转转速
配套动力
测定人:
机器型号:
样机编号:
NY/T3631999
附录A
(标准的附录)
试验检测记录表
整机技术参数测定记录表
生产企业:
设计值
记录人:
表A2安全检查记录表
试验地点:
运动件设计应安全合理,传动联结牢靠,不得在作业中松动对操作人员有可能造成危险的外露回转件应安装可靠的防护装置
使用说明书应规定安全操作的方法,确保工作人员作业时没有危险
对操作人员有危害(险)处,在明显部位应安装安全警示标志,标志符合GB10396的规定
记录人:
测定人:
实测值
检查结
机器名称型号:
NY/T 363—1999
表A3使用说明书审查记录表
生产厂,
主要技术规格及配套动力的选择正确安装、使用操作的指导性说明安全使用要求
正确调整的方法及调整数据
维护与保养的说明
常见故障原因及排除方法
产品“三包”内容
审查人:
机器型号:
样机编号:
干粒重
平均值
含水率
平均值
平均值
样品量
好种子量
平均值
休止角
平均值
样品量
伤种量
伤种率
平均值
样品量
带芒种子量
含芒率
平均值
芒长度
平均值
测定人:
校核人,
表A4试验前后种子条件测定记录试验地点:
审查结果
种子名称
检测结果
试验前
记录人:
试验后
机器型号:
样机编号:
作业开始时间wwW.bzxz.Net
作业终止时间
作业时间
主排料口
其余排料口
排出物料总质量
电度表开始读数
电度表终止读数
耗电量
纯工作小时生产率
千瓦小时生产率
测定人:
机器型号:
·样机编号:
总喂入量
风机口吹出好种子量
漏出好种子量
损失好种子总量
损失率
损失率平均值
测定人:
NY/T 363-1999
表A5生产率测定记录表
试验地点:
h(min)
h(min)
kg/(kw·h)
记录人:
表A6损失率测定记录表
试验地点:
记录人:
种子名称:
种子名称:
定结果
小提示:此标准内容仅展示完整标准里的部分截取内容,若需要完整标准请到上方自行免费下载完整标准文档。
中华人民共和国农业行业标准
NY/T 363-- 1999
种子除芒机试验鉴定方法
Testing and qualification method for seed awner1999-05-06发布
中华人民共和国农业部 发布
1999-07-01实施
NY/T 363—1999
引用标准
整机技术参数测定
质量指标
试验方法
检验规则
附录A(标准的附录)
附录B(标准的附录)
附录C(提示的附录)
试验检测记录表
试验用仪器设备
各种鉴定需要被检单位提供的技术文件3
NY/T363—1999
本标准是根据“种子工程”任务的总体规划,针对提高种子机械产品质量和统一试验鉴定方法而制定的。
本标准的编写内容参照JB5158一1991《牧草种子除芒机技术条件》。本标准的附录A、附录B为标准的附录本标准的附录C为提示的附录
本标准由全国农业机械标准化技术委员会农业机械化分技术委员会提出并归口。本标准起草单位:湖南省农业机械鉴定站。本标准起草人:吴文科、陈士新、邓实承。1范围
中华人民共和国农业行业标准
种子除芒机试验鉴定方法
Testing and qualification method for seed awner本标准规定了种子除芒机的技术参数、质量指标、试验方法和检验规则。本标准适用于种子除芒机试验鉴定及产品质量监督检验。2 引用标准
NY/T 363-- 1999
下列标准所包含的条文,通过在本标准中引用而构成为本标准的条文。本标准出版时,所示版本均为有效。所有标准都会被修订,使用本标准的各方应探讨使用下列标准最新版本的可能性。GB/T2828一1987逐批检查计数抽样程序及抽样表(适用于连续批的检套)GB4404.1~4404.2—1996粮食作物种子GB10395.1一1989农林拖拉机和机械安全技术要求第一部分:总则GB10396—1989农林拖拉机和机械安全标志GB/T13306—1991标牌
JB/T5673—1991农林拖拉机及机具涂漆通用技术条件
3整机技术参数测定
性能试验前应测定样机的主要技术参数,测定在平整的混凝土或硬质地面上进行,结果记入附录A表A1中。
4质量指标
4.1种子除芒机产品应按经规定程序批准的图样及技术文件制造,并符合有关标准要求。4.2种子除芒机产品质量按其技术水平和质量水平分为合格品、一一等品、优等品。4.3质量等级指标
4.3.1主要性能指标见表1。
表1主要性能指标
生产率.kg/h
破损率,%
除芒率,%
指标名称
除芒后种子净度
除芒后种子温度,℃
中华人民共和国农业部1999-D5-06批准合格品
指标值
≥设计值(规定值)
粮食种子三级以上
优等品
1999-07-01实施
指标名称
动态环境噪声,dB(A)
粉尘浓度,mg/m3
损失率,%
整机装配和外观质量指标见表2。NY/T 363—1999
表1(完)
合格品
表2整机装配和外观质量指标
指标名称
合格品
负荷程度、%
装配质量
漆膜附着力,级
漆膜外观质量
轴承温升,C
空运转性能
焊接质量
涂层厚度μm
可靠性指标见表3。
指标名称
有效度
4.3.4安全防护
4.3.4.1外露旋转件应设有安全防护罩。4.3.4.2喂入装置上应装有格栅。70
指标值
指标值
一等品
优等品
优等品
机器运转平稳,无异常响声,操纵系统准确、可靠,调节灵活,各紧固件无松动现象
2级以上
1级二处
2级一处
色泽均匀、平整光滑,无露底、起泡、起皱30
运转平稳,无异常响声,无卡滞焊缝均匀、牢固,不得有烧穿、漏焊、气孔、夹渣>35
表3可靠性指标
合格品
4.3.4.3应有永久性安全标志,并应符合GB10396的规定。以上检查结果记入附录A表A2中。4.3.5使用说明书及标牌
4.3.5.1使用说明书应完整、清晰,应包括以下内容:a)正确的使用操作方法;
b)性能指标及技术参数;
c)配套动力选择;
d)安全要求;
e)包装、运输、贮存要求;
f)维护与保养说明,常见故障分析及排除方法。以上结果记入附录A表A3中。
4.3.5.2标牌:
指标值
一等品
1级三处
单位:%
优等品
NY/T 363--1999
a)每台种子除芒机应在明显位置上固定标牌,标牌尺寸和技术要求应符合GB/T13306的有关规b)标牌的内容应包括:制造厂名称、产品名称、型号、产品的主要技术参数、产品出厂编号、产品的生产日期。
5试验方法
5.1试验前的准备
5.1.1试验场地的选择
试验场地应选择在地面平整牢固,屋顶高度不低于3.5m,面积不少于20m,有较好的通风设备的室内,特殊情况要在室外进行试验的,风速应≤1m/s。5.1.2抽样方法
抽样方法应符合GB/T2828一次正常抽样方案,在生产厂成品库近一年内生产的10台以上整机中随机抽取样机两台,或在10套以上零部件中随机抽取两套,在销售部门或用户抽样时不受此限。5.2试验条件
5.2.1试验用仪器设备
试验用仪器(见附录B)应经过检验合格,并在校验和检定有效期内。5.2.2试验需要提供的技术文件见附录C。5.2.3样机应按使用说明书的规定进行安装并调试到正常工作状态。5.3试验用物料的要求
5.3.1试验用的粮食种子应有20%以上的种子处于带芒状态,质量均匀一致,试验前应初选去大杂和细杂,净度及含水率应达到GB4404.1~4404.2规定的3级以上粮食种子的质量水平。5.3.2试验用的种子数量应有相当于该机器额定生产率2h以上的生产量(不包括试运转所需种子)。5.3.3试验前后均应测试种子的含水率、干粒重、密度、净度、休止角、伤种率、含芒率、芒平均长度等,并将结果记入附录A表A4中。
5.4性能试验
性能试验应在满负荷状态下进行,测定中不应改变工作状态,各项指标应同时测试。且试验连续时间不应少于1h,每次取样时间为15min,取样3次。5.4.1生产率
试验时间不应少于30min,在测定时间内,从除芒机各出口接取全部物料,称其总质量,试验结果记入附录A表A5中。生产率按式(1)计算:W=Z
式中:W一小时生产率,kg/h;
Z出————出料口及其他出口接取的物料总质量,kg;出——测定时间,h。
5.4.2除芒率
样机进入正常工作状态30min后,分三次从出料口处随机取样,每次取样0.5kg。然后将三次抽取的样品混合在一起,从中取出两份,每份100g作为样本,分别清理破损种子质量P.,已除芒种子质量E,,然后按式(2)计算出除芒率C,并将结果记入附录A表A4中。带芒长度小于2mm的种子为已除芒种子。E
C(%)=× 100
式中:C—一除芒率,%;
(2)
已除芒种子质量,g。
5.4.3破损率
破损率按式(3)计算:
式中:P破碎率,%;
P,--—破损种子质量,g
5.4.4除芒后种子净度
除芒后种子净度按式(4)计算:式中:K---除芒种子净度,%;
NY/T 363-1999
P(%) =
K(%)=m×100
m净—除芒后的好种子质量(包括已除芒和未除芒种子),g;m*-
除芒前的物料质量·g。
5.4.5损失率
(3)
(4)
在测定时间内,由风机出口吹出和其他部位漏出的好种子质量占喂入物料总质量的百分比,按式(5)计算.并将结果记入附录A表A6中。S(%)=GG× 100
式中:S——
损失率,%:
Gx——风机出口吹出的好种子质量,kg;G覆一一机具其他部位漏出损失好种子质量,kg;一总喂入量,kg。
5.4.6除芒后种子温度
用点温计在出口处测定种子温度,测量三次,取其平均值。5.4.7功率测定
5.4.7.1空载功率的测定
空载运转正常后,用电功率表测定机具空载功率,并将结果记入附录A表A7中。N#=N装·7电·n传
式中:N空
空载功率,kW;
N表一-电功率表读数值,kW;
7电—-电机效率;
传-——·传动效率(取0.96)。5.4.7.2满载功率的测定
(5)
·(6)
机具在满负荷工作状况下稳定工作时,在测定生产率的同时,测定功率消耗,计算方法同5.4.7.1,并将结果记入附录A表A5中。
5.4.7.3负荷程度的测定
消耗功率与匹配额定功率之比。5.4.8粉尘浓度的测定
粉尘采集位置应在距机具1m、离地高度1.2m或产尘的呼吸带处采样,计算出粉尘浓度值(mg/m),记入附录A表A8中。
5.4.9动态环境噪声的测定
动态环境噪声应在满负荷工作时测定。声级计的传声器应放置在距被测机具表面1m、距地面高度4
NY/T 363 -1999
为1.2m处,预部測点距机具表面高度为1m,测取A计权声级,测点不少于5个,取其最大值,结果记入附录A表A9中。
5.5装配及外观质量测定
5.5.1用扭矩扳手检验关键部位螺纹紧固力矩值,20%以上的螺纹扭矩值达不到标准值8级要求的,此项为不合格。
5.5.2机具装配调试完毕后,空运转10min,检查机具有无异常声响和卡滞现象。5.5.3涂漆外观质量及涂漆附着力应符合JB/T5673规定的普通耐候涂层的要求。5.5.4轴承温升的测定
试验前先用点温计测取轴承处温度,满负荷正常运转1h后,再用点温计测定其轴承处温度,其温升应符合表2的规定。
以上试验结果记入附录A表A10中。5.6可靠性试验
可靠性试验时间每台不应少于200h,可靠性指标用有效度A值衡量,按式(7)计算,生产试验过程记录记入附录A表A11中,计算结果记入附录A表A12中。Zt
+× 100
A(%) =
式中:A—一有效率,%;
Zti被试种子除芒机动力工作时间之和,h;Zt,被试种子除芒机故障排除和修复时间之和,h。Zt,只计算致命故障、严重故障和一般故障。致命故障:导致功能完全丧失或造成重大经济损失的故障。严重故障:导致功能严重下降,主要零部件损坏等故障。一般故障:造成功能下降,一般零部件损坏,关键部位脱焊等。6检验规则
6.1除芒机应符合GB/T2828规定的计数抽样检查程序原则,并按表4所列不合格项目分类和表5抽样方案检查判定。
6.2不合格分类
被检项目凡低于本标准第4章质量指标值的均称不合格项目,按其对产品质量的影响程度,分为A、B、C三类,检验项目见表4。表 4不合格分类
除芒率
安全性能
动态环境噪声
有效度
使用说明书
生产率
除芒后种子温度
破摄率
粉尘浓度
负荷程度
关键部位螺纹紧固
焊接质量
6.3判定规则
损失率
除芒后种子净度
装配质量
漆膜附着力
涂漆外观质量
轴承温升
空运转性能
涂层厚度
NY/T3631999
表4(完)
6.3.1采用逐项考核,按类判定,以不合格分类表格中各组达到的最低等级为产品等级。6.3.2抽样检验方案见表5,表中AQL为质量合格水平,Ac为合格判定数,Re为不合格判定数。表5抽样检验方案
不合格分类
样本大小,n
项目数
检查水平
合格品
一等品
优等品
机器名称型号:
外形尺寸
(长×宽×高)
整机质量
额定生产率
除芒齿齿数
排列型式
滚簡直径
滚簡长度
滚简空转转速
配套动力
测定人:
机器型号:
样机编号:
NY/T3631999
附录A
(标准的附录)
试验检测记录表
整机技术参数测定记录表
生产企业:
设计值
记录人:
表A2安全检查记录表
试验地点:
运动件设计应安全合理,传动联结牢靠,不得在作业中松动对操作人员有可能造成危险的外露回转件应安装可靠的防护装置
使用说明书应规定安全操作的方法,确保工作人员作业时没有危险
对操作人员有危害(险)处,在明显部位应安装安全警示标志,标志符合GB10396的规定
记录人:
测定人:
实测值
检查结
机器名称型号:
NY/T 363—1999
表A3使用说明书审查记录表
生产厂,
主要技术规格及配套动力的选择正确安装、使用操作的指导性说明安全使用要求
正确调整的方法及调整数据
维护与保养的说明
常见故障原因及排除方法
产品“三包”内容
审查人:
机器型号:
样机编号:
干粒重
平均值
含水率
平均值
平均值
样品量
好种子量
平均值
休止角
平均值
样品量
伤种量
伤种率
平均值
样品量
带芒种子量
含芒率
平均值
芒长度
平均值
测定人:
校核人,
表A4试验前后种子条件测定记录试验地点:
审查结果
种子名称
检测结果
试验前
记录人:
试验后
机器型号:
样机编号:
作业开始时间wwW.bzxz.Net
作业终止时间
作业时间
主排料口
其余排料口
排出物料总质量
电度表开始读数
电度表终止读数
耗电量
纯工作小时生产率
千瓦小时生产率
测定人:
机器型号:
·样机编号:
总喂入量
风机口吹出好种子量
漏出好种子量
损失好种子总量
损失率
损失率平均值
测定人:
NY/T 363-1999
表A5生产率测定记录表
试验地点:
h(min)
h(min)
kg/(kw·h)
记录人:
表A6损失率测定记录表
试验地点:
记录人:
种子名称:
种子名称:
定结果
小提示:此标准内容仅展示完整标准里的部分截取内容,若需要完整标准请到上方自行免费下载完整标准文档。
标准图片预览:





- 其它标准
- 热门标准
- 农业行业标准(NY)
- NY/T5295-2004 无公害食品 产地环境评价准则
- NY/T2518-2013 植物新品种特异性、一致性和稳定性测试指南 木瓜属
- NY/T2669-2014 热带作物品种审定规范 木薯
- NY/T598-2002 食用绿豆
- NY5086-2002 无公害食品 鲜食葡萄
- NY5255-2004 无公害食品火龙果
- NY/T797-2004 硅肥
- NY/T1858.2-2010 番茄主要病害抗病性鉴定技术规程 第2部分:番茄抗叶霉病鉴定技术规程
- NY/T1153.4-2013 农药登记用白蚁防治剂药效试验方法及评价 第4部分农药木材处理预防白蚁
- NY/T2537-2014 农村土地承包经营权调查规程
- NY469-2001 葡萄苗木
- NY/T456-2001 茉莉花茶
- NY317-1997 鹿副产品
- NY/T517-2002 青香蕉
- NY5332-2006 无公害食品大田作物产地环境条件
- 行业新闻
请牢记:“bzxz.net”即是“标准下载”四个汉字汉语拼音首字母与国际顶级域名“.net”的组合。 ©2025 标准下载网 www.bzxz.net 本站邮件:bzxznet@163.com
网站备案号:湘ICP备2025141790号-2
网站备案号:湘ICP备2025141790号-2