- 您的位置:
- 标准下载网 >>
- 标准分类 >>
- 其他行业标准 >>
- Q/CNPC 17-1999 乙烯系统劳动定员
标准号:
Q/CNPC 17-1999
标准名称:
乙烯系统劳动定员
标准类别:
其他行业标准
标准状态:
现行-
实施日期:
2003-07-01 出版语种:
简体中文下载格式:
.rar.pdf下载大小:
16.59 MB
部分标准内容:
Q/CNPC
中国石油天然气集团公司企业标准Q/CNPC 17—-1999
乙烯系统劳动定员
1999-09-02发布
中国石油天然气集团公司
1999-12-01实施
Q/CNPC17--1999
乙烯生产装置定员
乙烯辅助生产装置定员.
贮运系统定员
化验系统定员
设备维护检修系统定员
管理人员定员
8乙烯系统配套定员
附录A(提示的附录)
乙烯系统配套定员计算示例
Q/CNPC17—1999
为了积极推行系统操作,提高劳动生产率,以适应石化企业进入市场,参与国际竞争的需要,特制定本标准。
本标准充分考虑了标准的先进性、科学性和可操作性。本标准的附录A是提示的附录。
本标准由中国石油天然气集团公司质量安全与环保部提出。本标准由石油工业劳动定员定额标准化技术委员会归口。本标准起草单位:新疆维吾尔族自治区石油管理局劳资处。本标准主要起草人徐毅冯康乐王乐夫葛亚奇田国先李新国李蓄
中国石油天然气集团公司企业标准乙烯系统劳动定员
Q/CNPC17—1999
本标准规定了乙烯生产装置、辅助生产装置、贮运系统、化验系统、设备维护检修系统、管理机关的劳动定员。
本标准适用于本集团公司的炼油化工企业。乙烯生产装置定员
艺烯装置
乙烯装置定员见表1。
表1乙烯装置定员
岗位名称
工作内容
人/班
组织本班安全生产及班组管理工作负责原料系统、燃料系统、裂解炉系统、蒸汽系统、急冷系统的室内仪表控制调节
负责原料系统、燃料系统、裂解炉系统、蒸汽系统、急冷系统的现场操作及所属设备的操作和维护组织本班生产及班组管理工作
负责压缩机系统、碱洗系统、废液处理系统、公用工程系统的室内仪表控制调节
负责压缩机系统、碱洗系统、废液处理系统、公用工程系统的现场操作及所属设备的操作和维护
负责乙炔加氢转化系统、分离系统的室内仪表控制调节负责乙炔加氢转化系统、分离系统的现场操作及所属设备的操作组织本班生产及班组管理工作
负责压缩机系统、加氢系统、精馏系统的室内仪表控制调节中国石油天然气集团公司1999-09-02批准1999-12-01实施
岗位名称
人/班
Q/CNPC 17--1999
表1(完)
工作内容
负责压缩机系统、加氢系统、精馏系统的现场操作及所属设备的操作和维护
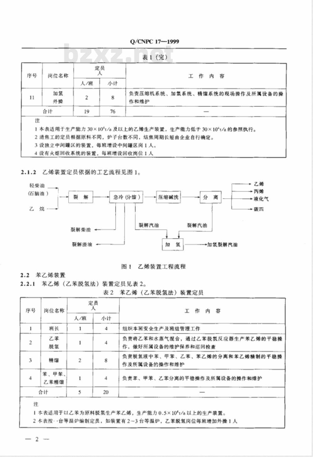
1本表适用于生产能力30×10°t/a及以上的乙烯生产装置,生产能力低于30×10°t/a的参照执行。2清焦工的定员根据原料不同,炉子台数不同,结焦周期长短由企业自行确定。3设独立中间罐区的装置,每班增设中间罐区岗1人。4设有火炬回收系统的装置,每班增设回收岗位1人2.1.2乙烯装置定员依据的工艺流程见图1。轻柴油
(石脑油)
2.2苯乙烯装置
裂解柴油
裂解渣油
急冷份分增)
压缩碱洗
裂解汽油
裂解汽油
加氢裂解汽油
乙烯装置工程流程
苯乙烯(乙苯脱氢法)装置定员见表2。表2苯乙烯(乙苯脱氢法)装置定员岗位名称
苯、甲苯、
乙苯精馅
人/班
工作内容
组织本班安全生产及班组管理工作乙烯
+丙烯
液化气
+碳四
负责将乙苯和水蒸气混合,通过乙苯脱氢反应器生产苯乙烯的平稳操作,做好所属设备的维护保养和巡回检查负责脱氢液中苯、甲苯、乙苯、苯乙烯的分离和苯乙烯精制的平稳操作及所属设备的操作和维护
负责苯、甲苯、乙苯分离的平稳操作及所属设备的操作和维护1本表适用于以乙苯为原料脱氢生产苯乙烯,生产能力0.5×10°t/a以上的生产装置。2本表按-·台等温炉编制定员,如装置有2~3台等温炉,乙苯脱氢岗位每班增加外操1人2
Q/CNPC17—1999
2.2.2苯乙烯(乙苯脱氢法)装置定员依据的工艺流程见图2。蒸
粗精馏
乙苯、苯、甲苯精馏
图2苯乙烯(乙苯脱氢法)装置工艺流程2.2.3苯乙烯(苯烃化、乙苯脱氢法)装置定员见表3。2.2.4苯乙烯(苯烃化、乙苯脱氢法)装置定员依据的工艺流程见图3。表3苯乙烯(苯烃化、乙苯脱氢法)装置定员定员
岗位名称
乙苯精
确内操
乙苯精
馏外操
乙苯脱
氢内操
乙苯脱
氢外操
苯乙烯
精馏内操
苯乙烯
精馏外操
人/班
工作内容
组织本班安全生产及班组管理工作负责烃化反应系统的室内仪表控制调节焦油残渣
苯乙烯
苯、甲苯
负资烃化反应系统、催化剂配制系统的现场操作及所属设备的操作和维护
负资乙苯精馏系统的室内仪表控制调节负资乙苯精馏系统的现场操作及所属设备的操作和维护负责乙苯脱氢系统的室内仪表控制调节负责乙苯脱氢系统、压缩机系统、氢提纯系统的现场操作及所属设备的操作和维护
负资苯乙烯精馏系统的室内仪表控制调节负责苯乙烯精馏系统的现场操作及所属设备的操作和维护注:本表适用于生产能力6×10°t/a及以上的苯烃化、乙苯脱氢生产苯乙烯装置,生产能力低于6×10*t/a的苯烃化、乙苯脱氢生产苯乙烯装置的参照执行压
催化剂
乙烯、苯
尾气吸收系统
苯乙烯产品
2.3丁二烯装置
Q/CNPC17—1999
烃化反应
冷凝系统
脱氢液油水分离罐
三级洗涤
乙苯脱氢
罐区脱氢液罐
苯乙烯、精馏
图3苯乙烯(苯烃化、乙苯脱氢法)装置工艺流程2.3.1丁烯氧化脱氢装置定员见表4。表4丁烯氧化脱氢装置定员
岗位名称
油吸收
压缩机
人/班
工作内容
组织本班安全生产及班组管理工作罐区烃化液罐
乙苯精馏
工艺水汽提系统
阻聚剂配制系统
负责脱氢反应、废热系统、水洗、水冷的操作及所属设备的操作和维护
负责反应生成气中含氧化合物的洗涤、吸收、解吸油再生操作及所属设备的操作和维护
负责反应生成气、空气压缩系统的操作及所属设备的操作和维护1本表适用于生产能力1.5×10%t/a及以上的丁烯氧化脱氢制备丁二烯的生产装置,生产能力低于1.5×10°t/a丁烯氧化脱氨制备丁二烯的生产装置参照执行2装置如有污水吹脱、烧醛工艺,每班增设污水吹脱、烧醛岗位2人2.3.2
丁二烯抽提(乙腈法)装置定员见表5。序号
岗位名称
萍取精馏内操
苯取精馏外操
人/班
Q/CNPC17—1999
丁二烯抽提(乙腈法)装置定员工作内容
组织本班安全生产及班组管理工作负责本装置的室内仪表各参数的控制调节负责本装置的现场操作及设备的维护保养1本表适用于生产能力1.5~3.5×10*t/a乙晴碳四抽提丁二烯装置,生产能力不在1.5~3.5×10*t/a范围内的乙碳四抽提丁二烯装置参照执行。2因碳四原料来源不同,需增设预分馏、丁烷丁烯萃取分离岗位的每班增加1人2.3.3丁二烯(丁烯氧化脱氢、乙睛抽提)装置定员依据的工艺流程见图4。混和碳四
丁烯萃取精馏
丁二烯精馏
乙腈回收
丁二烯萃取精馏
氧化脱氢
洗醛油吸收
丁二烯
图4丁二烯(丁烯氧化脱氢、乙腈抽提)装置工艺流程丁二烯抽提(二甲基甲酰胺法)装置定员见表6。丁二烯抽提(二甲基甲酰胺法)装置定员依据的工艺流程见图5。表6丁二烯抽提(二甲基甲酰胺法)装置定员定员
岗位名称
萃取精馏内操
苯取精馏外操
人/班
工作内容
组织本班生产及班组管理工作
负责本装置的室内仪表各参数的控制调节负责本装置的现场操作及设备的维护水
注:本表适用于生产能力4~6×10t/a二甲基酰胺法抽提丁二烯装置,生产能力不在4~6×10*/a范围内的二甲基酰胺法抽提丁二烯装置参照执行5
混和碳四
第一萃取
Q/CNPC17—1999
溶剂精制
第二辈取
停一精馏
第二精馆
图5丁二烯抽提(二甲基甲酰胺法)装置工艺流程丁二烯抽提(N一甲基吡略烷酮法)装置定员见表7。2.3.6
表7丁二烯抽提(N一甲基吡咯烷酮法)装置定员定员
岗位名称
萃取精馏内操
萃取精馏外操
人/班
工作内容
组织本斑生产及班组管理工作
负责本装置的室内仪表各参数的控制调节负责本装置的现场操作及所属设备的操作和维护丁二烯
1本表适用于生产能力2~4×10°t/a,N一甲基吡略烷酮法丁二烯抽提装置,生产能力不在2~4×10*t/a以内的参照执行。
2设独立罐区的装置,每班增设罐区岗位1人2.3.7丁二烯抽提(N一甲基吡咯烷酮法)装置定员依据的工艺流程见图6。混和碳四
主洗系统
汽提精馏
后洗系统
第一精馏
第二精馆
图6丁二烯抽提(N一甲基吡咯烷酮法)装置工艺流程2.4甲基叔丁基醚装置
2.4.1甲基叔丁基醚装置定员见表8。6
丁二烯
岗位名称
反应内操
反应外操
精馏内操
精馏外操
人/班
Q/CNPC17-1999
甲基叔丁基醚装置定员
工作内容
组织本班生产及班组管理工作
负资反应系统工艺参数的控制调节负责反应系统的现场操作及所属设备的操作和维护负责萃取、精馏系统的工艺参数的控制调节负责萃取、精馏系统的现场操作及所属设备的操作和维护1本表适用于生产能力0.5×10*t/a及以上的甲基丁基醚装置,生产能力低于0.5×10*t/a的甲基叔丁基醚装置参照执行。
每班增设罐区岗位1人
2设有罐区的装置,
甲基叔丁基醚装置定员依据的工艺流程见图7。甲醇
抽余碳四
2.5丙烯腈装置
2.5.1丙烯睛装置定员见表9。
岗位名称
人/班
甲醇回收
甲基叔丁基醚
丁烯提浓
甲基叔丁基醚装置工艺流程
丙烯睛装置定员
工作内容
组织本斑生产及班组管理工作
负责合成反应系统工艺参数的控制调节丁烯—1
+剩余碳四
负责合成反应系统的现场操作及所属设备的操作和维护负责精馏系统工艺参数的控制调节负责精馏、回效蒸发系统所属设备的操作、维护序号bZxz.net
岗位名称
人/班
Q/CNPC17—1999
表9(完)
工作内容
负责原料成品系统的现场操作及所属设备的操作和维护负责空压,丙烯制冷、氨制冷系统工艺参数的控制调节负责空压,丙烯制冷、氨制冷系统的现场操作及所属设备的操作和维护
负责楚烧、废锅、污水浓缩系统工艺参数的控制调节负责楚烧、废锅、污水浓缩系统的现场操作及所属设备的操作和维护
1本表适用于生产能力5×10*t/a及以上的丙烯随装置,生产能力5×10°t/a以下的参照执行。2本表未包括丙酮氰醇及硫氰酸钠系统2.5.2丙烯睛装置定员依据的工艺流程见图8。吸收
2.6乙二醇装置
稀硫铵
2.6.1乙二醇装置定员见表10。
回效蒸发
污水浓缩
图8丙烯装置工艺流程
脱氰精制
丙烯腈
粗乙氟
生化处理
小提示:此标准内容仅展示完整标准里的部分截取内容,若需要完整标准请到上方自行免费下载完整标准文档。
中国石油天然气集团公司企业标准Q/CNPC 17—-1999
乙烯系统劳动定员
1999-09-02发布
中国石油天然气集团公司
1999-12-01实施
Q/CNPC17--1999
乙烯生产装置定员
乙烯辅助生产装置定员.
贮运系统定员
化验系统定员
设备维护检修系统定员
管理人员定员
8乙烯系统配套定员
附录A(提示的附录)
乙烯系统配套定员计算示例
Q/CNPC17—1999
为了积极推行系统操作,提高劳动生产率,以适应石化企业进入市场,参与国际竞争的需要,特制定本标准。
本标准充分考虑了标准的先进性、科学性和可操作性。本标准的附录A是提示的附录。
本标准由中国石油天然气集团公司质量安全与环保部提出。本标准由石油工业劳动定员定额标准化技术委员会归口。本标准起草单位:新疆维吾尔族自治区石油管理局劳资处。本标准主要起草人徐毅冯康乐王乐夫葛亚奇田国先李新国李蓄
中国石油天然气集团公司企业标准乙烯系统劳动定员
Q/CNPC17—1999
本标准规定了乙烯生产装置、辅助生产装置、贮运系统、化验系统、设备维护检修系统、管理机关的劳动定员。
本标准适用于本集团公司的炼油化工企业。乙烯生产装置定员
艺烯装置
乙烯装置定员见表1。
表1乙烯装置定员
岗位名称
工作内容
人/班
组织本班安全生产及班组管理工作负责原料系统、燃料系统、裂解炉系统、蒸汽系统、急冷系统的室内仪表控制调节
负责原料系统、燃料系统、裂解炉系统、蒸汽系统、急冷系统的现场操作及所属设备的操作和维护组织本班生产及班组管理工作
负责压缩机系统、碱洗系统、废液处理系统、公用工程系统的室内仪表控制调节
负责压缩机系统、碱洗系统、废液处理系统、公用工程系统的现场操作及所属设备的操作和维护
负责乙炔加氢转化系统、分离系统的室内仪表控制调节负责乙炔加氢转化系统、分离系统的现场操作及所属设备的操作组织本班生产及班组管理工作
负责压缩机系统、加氢系统、精馏系统的室内仪表控制调节中国石油天然气集团公司1999-09-02批准1999-12-01实施
岗位名称
人/班
Q/CNPC 17--1999
表1(完)
工作内容
负责压缩机系统、加氢系统、精馏系统的现场操作及所属设备的操作和维护
1本表适用于生产能力30×10°t/a及以上的乙烯生产装置,生产能力低于30×10°t/a的参照执行。2清焦工的定员根据原料不同,炉子台数不同,结焦周期长短由企业自行确定。3设独立中间罐区的装置,每班增设中间罐区岗1人。4设有火炬回收系统的装置,每班增设回收岗位1人2.1.2乙烯装置定员依据的工艺流程见图1。轻柴油
(石脑油)
2.2苯乙烯装置
裂解柴油
裂解渣油
急冷份分增)
压缩碱洗
裂解汽油
裂解汽油
加氢裂解汽油
乙烯装置工程流程
苯乙烯(乙苯脱氢法)装置定员见表2。表2苯乙烯(乙苯脱氢法)装置定员岗位名称
苯、甲苯、
乙苯精馅
人/班
工作内容
组织本班安全生产及班组管理工作乙烯
+丙烯
液化气
+碳四
负责将乙苯和水蒸气混合,通过乙苯脱氢反应器生产苯乙烯的平稳操作,做好所属设备的维护保养和巡回检查负责脱氢液中苯、甲苯、乙苯、苯乙烯的分离和苯乙烯精制的平稳操作及所属设备的操作和维护
负责苯、甲苯、乙苯分离的平稳操作及所属设备的操作和维护1本表适用于以乙苯为原料脱氢生产苯乙烯,生产能力0.5×10°t/a以上的生产装置。2本表按-·台等温炉编制定员,如装置有2~3台等温炉,乙苯脱氢岗位每班增加外操1人2
Q/CNPC17—1999
2.2.2苯乙烯(乙苯脱氢法)装置定员依据的工艺流程见图2。蒸
粗精馏
乙苯、苯、甲苯精馏
图2苯乙烯(乙苯脱氢法)装置工艺流程2.2.3苯乙烯(苯烃化、乙苯脱氢法)装置定员见表3。2.2.4苯乙烯(苯烃化、乙苯脱氢法)装置定员依据的工艺流程见图3。表3苯乙烯(苯烃化、乙苯脱氢法)装置定员定员
岗位名称
乙苯精
确内操
乙苯精
馏外操
乙苯脱
氢内操
乙苯脱
氢外操
苯乙烯
精馏内操
苯乙烯
精馏外操
人/班
工作内容
组织本班安全生产及班组管理工作负责烃化反应系统的室内仪表控制调节焦油残渣
苯乙烯
苯、甲苯
负资烃化反应系统、催化剂配制系统的现场操作及所属设备的操作和维护
负资乙苯精馏系统的室内仪表控制调节负资乙苯精馏系统的现场操作及所属设备的操作和维护负责乙苯脱氢系统的室内仪表控制调节负责乙苯脱氢系统、压缩机系统、氢提纯系统的现场操作及所属设备的操作和维护
负资苯乙烯精馏系统的室内仪表控制调节负责苯乙烯精馏系统的现场操作及所属设备的操作和维护注:本表适用于生产能力6×10°t/a及以上的苯烃化、乙苯脱氢生产苯乙烯装置,生产能力低于6×10*t/a的苯烃化、乙苯脱氢生产苯乙烯装置的参照执行压
催化剂
乙烯、苯
尾气吸收系统
苯乙烯产品
2.3丁二烯装置
Q/CNPC17—1999
烃化反应
冷凝系统
脱氢液油水分离罐
三级洗涤
乙苯脱氢
罐区脱氢液罐
苯乙烯、精馏
图3苯乙烯(苯烃化、乙苯脱氢法)装置工艺流程2.3.1丁烯氧化脱氢装置定员见表4。表4丁烯氧化脱氢装置定员
岗位名称
油吸收
压缩机
人/班
工作内容
组织本班安全生产及班组管理工作罐区烃化液罐
乙苯精馏
工艺水汽提系统
阻聚剂配制系统
负责脱氢反应、废热系统、水洗、水冷的操作及所属设备的操作和维护
负责反应生成气中含氧化合物的洗涤、吸收、解吸油再生操作及所属设备的操作和维护
负责反应生成气、空气压缩系统的操作及所属设备的操作和维护1本表适用于生产能力1.5×10%t/a及以上的丁烯氧化脱氢制备丁二烯的生产装置,生产能力低于1.5×10°t/a丁烯氧化脱氨制备丁二烯的生产装置参照执行2装置如有污水吹脱、烧醛工艺,每班增设污水吹脱、烧醛岗位2人2.3.2
丁二烯抽提(乙腈法)装置定员见表5。序号
岗位名称
萍取精馏内操
苯取精馏外操
人/班
Q/CNPC17—1999
丁二烯抽提(乙腈法)装置定员工作内容
组织本班安全生产及班组管理工作负责本装置的室内仪表各参数的控制调节负责本装置的现场操作及设备的维护保养1本表适用于生产能力1.5~3.5×10*t/a乙晴碳四抽提丁二烯装置,生产能力不在1.5~3.5×10*t/a范围内的乙碳四抽提丁二烯装置参照执行。2因碳四原料来源不同,需增设预分馏、丁烷丁烯萃取分离岗位的每班增加1人2.3.3丁二烯(丁烯氧化脱氢、乙睛抽提)装置定员依据的工艺流程见图4。混和碳四
丁烯萃取精馏
丁二烯精馏
乙腈回收
丁二烯萃取精馏
氧化脱氢
洗醛油吸收
丁二烯
图4丁二烯(丁烯氧化脱氢、乙腈抽提)装置工艺流程丁二烯抽提(二甲基甲酰胺法)装置定员见表6。丁二烯抽提(二甲基甲酰胺法)装置定员依据的工艺流程见图5。表6丁二烯抽提(二甲基甲酰胺法)装置定员定员
岗位名称
萃取精馏内操
苯取精馏外操
人/班
工作内容
组织本班生产及班组管理工作
负责本装置的室内仪表各参数的控制调节负责本装置的现场操作及设备的维护水
注:本表适用于生产能力4~6×10t/a二甲基酰胺法抽提丁二烯装置,生产能力不在4~6×10*/a范围内的二甲基酰胺法抽提丁二烯装置参照执行5
混和碳四
第一萃取
Q/CNPC17—1999
溶剂精制
第二辈取
停一精馏
第二精馆
图5丁二烯抽提(二甲基甲酰胺法)装置工艺流程丁二烯抽提(N一甲基吡略烷酮法)装置定员见表7。2.3.6
表7丁二烯抽提(N一甲基吡咯烷酮法)装置定员定员
岗位名称
萃取精馏内操
萃取精馏外操
人/班
工作内容
组织本斑生产及班组管理工作
负责本装置的室内仪表各参数的控制调节负责本装置的现场操作及所属设备的操作和维护丁二烯
1本表适用于生产能力2~4×10°t/a,N一甲基吡略烷酮法丁二烯抽提装置,生产能力不在2~4×10*t/a以内的参照执行。
2设独立罐区的装置,每班增设罐区岗位1人2.3.7丁二烯抽提(N一甲基吡咯烷酮法)装置定员依据的工艺流程见图6。混和碳四
主洗系统
汽提精馏
后洗系统
第一精馏
第二精馆
图6丁二烯抽提(N一甲基吡咯烷酮法)装置工艺流程2.4甲基叔丁基醚装置
2.4.1甲基叔丁基醚装置定员见表8。6
丁二烯
岗位名称
反应内操
反应外操
精馏内操
精馏外操
人/班
Q/CNPC17-1999
甲基叔丁基醚装置定员
工作内容
组织本班生产及班组管理工作
负资反应系统工艺参数的控制调节负责反应系统的现场操作及所属设备的操作和维护负责萃取、精馏系统的工艺参数的控制调节负责萃取、精馏系统的现场操作及所属设备的操作和维护1本表适用于生产能力0.5×10*t/a及以上的甲基丁基醚装置,生产能力低于0.5×10*t/a的甲基叔丁基醚装置参照执行。
每班增设罐区岗位1人
2设有罐区的装置,
甲基叔丁基醚装置定员依据的工艺流程见图7。甲醇
抽余碳四
2.5丙烯腈装置
2.5.1丙烯睛装置定员见表9。
岗位名称
人/班
甲醇回收
甲基叔丁基醚
丁烯提浓
甲基叔丁基醚装置工艺流程
丙烯睛装置定员
工作内容
组织本斑生产及班组管理工作
负责合成反应系统工艺参数的控制调节丁烯—1
+剩余碳四
负责合成反应系统的现场操作及所属设备的操作和维护负责精馏系统工艺参数的控制调节负责精馏、回效蒸发系统所属设备的操作、维护序号bZxz.net
岗位名称
人/班
Q/CNPC17—1999
表9(完)
工作内容
负责原料成品系统的现场操作及所属设备的操作和维护负责空压,丙烯制冷、氨制冷系统工艺参数的控制调节负责空压,丙烯制冷、氨制冷系统的现场操作及所属设备的操作和维护
负责楚烧、废锅、污水浓缩系统工艺参数的控制调节负责楚烧、废锅、污水浓缩系统的现场操作及所属设备的操作和维护
1本表适用于生产能力5×10*t/a及以上的丙烯随装置,生产能力5×10°t/a以下的参照执行。2本表未包括丙酮氰醇及硫氰酸钠系统2.5.2丙烯睛装置定员依据的工艺流程见图8。吸收
2.6乙二醇装置
稀硫铵
2.6.1乙二醇装置定员见表10。
回效蒸发
污水浓缩
图8丙烯装置工艺流程
脱氰精制
丙烯腈
粗乙氟
生化处理
小提示:此标准内容仅展示完整标准里的部分截取内容,若需要完整标准请到上方自行免费下载完整标准文档。
标准图片预览:





- 其它标准
- 热门标准
- 其他行业标准
- FZ/T54089-2016 有色锦纶6弹力丝
- FZ/T54087-2016 粘合活化型涤纶工业长丝
- FZ/T54088-2016 锦纶6全牵伸单丝
- YS/T433-2016 银精矿
- FZ/T54082-2015 锦纶6膨体长丝(BCF)
- FZ/T62036-2017 乳胶枕、垫
- QB/T4698-2014 家用和类似用途软水机
- QB/T4207-2011 一字槽螺钉旋具头
- FZ/T61002-2019 化纤仿毛毛毯
- JB/T4212.6-2014 内六角圆柱头螺钉冷镦模 第6部分:凹模
- NB/T31048.1-2014 风力发电机用绕组线 第1部分 一般规定
- T/CMAJY047-2021 加油机在线监督管理规范
- FZ/T73022-2019 针织保暖内衣
- QB/T1999-1994 密胺塑料餐具
- FZ/T52039-2014 再生聚苯硫醚短纤维
- 行业新闻
请牢记:“bzxz.net”即是“标准下载”四个汉字汉语拼音首字母与国际顶级域名“.net”的组合。 ©2025 标准下载网 www.bzxz.net 本站邮件:bzxznet@163.com
网站备案号:湘ICP备2025141790号-2
网站备案号:湘ICP备2025141790号-2