- 您的位置:
- 标准下载网 >>
- 标准分类 >>
- 国家标准(GB) >>
- GB/T 4205-1984 控制电气设备的操作件标准运动方向
标准号:
GB/T 4205-1984
标准名称:
控制电气设备的操作件标准运动方向
标准类别:
国家标准(GB)
标准状态:
已作废-
发布日期:
1984-03-01 -
实施日期:
1984-12-01 -
作废日期:
2003-09-01 出版语种:
简体中文下载格式:
.rar.pdf下载大小:
160.25 KB
替代情况:
被GB/T 4205-2003代替采标情况:
IEC 447-1974 MOD
部分标准内容:
1引言
中华人民共和国国家标准
控制电气设备的操作件标准运动方向Standard directloms of moyement foractuators which contol the operatlonof electrical apparatus
-514(008.T)
GB 4206— 84
~IEC47- 74
1.1适用范围
本标准适用于控制电气设备的控制器件(如调节电阻器、控制器和开关等)的手动操作件,如轮、手柄、旋钮、把手、操纵杆、按钮、拉杆、拉线等。所控制的电气设备可以是一个完整的功能单元,或者是较大的电气及非电气设备组合的一个组成部分,例如电动机,电动阀门和伺服系统。对于由手之外的人体其它部位操作的操作件(如踏板),需另作规定。1.2目的
本标准的目的是使操作件的手动方向和操作后在设备上产生的最终效应之间的关系标准化,从使操作人员能预知,操作件向定方向运动后,在设备上所产生的最终效应。1.$其它
本标准等效采用IEC447出版物(1974年第一版),对IEC447的前3章的内容作了编辑性修改,将第1章(引言)中说明本标准重要性的内容删去,放在制订说明中,下的内容与第3章(目的)1并为本标准的第1.2条、第2章改为第1.1条。第4、5、6、7章相应改为第2、3、4、5章。2原则
操作件的操作与设备的最终效应各分为组1和组2两个组。两组的划分及其相互关系为:当般乡效应是一种运动时,则手动方向尽可能和设备的运动方向一致。2.1操作
可用下列一种方法完成两个相反的操作::用具有两个操作方向的一个操作件(如手轮):b,用具有单一操作方向的一组操作件(如按钮)。对于α种情况,操作的分类是基于操作方向(见表1上部分),对于b种情况,操作的分类是基于操作件的相对位置(见表1下部分)。2.2效应
操作件动作后得到的最终效应(在很多情况下是机械效应)也分成效应相反的两个组(见表2)。2.3操作与效应的相互关系
组1的操作导致组1的效应,
组2的操作导致组2的效应。
2.4停止位置
在很多情况下,操作件的某一位置对应的是停止效应,这个停止位置可以在操作件行程的一端,当操作件离开停止位置时产生组1的效应,当回到停止位置时产尘组2的效应。停止位置也可以在作件行程的中间,此时操作件从停止位暨向两个相反方向运动而产生两个相反的效应。对于一组操作件,例如-组按钮,停止按钮可以放在该组按钮的一端或中间(见图1和图2)国家标准局1984-03-19发布
1984-12-01实施
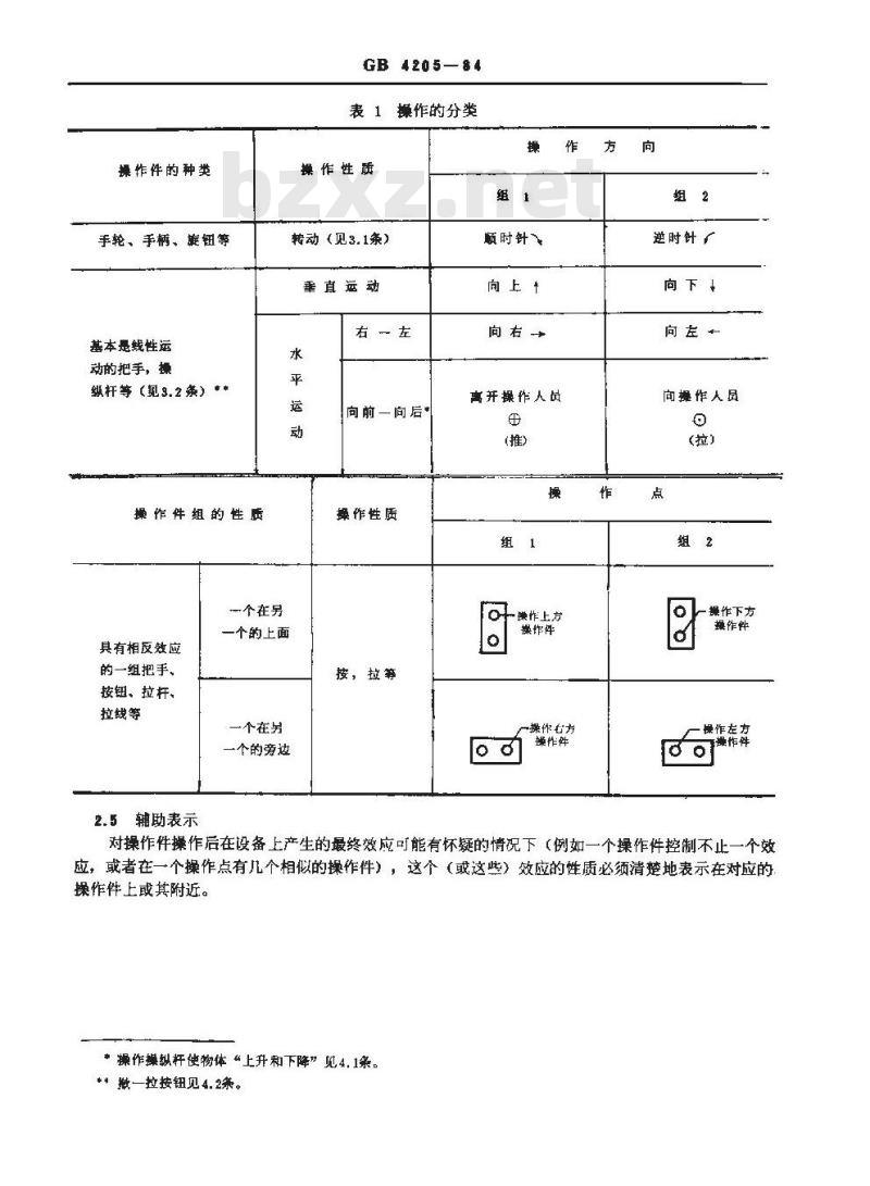
操作件的种类
手轮、手柄、旋钮等
基本是线性运
动的把手,操
纵杆等(见3.2条)**
操作件组的性质
一个在另
具有相区效应
的一组把手、
按钮、拉杆、bZxz.net
拉线等
2.5辅助表示
GB 4205—84
表1操作的分类
操作性质
转动(见3.1条)
垂直运动
右一左
一个的上面
一个在另
个的旁边
向前一向后*
操作性质
按,拉等
顺时针)
向上t
向右→
高开操作人员
(推)
一操作上方
操作件
一操作心方
操作件
逆时针「
向左←
向作人员
(拉)
操作下方
操作件
燥作左方
换作件
对操作件操作后在设备上产生的最终效应可能有怀疑的情况下(例如一个操作件控制不止一个效应,或者在一个操作点有儿个相似的操作件),这个(或这些)效应的性质必须清楚地表示在对应的操作件上或其附近。
*操作操纵杆使物体“上升和下降”见4.1条。**批一拉按钮见4.2条。
物理量《电压、电流、功率、
速度、频率、亮度、温度等》的调整件的
受控物体或车辆相对于基本
轴的运动或相对于操作者的运动gg
一低速
一停止
一高速
GB 420584
表2效应的分类
投人运行
闭合电路
向上·
问前(离开操作人员)
图1停止按钮在一端
一停止
图2停止按钮在中间
*操作操纵杆使物体“上升和下降”见4.1条。Q
退出运行
分断电路
向后(向操作人员)
一低速
+升(上)
十停证
3操作件的型式
GB 4205 -84
表3给出几种操作件的典型示例,图中的箭头表示组1的操作,并产生组1的效应(按表2)。操作方向是按人站在操作位置面向操作件来确定的。表中各图的图号位置即操作位置。3.1转动
如果旋转手柄配有角度指示,则其运动总是认作为转动(见表3的图15)。从三个基本轴的一个轴向另一个轴运动(如表3的图13),则一定认作为转动。3.2线性运动
运动基本上平行于基本轴,即相等分布于轴线两侧,允许的总角位移不过多超过120度,则认为是线性运动(如表3的图22、23、24、32、33、34、42.43和44)。角位移较小(如表3的图21、31、41和51)或者旋转操作件的外圆只有一部分是可以接触到或可以见到的,例如,有一部分在外壳内的手轮或搁在槽里的把手(如表3的图25和35),也认为该操作件是线性运动。
4特殊情况
4.1操作操纵杆使物体“上升和下降”操作操纵杆之类的操作件使物体上升和下降时,手动方向基本上是按照图3水平地向后或向前。这与表1和表2的规定相反,但很常见,并予推荐。图3
4.2欺一拉按钮
撤一拉按钮的操作方向必须相对干其安装面:益:从表面移开(即拉)是组1的操作。移向表面(即推)是组2的操作。h.
如图4所示:
注,①图中的箭头对应于组1的挪作。②为防止误操作与操作件(手柄或手轮)配合的机核闭锁器件也适用此同样规则。GB 4205—84
水运动
4.。其它情况
GB4205-84
对于表1中未包括的情况,应尽可能的参照第2章的原则例外情况
由于某些必要的原因(例如已经存在并已在实际中广泛采用,或者为了安全)不能应用这些规时,对应于操作后的效应,必须清楚地标明在操作件上或其附近本标准由中华人民共和国机械工业部提出,由机械工业部标准化研究所归口。本标准由机械工业部标准化研究所负责起草。本标准主要起草人韩进、周壁如。
小提示:此标准内容仅展示完整标准里的部分截取内容,若需要完整标准请到上方自行免费下载完整标准文档。
中华人民共和国国家标准
控制电气设备的操作件标准运动方向Standard directloms of moyement foractuators which contol the operatlonof electrical apparatus
-514(008.T)
GB 4206— 84
~IEC47- 74
1.1适用范围
本标准适用于控制电气设备的控制器件(如调节电阻器、控制器和开关等)的手动操作件,如轮、手柄、旋钮、把手、操纵杆、按钮、拉杆、拉线等。所控制的电气设备可以是一个完整的功能单元,或者是较大的电气及非电气设备组合的一个组成部分,例如电动机,电动阀门和伺服系统。对于由手之外的人体其它部位操作的操作件(如踏板),需另作规定。1.2目的
本标准的目的是使操作件的手动方向和操作后在设备上产生的最终效应之间的关系标准化,从使操作人员能预知,操作件向定方向运动后,在设备上所产生的最终效应。1.$其它
本标准等效采用IEC447出版物(1974年第一版),对IEC447的前3章的内容作了编辑性修改,将第1章(引言)中说明本标准重要性的内容删去,放在制订说明中,下的内容与第3章(目的)1并为本标准的第1.2条、第2章改为第1.1条。第4、5、6、7章相应改为第2、3、4、5章。2原则
操作件的操作与设备的最终效应各分为组1和组2两个组。两组的划分及其相互关系为:当般乡效应是一种运动时,则手动方向尽可能和设备的运动方向一致。2.1操作
可用下列一种方法完成两个相反的操作::用具有两个操作方向的一个操作件(如手轮):b,用具有单一操作方向的一组操作件(如按钮)。对于α种情况,操作的分类是基于操作方向(见表1上部分),对于b种情况,操作的分类是基于操作件的相对位置(见表1下部分)。2.2效应
操作件动作后得到的最终效应(在很多情况下是机械效应)也分成效应相反的两个组(见表2)。2.3操作与效应的相互关系
组1的操作导致组1的效应,
组2的操作导致组2的效应。
2.4停止位置
在很多情况下,操作件的某一位置对应的是停止效应,这个停止位置可以在操作件行程的一端,当操作件离开停止位置时产生组1的效应,当回到停止位置时产尘组2的效应。停止位置也可以在作件行程的中间,此时操作件从停止位暨向两个相反方向运动而产生两个相反的效应。对于一组操作件,例如-组按钮,停止按钮可以放在该组按钮的一端或中间(见图1和图2)国家标准局1984-03-19发布
1984-12-01实施
操作件的种类
手轮、手柄、旋钮等
基本是线性运
动的把手,操
纵杆等(见3.2条)**
操作件组的性质
一个在另
具有相区效应
的一组把手、
按钮、拉杆、bZxz.net
拉线等
2.5辅助表示
GB 4205—84
表1操作的分类
操作性质
转动(见3.1条)
垂直运动
右一左
一个的上面
一个在另
个的旁边
向前一向后*
操作性质
按,拉等
顺时针)
向上t
向右→
高开操作人员
(推)
一操作上方
操作件
一操作心方
操作件
逆时针「
向左←
向作人员
(拉)
操作下方
操作件
燥作左方
换作件
对操作件操作后在设备上产生的最终效应可能有怀疑的情况下(例如一个操作件控制不止一个效应,或者在一个操作点有儿个相似的操作件),这个(或这些)效应的性质必须清楚地表示在对应的操作件上或其附近。
*操作操纵杆使物体“上升和下降”见4.1条。**批一拉按钮见4.2条。
物理量《电压、电流、功率、
速度、频率、亮度、温度等》的调整件的
受控物体或车辆相对于基本
轴的运动或相对于操作者的运动gg
一低速
一停止
一高速
GB 420584
表2效应的分类
投人运行
闭合电路
向上·
问前(离开操作人员)
图1停止按钮在一端
一停止
图2停止按钮在中间
*操作操纵杆使物体“上升和下降”见4.1条。Q
退出运行
分断电路
向后(向操作人员)
一低速
+升(上)
十停证
3操作件的型式
GB 4205 -84
表3给出几种操作件的典型示例,图中的箭头表示组1的操作,并产生组1的效应(按表2)。操作方向是按人站在操作位置面向操作件来确定的。表中各图的图号位置即操作位置。3.1转动
如果旋转手柄配有角度指示,则其运动总是认作为转动(见表3的图15)。从三个基本轴的一个轴向另一个轴运动(如表3的图13),则一定认作为转动。3.2线性运动
运动基本上平行于基本轴,即相等分布于轴线两侧,允许的总角位移不过多超过120度,则认为是线性运动(如表3的图22、23、24、32、33、34、42.43和44)。角位移较小(如表3的图21、31、41和51)或者旋转操作件的外圆只有一部分是可以接触到或可以见到的,例如,有一部分在外壳内的手轮或搁在槽里的把手(如表3的图25和35),也认为该操作件是线性运动。
4特殊情况
4.1操作操纵杆使物体“上升和下降”操作操纵杆之类的操作件使物体上升和下降时,手动方向基本上是按照图3水平地向后或向前。这与表1和表2的规定相反,但很常见,并予推荐。图3
4.2欺一拉按钮
撤一拉按钮的操作方向必须相对干其安装面:益:从表面移开(即拉)是组1的操作。移向表面(即推)是组2的操作。h.
如图4所示:
注,①图中的箭头对应于组1的挪作。②为防止误操作与操作件(手柄或手轮)配合的机核闭锁器件也适用此同样规则。GB 4205—84
水运动
4.。其它情况
GB4205-84
对于表1中未包括的情况,应尽可能的参照第2章的原则例外情况
由于某些必要的原因(例如已经存在并已在实际中广泛采用,或者为了安全)不能应用这些规时,对应于操作后的效应,必须清楚地标明在操作件上或其附近本标准由中华人民共和国机械工业部提出,由机械工业部标准化研究所归口。本标准由机械工业部标准化研究所负责起草。本标准主要起草人韩进、周壁如。
小提示:此标准内容仅展示完整标准里的部分截取内容,若需要完整标准请到上方自行免费下载完整标准文档。
标准图片预览:





- 热门标准
- 国家标准(GB)
- GB/T30917—2014 /ISo 29941:2010 天然胶乳橡胶避孕套中可迁移亚硝胺的测定
- GB/T12777-1999 金属波纹管膨胀节通用技术条件
- GB15193.5-2003 骨髓细胞微核试验
- GB/T29633.4-2020 南极地名 第4部分:罗马字母拼写
- GB/T43225-2023 空间物体登记要求
- GB4706.3-1986 家用和类似用途电器的安全食物搅碎器及类似用途电器的特殊要求
- GB15985-1995 丝虫病诊断标准及处理原则
- GB19159-2003 车用液化石油气
- GB/T7407-1997 中国及世界主要海运贸易港口代码
- GB1913.2-1990 漂白浸渍绝缘纸
- GB14287.4-2014 电气火灾监控系统 第4部分:故障电弧探测器
- GB5237.3-2008 铝合金建筑型材 第3部分:电泳涂漆型材
- GB/T39964-2021 造纸行业能源管理体系实施指南
- GB/T9771.6-2020 通信用单模光纤 第6部分:宽波长段 光传输用非零色散单模光纤特性
- GB/T43929-2024 空间用纤维光学器件测试指南
- 行业新闻
请牢记:“bzxz.net”即是“标准下载”四个汉字汉语拼音首字母与国际顶级域名“.net”的组合。 ©2025 标准下载网 www.bzxz.net 本站邮件:bzxznet@163.com
网站备案号:湘ICP备2025141790号-2
网站备案号:湘ICP备2025141790号-2