- 您的位置:
- 标准下载网 >>
- 标准分类 >>
- 国家标准(GB) >>
- GB 8069-1987 位置量规
标准号:
GB 8069-1987
标准名称:
位置量规
标准类别:
国家标准(GB)
标准状态:
已作废-
实施日期:
1988-07-01 出版语种:
简体中文下载格式:
.rar.pdf下载大小:
1.00 MB
替代情况:
被GB/T 8069-1998代替
部分标准内容:
中华人民共和国国家标准
Position gauge
UDC 621.753.3
GB 8069-87
本标准适用于按GB1182~1184-80《形状和位置公差》,GB4249--84《公差原则》所规定的被测要素遵守相关原则(最大实体原则、包容原则)的平行度、垂直度、倾斜度、轴度,对称度和位置度的量规,简称位置量规。
注:本标准的设计原则也适用于遵守相关原则的直线度量规。本标准引用的标准:
GB1182--80《形状和位置公差
代号及其注法》
GB1183-80《形状和位置公差
术语及定义》
GB1184—80《形状和位置公差
GB1958-80《形状和位置公差
GB4249-84《公差原则》
未注公差的规定》
检测规定》
GB1800—79《公差与配合总论标准公差与基本偏差》1术语、定义及代号
1.1术语及定义
1.1.1位置量规:检验零件关联被测要素的实际轮廓是否超越规定边界(最大实体边界战实效边界)的量规。边界的方向由基准确定,位置由基准和理论止确尺寸确定。1.1.2位置量规工作部位(简称工作部位):位置量规测量部位、定位部位和导向部位的统称。a.位置量规测量部位(简称测量部位):位置量规上用于检验零件被测要素的部位。b。位置量规定位部位(简称定位部位):位置量规上用于模拟体现零件基准的部位。c,位置量规导向部位(简称导向部位):位置量规上便」零件定位或测量所设置的导部位。1.1.3位置量规基本尺寸:计算位置量规1作部位尺寸的起始尺寸。1.1.4位置量规基本偏差:用于确定测量部位或定位部位尺寸公差带对于相应部位基本尺寸位置的那个极限偏差。当测量部位或定位部位为外表面时是上偏差,为内表面时是下偏差。1.1.5综合公差:被测要素(或基准要素)本身的位置公差(或形位公差)与其尺小公差之和。1.1.6分别检验:用不同位置量规分别检验被测要素的位置公差与其基准要素木身的形位公差和(或)尺寸公差的方法。
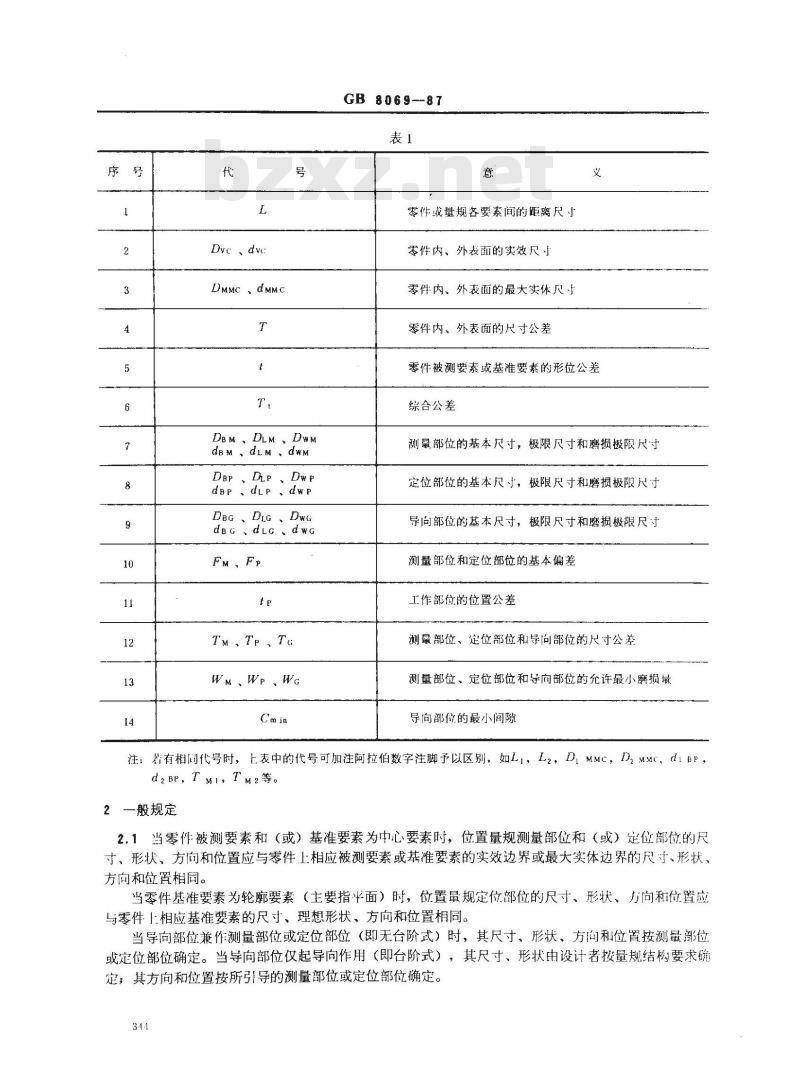
1.1.7同时检验:在同基准体系的条件下用同一位置量规检验被测要素的位置公差亏其基准数素本身的形位公差和(或)尺寸公差的方法。1.2代号及其意义见表1。
国家标准局1987-07—14批准
19880701实施
Dvc 、dv:
DMMC 、dMMC
DBM.DLM.DwM
dBM dLMdwM
DeP、DLP、DwP
dpdp、dwp
DBG、DLG、DwG
dBGdLG.dWG
FM、Fp
TM、TP、T
Wm、Wp、WG
GB 8069--87
零件或量规各要素间的距离尺小零件内、外表面的实效尺寸
零件内、外表面的最大实体尺于零件内、外表面的尺寸公差
零件被测婴素或基准要素的形位公差综合公差
测量部位的基本尺寸,极限尺寸和磨损极限尺寸定位部位的基本尺于,极限尺寸和磨损极限尺寸导向部位的基本尺寸,极限尺寸和磨损极限尺寸测量部位和定位部位的基本偏差工作部位的位置公差
测量部位、定位部位和导向部位的尺寸公差测量部位、定位部位和导向部位的允许最小魔损最导向部位的最小间隙
注:若有相间代号时,t表中的代号可加注阿拉伯数字注脚予以区别,如L,,L2,D,MMc,DzMMc,diBP,d2BP,T M1,TM2等。
2—般规定
2.1当零件被测要素和(或)基准要素为中心要素时,位置量规测量部位和(或)定位部位的尺寸、形状、方向和位置应与零件上相应被测要素或基准要素的实效边界或最大实体边界的尺寸、形状,方向和位置相同。
当零件基准要素为轮廓要素(主要指平面)时,位置量规定位部位的尺寸、形状、方向和位置应与零件上相应基准要素的尺寸、理想形状、方向和位置相同。当导向部位兼作测量部位或定位部位(即无台阶式)时,其尺寸、形状、方向和位置按测量部位或定位部位确定。当导向部位仅起导向作用(即台阶式),其尺寸、形状由设计者按量规结构要求确定,其方向和位置按所引导的测量部位或定位部位确定。314
GB8069—87
2.2本标准规定的数值是以标准测量条件为准,即:温度为20℃,测量力为零。2.3“般情况下,在被测要素和基准要素的尺寸(如孔和轴的直径、槽和凸台的宽度等)检验合格后,冉使用位置量规检验。
当关联被测要素遵守包容原则(中0或0)时,应该用位置量规代替光滑极限量规的通规。当单-一基准要素遵守包容原则(),且与被测要素同时检验时,可用位置量规代替光滑极限量规通规。
当关联基准要素的位置公差与其尺寸公差遵守包容原则(Φ0M或0(),H被测要素同时检验时,可用位置量规代替光滑极限量规通规。若位置量规能自由通过,则表示被测的实际轮廓未超越规定边界。2.4检验零件时,操作者应使用新的或磨损较少的位置量规,检验者应使用与操作者相同型式磨损较多的位置量规,用户代表应使用接近磨损极限的位置量规。当用符合本标准相同型式的位置量规检验有争议时,只要其中任位置量规检验合格,为合格。3位置量规公差
3.1位置量规公差带图
3.1.1分别检验时,定位部位的公差带图见图1基准要素为外表面
遵守包容原则
遵守最大实体原则
基准要素为内表面
GB8069—87
3.1.2同时检验时,定位部位的公差带图见图2。基准要素为外表断
遵子包容原则
遵守最大实休原则
中EetI
基准要素为内南
3.1.3测量部位的公差带图见图3被测要素为外表而
GB8069-87
遵守最大实体原则
遵守包容原则
被测要素为内表面
GB8069—87
3.1.4导向部位的公差带图见图4导向部位为外表面
导向部位为内表面
无台阶式
(*M) *M
台阶式
3.2位置量规1作部位的尺寸公差,测
综合公差
允许最小
GB 8069-87
允许最小蘑损量和最小间隙的数值见表2。表2
25至40
太F40至63
大#63至100
大于100至160
大1160至250
大下250至400
大于400至630
大630年1000
大于1000至1600
大于1600至2500
磨损量
允许最小
磨损量
导向部位
允许最小
磨损最
量规台阶式测量件(或定位件)的测量部位(或定位部位)对导向部位的位置公差(间轴度,对称度)
3.3位置最规基本偏差。
3.3.1分别检验时,测量部位的基本偏差见表3。149
无基准
综合公差
截规偏差
湖定式
活动式
周定式
活动式
固定式
活动式
固定式
活动式
固定式
活动式
GB8069—87
汇:(①零件基准要素儿何特征(基准类型)符号口
一半面要素
O—中心婴素
城组中心要素
fm(Hp)
②)“基准类型”中各组符号只表示基准体系中儿何要素的组成,号基准顺序无关。3表中F仅指同时检验时定位部位的基本偏差。人于
3.3.2冏时检验时,测量部位和定位部位的基本偏差均按表3序号1或序号2查得。000
3.3.3当单基准要素或第基准要素的形状公差与其尺寸公差遵守最大实体原则或包容原则时,可与被测要素的位置公差用同一位置量规检验(亦称为同时检验)。此时,量规定位部位可代替基准要素的直线度量规或光滑极限量规通端,其基本偏差见表4。350
综贪公
基本偏差
活动式
GB 8069--87
F'p(Fm)
3.4位置鼠规1作部位为中心要素时,其轮廓的形状公差与尺寸公差应遵守包容原则。大
当定位部位为平面时,其平面度公差由设计者按量规精度在GB1184—80附表1中1~?势4主3.5位置量规1作部位的位置公差-般遵守独立原则。校对量规可按最大实体原则处理3.6位置量规未注公养尺寸的公差等级般为IT14,其公差带孔用H14,轴用h14;长度用Js14或js14。
位置量规未注形位公差按GB1184--80的B级选取。4位置量规计算公式
位置量规1作部位尺寸的计算公式见表5。表5
1.作部位为外表面
徐别检
追位部位
阿时梭验
测战部位
宁询湖饮
广阶式
龙台阶代
dBP =DmM(dP =Dvc)
dwp=drp - (7'p+Wp )
dgp DmM
(或dD)
di.p = (dhp +Fp) -1
+(dhP+Fp)
(Tp+Wp)
dBM =DMMC-1 (或dBM =DMMC )
(dbm+I'm) -7m
dwM -(dBM +Fm>-(Tm+Wm)
dB: -Dr
dl: =(dn:-Cmn)+
dwc -(de: Cmin )-(7'c +WG)
dgc = DtM min(战dB=DLP min )(d Bc: -Cmin ) -f.
-Cmin )-(TG +WG)
dw: (dBG
1作部位为内表南
DBF =dMM (或DBP -dV()
hp Daper
Dwp =Dap +(Tp +Wp)
DBP=dMMc(或DRP.
DLP (D:P -Fp)
Dw -(DRP
F)+(T
DBM =dmMC +(或DBM =dMM)
D1m - (Drm -Fm )\5
DWM - (DBM-FM)- (TM +Wu)
DBG出设计者确定
DiG- Dn; 'T
Dw = DBG +(TG +WG)
Dr -ti.M max (De ( di.P max)DiG=(Du; +Cmin )
Dw(De+Cmin)+(7)
5位置量规技术要求
GB 8069--87
5.1位置量规的作表面不应有锈迹,毛刺、黑斑,划痕、裂纹等叫显影响外观和使用质量的缺陷。其它表面不应有锈蚀和裂纹。5.2位置量规各零件的装配应正确,连接应牢固可靠,在使用过程中不应松动。5.3含工作表面的位置量规零件可用碳素工.具钢、舍金工具钢、优质低碳结构钢、低碳合金结构钢及硬质合金等材料制造:未含工作表面的量规零件:(如紧固件等)可采用优质中碳结构钢制造。5.4钢制位置量规1.作表面的硬度应为HRC58~65。5.5位置量规应经过稳定性处理。5.6位置量规工作表面的表面粗糙度Ra值不大于0.2um,非作表面的Ra值不大13.2um(用不去除材料方法获得的表面除外)。5.7
位置量规上应有代号及其它有关标志。位置量规应经防锈处理后,再妥善包装。在位置量规包装盒上应标志:
制造厂\\名或商标,
代号;
制造年、月。
位置量规应附有检验合格证。
位置量规计算示例
位置量规工作部位为中心要素时,其轮廓的形状公差与其尺寸公差应遵守包容原则。木标准计算示例中所有位置量规简图上标注的1作部位尺寸公差后均省略标注“②”。例1:垂度量规二作部位的尺寸计算。零件简图
s ao- o
量规简图
GB 8069—87
(1)量规公差:
a,根据Tt=0.05+0.1=0.15由表2查得:Tm = 0.005
WM =0.005
tp =0.008
根据T/=0.15和序号1由表3查得:FM = 0.012
(2)按公式计算量规T作部位的尺寸dB M = DMMC - t = 33.6 -0.05= 33.55dr.M =(dBM +Fm )
Tm=(33.55+0.012)
8.005 - 33.562 8.005
dwm =(dgM +Fm )-(Tm +Wm ) =(33.55 +0.012)- (0.005 +0.005 ) = 33.552例2:倾斜度量规工作部位的尺寸计算。零件简图
(1)量规公差
p 5.968.8.001
根据Tt-0.05+0.048=0.098出表2查得:WM - 0.004下载标准就来标准下载网
TG =0.0025
TM = 0.004
Cmin = 0.003
tP = 0,006
t'p=0.002
b.根据Tt=0.098和字号4由表3查得:FM = 0.018
(2)按公式计算量规工作部位的尺寸DBG=5由设计者确定
DLG =DBG+To=5 -g-0025
量规简图
Wc =0.0025
DwG =DsG +(TG +W)=5+(0.0025+0.0025)=5.005353
GB 8069—87
d = D 5
d1.c =(dB( -Cmin)- +:=(5 -0.003)-8.0025 =4.997 -0.025d wc =(dBG - Cmin ) -(7m +Wm ) =(5 --0.003 ) - (0.0025 +0.0025) - 4. 992drM = DmMc - t - 6 - 0. 05 - 5.95dLM =(d BM +Fm)+u=(5.95+0.018) -0.104 = 5.968 -B.ommtwM = (dBM + Fm ) - (Tm +Wm ) =(5.95+ 0.018) -(0.004 +0.004 ) = 5.96例3:同轴度量规1作部位的尺寸计算。第一种情沉:分别检验。
零件简图
Htnzig
pn.0a (M)
(1)最规公
定位部位根据7=0.07由表2查得:a.
Wp = 0.004
910*219
Tp = 0.004
测量部根据T=0.07+0.04=0.11由表2查得:b.
WM 0.005
t P =0.008
TM = 0.005
测载阁位根据7+-0.11和号3表3查得:C
Fm = 0.016
(2)按公式计算量规1作部位的尺寸dBP = DmMC = 15
di.p :dBP -Tr = 15 -0.004
dwp = dBP - (Tp +Wp )= 15 -(0.004 + 0.004 ) = 14.992dBM D,mMC -t =12.04 -0.04=12dt,M = (dBM +Fm)-m = (12+0.016 ).1
dwM - (dBM+Fm )- (Tm +Wm)= (12+0.016)量规简图
12.016 8.005
(0.005+0.005)-12.006
第,种情况:同时检验(定位部位代替光滑极限量规通规)。3
小提示:此标准内容仅展示完整标准里的部分截取内容,若需要完整标准请到上方自行免费下载完整标准文档。
Position gauge
UDC 621.753.3
GB 8069-87
本标准适用于按GB1182~1184-80《形状和位置公差》,GB4249--84《公差原则》所规定的被测要素遵守相关原则(最大实体原则、包容原则)的平行度、垂直度、倾斜度、轴度,对称度和位置度的量规,简称位置量规。
注:本标准的设计原则也适用于遵守相关原则的直线度量规。本标准引用的标准:
GB1182--80《形状和位置公差
代号及其注法》
GB1183-80《形状和位置公差
术语及定义》
GB1184—80《形状和位置公差
GB1958-80《形状和位置公差
GB4249-84《公差原则》
未注公差的规定》
检测规定》
GB1800—79《公差与配合总论标准公差与基本偏差》1术语、定义及代号
1.1术语及定义
1.1.1位置量规:检验零件关联被测要素的实际轮廓是否超越规定边界(最大实体边界战实效边界)的量规。边界的方向由基准确定,位置由基准和理论止确尺寸确定。1.1.2位置量规工作部位(简称工作部位):位置量规测量部位、定位部位和导向部位的统称。a.位置量规测量部位(简称测量部位):位置量规上用于检验零件被测要素的部位。b。位置量规定位部位(简称定位部位):位置量规上用于模拟体现零件基准的部位。c,位置量规导向部位(简称导向部位):位置量规上便」零件定位或测量所设置的导部位。1.1.3位置量规基本尺寸:计算位置量规1作部位尺寸的起始尺寸。1.1.4位置量规基本偏差:用于确定测量部位或定位部位尺寸公差带对于相应部位基本尺寸位置的那个极限偏差。当测量部位或定位部位为外表面时是上偏差,为内表面时是下偏差。1.1.5综合公差:被测要素(或基准要素)本身的位置公差(或形位公差)与其尺小公差之和。1.1.6分别检验:用不同位置量规分别检验被测要素的位置公差与其基准要素木身的形位公差和(或)尺寸公差的方法。
1.1.7同时检验:在同基准体系的条件下用同一位置量规检验被测要素的位置公差亏其基准数素本身的形位公差和(或)尺寸公差的方法。1.2代号及其意义见表1。
国家标准局1987-07—14批准
19880701实施
Dvc 、dv:
DMMC 、dMMC
DBM.DLM.DwM
dBM dLMdwM
DeP、DLP、DwP
dpdp、dwp
DBG、DLG、DwG
dBGdLG.dWG
FM、Fp
TM、TP、T
Wm、Wp、WG
GB 8069--87
零件或量规各要素间的距离尺小零件内、外表面的实效尺寸
零件内、外表面的最大实体尺于零件内、外表面的尺寸公差
零件被测婴素或基准要素的形位公差综合公差
测量部位的基本尺寸,极限尺寸和磨损极限尺寸定位部位的基本尺于,极限尺寸和磨损极限尺寸导向部位的基本尺寸,极限尺寸和磨损极限尺寸测量部位和定位部位的基本偏差工作部位的位置公差
测量部位、定位部位和导向部位的尺寸公差测量部位、定位部位和导向部位的允许最小魔损最导向部位的最小间隙
注:若有相间代号时,t表中的代号可加注阿拉伯数字注脚予以区别,如L,,L2,D,MMc,DzMMc,diBP,d2BP,T M1,TM2等。
2—般规定
2.1当零件被测要素和(或)基准要素为中心要素时,位置量规测量部位和(或)定位部位的尺寸、形状、方向和位置应与零件上相应被测要素或基准要素的实效边界或最大实体边界的尺寸、形状,方向和位置相同。
当零件基准要素为轮廓要素(主要指平面)时,位置量规定位部位的尺寸、形状、方向和位置应与零件上相应基准要素的尺寸、理想形状、方向和位置相同。当导向部位兼作测量部位或定位部位(即无台阶式)时,其尺寸、形状、方向和位置按测量部位或定位部位确定。当导向部位仅起导向作用(即台阶式),其尺寸、形状由设计者按量规结构要求确定,其方向和位置按所引导的测量部位或定位部位确定。314
GB8069—87
2.2本标准规定的数值是以标准测量条件为准,即:温度为20℃,测量力为零。2.3“般情况下,在被测要素和基准要素的尺寸(如孔和轴的直径、槽和凸台的宽度等)检验合格后,冉使用位置量规检验。
当关联被测要素遵守包容原则(中0或0)时,应该用位置量规代替光滑极限量规的通规。当单-一基准要素遵守包容原则(),且与被测要素同时检验时,可用位置量规代替光滑极限量规通规。
当关联基准要素的位置公差与其尺寸公差遵守包容原则(Φ0M或0(),H被测要素同时检验时,可用位置量规代替光滑极限量规通规。若位置量规能自由通过,则表示被测的实际轮廓未超越规定边界。2.4检验零件时,操作者应使用新的或磨损较少的位置量规,检验者应使用与操作者相同型式磨损较多的位置量规,用户代表应使用接近磨损极限的位置量规。当用符合本标准相同型式的位置量规检验有争议时,只要其中任位置量规检验合格,为合格。3位置量规公差
3.1位置量规公差带图
3.1.1分别检验时,定位部位的公差带图见图1基准要素为外表面
遵守包容原则
遵守最大实体原则
基准要素为内表面
GB8069—87
3.1.2同时检验时,定位部位的公差带图见图2。基准要素为外表断
遵子包容原则
遵守最大实休原则
中EetI
基准要素为内南
3.1.3测量部位的公差带图见图3被测要素为外表而
GB8069-87
遵守最大实体原则
遵守包容原则
被测要素为内表面
GB8069—87
3.1.4导向部位的公差带图见图4导向部位为外表面
导向部位为内表面
无台阶式
(*M) *M
台阶式
3.2位置量规1作部位的尺寸公差,测
综合公差
允许最小
GB 8069-87
允许最小蘑损量和最小间隙的数值见表2。表2
25至40
太F40至63
大#63至100
大于100至160
大1160至250
大下250至400
大于400至630
大630年1000
大于1000至1600
大于1600至2500
磨损量
允许最小
磨损量
导向部位
允许最小
磨损最
量规台阶式测量件(或定位件)的测量部位(或定位部位)对导向部位的位置公差(间轴度,对称度)
3.3位置最规基本偏差。
3.3.1分别检验时,测量部位的基本偏差见表3。149
无基准
综合公差
截规偏差
湖定式
活动式
周定式
活动式
固定式
活动式
固定式
活动式
固定式
活动式
GB8069—87
汇:(①零件基准要素儿何特征(基准类型)符号口
一半面要素
O—中心婴素
城组中心要素
fm(Hp)
②)“基准类型”中各组符号只表示基准体系中儿何要素的组成,号基准顺序无关。3表中F仅指同时检验时定位部位的基本偏差。人于
3.3.2冏时检验时,测量部位和定位部位的基本偏差均按表3序号1或序号2查得。000
3.3.3当单基准要素或第基准要素的形状公差与其尺寸公差遵守最大实体原则或包容原则时,可与被测要素的位置公差用同一位置量规检验(亦称为同时检验)。此时,量规定位部位可代替基准要素的直线度量规或光滑极限量规通端,其基本偏差见表4。350
综贪公
基本偏差
活动式
GB 8069--87
F'p(Fm)
3.4位置鼠规1作部位为中心要素时,其轮廓的形状公差与尺寸公差应遵守包容原则。大
当定位部位为平面时,其平面度公差由设计者按量规精度在GB1184—80附表1中1~?势4主3.5位置量规1作部位的位置公差-般遵守独立原则。校对量规可按最大实体原则处理3.6位置量规未注公养尺寸的公差等级般为IT14,其公差带孔用H14,轴用h14;长度用Js14或js14。
位置量规未注形位公差按GB1184--80的B级选取。4位置量规计算公式
位置量规1作部位尺寸的计算公式见表5。表5
1.作部位为外表面
徐别检
追位部位
阿时梭验
测战部位
宁询湖饮
广阶式
龙台阶代
dBP =DmM(dP =Dvc)
dwp=drp - (7'p+Wp )
dgp DmM
(或dD)
di.p = (dhp +Fp) -1
+(dhP+Fp)
(Tp+Wp)
dBM =DMMC-1 (或dBM =DMMC )
(dbm+I'm) -7m
dwM -(dBM +Fm>-(Tm+Wm)
dB: -Dr
dl: =(dn:-Cmn)+
dwc -(de: Cmin )-(7'c +WG)
dgc = DtM min(战dB=DLP min )(d Bc: -Cmin ) -f.
-Cmin )-(TG +WG)
dw: (dBG
1作部位为内表南
DBF =dMM (或DBP -dV()
hp Daper
Dwp =Dap +(Tp +Wp)
DBP=dMMc(或DRP.
DLP (D:P -Fp)
Dw -(DRP
F)+(T
DBM =dmMC +(或DBM =dMM)
D1m - (Drm -Fm )\5
DWM - (DBM-FM)- (TM +Wu)
DBG出设计者确定
DiG- Dn; 'T
Dw = DBG +(TG +WG)
Dr -ti.M max (De ( di.P max)DiG=(Du; +Cmin )
Dw(De+Cmin)+(7)
5位置量规技术要求
GB 8069--87
5.1位置量规的作表面不应有锈迹,毛刺、黑斑,划痕、裂纹等叫显影响外观和使用质量的缺陷。其它表面不应有锈蚀和裂纹。5.2位置量规各零件的装配应正确,连接应牢固可靠,在使用过程中不应松动。5.3含工作表面的位置量规零件可用碳素工.具钢、舍金工具钢、优质低碳结构钢、低碳合金结构钢及硬质合金等材料制造:未含工作表面的量规零件:(如紧固件等)可采用优质中碳结构钢制造。5.4钢制位置量规1.作表面的硬度应为HRC58~65。5.5位置量规应经过稳定性处理。5.6位置量规工作表面的表面粗糙度Ra值不大于0.2um,非作表面的Ra值不大13.2um(用不去除材料方法获得的表面除外)。5.7
位置量规上应有代号及其它有关标志。位置量规应经防锈处理后,再妥善包装。在位置量规包装盒上应标志:
制造厂\\名或商标,
代号;
制造年、月。
位置量规应附有检验合格证。
位置量规计算示例
位置量规工作部位为中心要素时,其轮廓的形状公差与其尺寸公差应遵守包容原则。木标准计算示例中所有位置量规简图上标注的1作部位尺寸公差后均省略标注“②”。例1:垂度量规二作部位的尺寸计算。零件简图
s ao- o
量规简图
GB 8069—87
(1)量规公差:
a,根据Tt=0.05+0.1=0.15由表2查得:Tm = 0.005
WM =0.005
tp =0.008
根据T/=0.15和序号1由表3查得:FM = 0.012
(2)按公式计算量规T作部位的尺寸dB M = DMMC - t = 33.6 -0.05= 33.55dr.M =(dBM +Fm )
Tm=(33.55+0.012)
8.005 - 33.562 8.005
dwm =(dgM +Fm )-(Tm +Wm ) =(33.55 +0.012)- (0.005 +0.005 ) = 33.552例2:倾斜度量规工作部位的尺寸计算。零件简图
(1)量规公差
p 5.968.8.001
根据Tt-0.05+0.048=0.098出表2查得:WM - 0.004下载标准就来标准下载网
TG =0.0025
TM = 0.004
Cmin = 0.003
tP = 0,006
t'p=0.002
b.根据Tt=0.098和字号4由表3查得:FM = 0.018
(2)按公式计算量规工作部位的尺寸DBG=5由设计者确定
DLG =DBG+To=5 -g-0025
量规简图
Wc =0.0025
DwG =DsG +(TG +W)=5+(0.0025+0.0025)=5.005353
GB 8069—87
d = D 5
d1.c =(dB( -Cmin)- +:=(5 -0.003)-8.0025 =4.997 -0.025d wc =(dBG - Cmin ) -(7m +Wm ) =(5 --0.003 ) - (0.0025 +0.0025) - 4. 992drM = DmMc - t - 6 - 0. 05 - 5.95dLM =(d BM +Fm)+u=(5.95+0.018) -0.104 = 5.968 -B.ommtwM = (dBM + Fm ) - (Tm +Wm ) =(5.95+ 0.018) -(0.004 +0.004 ) = 5.96例3:同轴度量规1作部位的尺寸计算。第一种情沉:分别检验。
零件简图
Htnzig
pn.0a (M)
(1)最规公
定位部位根据7=0.07由表2查得:a.
Wp = 0.004
910*219
Tp = 0.004
测量部根据T=0.07+0.04=0.11由表2查得:b.
WM 0.005
t P =0.008
TM = 0.005
测载阁位根据7+-0.11和号3表3查得:C
Fm = 0.016
(2)按公式计算量规1作部位的尺寸dBP = DmMC = 15
di.p :dBP -Tr = 15 -0.004
dwp = dBP - (Tp +Wp )= 15 -(0.004 + 0.004 ) = 14.992dBM D,mMC -t =12.04 -0.04=12dt,M = (dBM +Fm)-m = (12+0.016 ).1
dwM - (dBM+Fm )- (Tm +Wm)= (12+0.016)量规简图
12.016 8.005
(0.005+0.005)-12.006
第,种情况:同时检验(定位部位代替光滑极限量规通规)。3
小提示:此标准内容仅展示完整标准里的部分截取内容,若需要完整标准请到上方自行免费下载完整标准文档。
标准图片预览:





- 其它标准
- 上一篇: GB 8068-1987 电镀金刚石磨头
- 下一篇: GB 8070-1987 空气分布器性能试验方法
- 热门标准
- 国家标准(GB)
- GB/T30917—2014 /ISo 29941:2010 天然胶乳橡胶避孕套中可迁移亚硝胺的测定
- GB/T12777-1999 金属波纹管膨胀节通用技术条件
- GB/T29633.4-2020 南极地名 第4部分:罗马字母拼写
- GB15193.5-2003 骨髓细胞微核试验
- GB30530-2024 二甲基硅氧烷单位产品能源消耗限额
- GB/T43225-2023 空间物体登记要求
- GB4706.3-1986 家用和类似用途电器的安全食物搅碎器及类似用途电器的特殊要求
- GB15985-1995 丝虫病诊断标准及处理原则
- GB19159-2003 车用液化石油气
- GB/T7407-1997 中国及世界主要海运贸易港口代码
- GB/T15425-1994 贸易单128条码
- GB5237.3-2008 铝合金建筑型材 第3部分:电泳涂漆型材
- GB/T39964-2021 造纸行业能源管理体系实施指南
- GB/T9771.6-2020 通信用单模光纤 第6部分:宽波长段 光传输用非零色散单模光纤特性
- GB/T43929-2024 空间用纤维光学器件测试指南
- 行业新闻
请牢记:“bzxz.net”即是“标准下载”四个汉字汉语拼音首字母与国际顶级域名“.net”的组合。 ©2025 标准下载网 www.bzxz.net 本站邮件:bzxznet@163.com
网站备案号:湘ICP备2025141790号-2
网站备案号:湘ICP备2025141790号-2