- 您的位置:
- 标准下载网 >>
- 标准分类 >>
- 电子行业标准(SJ) >>
- SJ 2588-1985 BSH12~14-1L、BSH12~14-2L型一体化回扫变压器
标准号:
SJ 2588-1985
标准名称:
BSH12~14-1L、BSH12~14-2L型一体化回扫变压器
标准类别:
电子行业标准(SJ)
标准状态:
现行-
发布日期:
1985-05-14 -
实施日期:
1985-12-01 出版语种:
简体中文下载格式:
.rar.pdf下载大小:
213.24 KB
点击下载
标准简介:
标准下载解压密码:www.bzxz.net
本标准适用于半导体管黑白广播电视接收机用BSH12~14-1L、BSH12~14-2L型一体化回扫变压器(以下简称回扫变压器) SJ 2588-1985 BSH12~14-1L、BSH12~14-2L型一体化回扫变压器 SJ2588-1985
部分标准内容:
中华人民共和国电子工业部部标准SJ2588--85
BSH13-2L型
BSHB3-1L型、
一体化回扫变压器
1985-05-14发布
1985-12-01实施
中华人民共和国电子工业部批准中华人民共和国电子工业部部标准SJ2588—85
BSH13--1L型、BSH13—2L型-体化回扫变压器14
本标准适用于半导体管黑白广播电视接收机用BSH13一1L型、BSH13-2L型14
体化回扫变压器(以下简称回扫变压器)。1总则
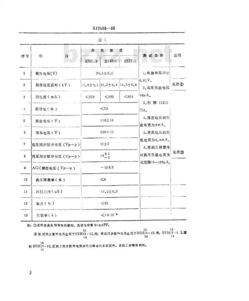
1.1该回扫变压器配用QPH2090型偏转线圈组成电视机中的行扫描系统,并产生显像管所需的阳极高压、聚焦电压、视放电压,开关电源同步脉冲电压和AGC键控电压。1.2本标准是SJ2587一85《黑白广播电视接收机用一体化回扫变压器总技术条件》的补充。除本标准规定的内容外,其它均按该总技术条件的规定执行。2技术要求和试验方法
2.1回扫变压器外形尺寸、引出端位置尺寸及印制板安装尺寸应符含图1、图2、表3、表4的规定。
2.2回扫变压器正常大气条件及仲裁试验的标准大气条件下的工作特性及参数要求应符含表1规定,典型测试电路按图3规定。典型测试电路中各元器件的参数要求按表2规定。在测量产品工作特性时,用供需双方确认的样品确定测试仪器逆程电容量,使其显示的脉冲宽度为11.5uS。以后在产品检验时,逆程电容量不得更改。在此条件下测试产品各项特性应符合要求。电子工业部1985-D5-14发布
1985-12-01实施
提升电压(V)
阳极高压系列(kV)
行电流(mA)
报铃比(%)
视放电压(V)
聚焦电压(V)
低压同步瞰冲电压(Vp-p)
高压同步脉冲电压(Vp一p)
AGC键控电压(Vp-P)
高压调整率(%)
回扫时间(μs)
温升()
失效率(入)
SJ2588-85
26.5±0.5
11.8±0.5
13.2±0.6
110±10
300+50
—15±2
14.2±0.6
11.5±0.5
1×10-
注:①若阳极商压用等效负时,负被电容量为1000PF。测试条件
1.电源电压12±
2.高压负载电流
3.行频15625
4.视放电压的负
载电流为8mA,
5.聚焦电压的负
载电流为0.6mA
6.测高压调整率
时高压负载电流变
化范图10~100μA
见注?
见注②
②低压同步脉冲电压适用于BSH13-1L型:高压同步脉冲电压避用于BSH13-2L型。BSH13-1L塑14
和BSH13-2L型漆了同步脉冲电压和引出端去向有区别外,其他工作特性相同。14
元器件名称
偏转线圈
(QPH2090)
阻尼二极管
升压二极管
行扫描三被管免费标准bzxz.net
S校正电容
·行线性调节器
滤波电悠
激励脉冲
高压(kv)
SJ2588-85
380±2μH
行包电感量L
355±2μH
330±2μH
测试条件及仪器
电感测试仪的工作频率
范围10~16kHz,精度
行包电阻值R0.90±0.0520.85±0.0520.85±0.05Q等于或高于0.5%正向乎均电压VF:0.5~0.6V
反向恢复时间trr:1~2μS
正向平均电压VF:0.5~0.6V
反向恢复时间trr:0.4~0.cuS
饱和管压降Vces:0.5土0.05V
直流放大系数hFE:40~50
反向下降时间Tf:0.5士0.1uS
电容最
电感量范围(H)
典型状态电量L(uH)
电感量L,56~68uH
1.8uF±5%
见注?
见注?
Lmax56~72,Lmin15~20LCCG-1型电感测试仪见注③40±1
LCCG-1型电感测试仪
电阻值R:0.18~0.22
脉冲宽度:20us
脉冲幅度:4~4.5Vp-P
SBT-5示波器
见注?
注:①阻尼二极管、升压二极管的测试方法按部标准SJ1943~1948-81“电视机用硅功率二极管”中有关境定执行。
②行扫描三极件测试方法参照部标准SJ303-72、SJ304-72、SJ311-72“半导体三极情测试方法”中有关规定。
?行线性调节器的极性以行线性矫正最售为准,可用示波器观看。①脉冲概度4~4.5Vp-p仅供参考,应以激励最佳为准。3
说明:
SJ2588—85
1.本图是应用于管径为20mm偏转角为90,对角线44cm及以下各种屏幕尺寸的黑白电视机用回扫变压器典型通用结构型式,2.因各厂产品外形略有差异,仅规定最大外形尺寸和两种磁芯接地尺寸。3.回扫变压器周国空间在其高度距印制板15mm以下为B区,15mm以上为C区,在B、C区及高玉线、高压相附近10mm范围内应避免金属件及其他元器件。4.极高压引出线长度在产品供货合同中规定。5.灌封料不得高于外壳端面。
6.阳极高压标称值为14.2kV时C区为25mm,图1回扫变压器安装尺寸
键控脉冲(-)
聚焦(+)
开关电源(+)
开关电源1-
聚焦+
开关电源1+
SJ2588-85
图2印制板安装孔参考尺寸
BSH13-1L型电原理图
BSH13-2L型电原理图
升压电容
升压二极管
行输出管C板
雁尼管
往:表8、表4中·处BG可视产品需要面增减。BG2正极可接聚焦引出端。去向
升连电容
升压二极管
行输出管C极
阻尼窖
★处二臣管订说产品需要万增站c6
270元
5300PF
2AP9本
SJ2588-85
西同扫安压器剧试电路
图3中各测录点为:
TP,——12V制试点:
TP2——输入激励电压波形测试点:TP,--提升电压测试点;
TP.-聚焦电压测试点:
TP,—视放电压离试点:
TP。—阳极高压测试点:
TP,——开关电源间步脉冲波形测试点:TP.-—三次调游测试点:
以上所有TP测试点均为对地。
P--—东电液试点:
P2-——行电范测试点。
图8中各元器件名称为:
BG1—行扫铺三极管:
BG2—阻尼二极管:
RG,—升医二极管:
LH-储转线图行绕组:
L.\—行线性罚节署:
L2——电源滤波电感器:
C1、C2--逆程电容器:
C3——S形矫正电容器;
C4——升压电容器:
C--AFC调合电容器:
C6.---电源滤波电容器;
图8中各箭买指向为:
(C1)—激励波形输入端:
(C)—至AFC
(C,)—一场消路输入端:
(C4)视频信输入端。
SJ2588-—85
③此试电路虚线框外部分采用实际工作电路,在不影响测试条件和测试结果的码况下,允许用其仑等效电路代势。
小提示:此标准内容仅展示完整标准里的部分截取内容,若需要完整标准请到上方自行免费下载完整标准文档。
BSH13-2L型
BSHB3-1L型、
一体化回扫变压器
1985-05-14发布
1985-12-01实施
中华人民共和国电子工业部批准中华人民共和国电子工业部部标准SJ2588—85
BSH13--1L型、BSH13—2L型-体化回扫变压器14
本标准适用于半导体管黑白广播电视接收机用BSH13一1L型、BSH13-2L型14
体化回扫变压器(以下简称回扫变压器)。1总则
1.1该回扫变压器配用QPH2090型偏转线圈组成电视机中的行扫描系统,并产生显像管所需的阳极高压、聚焦电压、视放电压,开关电源同步脉冲电压和AGC键控电压。1.2本标准是SJ2587一85《黑白广播电视接收机用一体化回扫变压器总技术条件》的补充。除本标准规定的内容外,其它均按该总技术条件的规定执行。2技术要求和试验方法
2.1回扫变压器外形尺寸、引出端位置尺寸及印制板安装尺寸应符含图1、图2、表3、表4的规定。
2.2回扫变压器正常大气条件及仲裁试验的标准大气条件下的工作特性及参数要求应符含表1规定,典型测试电路按图3规定。典型测试电路中各元器件的参数要求按表2规定。在测量产品工作特性时,用供需双方确认的样品确定测试仪器逆程电容量,使其显示的脉冲宽度为11.5uS。以后在产品检验时,逆程电容量不得更改。在此条件下测试产品各项特性应符合要求。电子工业部1985-D5-14发布
1985-12-01实施
提升电压(V)
阳极高压系列(kV)
行电流(mA)
报铃比(%)
视放电压(V)
聚焦电压(V)
低压同步瞰冲电压(Vp-p)
高压同步脉冲电压(Vp一p)
AGC键控电压(Vp-P)
高压调整率(%)
回扫时间(μs)
温升()
失效率(入)
SJ2588-85
26.5±0.5
11.8±0.5
13.2±0.6
110±10
300+50
—15±2
14.2±0.6
11.5±0.5
1×10-
注:①若阳极商压用等效负时,负被电容量为1000PF。测试条件
1.电源电压12±
2.高压负载电流
3.行频15625
4.视放电压的负
载电流为8mA,
5.聚焦电压的负
载电流为0.6mA
6.测高压调整率
时高压负载电流变
化范图10~100μA
见注?
见注②
②低压同步脉冲电压适用于BSH13-1L型:高压同步脉冲电压避用于BSH13-2L型。BSH13-1L塑14
和BSH13-2L型漆了同步脉冲电压和引出端去向有区别外,其他工作特性相同。14
元器件名称
偏转线圈
(QPH2090)
阻尼二极管
升压二极管
行扫描三被管免费标准bzxz.net
S校正电容
·行线性调节器
滤波电悠
激励脉冲
高压(kv)
SJ2588-85
380±2μH
行包电感量L
355±2μH
330±2μH
测试条件及仪器
电感测试仪的工作频率
范围10~16kHz,精度
行包电阻值R0.90±0.0520.85±0.0520.85±0.05Q等于或高于0.5%正向乎均电压VF:0.5~0.6V
反向恢复时间trr:1~2μS
正向平均电压VF:0.5~0.6V
反向恢复时间trr:0.4~0.cuS
饱和管压降Vces:0.5土0.05V
直流放大系数hFE:40~50
反向下降时间Tf:0.5士0.1uS
电容最
电感量范围(H)
典型状态电量L(uH)
电感量L,56~68uH
1.8uF±5%
见注?
见注?
Lmax56~72,Lmin15~20LCCG-1型电感测试仪见注③40±1
LCCG-1型电感测试仪
电阻值R:0.18~0.22
脉冲宽度:20us
脉冲幅度:4~4.5Vp-P
SBT-5示波器
见注?
注:①阻尼二极管、升压二极管的测试方法按部标准SJ1943~1948-81“电视机用硅功率二极管”中有关境定执行。
②行扫描三极件测试方法参照部标准SJ303-72、SJ304-72、SJ311-72“半导体三极情测试方法”中有关规定。
?行线性调节器的极性以行线性矫正最售为准,可用示波器观看。①脉冲概度4~4.5Vp-p仅供参考,应以激励最佳为准。3
说明:
SJ2588—85
1.本图是应用于管径为20mm偏转角为90,对角线44cm及以下各种屏幕尺寸的黑白电视机用回扫变压器典型通用结构型式,2.因各厂产品外形略有差异,仅规定最大外形尺寸和两种磁芯接地尺寸。3.回扫变压器周国空间在其高度距印制板15mm以下为B区,15mm以上为C区,在B、C区及高玉线、高压相附近10mm范围内应避免金属件及其他元器件。4.极高压引出线长度在产品供货合同中规定。5.灌封料不得高于外壳端面。
6.阳极高压标称值为14.2kV时C区为25mm,图1回扫变压器安装尺寸
键控脉冲(-)
聚焦(+)
开关电源(+)
开关电源1-
聚焦+
开关电源1+
SJ2588-85
图2印制板安装孔参考尺寸
BSH13-1L型电原理图
BSH13-2L型电原理图
升压电容
升压二极管
行输出管C板
雁尼管
往:表8、表4中·处BG可视产品需要面增减。BG2正极可接聚焦引出端。去向
升连电容
升压二极管
行输出管C极
阻尼窖
★处二臣管订说产品需要万增站c6
270元
5300PF
2AP9本
SJ2588-85
西同扫安压器剧试电路
图3中各测录点为:
TP,——12V制试点:
TP2——输入激励电压波形测试点:TP,--提升电压测试点;
TP.-聚焦电压测试点:
TP,—视放电压离试点:
TP。—阳极高压测试点:
TP,——开关电源间步脉冲波形测试点:TP.-—三次调游测试点:
以上所有TP测试点均为对地。
P--—东电液试点:
P2-——行电范测试点。
图8中各元器件名称为:
BG1—行扫铺三极管:
BG2—阻尼二极管:
RG,—升医二极管:
LH-储转线图行绕组:
L.\—行线性罚节署:
L2——电源滤波电感器:
C1、C2--逆程电容器:
C3——S形矫正电容器;
C4——升压电容器:
C--AFC调合电容器:
C6.---电源滤波电容器;
图8中各箭买指向为:
(C1)—激励波形输入端:
(C)—至AFC
(C,)—一场消路输入端:
(C4)视频信输入端。
SJ2588-—85
③此试电路虚线框外部分采用实际工作电路,在不影响测试条件和测试结果的码况下,允许用其仑等效电路代势。
小提示:此标准内容仅展示完整标准里的部分截取内容,若需要完整标准请到上方自行免费下载完整标准文档。
标准图片预览:





- 热门标准
- 电子行业标准(SJ)
- SJ3166-1988 GZS12-4-3型彩色显像管插座
- SJ2857.2-1988 温差电致冷材料性能的测试方法 电导率的测试方法
- SJ2879-1988 彩色电视接收机用色纯静会聚磁体组合件总规范
- SJ/T9546-1993 无金属化孔单、双面印制板的质量分等标准
- SJ/T31063-1994 TCM-B三氯乙烯清洗机完好要求和检查评定方法
- SJ/T31168-1994 发射管电性能测试电源完好要求和检查评定方法
- SJ/T31384-1994 洗衣机定时器寿命试验台完好要求和检查评定方法
- SJ/T31441-1994 离心式制冷机组完好要求和检查评定方法
- SJ/T31449-1994 供油管道完好要求和检查评定方法
- SJ/T10401-1993 半导体集成音响电路马达稳速电路测试方法的基本原理
- SJ/T10455-1993 厚膜混合集成电路用铜导体浆料
- SJ/T11010-1996 电子器件详细规范 半导体电视集成电路CD1124ACP伴音中频放大电路
- SJ/T11088-1996 电子器件详细规范 半导体集成电路CD7680CP图象伴音中频放大电路
- SJ/T10669-1995 表面组装器件可焊性试验
- SJ/Z3206.5-1989 光谱化学分析用感光板和胶片的照相处理方法
- 行业新闻
请牢记:“bzxz.net”即是“标准下载”四个汉字汉语拼音首字母与国际顶级域名“.net”的组合。 ©2025 标准下载网 www.bzxz.net 本站邮件:bzxznet@163.com
网站备案号:湘ICP备2025141790号-2
网站备案号:湘ICP备2025141790号-2