- 您的位置:
- 标准下载网 >>
- 标准分类 >>
- 烟草行业标准(YC) >>
- YC/T 126-1996 烟草机械 YB22B型细长支软盒包装机
标准号:
YC/T 126-1996
标准名称:
烟草机械 YB22B型细长支软盒包装机
标准类别:
烟草行业标准(YC)
标准状态:
已作废-
发布日期:
1996-07-08 -
实施日期:
1994-07-01 -
作废日期:
2006-02-27 出版语种:
简体中文下载格式:
.rar.pdf下载大小:
165.06 KB
部分标准内容:
YC/T 126---1996
本标准规定了YB22B型细长支软盒包装机的技术要求、试验方法、检验、标志、包装、运输及贮存等。可作为YB22B型细长支软盒包装机的生产、质量检验、选购验收、使用维护、修理和洽谈贸易的技术依据。
YB22B型细长支软盒包装机是ZB22B细长支软盒硬条包装机组的主机。与本标准相关的其他产品标推有:
YC/T130---1996烟草机械ZB22B型细长支软盒硬条包装机组。本标准从1996年11月1日起实施,从1997年11月1日起所有生产的YB22B型细长支软盒包装机均应符合本标准。
本标准的附录A是标准的附录。
本标准由国家烟草专卖局提出。本标准由全国烟草标准化技术委员会归口。本标准起草单位:常德七-机械厂。本标准主要起草人:曾慧、敖刃涛、冯润泉。285
1范围
中华人民共和国烟草行业标准
烟草机械
YB22B型细长支软盒包装机
Tobacco machinery
Model YB22B small-size cigarette soft packing machineYC/T 126---1996
本标准规定了YB22B型细长支软盒包装机的技术要求、试验方法、检验、标志、包装、运输及贮存等。
本标准适用于YB22B型细长支软盒包装机(以下简称整机)。2引用标准
下列标准所包含的条文,通过在本标准中引用而构成为本标准的条文。本标准出版时,所示版本均为有效。所有标准都会被修订,使用本标准的各方应探讨使用下列标准最新版本的可能性。GB2894—1988安全标志
GB/T5606.21996卷烟
包装、标志与贮运
GB5606.3—1996卷烟卷制技术要求YC/T 1-—1994
烟草机械产品型号编制规则
YC/T 10.10—-1993
YC/T 10.11-1993
YC/T 10.12—1993
YC/T10.14-1993
YC/T 10.16—1996
YC/T 11.2—1993
YC/T 15—1994
3分类与命名
烟草机械
烟草机械
烟草机械
烟草机械
烟草机械
烟草机械
通用技术条件
通用技术条件
通用技术条件
通用技术条件
通用技术条件
装有电子器件的电控设备
电气装配
基本要求
产品图样及设计文件
烟草机械产品命名方法
分类与命名按YC/T1和YC/T15执行。3.1型号
型号如下:
3.2基本参数
改进设计代号
型别序号
一型别代号
组别代号
-类别代号
国家烟草专卖局1996-07-08批准286
第二次设计改进
软盒包装
盒条包装
烟支卷、接、包装及滤棒加工
1996-11-01实施
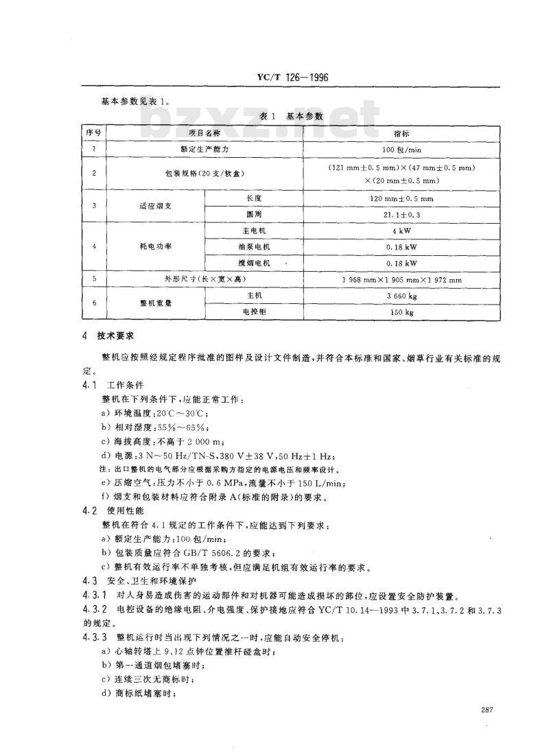
基本参数见表1。
【序号
技术要求
项目名称
额定生产能力
包装规格(20支/软盒)
适应烟支
耗电功率
YC/T 126—1996
表1基本参数
100包/min
(121 mm±0.5 mm)×(47 mm±0.5mm)X(20 mm±0. 5 mm)
主电机
油泵电机
搅烟电机
外形尺寸(长×宽×高)
整机重量
电控柜
120mm±0.5mm
21.1±0.3
1968mm×1905mmX1972mm
3660kg
整机应按照经规定程序批准的图样及设计文件制造,并符合本标准和国家、烟草行业有关标准的规定。
4.1工作条件
整机在下列条件下,应能正常工作:a)环境温度:20℃30℃;
b)相对湿度:55%~~65%;
c)海拔高度:不高于2000m;
d)电源:3N~50Hz/TN-S,380V±38V,50Hz±1Hz;注:出口整机的电气部分应根据采购方指定的电源电压和频率设计。e)压缩空气:压力不小于0.6MPa,流量不小于150L/minf)烟支和包装材料应符合附录A(标准的附录)的要求。4.2使用性能
整机在符合4.1规定的工作条件下,应能达到下列要求:a)额定生产能力:100包/min;b)包装质量应符合GB/T5606.2的要求;c)整机有效运行率不单独考核,但应满足机组有效运行率的要求。4.3安全、卫生和环境保护
4.3.1对人身易造成伤害的运动部件和对机器可能造成损坏的部位,应设置安全防护装置。4.3.2电控设备的绝缘电阻、介电强度、保护接地应符合YC/T10.14-—1993中3.7.1、3.7.2和3.7.3的规定。
4.3.3整机运行时当出现下列情况之一时,应能自动安全停机:a)心轴转塔上9、12点钟位置推杆碰盒时;b)第一通道烟包堵塞时;
c)连续三次无商标时;
d)商标纸堵塞时;
e)无铝箔纸时,
f)铝箔纸堵塞时,
g)空头缺支连续五包被剔除时。YC/T126--1996
4.3.4整机噪声不单独考核。整机与其他整机组成机组后应满足机组噪声不大于85dB(A)的要求。4.3.5当出现下列情况时,应能自动报警:a)润滑故障(油位偏低);
b)无封签。
4.4装配
装配应符合YC/T10.11和YC/T10.16的有关规定。4.5空载运行
整机应以100包/min的额定速度连续空载运行不少于4h,并达到下列要求:a)整机运行正常,控制系统应能满足空载运行所需的各种功能;b)空载运行机械传动平衡、噪声小、离合器与制动器工作可靠;c)各凸轮同步正确,所控制的各执行机构动作协调,位置准确;d)手动盘车时应轻松,无卡阻等现象;e)气路和润滑系统及其他部位均不得漏气、漏油;f)转轴的轴承达稳定温度时,其轴承的温度和温升应符合YC/T10.11-1993中5.4的规定。4.6负载运行
整机应以100包/min额定生产能力负载运行,时间不少于21h,并达到下列要求:a)整机运行正常,控制系统应能满足空载运行所需的各种功能;b)使用性能达到4.2的要求。
4.7外观
4.7.1外表面涂漆质量应符合YC/T10.10—1993中4.3.5的有关规定。4.7.2整机与其他整机组成机组后,外观涂漆色泽应协调。5试验方法
5.1电气安全的绝缘电阻、介电强度和保护接地的试验方法按YC/T10.14-1993中的4.2~4.4执行。
5.2包装质量按GB/T5606.2的规定。6检验
整机检验分为出广检验、验收检验和型式检验。6.1出厂检验
6.1.1整机出厂检验项目为4.4~4.5和4.7及7.1、7.2.1、7.2.2。6.1.2每台整机应经制造厂质量检验部门检验合格,并附有产品质量合格证方可出厂。6.2验收检验
6.2.1每台整机应按4.5和4.6进行验收检验。6.2.2整机与其他整机组成机组后,宜在采购方进行验收检验。6.3型式检验
6.3.1有下列情况之一时,应进行型式检验:a)新产品或老产品转厂生产的试制定型鉴定:b)正式生产后,如设计有较大改变可能影响产品性能时;c)正常生产时,积累生产50台产量后,应周期性进行一次检验;288
d)停产三年后恢复生产时;免费标准下载网bzxz
YC/T 126--1996
e)出厂检验结果与上次型式检验有较大差异时;f)国家技术监督机构提出进行型式检验要求时。6.3.2型式检验项目
型式检验项目为本标准所有技术要求及产品质量特性重要度分级表中的关键特性项目和重要特性项目。
6.3.3型式检验应在经出厂检验合格的产品中随机抽取,抽样率为10%,但不得少于二台。6.4判定规则
6.4.1在各项检验中,检验结果均符合本标准时,则判定产品为合格。6.4.2在检验中,当某项指标未达到本标准规定时,允许调试后进行复验,若复验两次仍达不到规定时,则判定产品为不合格。
7标志、包装、运输及贮存
7.1标志
7.1.1标志应符合GB2894和GB/T13306的规定。铭牌的内容至少应包括:a)产品型号及名称;
b)额定生产能力;
c)制造厂名称;
d)制造日期、出厂编号。
7.1.2包装、运输及贮存标志应符合YC/T10.12--1993中3.5的规定。7.2包装、运输及贮存
7.2.1整机包装应符合YC/T10.12中的有关要求。7.2.2随机文件应符合YC/T11.2的有关规定。7.2.3运输,贮存应符合YC/T10.12-1993中第4章的规定。在开箱验货前,若采购方在露天放罩包装箱时应采取防雨、水措施。
8产品责任
产品责任宜在采购方与供方签订的合同中予以明确。注:建议至少在合同中明确:采购方在遵守本标准和产品使用说明书规定的条件下,整机自开箱验货确认无误之日起13个月内,若因制造质量而不能正常使用,供方应免费修理或更换。289
YC/T126—1996
附录A
(标准的附录)
对烟支和包装材料的要求
整机用烟支和包装材料的要求应符合表A1的规定。表A1
商标纸
铝箔纸
封签纸
空头率
尺寸(长×宽)
纤维方向
凹凸版高度
凹凸面积
规格尺寸
纸质要求
尺寸(长×宽)
纤维方向
商标纸粘结剂粘度
封签纸粘结剂粘度
计量单位
对包装材料的规格尺寸要求见图A1和图A2。A2
技术要求
21.1±0.3
符合GB5606.3的规定
符合GB5606.3的规定
(140±0.5)×(135±0.5)
0.09~~0.10
80~100
垂直于长边
规格尺寸按图A1和图A2
单面铜板纸粘接处、不应涂有油146~148
0. 075~~0. 085
52~70(其中含铝30%,纸70%)
卷简平齐,铝箔与纸不应有脱落现象(48±0.3)×(20±0.3)
平行于长边
注:图中阴影区不涂清漆。
YC/T126—1996
图A1商标纸印制视图
警胶区
图A2商标纸内面视图
88888888888888
著胶区
小提示:此标准内容仅展示完整标准里的部分截取内容,若需要完整标准请到上方自行免费下载完整标准文档。
本标准规定了YB22B型细长支软盒包装机的技术要求、试验方法、检验、标志、包装、运输及贮存等。可作为YB22B型细长支软盒包装机的生产、质量检验、选购验收、使用维护、修理和洽谈贸易的技术依据。
YB22B型细长支软盒包装机是ZB22B细长支软盒硬条包装机组的主机。与本标准相关的其他产品标推有:
YC/T130---1996烟草机械ZB22B型细长支软盒硬条包装机组。本标准从1996年11月1日起实施,从1997年11月1日起所有生产的YB22B型细长支软盒包装机均应符合本标准。
本标准的附录A是标准的附录。
本标准由国家烟草专卖局提出。本标准由全国烟草标准化技术委员会归口。本标准起草单位:常德七-机械厂。本标准主要起草人:曾慧、敖刃涛、冯润泉。285
1范围
中华人民共和国烟草行业标准
烟草机械
YB22B型细长支软盒包装机
Tobacco machinery
Model YB22B small-size cigarette soft packing machineYC/T 126---1996
本标准规定了YB22B型细长支软盒包装机的技术要求、试验方法、检验、标志、包装、运输及贮存等。
本标准适用于YB22B型细长支软盒包装机(以下简称整机)。2引用标准
下列标准所包含的条文,通过在本标准中引用而构成为本标准的条文。本标准出版时,所示版本均为有效。所有标准都会被修订,使用本标准的各方应探讨使用下列标准最新版本的可能性。GB2894—1988安全标志
GB/T5606.21996卷烟
包装、标志与贮运
GB5606.3—1996卷烟卷制技术要求YC/T 1-—1994
烟草机械产品型号编制规则
YC/T 10.10—-1993
YC/T 10.11-1993
YC/T 10.12—1993
YC/T10.14-1993
YC/T 10.16—1996
YC/T 11.2—1993
YC/T 15—1994
3分类与命名
烟草机械
烟草机械
烟草机械
烟草机械
烟草机械
烟草机械
通用技术条件
通用技术条件
通用技术条件
通用技术条件
通用技术条件
装有电子器件的电控设备
电气装配
基本要求
产品图样及设计文件
烟草机械产品命名方法
分类与命名按YC/T1和YC/T15执行。3.1型号
型号如下:
3.2基本参数
改进设计代号
型别序号
一型别代号
组别代号
-类别代号
国家烟草专卖局1996-07-08批准286
第二次设计改进
软盒包装
盒条包装
烟支卷、接、包装及滤棒加工
1996-11-01实施
基本参数见表1。
【序号
技术要求
项目名称
额定生产能力
包装规格(20支/软盒)
适应烟支
耗电功率
YC/T 126—1996
表1基本参数
100包/min
(121 mm±0.5 mm)×(47 mm±0.5mm)X(20 mm±0. 5 mm)
主电机
油泵电机
搅烟电机
外形尺寸(长×宽×高)
整机重量
电控柜
120mm±0.5mm
21.1±0.3
1968mm×1905mmX1972mm
3660kg
整机应按照经规定程序批准的图样及设计文件制造,并符合本标准和国家、烟草行业有关标准的规定。
4.1工作条件
整机在下列条件下,应能正常工作:a)环境温度:20℃30℃;
b)相对湿度:55%~~65%;
c)海拔高度:不高于2000m;
d)电源:3N~50Hz/TN-S,380V±38V,50Hz±1Hz;注:出口整机的电气部分应根据采购方指定的电源电压和频率设计。e)压缩空气:压力不小于0.6MPa,流量不小于150L/minf)烟支和包装材料应符合附录A(标准的附录)的要求。4.2使用性能
整机在符合4.1规定的工作条件下,应能达到下列要求:a)额定生产能力:100包/min;b)包装质量应符合GB/T5606.2的要求;c)整机有效运行率不单独考核,但应满足机组有效运行率的要求。4.3安全、卫生和环境保护
4.3.1对人身易造成伤害的运动部件和对机器可能造成损坏的部位,应设置安全防护装置。4.3.2电控设备的绝缘电阻、介电强度、保护接地应符合YC/T10.14-—1993中3.7.1、3.7.2和3.7.3的规定。
4.3.3整机运行时当出现下列情况之一时,应能自动安全停机:a)心轴转塔上9、12点钟位置推杆碰盒时;b)第一通道烟包堵塞时;
c)连续三次无商标时;
d)商标纸堵塞时;
e)无铝箔纸时,
f)铝箔纸堵塞时,
g)空头缺支连续五包被剔除时。YC/T126--1996
4.3.4整机噪声不单独考核。整机与其他整机组成机组后应满足机组噪声不大于85dB(A)的要求。4.3.5当出现下列情况时,应能自动报警:a)润滑故障(油位偏低);
b)无封签。
4.4装配
装配应符合YC/T10.11和YC/T10.16的有关规定。4.5空载运行
整机应以100包/min的额定速度连续空载运行不少于4h,并达到下列要求:a)整机运行正常,控制系统应能满足空载运行所需的各种功能;b)空载运行机械传动平衡、噪声小、离合器与制动器工作可靠;c)各凸轮同步正确,所控制的各执行机构动作协调,位置准确;d)手动盘车时应轻松,无卡阻等现象;e)气路和润滑系统及其他部位均不得漏气、漏油;f)转轴的轴承达稳定温度时,其轴承的温度和温升应符合YC/T10.11-1993中5.4的规定。4.6负载运行
整机应以100包/min额定生产能力负载运行,时间不少于21h,并达到下列要求:a)整机运行正常,控制系统应能满足空载运行所需的各种功能;b)使用性能达到4.2的要求。
4.7外观
4.7.1外表面涂漆质量应符合YC/T10.10—1993中4.3.5的有关规定。4.7.2整机与其他整机组成机组后,外观涂漆色泽应协调。5试验方法
5.1电气安全的绝缘电阻、介电强度和保护接地的试验方法按YC/T10.14-1993中的4.2~4.4执行。
5.2包装质量按GB/T5606.2的规定。6检验
整机检验分为出广检验、验收检验和型式检验。6.1出厂检验
6.1.1整机出厂检验项目为4.4~4.5和4.7及7.1、7.2.1、7.2.2。6.1.2每台整机应经制造厂质量检验部门检验合格,并附有产品质量合格证方可出厂。6.2验收检验
6.2.1每台整机应按4.5和4.6进行验收检验。6.2.2整机与其他整机组成机组后,宜在采购方进行验收检验。6.3型式检验
6.3.1有下列情况之一时,应进行型式检验:a)新产品或老产品转厂生产的试制定型鉴定:b)正式生产后,如设计有较大改变可能影响产品性能时;c)正常生产时,积累生产50台产量后,应周期性进行一次检验;288
d)停产三年后恢复生产时;免费标准下载网bzxz
YC/T 126--1996
e)出厂检验结果与上次型式检验有较大差异时;f)国家技术监督机构提出进行型式检验要求时。6.3.2型式检验项目
型式检验项目为本标准所有技术要求及产品质量特性重要度分级表中的关键特性项目和重要特性项目。
6.3.3型式检验应在经出厂检验合格的产品中随机抽取,抽样率为10%,但不得少于二台。6.4判定规则
6.4.1在各项检验中,检验结果均符合本标准时,则判定产品为合格。6.4.2在检验中,当某项指标未达到本标准规定时,允许调试后进行复验,若复验两次仍达不到规定时,则判定产品为不合格。
7标志、包装、运输及贮存
7.1标志
7.1.1标志应符合GB2894和GB/T13306的规定。铭牌的内容至少应包括:a)产品型号及名称;
b)额定生产能力;
c)制造厂名称;
d)制造日期、出厂编号。
7.1.2包装、运输及贮存标志应符合YC/T10.12--1993中3.5的规定。7.2包装、运输及贮存
7.2.1整机包装应符合YC/T10.12中的有关要求。7.2.2随机文件应符合YC/T11.2的有关规定。7.2.3运输,贮存应符合YC/T10.12-1993中第4章的规定。在开箱验货前,若采购方在露天放罩包装箱时应采取防雨、水措施。
8产品责任
产品责任宜在采购方与供方签订的合同中予以明确。注:建议至少在合同中明确:采购方在遵守本标准和产品使用说明书规定的条件下,整机自开箱验货确认无误之日起13个月内,若因制造质量而不能正常使用,供方应免费修理或更换。289
YC/T126—1996
附录A
(标准的附录)
对烟支和包装材料的要求
整机用烟支和包装材料的要求应符合表A1的规定。表A1
商标纸
铝箔纸
封签纸
空头率
尺寸(长×宽)
纤维方向
凹凸版高度
凹凸面积
规格尺寸
纸质要求
尺寸(长×宽)
纤维方向
商标纸粘结剂粘度
封签纸粘结剂粘度
计量单位
对包装材料的规格尺寸要求见图A1和图A2。A2
技术要求
21.1±0.3
符合GB5606.3的规定
符合GB5606.3的规定
(140±0.5)×(135±0.5)
0.09~~0.10
80~100
垂直于长边
规格尺寸按图A1和图A2
单面铜板纸粘接处、不应涂有油146~148
0. 075~~0. 085
52~70(其中含铝30%,纸70%)
卷简平齐,铝箔与纸不应有脱落现象(48±0.3)×(20±0.3)
平行于长边
注:图中阴影区不涂清漆。
YC/T126—1996
图A1商标纸印制视图
警胶区
图A2商标纸内面视图
88888888888888
著胶区
小提示:此标准内容仅展示完整标准里的部分截取内容,若需要完整标准请到上方自行免费下载完整标准文档。
标准图片预览:





- 热门标准
- 烟草行业标准(YC)
- YC/T139-1998 卷烟 滤嘴总植物碱截留量的测定 光度法
- YC/T202-2006 烟草及烟草制品 多酚类化合物 绿原酸、莨菪亭和芸香苷的测定
- YC/T100-1996 烟草机械 ZJ15型卷接机组
- YC/T61-1996 烟草机械 WQ721~726型隧道式梗丝回潮机
- YC/T79-1996 烟草机械 SJ11~18型加料机
- YC/T116-1996 烟草机械 YB21型软盒包装机
- YC/T122-1996 烟草机械 YB52A型盒外透明纸包装机
- YC/T127-1996 烟草机械 YB52B型细长支盒外透明纸包装机
- YC/T131-1996 烟草机械 YB41型硬盒包装机
- YC/T13-1993 烟草机械 未注尺寸公差和形位公差
- YC/T137.2-1998 复烤片烟包装 木夹板包装
- YC/T141-1998 烟草包衣丸化种子
- YC/T12.1-2006 烟草机械 产品工艺文件 第1部分:完整性
- YC/T12.5-2006 烟草机械 产品工艺文件 第5部分:工艺规程格式
- YC/T10.12-1993 烟草机械 通用技术条件 包装
- 行业新闻
请牢记:“bzxz.net”即是“标准下载”四个汉字汉语拼音首字母与国际顶级域名“.net”的组合。 ©2025 标准下载网 www.bzxz.net 本站邮件:bzxznet@163.com
网站备案号:湘ICP备2025141790号-2
网站备案号:湘ICP备2025141790号-2