- 您的位置:
- 标准下载网 >>
- 标准分类 >>
- 商检行业标准(SN) >>
- SN/T 0781-1998 出口泳装检验规程
标准号:
SN/T 0781-1998
标准名称:
出口泳装检验规程
标准类别:
商检行业标准(SN)
标准状态:
现行-
发布日期:
1998-08-24 -
实施日期:
1998-12-31 出版语种:
简体中文下载格式:
.rar.pdf下载大小:
132.66 KB
点击下载
标准简介:
标准下载解压密码:www.bzxz.net
本标准规定了出口泳装的内在质量、外观质量和包装质量的检验,以及抽样、检验条件、检验方法和检验结果的判定。本标准适用氮纶与锦纶交织而成的经、纬编针织出口游装的检验,其他面料可参照执行。 SN/T 0781-1998 出口泳装检验规程 SN/T0781-1998
部分标准内容:
SN/T0781-1998
本标准是根据GB/T1.1--1993《标准化工作导则第1单元:标准的起草与表述规则第1部分:标准编写的基本规定》进行编写。由于世界服装市场的多样化和我国出口泳装的增加,人们对泳装的外观质量和内在质量的要求越来越重视。为了确保出口泳装的质量符合国际市场的需要,特制定本检验规程。本标准由中华人民共和国国家进出口商品检验局提出并归口。本标准起草单位:中华人民共和国天津进出口商品检验局。本标准主要起草人:李文杰、尚洪英、刘宝岳。67
1范围
中华人民共和国进出口商品检验行业标准出口泳装检验规程
Rules of inspection of swimming suitsand trunks for export
SN/T 0781—1998
本标准规定了出口泳装的内在质量、外观质量和包装质量的检验,以及抽样、检验条件、检验方法和检验结果的判定。
本标准适用氨纶与锦纶交织而成的经、纬编针织出口游装的检验,其他面料可参照执行。2引用标准
下列标准所包含的条文,通过在本标准中引用而构成为本标准的条文。本标准出版时,所示版本均为有效。所有标准都会被修订,使用本标准的各方应探讨使用下列标准最新版本的可能性。GB250—1995评定变色用灰色样卡GB251-1995评定沾色用灰色样卡GB/T3921.3--1997纺织品色牢度试验耐洗色牢度:试验3GB/T 5714---1997
纺织品色牢度试验耐海水色牢度GB 8427---87
GB 8628--88
GB 8629---88
GB 8630—88
GB 8433—87
纺织品耐光色牢度试验方法氙弧测定织物尺寸变化时试样的准备、标记和测量纺织品试验时采用的家庭洗涤及干燥程序纺织品在洗涤和干燥时尺寸变化的测定纺织品耐含氯游泳池水色牢度试验方法GB/T 8878-1997
棉针织内衣
SN/T 0553-—1996
出口服装检验抽样方法
SN/T0554--1996出口服装包装检验规程ZB W60 001--89
针织物拉伸弹性回复率试验方法3抽样
3.1外观质量检验抽样按SN/T05533.2内在质量检验抽样,每色抽一件,全批不少于3件。4检验
4.1内在质量检验
内在质量检验包括尺寸变化率及色牢度、平方米质量公差、拉伸弹性伸长率、拉伸弹性回复率、耐含氟游泳池水拉伸弹性回复率。
4.1.1色牢度
a)耐洗色牢度试验方法按GB/T3921.3检验中华人民共和国国家进出口商品检验局1998-08-24批准1998-12-31实施
SN/T 0781--1998
b)耐光色牢度试验方法按GB8427方法4检验,其中蓝色羊毛标准4级的变色相当于灰色样卡3级,曝晒即可终止。
c)耐含氯游泳池水色牢度试验方法按GB8433检验。其中有效氯浓度采用50mg/L。d)耐海水色牢度试验方法按GB/T5714检验。4.1.2尺寸变化率
按GB8628、GB8629(洗涤程序按5A,干燥程序按F法)、GB8630检验。4.1.3平方米质量试验方法按照GB/T8878检验。4.1.4拉伸弹性伸长率试验方法按ZBW60001—89中7.3.2定负荷伸长率的测定方法检验,定负荷值为 14.7N。
4.1.5拉伸弹性回复率试验方法按ZBW60001--89中7.4.2.2定负荷反复拉伸弹性回复率测定方法检验,定负荷值为14.7N。
4.1.6耐含氯游泳池水拉伸弹性回复率按GB8433—874.1.5检验,试样处理按GB8433。4.2面辅料检验
用料单位要对面料和辅料的质量进行检验,保证面料和辅料的质量符合合同或相应标准的要求。4.3外观质量检验
4.3.1检验工具
a)卷尺,下载标准就来标准下载网
b)评定变色用灰色样卡(GB250)。4.3.2检验条件和方法
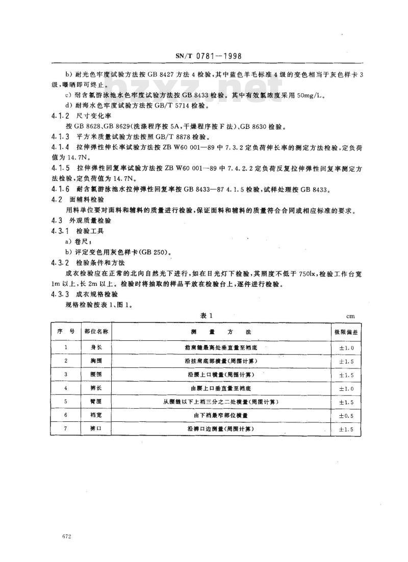
成衣检验应在正常的北向自然光下进行,如在日光灯下检验,其照度不低于7501x,检验工作台宽1m以上,长2m以上。检验时将抽取的样品平放在检验台上,逐件进行检验。4.3.3成衣规格检验
规格检验按表1、图1。
部位名称
量方法
前病统最高处垂直量至档底
沿挂肩底部横景(周圈计算)
沿腰上口横量(周留计算)
由腰上口垂直量至档底
从腰缝以下上档三分之二处横量(周圖计算)由下档最窄部位横量
沿裤口边测量(间圖计算)
极限偏差
4.3.4成衣对格对条检验
SN/T 0781--1998
面料有明显条格在1cm以上的前后片条料对称,格料对横互差不大于0.4cm。4.3.5成衣对称部位检验
对称部位检验按表 2。
4.3.6成衣缝制检验
对称部位
肩带宽窄
a)各部位线路顺直,针距均匀,无跳线、开线、断线;b)商标、尺码标和洗涤标定位准确、继制牢固,c)挂肩、前后档圆顺,吃势均勾,d)缉明线、镶边宽窄一致;
e)钉扣牢固,扣与对位,挂钩套结定位准确;()起落针打回针,线头修剪于净。4.3.7成衣针距密度检验
针距密度检验按表3。
四、五线包鐘
滚领、滚带
注:装饰线按有关规定执行。
极限互差
不少于12
不少于14
不少于10
双针不少于12、三针不少于14
不少于14
针/3cm
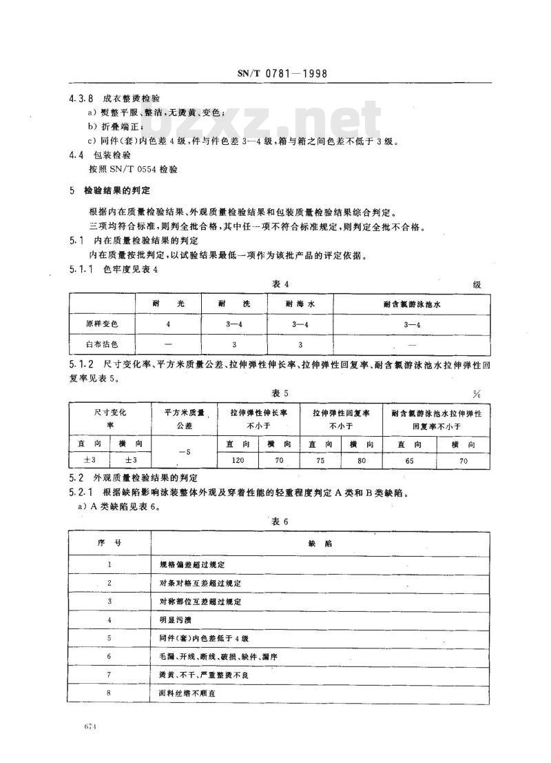
4.3.8成衣整烫检验
a)熨整平服、整洁,无烫黄、变色;b)折叠端正:
SN/T 0781—1998
c)同件(套)内色差4级,件与件色差3一4级,箱与箱之间色差不低于3级。4.4包装检验
按照SN/T0554检验
检验结果的判定
根据内在质量检验结果、外观质量检验结果和包装质量检验结果综合判定,三项均符合标准,则判全批合格,其中任一-项不符合标准规定,则判定全批不合格。5.1内在质量检验结果的判定
内在质量按批判定,以试验结果最低一项作为该批产品的评定依据。5.1.1色牢度见表4
原样变色
白布沾色
耐海水
耐含氨游泳池水
5.1.2尺寸变化率、平方米质量公差、拉伸弹性伸长率、拉伸弹性回复率、耐含氯游泳池水拉伸弹性回复率见表5。
尺寸变化
平方米质量
5.2外观质量检验结果的判定
拉伸弹性伸长率
不小于
拉伸弹性回复率
不小于
耐含氟游泳池水拉伸弹性
回复率不小于
5. 2.1根据缺陷影响泳装整体外观及穿着性能的轻重程度判定 A类和 B类缺陷。a)A类缺陷见表6。
规格偏差超过规定
对条对格互差超过规定
对称部位互差超过规定
明显污渍
同件(套)内色差低于4级
毛漏、开线、断线、破摄、缺件、漏序烫黄、不干、严重整烫不良
面料丝不顺直
针距密度低于规定
SN/T 0781—1998
表6(完)
缝制吃势严重不勾、严重吃纵
印花不良
修痕、丝拉紧
b)B类缺陷见表7。
线路不顺直,不等宽
缝制吃势不勾,缝制吃纵
整烫、折垂不良
线头修剪不净
c)未列人缺陷参照表6,表7内的缺陷掌握。d)面料疵点根据疵点所在部位及轻重程度判定。5.2.2按照SN/T0553对全批外观质量进行判定。5.3包装质量检验结果判定
按照SN/T0554进行判定。
小提示:此标准内容仅展示完整标准里的部分截取内容,若需要完整标准请到上方自行免费下载完整标准文档。
本标准是根据GB/T1.1--1993《标准化工作导则第1单元:标准的起草与表述规则第1部分:标准编写的基本规定》进行编写。由于世界服装市场的多样化和我国出口泳装的增加,人们对泳装的外观质量和内在质量的要求越来越重视。为了确保出口泳装的质量符合国际市场的需要,特制定本检验规程。本标准由中华人民共和国国家进出口商品检验局提出并归口。本标准起草单位:中华人民共和国天津进出口商品检验局。本标准主要起草人:李文杰、尚洪英、刘宝岳。67
1范围
中华人民共和国进出口商品检验行业标准出口泳装检验规程
Rules of inspection of swimming suitsand trunks for export
SN/T 0781—1998
本标准规定了出口泳装的内在质量、外观质量和包装质量的检验,以及抽样、检验条件、检验方法和检验结果的判定。
本标准适用氨纶与锦纶交织而成的经、纬编针织出口游装的检验,其他面料可参照执行。2引用标准
下列标准所包含的条文,通过在本标准中引用而构成为本标准的条文。本标准出版时,所示版本均为有效。所有标准都会被修订,使用本标准的各方应探讨使用下列标准最新版本的可能性。GB250—1995评定变色用灰色样卡GB251-1995评定沾色用灰色样卡GB/T3921.3--1997纺织品色牢度试验耐洗色牢度:试验3GB/T 5714---1997
纺织品色牢度试验耐海水色牢度GB 8427---87
GB 8628--88
GB 8629---88
GB 8630—88
GB 8433—87
纺织品耐光色牢度试验方法氙弧测定织物尺寸变化时试样的准备、标记和测量纺织品试验时采用的家庭洗涤及干燥程序纺织品在洗涤和干燥时尺寸变化的测定纺织品耐含氯游泳池水色牢度试验方法GB/T 8878-1997
棉针织内衣
SN/T 0553-—1996
出口服装检验抽样方法
SN/T0554--1996出口服装包装检验规程ZB W60 001--89
针织物拉伸弹性回复率试验方法3抽样
3.1外观质量检验抽样按SN/T05533.2内在质量检验抽样,每色抽一件,全批不少于3件。4检验
4.1内在质量检验
内在质量检验包括尺寸变化率及色牢度、平方米质量公差、拉伸弹性伸长率、拉伸弹性回复率、耐含氟游泳池水拉伸弹性回复率。
4.1.1色牢度
a)耐洗色牢度试验方法按GB/T3921.3检验中华人民共和国国家进出口商品检验局1998-08-24批准1998-12-31实施
SN/T 0781--1998
b)耐光色牢度试验方法按GB8427方法4检验,其中蓝色羊毛标准4级的变色相当于灰色样卡3级,曝晒即可终止。
c)耐含氯游泳池水色牢度试验方法按GB8433检验。其中有效氯浓度采用50mg/L。d)耐海水色牢度试验方法按GB/T5714检验。4.1.2尺寸变化率
按GB8628、GB8629(洗涤程序按5A,干燥程序按F法)、GB8630检验。4.1.3平方米质量试验方法按照GB/T8878检验。4.1.4拉伸弹性伸长率试验方法按ZBW60001—89中7.3.2定负荷伸长率的测定方法检验,定负荷值为 14.7N。
4.1.5拉伸弹性回复率试验方法按ZBW60001--89中7.4.2.2定负荷反复拉伸弹性回复率测定方法检验,定负荷值为14.7N。
4.1.6耐含氯游泳池水拉伸弹性回复率按GB8433—874.1.5检验,试样处理按GB8433。4.2面辅料检验
用料单位要对面料和辅料的质量进行检验,保证面料和辅料的质量符合合同或相应标准的要求。4.3外观质量检验
4.3.1检验工具
a)卷尺,下载标准就来标准下载网
b)评定变色用灰色样卡(GB250)。4.3.2检验条件和方法
成衣检验应在正常的北向自然光下进行,如在日光灯下检验,其照度不低于7501x,检验工作台宽1m以上,长2m以上。检验时将抽取的样品平放在检验台上,逐件进行检验。4.3.3成衣规格检验
规格检验按表1、图1。
部位名称
量方法
前病统最高处垂直量至档底
沿挂肩底部横景(周圈计算)
沿腰上口横量(周留计算)
由腰上口垂直量至档底
从腰缝以下上档三分之二处横量(周圖计算)由下档最窄部位横量
沿裤口边测量(间圖计算)
极限偏差
4.3.4成衣对格对条检验
SN/T 0781--1998
面料有明显条格在1cm以上的前后片条料对称,格料对横互差不大于0.4cm。4.3.5成衣对称部位检验
对称部位检验按表 2。
4.3.6成衣缝制检验
对称部位
肩带宽窄
a)各部位线路顺直,针距均匀,无跳线、开线、断线;b)商标、尺码标和洗涤标定位准确、继制牢固,c)挂肩、前后档圆顺,吃势均勾,d)缉明线、镶边宽窄一致;
e)钉扣牢固,扣与对位,挂钩套结定位准确;()起落针打回针,线头修剪于净。4.3.7成衣针距密度检验
针距密度检验按表3。
四、五线包鐘
滚领、滚带
注:装饰线按有关规定执行。
极限互差
不少于12
不少于14
不少于10
双针不少于12、三针不少于14
不少于14
针/3cm
4.3.8成衣整烫检验
a)熨整平服、整洁,无烫黄、变色;b)折叠端正:
SN/T 0781—1998
c)同件(套)内色差4级,件与件色差3一4级,箱与箱之间色差不低于3级。4.4包装检验
按照SN/T0554检验
检验结果的判定
根据内在质量检验结果、外观质量检验结果和包装质量检验结果综合判定,三项均符合标准,则判全批合格,其中任一-项不符合标准规定,则判定全批不合格。5.1内在质量检验结果的判定
内在质量按批判定,以试验结果最低一项作为该批产品的评定依据。5.1.1色牢度见表4
原样变色
白布沾色
耐海水
耐含氨游泳池水
5.1.2尺寸变化率、平方米质量公差、拉伸弹性伸长率、拉伸弹性回复率、耐含氯游泳池水拉伸弹性回复率见表5。
尺寸变化
平方米质量
5.2外观质量检验结果的判定
拉伸弹性伸长率
不小于
拉伸弹性回复率
不小于
耐含氟游泳池水拉伸弹性
回复率不小于
5. 2.1根据缺陷影响泳装整体外观及穿着性能的轻重程度判定 A类和 B类缺陷。a)A类缺陷见表6。
规格偏差超过规定
对条对格互差超过规定
对称部位互差超过规定
明显污渍
同件(套)内色差低于4级
毛漏、开线、断线、破摄、缺件、漏序烫黄、不干、严重整烫不良
面料丝不顺直
针距密度低于规定
SN/T 0781—1998
表6(完)
缝制吃势严重不勾、严重吃纵
印花不良
修痕、丝拉紧
b)B类缺陷见表7。
线路不顺直,不等宽
缝制吃势不勾,缝制吃纵
整烫、折垂不良
线头修剪不净
c)未列人缺陷参照表6,表7内的缺陷掌握。d)面料疵点根据疵点所在部位及轻重程度判定。5.2.2按照SN/T0553对全批外观质量进行判定。5.3包装质量检验结果判定
按照SN/T0554进行判定。
小提示:此标准内容仅展示完整标准里的部分截取内容,若需要完整标准请到上方自行免费下载完整标准文档。
标准图片预览:





- 其它标准
- 热门标准
- 商检行业标准(SN)
- SN/T2051-2008 食品、化妆品和饲料中牛羊猪源性成分检测方法实时PCR法
- SN/T4341-2015 黑颜果实蝇检疫鉴定方法
- SN/T4105-2015 进出口纺织品铬橙、铬酸铅、钼铬红的筛选检测方法
- SN/T4115-2015 天然气中硫化物的分析方法气相色谱硫化学发光检测器法
- SN0163-1992 出口水果中二溴乙烷残留量检验方法
- SN/T1667.2-2007 进出口机电产品检测方法 第2部分:彩色液晶显示器件电光性能的测量
- SN/T2173-2008 危险品易燃固体自热试验试验方法
- SN/T2431-2010 进出口食品中苄螨醚残留量的检测方法
- SN/T2866-2011 爬行动物检验检疫监管规程
- SN/T2925-2011 软体家具耐点燃性试验方法及评价
- SN/T3591-2013 实验室标准物质管理指南
- SN/T3203-2012 进出口危险化学品检验规程爆炸品基本要求
- SN/T3656.2-2013 进出口危险化学品测试技术规范第2部分:气体
- SN/T3296-2012 植物病原细菌分子生物学检测规范
- SN/T2389.10-2012 进出口商品容器计重规程第10部分:液体化工品船舱静态计重
- 行业新闻
请牢记:“bzxz.net”即是“标准下载”四个汉字汉语拼音首字母与国际顶级域名“.net”的组合。 ©2025 标准下载网 www.bzxz.net 本站邮件:bzxznet@163.com
网站备案号:湘ICP备2025141790号-2
网站备案号:湘ICP备2025141790号-2