- 您的位置:
- 标准下载网 >>
- 标准分类 >>
- 国家标准(GB) >>
- GB/T 1484-1979 插口式灯头的量规
标准号:
GB/T 1484-1979
标准名称:
插口式灯头的量规
标准类别:
国家标准(GB)
标准状态:
已作废-
发布日期:
1979-02-02 -
实施日期:
1979-05-01 -
作废日期:
2004-02-01 出版语种:
简体中文下载格式:
.rar.pdf下载大小:
126.11 KB
部分标准内容:
中华人民主
家标准
插口式灯头的量规
本标推适用于插口式灯头的量规。GB 1484--79
代替GB1004—67
插口式灯头量规部分
一、插口式灯头量规的型号应与同种灯头的型号相同,即应符合国家标准GB1405一78的规定。二、插口式灯头量规的主要尺寸应符合尺寸表的规定。三、每个童规表面应注有下列清晰和擦不的标志:1.量规型号:
2. GB 1484--79;
3.制造厂名称或商标;
4。量规编号。
尺寸裹
BA7、BA9、B9、B12s、BA15、BAY15、B22灯头通规.BA20灯头通规…·
B22s灯头通规..
BA7、B9、BA9、B12s、BA15、BAY15、B22d灯头
BA20灯头止规
B22灯头止规·下载标准就来标准下载网
插口式灯头玻璃基深度的塞规
BA7、BA9、B9、B12s/12、B12s/13、BA15、BAY15、B22d灯头的通规
理家标准总
中华人民共和轻工业部
·第1页
·第2页
第3页
·第4页
·第4页
·第5页
·第6页
1979年5月1日
表符号
GB 1484-79
B12s/12B12s/13
目的:检验灯头壳体外径、
壳体底面至接触片间的距离,
磨损后的
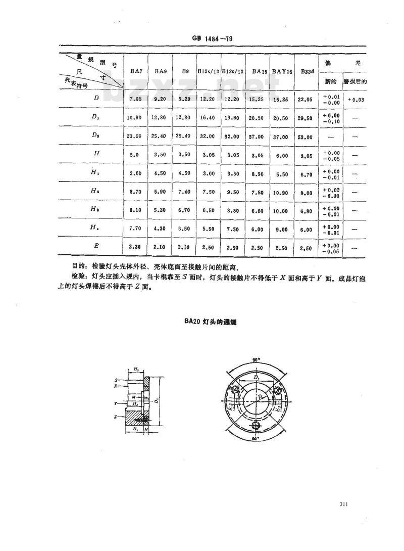
检验:灯头应插入规内,当卡棍靠至S面时,灯头的接触片不得低于X面和高于Y面。成品灯泡上的灯头焊锡后不得高于么面。BA20灯头的通规
GB 1484—79
目的:检验灯头壳体外径、壳体底面至接触片间的距离偏
损极限
检验:灯头应插入规内,使卡棍靠至S面后,灯头的接触片不得低于X面和高于Y面。成品灯泡的焊锡不得高于面。
B22s灯头的通规
目的:检验灯头壳体外径、壳底至接触片间的距离。偏
磨损后的极限
检验:灯头应能插入规内,使壳底靠至S面后,灯头的接触片不得低于X面和高于Y面。成品灯泡的焊锡不得高于Z面。
代表符号
GB 1484—79
BA7、BA9、B9、B12s、BA15、BAY15、B22d 灯头的止规
目的:检验灯头壳体的最小值。检验:灯头的壳体不应穿过D孔。LH
8A20s灯头的止燥
磨损后的
代表符号
目的:检验灯头壳体直径的最小值。检验,灯头尧体不应穿过D孔。
代表符号
GB1484—79
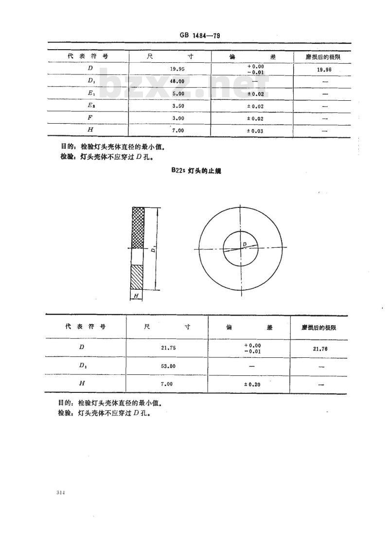
B22s灯头的止规
目的:检验灯头壳体直径的最小值检验,灯头壳体不应穿过D孔。
磨损后的极限
磨损后的极限
GB 1484--79
播口式灯头玻璃蒸深度的塞规
B12s/12B12s/13
目的:
检验灯头玻璃基深度。
检验:塞规插入灯头内时,灯口应接触S面。B22d/22B22d/25B22d/30
制造偏差
小提示:此标准内容仅展示完整标准里的部分截取内容,若需要完整标准请到上方自行免费下载完整标准文档。
家标准
插口式灯头的量规
本标推适用于插口式灯头的量规。GB 1484--79
代替GB1004—67
插口式灯头量规部分
一、插口式灯头量规的型号应与同种灯头的型号相同,即应符合国家标准GB1405一78的规定。二、插口式灯头量规的主要尺寸应符合尺寸表的规定。三、每个童规表面应注有下列清晰和擦不的标志:1.量规型号:
2. GB 1484--79;
3.制造厂名称或商标;
4。量规编号。
尺寸裹
BA7、BA9、B9、B12s、BA15、BAY15、B22灯头通规.BA20灯头通规…·
B22s灯头通规..
BA7、B9、BA9、B12s、BA15、BAY15、B22d灯头
BA20灯头止规
B22灯头止规·下载标准就来标准下载网
插口式灯头玻璃基深度的塞规
BA7、BA9、B9、B12s/12、B12s/13、BA15、BAY15、B22d灯头的通规
理家标准总
中华人民共和轻工业部
·第1页
·第2页
第3页
·第4页
·第4页
·第5页
·第6页
1979年5月1日
表符号
GB 1484-79
B12s/12B12s/13
目的:检验灯头壳体外径、
壳体底面至接触片间的距离,
磨损后的
检验:灯头应插入规内,当卡棍靠至S面时,灯头的接触片不得低于X面和高于Y面。成品灯泡上的灯头焊锡后不得高于么面。BA20灯头的通规
GB 1484—79
目的:检验灯头壳体外径、壳体底面至接触片间的距离偏
损极限
检验:灯头应插入规内,使卡棍靠至S面后,灯头的接触片不得低于X面和高于Y面。成品灯泡的焊锡不得高于面。
B22s灯头的通规
目的:检验灯头壳体外径、壳底至接触片间的距离。偏
磨损后的极限
检验:灯头应能插入规内,使壳底靠至S面后,灯头的接触片不得低于X面和高于Y面。成品灯泡的焊锡不得高于Z面。
代表符号
GB 1484—79
BA7、BA9、B9、B12s、BA15、BAY15、B22d 灯头的止规
目的:检验灯头壳体的最小值。检验:灯头的壳体不应穿过D孔。LH
8A20s灯头的止燥
磨损后的
代表符号
目的:检验灯头壳体直径的最小值。检验,灯头尧体不应穿过D孔。
代表符号
GB1484—79
B22s灯头的止规
目的:检验灯头壳体直径的最小值检验,灯头壳体不应穿过D孔。
磨损后的极限
磨损后的极限
GB 1484--79
播口式灯头玻璃蒸深度的塞规
B12s/12B12s/13
目的:
检验灯头玻璃基深度。
检验:塞规插入灯头内时,灯口应接触S面。B22d/22B22d/25B22d/30
制造偏差
小提示:此标准内容仅展示完整标准里的部分截取内容,若需要完整标准请到上方自行免费下载完整标准文档。
标准图片预览:





- 其它标准
- 热门标准
- 国家标准(GB)
- GB/T30917—2014 /ISo 29941:2010 天然胶乳橡胶避孕套中可迁移亚硝胺的测定
- GB/T12777-1999 金属波纹管膨胀节通用技术条件
- GB/T29633.4-2020 南极地名 第4部分:罗马字母拼写
- GB15193.5-2003 骨髓细胞微核试验
- GB30530-2024 二甲基硅氧烷单位产品能源消耗限额
- GB/T43225-2023 空间物体登记要求
- GB4706.3-1986 家用和类似用途电器的安全食物搅碎器及类似用途电器的特殊要求
- GB15985-1995 丝虫病诊断标准及处理原则
- GB19159-2003 车用液化石油气
- GB/T7407-1997 中国及世界主要海运贸易港口代码
- GB1913.2-1990 漂白浸渍绝缘纸
- GB/T15425-1994 贸易单128条码
- GB5237.3-2008 铝合金建筑型材 第3部分:电泳涂漆型材
- GB/T39964-2021 造纸行业能源管理体系实施指南
- GB/T9771.6-2020 通信用单模光纤 第6部分:宽波长段 光传输用非零色散单模光纤特性
- 行业新闻
请牢记:“bzxz.net”即是“标准下载”四个汉字汉语拼音首字母与国际顶级域名“.net”的组合。 ©2025 标准下载网 www.bzxz.net 本站邮件:bzxznet@163.com
网站备案号:湘ICP备2025141790号-2
网站备案号:湘ICP备2025141790号-2