- 您的位置:
- 标准下载网 >>
- 标准分类 >>
- 汽车行业标准(QC) >>
- QC/T 354-1999 汽车车轮螺母 法兰球面螺母
标准号:
QC/T 354-1999
标准名称:
汽车车轮螺母 法兰球面螺母
标准类别:
汽车行业标准(QC)
标准状态:
现行出版语种:
简体中文下载格式:
.rar.pdf下载大小:
704.13 KB
替代情况:
替代ZB T31 030.3-1987
部分标准内容:
QC/T354-1999
本标准等效采用西德国家标准DIN74361-82第二部分《汽车及挂车用辐板式车轮螺栓定心用紧固件车轮螺母》。技术内容上进一步贯彻国家紧固件基础标准,采用GB/T3104一82《紧固件产品对边宽度》,保留了目前广泛使用的17、19对边尺寸。本标准增加了下列内容:
-根据GB/T3103.1增加了保证有效紧所必须的对角尺寸emin和有效扳拧高度m。—采用了GB/T5779.2《紧固件表面缺陷———螺母》。一增加表面镀铬和锌铬膜处理。-—采用GB/T90《紧固件验收检查标志与包装》。
一根据国内产品情况,增加左旋产品。本标准自生效之日起,同时代替ZBT31030.4一87标准。本标准由国家机械工业局提出。本标准由全国汽车标准化委员会归口。本标准由武汉汽车标准件厂起草。本标准主要起草人:高锡鑫、刘晓华范围
中华人民共和国汽车行业标准
汽车车轮螺母
法兰球面螺母
QC/T354--1999
代替ZBT31030.3-87
eqvDIN74361--82
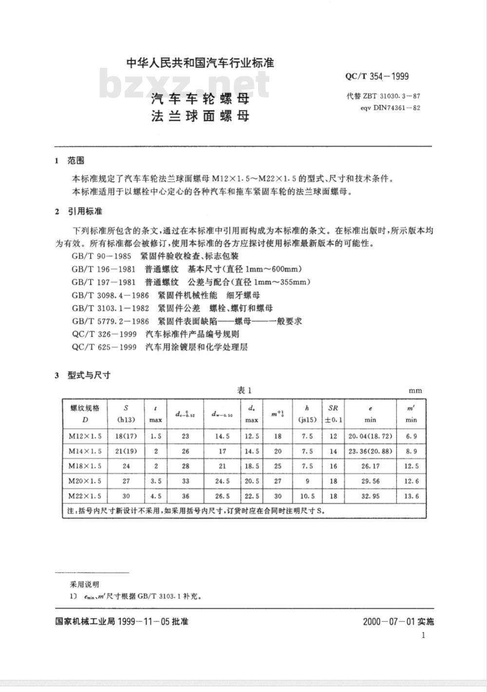
本标准规定了汽车车轮法兰球面螺母M12×1.5~M22X1.5的型式、尺寸和技术条件。本标准适用于以螺栓中心定心的各种汽车和拖车紧固车轮的法兰球面螺母。2引用标准
下列标准所包含的条文,通过在本标准中引用而构成为本标准的条文。在标准出版时,所示版本均为有效。所有标准都会被修订,使用本标准的各方应探讨使用标准最新版本的可能性。GB/T90-1985紧固件验收检查、标志包装GB/T196一1981普通螺纹基本尺寸(直径1mm~600mm)GB/T197-1981
普通螺纹公差与配合(直径1mm~355mm)GB/T3098.4—1986
GB/T3103.1-1982
GB/T5779.2—1986
QC/T326-1999
QC/T625-1999
3型式与尺寸
螺纹规格
18(17)
21(19)
紧固件机械性能细牙螺母
紧固件公差螺栓、螺钉和螺母
紧固件表面缺陷一
一螺母
汽车标准件产品编号规则
汽车用涂镀层和化学处理层
般要求
(js15)
注:括号内尺寸新设计不采用,如采用括号内尺寸,订货时应在合同时注明尺寸S。采用说明
1)eminvm尺寸根据GB/T3103.1补充。国家机械工业局1999-11-05批准SR
20.04(18.72)
23.36(20.88)
2000—07-01实施
任意面刻左旋标志“L”
商标标志免费标准bzxz.net
4技术条件
机械性能
表面处理
产品等级
表面缺陷
验收及包装
GB/T354-1999
注:右旋螺纹可省略旋向标记。图1法兰球面螺母型式
GB/T196;GB/T197
8,10D≤16按I型螺母考核,D>16按1型螺母考核GB/T3098.4
GB/T3103.1
1.镀锌钝化Fe/Ep.Zn8;2.锌铝铬涂层Fe/Ct.DAC4QC/T625
GB/T5779.2
GB/T90
注:1)为容纳镀层,螺纹镀前可按6G级制造,镀后用6H通规检查。5产品编号
5.1编号方法按QC/T326规定。
5.2编号示例:
螺纹规格D=M14X1.5、机械性能8级、表面镀锌的汽车车轮法兰球面螺母编号:Q30814
螺纹规格DM18X1.5、机械性能10级、表面镀铬的左旋法兰球面螺母编号:Q30914T13F13
小提示:此标准内容仅展示完整标准里的部分截取内容,若需要完整标准请到上方自行免费下载完整标准文档。
本标准等效采用西德国家标准DIN74361-82第二部分《汽车及挂车用辐板式车轮螺栓定心用紧固件车轮螺母》。技术内容上进一步贯彻国家紧固件基础标准,采用GB/T3104一82《紧固件产品对边宽度》,保留了目前广泛使用的17、19对边尺寸。本标准增加了下列内容:
-根据GB/T3103.1增加了保证有效紧所必须的对角尺寸emin和有效扳拧高度m。—采用了GB/T5779.2《紧固件表面缺陷———螺母》。一增加表面镀铬和锌铬膜处理。-—采用GB/T90《紧固件验收检查标志与包装》。
一根据国内产品情况,增加左旋产品。本标准自生效之日起,同时代替ZBT31030.4一87标准。本标准由国家机械工业局提出。本标准由全国汽车标准化委员会归口。本标准由武汉汽车标准件厂起草。本标准主要起草人:高锡鑫、刘晓华范围
中华人民共和国汽车行业标准
汽车车轮螺母
法兰球面螺母
QC/T354--1999
代替ZBT31030.3-87
eqvDIN74361--82
本标准规定了汽车车轮法兰球面螺母M12×1.5~M22X1.5的型式、尺寸和技术条件。本标准适用于以螺栓中心定心的各种汽车和拖车紧固车轮的法兰球面螺母。2引用标准
下列标准所包含的条文,通过在本标准中引用而构成为本标准的条文。在标准出版时,所示版本均为有效。所有标准都会被修订,使用本标准的各方应探讨使用标准最新版本的可能性。GB/T90-1985紧固件验收检查、标志包装GB/T196一1981普通螺纹基本尺寸(直径1mm~600mm)GB/T197-1981
普通螺纹公差与配合(直径1mm~355mm)GB/T3098.4—1986
GB/T3103.1-1982
GB/T5779.2—1986
QC/T326-1999
QC/T625-1999
3型式与尺寸
螺纹规格
18(17)
21(19)
紧固件机械性能细牙螺母
紧固件公差螺栓、螺钉和螺母
紧固件表面缺陷一
一螺母
汽车标准件产品编号规则
汽车用涂镀层和化学处理层
般要求
(js15)
注:括号内尺寸新设计不采用,如采用括号内尺寸,订货时应在合同时注明尺寸S。采用说明
1)eminvm尺寸根据GB/T3103.1补充。国家机械工业局1999-11-05批准SR
20.04(18.72)
23.36(20.88)
2000—07-01实施
任意面刻左旋标志“L”
商标标志免费标准bzxz.net
4技术条件
机械性能
表面处理
产品等级
表面缺陷
验收及包装
GB/T354-1999
注:右旋螺纹可省略旋向标记。图1法兰球面螺母型式
GB/T196;GB/T197
8,10D≤16按I型螺母考核,D>16按1型螺母考核GB/T3098.4
GB/T3103.1
1.镀锌钝化Fe/Ep.Zn8;2.锌铝铬涂层Fe/Ct.DAC4QC/T625
GB/T5779.2
GB/T90
注:1)为容纳镀层,螺纹镀前可按6G级制造,镀后用6H通规检查。5产品编号
5.1编号方法按QC/T326规定。
5.2编号示例:
螺纹规格D=M14X1.5、机械性能8级、表面镀锌的汽车车轮法兰球面螺母编号:Q30814
螺纹规格DM18X1.5、机械性能10级、表面镀铬的左旋法兰球面螺母编号:Q30914T13F13
小提示:此标准内容仅展示完整标准里的部分截取内容,若需要完整标准请到上方自行免费下载完整标准文档。
标准图片预览:



- 其它标准
- 热门标准
- 汽车行业标准(QC)
- QC/T29106-2014 汽车电线束技术条件
- QC/T468-1999 汽车散热器技术条件
- QC/T691-2002 车用天然气单燃料发动机技术条件
- QC/T261-1998 客车安全门技术要求
- QC/T597-1999 螺纹紧固件预涂微胶囊厌氧干膜胶
- QC/T417.2-2001 车用电线束插接器 第2部分 试验方法和一般性能要求(摩托车部分)
- QC/T900-1997 汽车整车产品质量检验评定方法
- QC/T801-2008 摩托车和轻便摩托车簧片阀式二次空气补给机构技术要求和试验方法
- QC/T1045-2016 汽车管路保护用热收缩管
- QC/T813-2009 二甲醚汽车专用装置技术要求
- QC/T1045-2016 汽车管路保护用热收缩管
- QC/T587-1999 罐式汽车产品质量检验评定方法
- QC/T383-2013 六角头锥形磁性螺塞
- QC/T641-2000 客车门窗用塑料密封条
- QC/T513-1999 汽车前轴台架疲劳寿命试验方法
- 行业新闻
请牢记:“bzxz.net”即是“标准下载”四个汉字汉语拼音首字母与国际顶级域名“.net”的组合。 ©2025 标准下载网 www.bzxz.net 本站邮件:bzxznet@163.com
网站备案号:湘ICP备2025141790号-2
网站备案号:湘ICP备2025141790号-2