- 您的位置:
- 标准下载网 >>
- 标准分类 >>
- 机械行业标准(JB) >>
- JB/T 9266-1999 显示仪表温度测量范围
标准号:
JB/T 9266-1999
标准名称:
显示仪表温度测量范围
标准类别:
机械行业标准(JB)
标准状态:
现行-
发布日期:
1999-08-06 -
实施日期:
2000-01-01 出版语种:
简体中文下载格式:
.rar.pdf下载大小:
60.44 KB
替代情况:
ZB Y282-1984
点击下载
标准简介:
标准下载解压密码:www.bzxz.net
本标准规定了显示仪表的温度测量范围。本标准适用于配合热电偶、热电阻和辐射感温器测量温度的显示仪表。显示仪表按温度(℃)分度。必要时.允许采用其它温度测量范围。 JB/T 9266-1999 显示仪表温度测量范围 JB/T9266-1999
部分标准内容:
1CS17.020
中华人民共和国机械行业标准
JB/T 92661999
显示仪表温度测量范围
Temperature measuring range of indicating instrumentsand recording instruments
199908-06发布
国家机械工业局
2000-01-01实施
JB/T9266—1999
本标准是对ZBY282—84显示仪表温度测量范围》的修订本标准与ZBY282一84在主要技术内容上没有差异,仅对原标准作丁编辑性修改本标准自实施之日起,代替 ZB 1 282--84本标准由全国工业过程测量和控制标准化技术委员会提出并归口。本标准主要起草单位:上海工业自动化仪装研究所。本标准主要起草人:陆嘉、谷庆昭。范围
中华人民共和国机械行业标准
显示仪表温度测量范围
Temperature measuring range of indicating instrumentsand recording instruments
本标准规定了显示仪表的温度测量范周。JB/T 9266--1999
代替ZB Y282--84
本标准适用于配合热电偶、热电阻和辐射感温器测量温度的显示仪表。显示仪表按温度(℃)分度。必要时,允许采用其它温度测量范围。与热电偶配用的显示仪表的温度测量范围2
与各种热电偶配用的显示仪表,其温度测量范围应符合表1的规定。表1
热电瑪名称
镍铬、铜镍
铜/铜镍
铁/铜藻
镍终,镍铝
镍铬,镍鞋
镍铬硅镍硅
铂10%/铂bzxZ.net
铂30%/铂6%
国家机械工业局1999~08-06批准分度号
200~600
400~800
200+300
300~600
0 ~600
0~1000
0-1300
400~800
500~1000
600~ 1200
0~1400
0 ~1600
600 ~ 1600
0 ~ 1600
0-1800
2000-01-01实施
JB/T 9266-1999
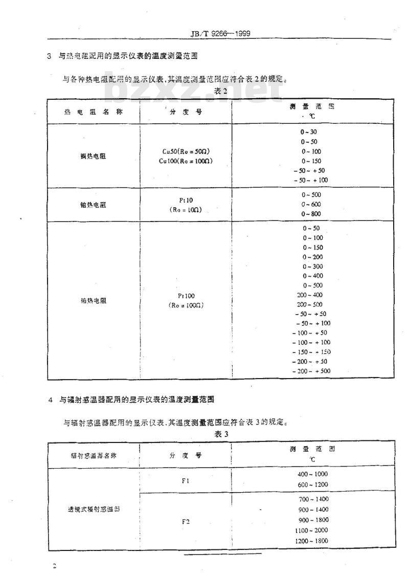
与热电阻配用的显示仪表的温度测蟹范与各种热电阻配用的显示仪表,其温度测量范圈应符合表2的规定。表?
热电阻名称
铜热电阻
铂热电阻
范热电阻
分度号
Cu50(Ro = 500)
Cu 100(Ro = 1000)
(Ro=100)
(Ro= 1002)
与辐射感温器配用的显示仪表的温度测量范围与辐射感温器配用的显示仪表.其温度测量范围应符合表3的规定。表3
暂舒感溢器名
透危式辐时您温器
分度号
浏盘范围
- 50 ~ + 50
- 50 ~ + 100
0 ~600
0~ 200
200400
200~500
- 50 ~ + 50
- 50 ~ + 100
- 100 ~ + 50
- 100 ~ + 100
- 150 ~ + 150
~ 200 ~ + 50
- 200 ~ + 500
迎量范固
4001000
600~1200
700~1400
900 - 1100
900~1800
1100~2000
1200~1800
小提示:此标准内容仅展示完整标准里的部分截取内容,若需要完整标准请到上方自行免费下载完整标准文档。
中华人民共和国机械行业标准
JB/T 92661999
显示仪表温度测量范围
Temperature measuring range of indicating instrumentsand recording instruments
199908-06发布
国家机械工业局
2000-01-01实施
JB/T9266—1999
本标准是对ZBY282—84显示仪表温度测量范围》的修订本标准与ZBY282一84在主要技术内容上没有差异,仅对原标准作丁编辑性修改本标准自实施之日起,代替 ZB 1 282--84本标准由全国工业过程测量和控制标准化技术委员会提出并归口。本标准主要起草单位:上海工业自动化仪装研究所。本标准主要起草人:陆嘉、谷庆昭。范围
中华人民共和国机械行业标准
显示仪表温度测量范围
Temperature measuring range of indicating instrumentsand recording instruments
本标准规定了显示仪表的温度测量范周。JB/T 9266--1999
代替ZB Y282--84
本标准适用于配合热电偶、热电阻和辐射感温器测量温度的显示仪表。显示仪表按温度(℃)分度。必要时,允许采用其它温度测量范围。与热电偶配用的显示仪表的温度测量范围2
与各种热电偶配用的显示仪表,其温度测量范围应符合表1的规定。表1
热电瑪名称
镍铬、铜镍
铜/铜镍
铁/铜藻
镍终,镍铝
镍铬,镍鞋
镍铬硅镍硅
铂10%/铂bzxZ.net
铂30%/铂6%
国家机械工业局1999~08-06批准分度号
200~600
400~800
200+300
300~600
0 ~600
0~1000
0-1300
400~800
500~1000
600~ 1200
0~1400
0 ~1600
600 ~ 1600
0 ~ 1600
0-1800
2000-01-01实施
JB/T 9266-1999
与热电阻配用的显示仪表的温度测蟹范与各种热电阻配用的显示仪表,其温度测量范圈应符合表2的规定。表?
热电阻名称
铜热电阻
铂热电阻
范热电阻
分度号
Cu50(Ro = 500)
Cu 100(Ro = 1000)
(Ro=100)
(Ro= 1002)
与辐射感温器配用的显示仪表的温度测量范围与辐射感温器配用的显示仪表.其温度测量范围应符合表3的规定。表3
暂舒感溢器名
透危式辐时您温器
分度号
浏盘范围
- 50 ~ + 50
- 50 ~ + 100
0 ~600
0~ 200
200400
200~500
- 50 ~ + 50
- 50 ~ + 100
- 100 ~ + 50
- 100 ~ + 100
- 150 ~ + 150
~ 200 ~ + 50
- 200 ~ + 500
迎量范固
4001000
600~1200
700~1400
900 - 1100
900~1800
1100~2000
1200~1800
小提示:此标准内容仅展示完整标准里的部分截取内容,若需要完整标准请到上方自行免费下载完整标准文档。
标准图片预览:




- 热门标准
- 机械行业标准(JB)
- JB/T7893.1-1999 立式振动离心机
- JB/T7899-1999 填充聚四氟乙烯软带导轨 技术条件
- JB/T7938-1999 液压泵站油箱公称容量系列
- JB/T1625-2002 工业锅炉焊接管孔
- JB/T7850-1995 手夹快换接头
- JB/T8009.4-1999 机床夹具零件及部件 弧形压块
- JB/T7936-1999 直廓环面蜗杆减速器
- JB/T7939-1999 单活塞杆液压缸两腔面积比
- JB/T7941.2-1995 旋入式圆形油杯
- JB/T7946.2-1999 铸造铝硅合金过烧
- JB/T7925.2-1995 滑动轴承 多层轴承减摩合金硬度检验方法
- JB/T6375-1992 气动阀用橡胶密封圈 尺寸系列和公差
- JB/T7945-1999 灰铸铁机械性能试验方法
- JB/T7966.3-1999 模具铣刀 第 3 部分:莫氏锥柄圆柱形球头立铣刀
- JB/T7946.3-1999 铸造铝合金针孔
- 行业新闻
请牢记:“bzxz.net”即是“标准下载”四个汉字汉语拼音首字母与国际顶级域名“.net”的组合。 ©2025 标准下载网 www.bzxz.net 本站邮件:bzxznet@163.com
网站备案号:湘ICP备2025141790号-2
网站备案号:湘ICP备2025141790号-2