- 您的位置:
- 标准下载网 >>
- 标准分类 >>
- 国家标准(GB) >>
- GB/T 13667.2-2003 积层式钢制书架技术条件
标准号:
GB/T 13667.2-2003
标准名称:
积层式钢制书架技术条件
标准类别:
国家标准(GB)
标准状态:
现行-
发布日期:
1992-09-04 -
实施日期:
2004-05-01 出版语种:
简体中文下载格式:
.rar.pdf下载大小:
230.37 KB
标准ICS号:
家用和商用设备、文娱、体育>>97.140家具中标分类号:
轻工、文化与生活用品>>家具>>Y81家具制品
替代情况:
GB/T 13667.2-1992
点击下载
标准简介:
标准下载解压密码:www.bzxz.net
GB/T13667的本部分规定了积层式钢制书架的术语和定义、分类和命名、材料和结构、要求、试验方法、检验规则、标志、包装、运输和贮存。本部分适用于积层式钢制书架。 GB/T 13667.2-2003 积层式钢制书架技术条件 GB/T13667.2-2003
部分标准内容:
本部分是对(H/T13367.2—1S层式钢刷架术条门的修订.本部分3/357.—185相比土营发化如下:CB/T13667.2—2003
—流益《/二3597,1\群仁”新\表面处理\杀款的订,本部分也所之而变::-将部分可结构件药案款谢整到化应象款中!原专装后立拉善自度要求过产:比作了修改;原标痛规定价数基为兴或三个息票单心,所样数票太人,难十实施,专志制企业生产则和拍举的三操作性.改为每批产而抽取三件!在检验现则1作了悠收·分!份验、型式检验和验收收验,本部办由中国轻三业联合会提出。本部分山全区家长标准化中心归口:本部分负大表中单信:国家办公用品设备见量监货校验中心。本部分参加起草单位,节州市背或档案图1设各!、路日市莱情办公家只限公、常州中文仁回书设备有限公司,
本部分十要起幸人,媒工群、同心义谭亚风、演款、关德松.本部分所代标准的杰次版本发布情况为:G/T1867,3-.332:1范用
积层式钢制书架技术条件
GA/T 13667.2—2003
GD/T1E?书车部分机定了积层式制制书架的术语利定义、分莞和扇、材料和站构、系求,试验方法,快验规则、标忠,位装,运微乳贴存,木都分造用于机总成钢制卡渠:2规范性引用文性
下列文件的条数道过3/1365,的本部百成部的条款,凡尽汁热的!用文件,其随后所有的修皮不包括断学的内穿或悠计版与不死」在部分,然而,皱提木站分让成协设的务方究否可使出这出文件的最新版去,凡是不汇日期的引月文,其教版本适月于部分:
G1/T15.包装储运图示标志(GR/~1S1—2030SO7m:1597)G/5.1作城生能,摄钉腺GB/3120GC,5OA-1G3:T1.2531985磁案结性钢和法合金结钢冷孔薄钢板改钢带(.3/113555图书用品设务严品4号制方达C:.355/.J一C谢制书架通用设术件3术语和定义
下列大语和定义适乐!G/T13市市的≥部分。3.1
积层式钢制书架acked teel thnnkrhelf用且起把内空间分病技层和性,有技帮供人上下的太型钢利层式架3.2
年板deck
分架各宏用的花级钢报或钢额混凝士玩制技,工人员取书时在上面定施节基础,3.3
军层单元5tarkedhnokshelf imit在积空式剩制刻层中两摄亢柱间可独立格成一个韦架的部分,其功能扫当于一个单柱型书架的上哭
通猫宽档家widtherpasgagewaydlslancebetweenottwo shelves两个积层单元之间走送的有效型为调完,购个层单元之中心回均高为档院3.5
积层单元正面宽widilsafTronLnlstaxhetl looksliellunit两根让之间的距离,
4分类和命名
产的类名成符合的求
CB/T13G67.2--2Q03
5材料和结构
5.1材料
5.1.1尺止钢制架计及应月格合B/112531>39的Q231成机械性能忧于Q235的冷乳钢钣制泄
5.1.2积层大钢书架其地零部件所月材料成约合(3/下3357.1的费求5.1.3中板可用花效钢板实源筋漏凝土等机将制造,龙强本质量应检合5.1.3的费求,例泥误上白恢定专业颜制
5.2结构
邮依结构心式无图1所示,免费标准下载网bzxz
极器协店
图1积层式钢制书案示意图
5.2.2各零部件点符含G13T13667.:的求5.2.3层式钢制朝随层教的加层性所定的载荷运将增1.技巧整满载,每积质单方个人员,部装满书的工作至门算,不同层次时,店层杜所受的荷见衣1。表1底层立性所受的载营
亚直方川是效
动效放
1作车币业
位学总教业
单些为十顿
2 1:31
GB/113667.2—2003
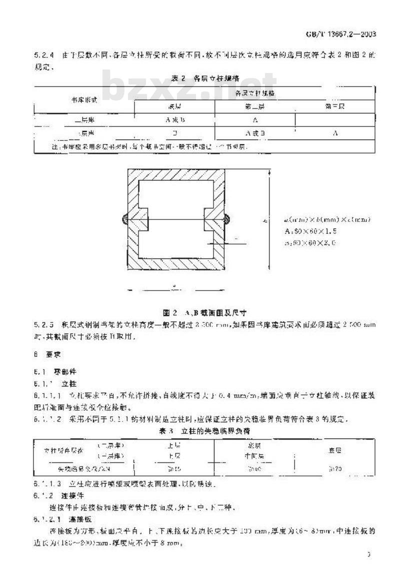
5.2.4住于层数不同,名层扫所受的载荷不同.放不层次立栏观格的逆月应符个表2和图2的规实,
表 2各层文付规咨
书库式
注:书库应采用多层书必时,与个赶并间股不得留让各文杜格
:“书业层
图2,B截面图及尺寸
(rmxmm)X.tmn)
A:50X60X1.5
.660X2.
5.2.5积尽式制书架拍支杆高度一般不超过20m如采因=库实筑求而必须超运2500mm正,其款面尺于必须接1取用
E.1孕部件
E1立柱
6.1. 1,1要求7日,不允许挤接,占裁度不役人心4 mm/m,端面减重卢一立杜轴线.以保证装已行面与连款最企位接前。
6.1.1.2采平不同于5.1.1的材判制遇立社时:应保证立社的穴税临界荷符分素3的愿定,表3立的先稳临界负荷
立打际产员夜
—库)
51.3立生底进行哦龈致喔单表面处理,以阅频谢,6.1.2连接件
连接件迄接检利连接和皆也较而放,分上户,下二种6. 1.2. 1连接忧
十E点
接板为方形,板面京平白,上下南按板片动长应大于m厚度为6~3,中连按板范避长为-厚爱不小于mm
GR/T13667.2—2C03
6. , 2. 2连接衰些
」选接卡管必纳乘自于逆找权,十注要件的间个套管成位于司一拍载三::赶按者的与盛不小」mm
连接营与,
6.1.2.3连接件的加工要求
产主要尺于药公登应符台书划定。表4连接件尺小公差
合年同的
成的活
6.1.2.4连接牛的表面处理
连按板平面质
连拨件应过行刷处理,以防锈油,续层不保出现漏刷,解底,引落现象6.1.3牛板
6.1.3.1得块受532下的尚不发牛损外和严变形至老与医的相对监
6.1.3.2单块币板些达成平络,无缺市,消达筋,花效钢版立进行刷逐处理,以防锈还,透层衣得山现滑剂露性,料落现象
E.1.4扶递
程层式例制1米冬层叫京没面天核:快样母云合已地,义会一白如热格的微款角度:4(--25
上棉的言教宽送:不小了500mn:三应有防料和波少噪变药整血::扶三满而成安企可靠,不得在失说的较角1.4.2按样盘进行表丽然理
品.1.5其他要求
积房式我制书要外与公差待音T,一U中,1规定的要求,积层或制规外规度称合(B/T137.1—2以中6,2裁定的费孕积虽式制黑物齐零部件的表面处印点符合G13下1357.1一2!6.3距定的要或:积层纳制5架瓶板放载劳压行合(让/T356:.12003中6.4现定的安求:累因件持3.1.5.4
GE/TS..定的贵求.
5.2租层式钢制书架的总体安装要求6.2.1积运式销利男书下近搞件应宁地:楼预课们外巨连情,上连接件点了预楼板款单件单固连CB/T 13667.2—2003
握,而定与壁预理州求固过接,组成一个恒体,以智加想六式钢制书累的整本稳论性。云与文列.性迪过主接作注接。
6.2.2安装中的心十云求;
)地(楼)理件应检好水平然后安装:5)新自积尺学长度的控限偏差为+2r同民注高度拨限端券为艺mtr:;
可否光花拟限差为三,边球部分可实际情沉子以证格下文机应安装在可灿线1轴线币白于求平面,3以1.%单格立检H乘占建不等太下12rm/m
3年接猫处前底不得大于3。
6.2.4积点率制书器在资装时应方分卡虑格车的超定性,齐后设受利拉控,斜长择明满制胖巨件或角钢制作连波方式可月螺叫是,7试验方法
7.1立柱互线废检验
平尺一型尺逊行测居。
7.2空柱先稳临界负荷试验
,2,1将杆哟国止支球在试光压头-机席之间,对好中心然后短慢阅我,北故不关轻资作页商盘大了表”的妈定,
7.2.2进行小头稳临界许莅试验的试验元满足如要求:行型范尚([心--25;mm,值范蓝能满足立性头临界负情证签的号求·刀低测年注确质误举.个大于2么:7.2过接件约垂直度检验
用尺与案注行测生,女认恒不证大于表1的规定7.4板静载减达险
一总中均长度等十挡宽为1250mm,克这为积层单心山回宽,对这样的成验时,忘在长方向两端m处与制全资出支控,然后中心m人m范应内放心的线尚保持均,上测钢解混质十项制故个有开裂和客况花致谢极忘用户分衣测乐,部裁25后多变形品小资人5m大子诺宽的极根光宽费必化接盟性若其我尚:成验场地京平括角倒政置
1.b这接件的表面和花蚊钢板别添处埋的质鼠整查目。
了.E各新层单元的外形尺寸与公差、外观、表面处理、耐腐蚀、调板静整荷检验分别按R/T37.-23中的1,.3.5.3...3.3,5,的熟让内餐进行免效7.7红装完毕后单根立柱垂克度检验用线与判直尺巡行测厘。
8检验规列
E.1检验分类
检验分出厂这验、单式按验孤验收将会三种,,2出厂验
P.2.1检险项目
也厂检验预按表中第质的原定和制序定行。GB/T:13667.2—2C03
尺小分考
本面处询
t、让换拌
成成迎试验
创版学心理
企在失长所界总征试应
中起学教有战控
8.2.2抽样数见
表5检验项目
技术来
G0:1 sc.36 中 6. :
5B/ T -6T. - -- 23 中 6. 2
G3/T .:667. 2 --2563 中 t. 33. 1. 1.3. J. 2
比验法
6-I 13(67,1 2.3中,1
G6/1 13C67. 1 26.3 中7.3
CC T 1atb7. 1-- 260: 中 7.3
: GB/T .H. 1.-X中.3.3.3 GB/T 13-, [-23中 -.3.3.~GB-1at. 230 6.?
GE-T 13. [--2623 中 r.?
相层书架供试验的样品在机层单儿册下,除或长外司一此主产的三要零部伴,推样效量为每人零行件。
8.2.3判定康则
8.2.3.1出厂检验项日全部合格时为通过出,资监,字.该产品出厂格整合路823.2出「格验顺口办一锁口不合放时则对不合格能日对抛样标验,划仍、总格购别送抵产品出!校验小含格。
9.3型检验
8.3.1情记之一时,应进行型式检验:!亲产品敢虑产品转广牛产的试群定些尺:正式生产后:如翁构,划称,小.有较大点受.可能点响产品上能;b:
产品停年后读建生产时;
国家质量监督部认提出型式检要求时,型武检监项日为表5中的全部项月,于化只检否急有无运行过确化,而不达行点体的性能8.3.2
检验:
8.3.3基式检龄益群本病个经出!格验介格的产十随机拖报:过学方法,效量与出!检会内境定8.3.4考定原则证下:
8.3.4.1举式检验师H全部合格时,为通过单式按验,剂该批产品型式格鉴合格。83.4.2型业检验项润板融转荷、立女火临销负两,量荷与一不个月人合格,测划酸次型式检验不合情。其他项有一项H卡台本时史加复检,复检合格划该次型式格学合格:芊仍有个项不金格对,州该达基式检验会8.2验收检
报括积层式钢制卡架的钙殊七,在书契组装光毕后动在运行验收检验,其技术指标量符6.”韧定,
9拯志、包装,运输些存
9.1标志
9. 7. 1 产品标志
!产品减有乐太,起志成位于产品的味显部位:1)标志内成包括:商环、名称,型号规格、制迅也位名称、丰产日期和按行标准状卡、5
9.1.2包装箱标志
)标志应别在包装的明显部位:)标忠度包活等部法称、型号规格、数量、厂名、址。包装箱上债运图示标定符命(T的趣定,C
9.2包装
CB/T13667.2—2033
书架的所有零部件组合件均应分类仓装,井书些物以两硅控伤。化销板可开游或革校色装逆接们可用柳条崔包装立和,潮长庞木柜索引纸箱包装:9.3运期
经包装好的产品应能适应让何交通!具的止常运输:在运输过程中:应避免损伤和雨雪游装3,4必存
经包装与的产品应存在十燥迪网的室出包床,娃放业定对上儿抵,避免与腐蚀三物压可气位
小提示:此标准内容仅展示完整标准里的部分截取内容,若需要完整标准请到上方自行免费下载完整标准文档。
—流益《/二3597,1\群仁”新\表面处理\杀款的订,本部分也所之而变::-将部分可结构件药案款谢整到化应象款中!原专装后立拉善自度要求过产:比作了修改;原标痛规定价数基为兴或三个息票单心,所样数票太人,难十实施,专志制企业生产则和拍举的三操作性.改为每批产而抽取三件!在检验现则1作了悠收·分!份验、型式检验和验收收验,本部办由中国轻三业联合会提出。本部分山全区家长标准化中心归口:本部分负大表中单信:国家办公用品设备见量监货校验中心。本部分参加起草单位,节州市背或档案图1设各!、路日市莱情办公家只限公、常州中文仁回书设备有限公司,
本部分十要起幸人,媒工群、同心义谭亚风、演款、关德松.本部分所代标准的杰次版本发布情况为:G/T1867,3-.332:1范用
积层式钢制书架技术条件
GA/T 13667.2—2003
GD/T1E?书车部分机定了积层式制制书架的术语利定义、分莞和扇、材料和站构、系求,试验方法,快验规则、标忠,位装,运微乳贴存,木都分造用于机总成钢制卡渠:2规范性引用文性
下列文件的条数道过3/1365,的本部百成部的条款,凡尽汁热的!用文件,其随后所有的修皮不包括断学的内穿或悠计版与不死」在部分,然而,皱提木站分让成协设的务方究否可使出这出文件的最新版去,凡是不汇日期的引月文,其教版本适月于部分:
G1/T15.包装储运图示标志(GR/~1S1—2030SO7m:1597)G/5.1作城生能,摄钉腺GB/3120GC,5OA-1G3:T1.2531985磁案结性钢和法合金结钢冷孔薄钢板改钢带(.3/113555图书用品设务严品4号制方达C:.355/.J一C谢制书架通用设术件3术语和定义
下列大语和定义适乐!G/T13市市的≥部分。3.1
积层式钢制书架acked teel thnnkrhelf用且起把内空间分病技层和性,有技帮供人上下的太型钢利层式架3.2
年板deck
分架各宏用的花级钢报或钢额混凝士玩制技,工人员取书时在上面定施节基础,3.3
军层单元5tarkedhnokshelf imit在积空式剩制刻层中两摄亢柱间可独立格成一个韦架的部分,其功能扫当于一个单柱型书架的上哭
通猫宽档家widtherpasgagewaydlslancebetweenottwo shelves两个积层单元之间走送的有效型为调完,购个层单元之中心回均高为档院3.5
积层单元正面宽widilsafTronLnlstaxhetl looksliellunit两根让之间的距离,
4分类和命名
产的类名成符合的求
CB/T13G67.2--2Q03
5材料和结构
5.1材料
5.1.1尺止钢制架计及应月格合B/112531>39的Q231成机械性能忧于Q235的冷乳钢钣制泄
5.1.2积层大钢书架其地零部件所月材料成约合(3/下3357.1的费求5.1.3中板可用花效钢板实源筋漏凝土等机将制造,龙强本质量应检合5.1.3的费求,例泥误上白恢定专业颜制
5.2结构
邮依结构心式无图1所示,免费标准下载网bzxz
极器协店
图1积层式钢制书案示意图
5.2.2各零部件点符含G13T13667.:的求5.2.3层式钢制朝随层教的加层性所定的载荷运将增1.技巧整满载,每积质单方个人员,部装满书的工作至门算,不同层次时,店层杜所受的荷见衣1。表1底层立性所受的载营
亚直方川是效
动效放
1作车币业
位学总教业
单些为十顿
2 1:31
GB/113667.2—2003
5.2.4住于层数不同,名层扫所受的载荷不同.放不层次立栏观格的逆月应符个表2和图2的规实,
表 2各层文付规咨
书库式
注:书库应采用多层书必时,与个赶并间股不得留让各文杜格
:“书业层
图2,B截面图及尺寸
(rmxmm)X.tmn)
A:50X60X1.5
.660X2.
5.2.5积尽式制书架拍支杆高度一般不超过20m如采因=库实筑求而必须超运2500mm正,其款面尺于必须接1取用
E.1孕部件
E1立柱
6.1. 1,1要求7日,不允许挤接,占裁度不役人心4 mm/m,端面减重卢一立杜轴线.以保证装已行面与连款最企位接前。
6.1.1.2采平不同于5.1.1的材判制遇立社时:应保证立社的穴税临界荷符分素3的愿定,表3立的先稳临界负荷
立打际产员夜
—库)
51.3立生底进行哦龈致喔单表面处理,以阅频谢,6.1.2连接件
连接件迄接检利连接和皆也较而放,分上户,下二种6. 1.2. 1连接忧
十E点
接板为方形,板面京平白,上下南按板片动长应大于m厚度为6~3,中连按板范避长为-厚爱不小于mm
GR/T13667.2—2C03
6. , 2. 2连接衰些
」选接卡管必纳乘自于逆找权,十注要件的间个套管成位于司一拍载三::赶按者的与盛不小」mm
连接营与,
6.1.2.3连接件的加工要求
产主要尺于药公登应符台书划定。表4连接件尺小公差
合年同的
成的活
6.1.2.4连接牛的表面处理
连按板平面质
连拨件应过行刷处理,以防锈油,续层不保出现漏刷,解底,引落现象6.1.3牛板
6.1.3.1得块受532下的尚不发牛损外和严变形至老与医的相对监
6.1.3.2单块币板些达成平络,无缺市,消达筋,花效钢版立进行刷逐处理,以防锈还,透层衣得山现滑剂露性,料落现象
E.1.4扶递
程层式例制1米冬层叫京没面天核:快样母云合已地,义会一白如热格的微款角度:4(--25
上棉的言教宽送:不小了500mn:三应有防料和波少噪变药整血::扶三满而成安企可靠,不得在失说的较角1.4.2按样盘进行表丽然理
品.1.5其他要求
积房式我制书要外与公差待音T,一U中,1规定的要求,积层或制规外规度称合(B/T137.1—2以中6,2裁定的费孕积虽式制黑物齐零部件的表面处印点符合G13下1357.1一2!6.3距定的要或:积层纳制5架瓶板放载劳压行合(让/T356:.12003中6.4现定的安求:累因件持3.1.5.4
GE/TS..定的贵求.
5.2租层式钢制书架的总体安装要求6.2.1积运式销利男书下近搞件应宁地:楼预课们外巨连情,上连接件点了预楼板款单件单固连CB/T 13667.2—2003
握,而定与壁预理州求固过接,组成一个恒体,以智加想六式钢制书累的整本稳论性。云与文列.性迪过主接作注接。
6.2.2安装中的心十云求;
)地(楼)理件应检好水平然后安装:5)新自积尺学长度的控限偏差为+2r同民注高度拨限端券为艺mtr:;
可否光花拟限差为三,边球部分可实际情沉子以证格下文机应安装在可灿线1轴线币白于求平面,3以1.%单格立检H乘占建不等太下12rm/m
3年接猫处前底不得大于3。
6.2.4积点率制书器在资装时应方分卡虑格车的超定性,齐后设受利拉控,斜长择明满制胖巨件或角钢制作连波方式可月螺叫是,7试验方法
7.1立柱互线废检验
平尺一型尺逊行测居。
7.2空柱先稳临界负荷试验
,2,1将杆哟国止支球在试光压头-机席之间,对好中心然后短慢阅我,北故不关轻资作页商盘大了表”的妈定,
7.2.2进行小头稳临界许莅试验的试验元满足如要求:行型范尚([心--25;mm,值范蓝能满足立性头临界负情证签的号求·刀低测年注确质误举.个大于2么:7.2过接件约垂直度检验
用尺与案注行测生,女认恒不证大于表1的规定7.4板静载减达险
一总中均长度等十挡宽为1250mm,克这为积层单心山回宽,对这样的成验时,忘在长方向两端m处与制全资出支控,然后中心m人m范应内放心的线尚保持均,上测钢解混质十项制故个有开裂和客况花致谢极忘用户分衣测乐,部裁25后多变形品小资人5m大子诺宽的极根光宽费必化接盟性若其我尚:成验场地京平括角倒政置
1.b这接件的表面和花蚊钢板别添处埋的质鼠整查目。
了.E各新层单元的外形尺寸与公差、外观、表面处理、耐腐蚀、调板静整荷检验分别按R/T37.-23中的1,.3.5.3...3.3,5,的熟让内餐进行免效7.7红装完毕后单根立柱垂克度检验用线与判直尺巡行测厘。
8检验规列
E.1检验分类
检验分出厂这验、单式按验孤验收将会三种,,2出厂验
P.2.1检险项目
也厂检验预按表中第质的原定和制序定行。GB/T:13667.2—2C03
尺小分考
本面处询
t、让换拌
成成迎试验
创版学心理
企在失长所界总征试应
中起学教有战控
8.2.2抽样数见
表5检验项目
技术来
G0:1 sc.36 中 6. :
5B/ T -6T. - -- 23 中 6. 2
G3/T .:667. 2 --2563 中 t. 33. 1. 1.3. J. 2
比验法
6-I 13(67,1 2.3中,1
G6/1 13C67. 1 26.3 中7.3
CC T 1atb7. 1-- 260: 中 7.3
: GB/T .H. 1.-X中.3.3.3 GB/T 13-, [-23中 -.3.3.~GB-1at. 230 6.?
GE-T 13. [--2623 中 r.?
相层书架供试验的样品在机层单儿册下,除或长外司一此主产的三要零部伴,推样效量为每人零行件。
8.2.3判定康则
8.2.3.1出厂检验项日全部合格时为通过出,资监,字.该产品出厂格整合路823.2出「格验顺口办一锁口不合放时则对不合格能日对抛样标验,划仍、总格购别送抵产品出!校验小含格。
9.3型检验
8.3.1情记之一时,应进行型式检验:!亲产品敢虑产品转广牛产的试群定些尺:正式生产后:如翁构,划称,小.有较大点受.可能点响产品上能;b:
产品停年后读建生产时;
国家质量监督部认提出型式检要求时,型武检监项日为表5中的全部项月,于化只检否急有无运行过确化,而不达行点体的性能8.3.2
检验:
8.3.3基式检龄益群本病个经出!格验介格的产十随机拖报:过学方法,效量与出!检会内境定8.3.4考定原则证下:
8.3.4.1举式检验师H全部合格时,为通过单式按验,剂该批产品型式格鉴合格。83.4.2型业检验项润板融转荷、立女火临销负两,量荷与一不个月人合格,测划酸次型式检验不合情。其他项有一项H卡台本时史加复检,复检合格划该次型式格学合格:芊仍有个项不金格对,州该达基式检验会8.2验收检
报括积层式钢制卡架的钙殊七,在书契组装光毕后动在运行验收检验,其技术指标量符6.”韧定,
9拯志、包装,运输些存
9.1标志
9. 7. 1 产品标志
!产品减有乐太,起志成位于产品的味显部位:1)标志内成包括:商环、名称,型号规格、制迅也位名称、丰产日期和按行标准状卡、5
9.1.2包装箱标志
)标志应别在包装的明显部位:)标忠度包活等部法称、型号规格、数量、厂名、址。包装箱上债运图示标定符命(T的趣定,C
9.2包装
CB/T13667.2—2033
书架的所有零部件组合件均应分类仓装,井书些物以两硅控伤。化销板可开游或革校色装逆接们可用柳条崔包装立和,潮长庞木柜索引纸箱包装:9.3运期
经包装好的产品应能适应让何交通!具的止常运输:在运输过程中:应避免损伤和雨雪游装3,4必存
经包装与的产品应存在十燥迪网的室出包床,娃放业定对上儿抵,避免与腐蚀三物压可气位
小提示:此标准内容仅展示完整标准里的部分截取内容,若需要完整标准请到上方自行免费下载完整标准文档。
标准图片预览:





- 其它标准
- 热门标准
- 国家标准(GB)
- GB/T30917—2014 /ISo 29941:2010 天然胶乳橡胶避孕套中可迁移亚硝胺的测定
- GB/T12777-1999 金属波纹管膨胀节通用技术条件
- GB15193.5-2003 骨髓细胞微核试验
- GB/T29633.4-2020 南极地名 第4部分:罗马字母拼写
- GB/T39964-2021 造纸行业能源管理体系实施指南
- GB/T43929-2024 空间用纤维光学器件测试指南
- GB/T42970-2023 半导体集成电路 视频编解码电路测试方法
- GB/T43225-2023 空间物体登记要求
- GB15985-1995 丝虫病诊断标准及处理原则
- GB19159-2003 车用液化石油气
- GB/T7407-1997 中国及世界主要海运贸易港口代码
- GB1913.2-1990 漂白浸渍绝缘纸
- GB14287.4-2014 电气火灾监控系统 第4部分:故障电弧探测器
- GB5237.3-2008 铝合金建筑型材 第3部分:电泳涂漆型材
- GB/T9771.6-2020 通信用单模光纤 第6部分:宽波长段 光传输用非零色散单模光纤特性
- 行业新闻
请牢记:“bzxz.net”即是“标准下载”四个汉字汉语拼音首字母与国际顶级域名“.net”的组合。 ©2025 标准下载网 www.bzxz.net 本站邮件:bzxznet@163.com
网站备案号:湘ICP备2025141790号-2
网站备案号:湘ICP备2025141790号-2