- 您的位置:
- 标准下载网 >>
- 标准分类 >>
- 轻工行业标准(QB) >>
- QB/T 2212.3-1996 建筑工具(泥瓦类)尖头形平抹子
标准号:
QB/T 2212.3-1996
标准名称:
建筑工具(泥瓦类)尖头形平抹子
标准类别:
轻工行业标准(QB)
标准状态:
现行-
发布日期:
1993-03-22 -
实施日期:
1996-12-01 出版语种:
简体中文下载格式:
.rar.pdf下载大小:
58.86 KB
点击下载
标准简介:
标准下载解压密码:www.bzxz.net
本标准规定了尖头形平抹子的产品分类、技术要求、试验方法、检验规则、包装、标志、运输与贮存。本标准适用于QB/T 2212.1-1996《建筑工具(泥瓦类) 术语》中规定的第201号尖头形平抹子。 QB/T 2212.3-1996 建筑工具(泥瓦类)尖头形平抹子 QB/T2212.3-1996
部分标准内容:
QB/T2212.3--1996
本标准是在原轻工业部专业标准ZBJ47001-1985《建筑(泥瓦)工具术语》、ZBJ47002-1985《建筑(泥瓦)工具通用技术条件》、ZBJ47003-1985《建筑(泥瓦)工具检验规则、标志、包装与运输》的基础上进行修订的,并转化为轻工行业标准。在标准的总体结构上,保留了建筑工具术语、通用技术条件及其产品标准,取消了原ZBJ47003--1985《建筑(泥瓦)工具检验规则、标志、包装与运输》,将其部分有关条文并人通用技术条件。产品标准按术语中编号予以保留,并增加一《菱形砌铲》产品标准。本标准将原名称括号内(泥瓦)二字改为(泥瓦类),放在标准名称“建筑工具”的后面,使建筑作业用的手工工具更规范化,并在适用范围中作出明确的限定说明。本标准是配套使用的标准,术语与通用技术条件为基础性的,保留了原标准中经实践证明适合我国情况的技术内容。产品标准中的主要尺寸作了优化处理,增加几档规格,并注明极限偏差。本标准对某些质量指标作了修改和提高。
本标准自实施之日起,同时废止ZBJ47001~47003-1985。本标准由中国轻工总会质最标准部提出。本标准由全国工具五金标准化中心归口。本标准起草单位:上海市工具工业研究所、石家庄工农机械厂、大连房屋设备工具总厂、上海奉贤工具三广等。
本标准主要起草人:程永丰、左振江、田丽敏、林、王辰德。本标准委托全国工具五金标准化中心负责解释。590
范圈围
中华人民共和国轻工行业标准
建筑工具(泥瓦类)
尖头形平抹子此内容来自标准下载网
QB/T 2212.3--1996
本标准规定了尖头形平抹子的产品分类、技术要求、试验方法、检验规则、包装、标志、运输与贮存。本标准适用于QB/T2212.1-1996《建筑工具(泥瓦类)术语》中规定的第201号尖头形平抹子。2 引用标准
下列标准所包含的条文,通过在本标准中引用而构成为本标准的条文。本标准出版时,所示版本均为有效。所有标准都会被修订,使用本标准的各方应探讨使用下列标准最新版本的可能性。QB/T2212.1-1996建筑工具(泥瓦类)术语QB/T2212.2--1996建筑工具(泥瓦类)通用技术条件3产品分类
3.1型式
尖头形平抹子的型式如图1所示。Cc
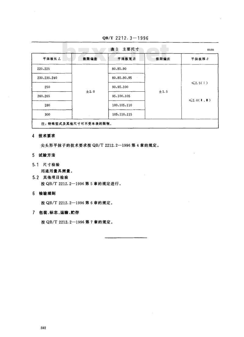
3.2主要尺寸
尖头形平抹子的主要尺寸按表1的规定。中国轻工总会1996-03-22批准
TKAONKAca-
D-D旋转
1996-12-01实施
平球板长L
220,225
230,235,240
极限偏差
QB/T2212.3—1996
表1 主要尺寸
平抹板宽 B
80,85.90,95
90.95,100
95.100,105
100,105,110
105,110,115
注:特殊型式及其他尺寸可不受本表的限制。4、技术要求
极限偏差
尖头形平抹子的技术要求按QB/T2212.2-1996第4章的规定。5试验方法
5.1尺寸检验
用通用素具测量。
5.2其他项目检验
按QB/T2212.2--1996第5章的规定进行。6 检验规测
按QB/T2212.2—1996第6章的规定。7包装、标志、运输、贮存
按QB/T2212.2—1996第7章的规定。592
平抹板厚?
≤2.5(1)
≤2. 0(1、1)
小提示:此标准内容仅展示完整标准里的部分截取内容,若需要完整标准请到上方自行免费下载完整标准文档。
本标准是在原轻工业部专业标准ZBJ47001-1985《建筑(泥瓦)工具术语》、ZBJ47002-1985《建筑(泥瓦)工具通用技术条件》、ZBJ47003-1985《建筑(泥瓦)工具检验规则、标志、包装与运输》的基础上进行修订的,并转化为轻工行业标准。在标准的总体结构上,保留了建筑工具术语、通用技术条件及其产品标准,取消了原ZBJ47003--1985《建筑(泥瓦)工具检验规则、标志、包装与运输》,将其部分有关条文并人通用技术条件。产品标准按术语中编号予以保留,并增加一《菱形砌铲》产品标准。本标准将原名称括号内(泥瓦)二字改为(泥瓦类),放在标准名称“建筑工具”的后面,使建筑作业用的手工工具更规范化,并在适用范围中作出明确的限定说明。本标准是配套使用的标准,术语与通用技术条件为基础性的,保留了原标准中经实践证明适合我国情况的技术内容。产品标准中的主要尺寸作了优化处理,增加几档规格,并注明极限偏差。本标准对某些质量指标作了修改和提高。
本标准自实施之日起,同时废止ZBJ47001~47003-1985。本标准由中国轻工总会质最标准部提出。本标准由全国工具五金标准化中心归口。本标准起草单位:上海市工具工业研究所、石家庄工农机械厂、大连房屋设备工具总厂、上海奉贤工具三广等。
本标准主要起草人:程永丰、左振江、田丽敏、林、王辰德。本标准委托全国工具五金标准化中心负责解释。590
范圈围
中华人民共和国轻工行业标准
建筑工具(泥瓦类)
尖头形平抹子此内容来自标准下载网
QB/T 2212.3--1996
本标准规定了尖头形平抹子的产品分类、技术要求、试验方法、检验规则、包装、标志、运输与贮存。本标准适用于QB/T2212.1-1996《建筑工具(泥瓦类)术语》中规定的第201号尖头形平抹子。2 引用标准
下列标准所包含的条文,通过在本标准中引用而构成为本标准的条文。本标准出版时,所示版本均为有效。所有标准都会被修订,使用本标准的各方应探讨使用下列标准最新版本的可能性。QB/T2212.1-1996建筑工具(泥瓦类)术语QB/T2212.2--1996建筑工具(泥瓦类)通用技术条件3产品分类
3.1型式
尖头形平抹子的型式如图1所示。Cc
3.2主要尺寸
尖头形平抹子的主要尺寸按表1的规定。中国轻工总会1996-03-22批准
TKAONKAca-
D-D旋转
1996-12-01实施
平球板长L
220,225
230,235,240
极限偏差
QB/T2212.3—1996
表1 主要尺寸
平抹板宽 B
80,85.90,95
90.95,100
95.100,105
100,105,110
105,110,115
注:特殊型式及其他尺寸可不受本表的限制。4、技术要求
极限偏差
尖头形平抹子的技术要求按QB/T2212.2-1996第4章的规定。5试验方法
5.1尺寸检验
用通用素具测量。
5.2其他项目检验
按QB/T2212.2--1996第5章的规定进行。6 检验规测
按QB/T2212.2—1996第6章的规定。7包装、标志、运输、贮存
按QB/T2212.2—1996第7章的规定。592
平抹板厚?
≤2.5(1)
≤2. 0(1、1)
小提示:此标准内容仅展示完整标准里的部分截取内容,若需要完整标准请到上方自行免费下载完整标准文档。
标准图片预览:



- 其它标准
- 热门标准
- 轻工行业标准(QB)
- QB/T5247-2018 箱包配件塑料插扣耐 用性能试验方法
- QB/T2856-2007 毛革服装
- QB2584-2003 蒸汽淋浴房
- QB/T2711-2005 皮革 物理和机械试验 撕裂力的测定:双边撕裂
- QB/T1664-1998 纸板戳穿强度测定仪
- QB/T2161-1995 儿童推车整车通用技术条件
- QB/T2425-1998 封箱用再湿性牛皮纸胶粘带
- QB/T3520-1999 500kV油纸套管绝缘纸
- QB/T2569.6-2002 钢锉 木锉
- QB/T1433.10-2005 饼干 装饰饼干
- QB/T1439-2005 帐册
- QB/T1584-2005 日用皮手套
- QB/T2333-1997 防晒化妆品中紫外线吸收剂定量测定高效液相色谱法
- QB/T1756-1993 造纸机械湍流式中浓度浆泵
- QB/T1782-1993 苯乙醇
- 行业新闻
请牢记:“bzxz.net”即是“标准下载”四个汉字汉语拼音首字母与国际顶级域名“.net”的组合。 ©2025 标准下载网 www.bzxz.net 本站邮件:bzxznet@163.com
网站备案号:湘ICP备2025141790号-2
网站备案号:湘ICP备2025141790号-2