- 您的位置:
- 标准下载网 >>
- 标准分类 >>
- 化工行业标准(HG) >>
- HG/T 3478-1999 化学试剂 酒石酸钠
标准号:
HG/T 3478-1999
标准名称:
化学试剂 酒石酸钠
标准类别:
化工行业标准(HG)
标准状态:
现行-
发布日期:
1999-06-16 -
实施日期:
2000-06-01 出版语种:
简体中文下载格式:
.rar.pdf下载大小:
145.41 KB
标准ICS号:
化工技术>>分析化学>>71.040.30化学试剂中标分类号:
化工>>化学试剂>>G63一般有机试剂、有机溶剂
替代情况:
HG/T 3478-1977
部分标准内容:
备案号:3866—1999
HG/T 3478—1999
本标准是在化工行业标准HG/T3478-1977《化学试剂酒石酸钠》的基础上修订的。本标准给出了分析纯、化学纯二个级别。
本标准与HG/T3478-1977的差异为:放宽了澄清度试验;分析纯铁规格提高一倍:除含量、氯化物、铁兰项外,其他项目采用我国已制定的化学试剂通用试验方法标准。本标准自实施之日起,同时代替HG/T3478--1977。本标准由中华人民共和国原化学工业部技术监督司提出。本标准由全国化学标化技术委员会化学试剂分会归口。本标准起草单位:上海化学试剂有限公司。本标准主要起草人:陈浩云。
本标准于1959年首次发布,于1977年修订。1264
中华人民共和国化工行业标准
化学试剂
酒石酸钠
Chemical reagent-Sodium tartrate dihydrate分子式:C,H,O.Na2·2H,0
相对分子质量:230.08(根据1995年国际相对原子质量)1范围
HG/T 3478—1999
代替 HG/T 3478—1977
本标准规定了化学试剂酒石酸钠的要求、试验方法、检验规则、包装及标志。2引用标准
下列标准所包含的条文,通过在本标推中引用而构成为本标准的条文。本标准出版时,所示版本均为有效。所有标准都会被修订,使用本标准的各方应探讨使用下列标准最新版本的可能性。GB/T 601—1988
GB/T 602—1988
GB/T 6031988
GB/T 6191988
GB/T 6682--1992
GB/T 9724--1988
GB/T 9727---1988bzxZ.net
GB/T 9728-1988
GB/T 9735--1988
GB/T 9738—1988
化学试剂
化学试剂
化学试剂
化学试剂
滴定分析(容量分析)用标准溶液的制备杂质测定用标准溶液的制备
试验方法中所用制剂及制品的制备采样及验收规则
分析实验室用水规格和试验方法(negISO3696:1987)化学试剂
pH值测定通则(eqvISO6353-1:1982)化学试剂
化学试剂
化学试剂
化学试剂
GB 15346--1994
化学试剂
HG/T 3484—1999
3性状
化学试剂
磷酸盐测定通用方法(neqISO6353-1:1982)硫酸盐测定通用方法(eqvISO6353-1:1982)重金属测定通用方法(eqvISO6353-1:1982)水不溶物测定通用方法(eqvISO6353-1:1982)包装及标志
标准玻璃乳浊液和澄清度标准
本试剂为无色结晶或白色结晶性粉末,易溶于水,其水溶液(100g/L)呈右旋性。难溶于乙醇。4规格
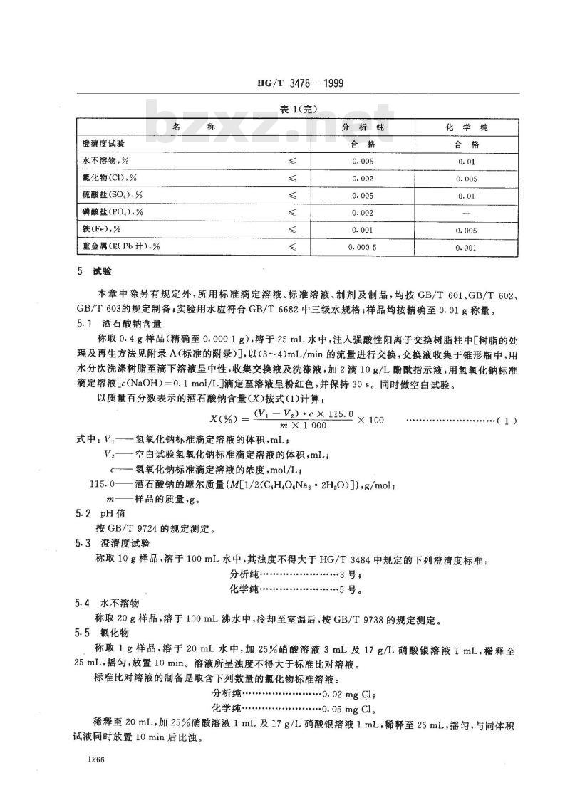
酒石酸钠的规格见表1。
表1酒石酸钠的规格
酒石酸钠含量(C.H.O.Na2·2H2O),%pH 值(25℃,50 g/L)
国家石油和化学工业局1999-06-16批准分析纯
7.0~~9.0
化学纯
2000-06-01实施
澄清度试验
水不溶物,%
氯化物(CI),%
硫酸盐(SO),%
磷酸盐(PO,),%
铁(Fe),%
重金属(以 Pb 计),%
5试验
HG/T 3478 - 1999
表1(完)
分析纯
化学纯
本章中除另有规定外,所用标准滴定溶液、标准溶液、制剂及制品,均按GB/T601、GB/T602、GB/T603的规定制备;实验用水应符合GB/T6682中三级水规格;样品均按精确至0.01g称量。5.1酒石酸钠含量
称取0.4g样品(精确至0.0001g),溶于25mL水中,注入强酸性阳离子交换树脂柱中[树脂的处理及再生方法见附录A(标准的附录)],以(3~4)mL/min的流量进行交换,交换液收集于锥形瓶中,用水分次洗涤树脂至滴下溶液呈中性,收集交换液及洗涤液,加2滴10g/L酚酸指示液,用氢氧化钠标准滴定溶液[c(NaOH)一0.1mo1/L]滴定至溶液呈粉红色,并保持30s。同时做空白试验。以质量百分数表示的酒石酸钠含量(X)按式(1)计算:V/-V):cx 115.0 × 100
x(%) =
m X 1 000
式中:Vi—氢氧化钠标准滴定溶液的体积,mL,Vz—空白试验氢氧化钠标准滴定溶液的体积,mL;氢氧化钠标准滴定溶液的浓度,mol/L,115.0-
酒石酸钠的摩尔质量(M[1/2(C,H,O.Naz·2H,O)J),g/mol;样品的质量,g。
按GB/T9724的规定测定。
5.3澄清度试验
称取10g样品,溶于100mL水中,其浊度不得大于HG/T3484中规定的下列澄清度标准:分析纯·…
化学纯··
5.4水不溶物
3号;
·5号。
称取20g样品,溶于100mL沸水中,冷却至室温后,按GB/T9738的规定测定。5.5氟化物
称取1g样品,溶于20mL水中,加25%硝酸溶液3mL及17g/L硝酸银溶液1mL,稀释至25 mL,摇勾,放置10 min。溶液所呈浊度不得大于标准比对溶液。标准比对溶液的制备是取含下列数量的氯化物标准溶液:分析纯·
化学纯
+...0. 02 mg Cl;
...0. 05 mg Cl.
稀释至20mL,加25%硝酸溶液1mL及17g/L硝酸银溶液1mL,稀释至25mL,摇匀,与同体积试液同时放置10min后比浊。
5.6硫酸盐
HG/T 3478-—1999
称取0.2g样品,溶于10ml水中,加20%盐酸溶液0.5mL酸化后,按GB/T9728的规定测定。溶液所呈独度不得大于标推比对溶液。标准比对溶液的制备是取含下列数量的硫酸盐标准溶液:分析纯
化学纯
与样品同时同样处理。
5.7磷酸盐
..0. 01 mg SO4;
....0. 02 mg SO..
称取0.5g样品,置于铂塔中,加热炭化,于(650士50)℃灼烧至白,冷却,加5mL水及5mL硝酸,蒸干,残渣溶于5mL水(必要时过滤),加2滴饱和2,4-二硝基酚指示液,用10%氨水溶液调至黄色刚刚出现,再滴加13%硝酸溶液至黄色刚刚消失,稀释至10mL后,按GB/T9727的规定测定。有机层所呈蓝色不得深于标准比对溶液。标准比对溶液的制备是取含0.01mgPO,的磷酸盐标准溶液,稀释至5mL,加2滴饱和2,4-二硝基酚指示液,滴加13%硝酸溶液至黄色刚刚消失,稀释至10mL,与同体积试液同时同样处理。5.8铁
称取1g样品,溶于20mL水中,加100g/L盐酸羟胺溶液2mL,摇勺,放蟹5min,加乙酸-乙酸钠缓冲溶液(pH3)2mL及2g/L1,10-菲啰啉溶液2mL,摇勾,放置10min。溶液所呈红色不得深于标准比对溶液。
标准比对溶液的制备是取含下列数量的铁标准溶液:分析纯
化学纯
与样品同时同样处理。
5.9重金属
.0. 01 mg Fe:
..0. 05 mg Fe.
称取2g样品,溶于20mlL水中,加30%乙酸溶液0.2mL后,按GB/T9735的规定测定。溶液所呈暗色不得深于标准比对溶液。标准比对溶液的制备是取含下列数量的铅标推溶液:分析纯·
化学纯
与样品同时同样处理。
6检验规则
按GB/T619的规定进行采样及验收。7包装及标志
...0. 01 mg Pb;
-0. 02 mg Pb.
按GB15346的规定进行包装、贮存与运输,并给出标志,其中:包装单位:第4类;
内包装形式:NB-4、NBY-4、NB-5、NBY-5、NB-7、NB-8、NB-10、NB-11、NB-13、NB-15;隔离材料:GC-2、GC-3、GC-4;
外包装形式:WB-1、WB-2、WB-3。1267
A1仪器
HG/T3478—1999
附录A
(标准的附录)
强酸性阳离子交换树脂的处理和再生方法A1.1交换柱材料:玻璃管或聚乙烯管。A1.2交换柱内径:(10~20)mm。A1.3树脂床高度:约400mm(膨胀后树脂体积占交换柱高度的2/3)。A1.4 树脂颗粒度:(0.2~~0.8)mm。A2处理方法
取适量的强酸性阳离子交换树脂于烧杯中(干树脂,应先用饱和氮化钠溶液浸泡,再逐步稀释氯化钠溶液,以免树脂膨胀而破碎),用水漂洗至澄清后,加水浸泡12h~24h,使其充分膨胀。排去水后,加人95%乙醇浸泡24h。用水洗至无醇味后,加人1+3盐酸溶液浸泡2h~3h,用水洗至中性,加人100g/L氢氧化钠溶液,浸泡2h3h,水洗至中性,再用1+3盐酸溶液漂洗,并浸泡24h,经常搅拌。用1+3盐酸溶液漂洗三次。
将上述处理的树脂装入交换柱中,用1+3盐酸溶液400mL以10mL/min的流量洗涤树脂,再用水洗至洗液呈中性。用水浸泡,备用。A3再生方法
将失效的强酸性阳离子交换树脂移人烧杯中,用1十3盐酸溶液漂洗三次,并浸泡24h,经常搅拌。将盐酸溶液排尽,再用1+3盐酸溶液漂洗三次。将上述处理的树脂装人交换柱,用1+3盐酸溶液400ml,以10mL/min的流量洗涤树脂,再用水洗至滴下溶液呈中性。用水浸泡,备用。1268
小提示:此标准内容仅展示完整标准里的部分截取内容,若需要完整标准请到上方自行免费下载完整标准文档。
HG/T 3478—1999
本标准是在化工行业标准HG/T3478-1977《化学试剂酒石酸钠》的基础上修订的。本标准给出了分析纯、化学纯二个级别。
本标准与HG/T3478-1977的差异为:放宽了澄清度试验;分析纯铁规格提高一倍:除含量、氯化物、铁兰项外,其他项目采用我国已制定的化学试剂通用试验方法标准。本标准自实施之日起,同时代替HG/T3478--1977。本标准由中华人民共和国原化学工业部技术监督司提出。本标准由全国化学标化技术委员会化学试剂分会归口。本标准起草单位:上海化学试剂有限公司。本标准主要起草人:陈浩云。
本标准于1959年首次发布,于1977年修订。1264
中华人民共和国化工行业标准
化学试剂
酒石酸钠
Chemical reagent-Sodium tartrate dihydrate分子式:C,H,O.Na2·2H,0
相对分子质量:230.08(根据1995年国际相对原子质量)1范围
HG/T 3478—1999
代替 HG/T 3478—1977
本标准规定了化学试剂酒石酸钠的要求、试验方法、检验规则、包装及标志。2引用标准
下列标准所包含的条文,通过在本标推中引用而构成为本标准的条文。本标准出版时,所示版本均为有效。所有标准都会被修订,使用本标准的各方应探讨使用下列标准最新版本的可能性。GB/T 601—1988
GB/T 602—1988
GB/T 6031988
GB/T 6191988
GB/T 6682--1992
GB/T 9724--1988
GB/T 9727---1988bzxZ.net
GB/T 9728-1988
GB/T 9735--1988
GB/T 9738—1988
化学试剂
化学试剂
化学试剂
化学试剂
滴定分析(容量分析)用标准溶液的制备杂质测定用标准溶液的制备
试验方法中所用制剂及制品的制备采样及验收规则
分析实验室用水规格和试验方法(negISO3696:1987)化学试剂
pH值测定通则(eqvISO6353-1:1982)化学试剂
化学试剂
化学试剂
化学试剂
GB 15346--1994
化学试剂
HG/T 3484—1999
3性状
化学试剂
磷酸盐测定通用方法(neqISO6353-1:1982)硫酸盐测定通用方法(eqvISO6353-1:1982)重金属测定通用方法(eqvISO6353-1:1982)水不溶物测定通用方法(eqvISO6353-1:1982)包装及标志
标准玻璃乳浊液和澄清度标准
本试剂为无色结晶或白色结晶性粉末,易溶于水,其水溶液(100g/L)呈右旋性。难溶于乙醇。4规格
酒石酸钠的规格见表1。
表1酒石酸钠的规格
酒石酸钠含量(C.H.O.Na2·2H2O),%pH 值(25℃,50 g/L)
国家石油和化学工业局1999-06-16批准分析纯
7.0~~9.0
化学纯
2000-06-01实施
澄清度试验
水不溶物,%
氯化物(CI),%
硫酸盐(SO),%
磷酸盐(PO,),%
铁(Fe),%
重金属(以 Pb 计),%
5试验
HG/T 3478 - 1999
表1(完)
分析纯
化学纯
本章中除另有规定外,所用标准滴定溶液、标准溶液、制剂及制品,均按GB/T601、GB/T602、GB/T603的规定制备;实验用水应符合GB/T6682中三级水规格;样品均按精确至0.01g称量。5.1酒石酸钠含量
称取0.4g样品(精确至0.0001g),溶于25mL水中,注入强酸性阳离子交换树脂柱中[树脂的处理及再生方法见附录A(标准的附录)],以(3~4)mL/min的流量进行交换,交换液收集于锥形瓶中,用水分次洗涤树脂至滴下溶液呈中性,收集交换液及洗涤液,加2滴10g/L酚酸指示液,用氢氧化钠标准滴定溶液[c(NaOH)一0.1mo1/L]滴定至溶液呈粉红色,并保持30s。同时做空白试验。以质量百分数表示的酒石酸钠含量(X)按式(1)计算:V/-V):cx 115.0 × 100
x(%) =
m X 1 000
式中:Vi—氢氧化钠标准滴定溶液的体积,mL,Vz—空白试验氢氧化钠标准滴定溶液的体积,mL;氢氧化钠标准滴定溶液的浓度,mol/L,115.0-
酒石酸钠的摩尔质量(M[1/2(C,H,O.Naz·2H,O)J),g/mol;样品的质量,g。
按GB/T9724的规定测定。
5.3澄清度试验
称取10g样品,溶于100mL水中,其浊度不得大于HG/T3484中规定的下列澄清度标准:分析纯·…
化学纯··
5.4水不溶物
3号;
·5号。
称取20g样品,溶于100mL沸水中,冷却至室温后,按GB/T9738的规定测定。5.5氟化物
称取1g样品,溶于20mL水中,加25%硝酸溶液3mL及17g/L硝酸银溶液1mL,稀释至25 mL,摇勾,放置10 min。溶液所呈浊度不得大于标准比对溶液。标准比对溶液的制备是取含下列数量的氯化物标准溶液:分析纯·
化学纯
+...0. 02 mg Cl;
...0. 05 mg Cl.
稀释至20mL,加25%硝酸溶液1mL及17g/L硝酸银溶液1mL,稀释至25mL,摇匀,与同体积试液同时放置10min后比浊。
5.6硫酸盐
HG/T 3478-—1999
称取0.2g样品,溶于10ml水中,加20%盐酸溶液0.5mL酸化后,按GB/T9728的规定测定。溶液所呈独度不得大于标推比对溶液。标准比对溶液的制备是取含下列数量的硫酸盐标准溶液:分析纯
化学纯
与样品同时同样处理。
5.7磷酸盐
..0. 01 mg SO4;
....0. 02 mg SO..
称取0.5g样品,置于铂塔中,加热炭化,于(650士50)℃灼烧至白,冷却,加5mL水及5mL硝酸,蒸干,残渣溶于5mL水(必要时过滤),加2滴饱和2,4-二硝基酚指示液,用10%氨水溶液调至黄色刚刚出现,再滴加13%硝酸溶液至黄色刚刚消失,稀释至10mL后,按GB/T9727的规定测定。有机层所呈蓝色不得深于标准比对溶液。标准比对溶液的制备是取含0.01mgPO,的磷酸盐标准溶液,稀释至5mL,加2滴饱和2,4-二硝基酚指示液,滴加13%硝酸溶液至黄色刚刚消失,稀释至10mL,与同体积试液同时同样处理。5.8铁
称取1g样品,溶于20mL水中,加100g/L盐酸羟胺溶液2mL,摇勺,放蟹5min,加乙酸-乙酸钠缓冲溶液(pH3)2mL及2g/L1,10-菲啰啉溶液2mL,摇勾,放置10min。溶液所呈红色不得深于标准比对溶液。
标准比对溶液的制备是取含下列数量的铁标准溶液:分析纯
化学纯
与样品同时同样处理。
5.9重金属
.0. 01 mg Fe:
..0. 05 mg Fe.
称取2g样品,溶于20mlL水中,加30%乙酸溶液0.2mL后,按GB/T9735的规定测定。溶液所呈暗色不得深于标准比对溶液。标准比对溶液的制备是取含下列数量的铅标推溶液:分析纯·
化学纯
与样品同时同样处理。
6检验规则
按GB/T619的规定进行采样及验收。7包装及标志
...0. 01 mg Pb;
-0. 02 mg Pb.
按GB15346的规定进行包装、贮存与运输,并给出标志,其中:包装单位:第4类;
内包装形式:NB-4、NBY-4、NB-5、NBY-5、NB-7、NB-8、NB-10、NB-11、NB-13、NB-15;隔离材料:GC-2、GC-3、GC-4;
外包装形式:WB-1、WB-2、WB-3。1267
A1仪器
HG/T3478—1999
附录A
(标准的附录)
强酸性阳离子交换树脂的处理和再生方法A1.1交换柱材料:玻璃管或聚乙烯管。A1.2交换柱内径:(10~20)mm。A1.3树脂床高度:约400mm(膨胀后树脂体积占交换柱高度的2/3)。A1.4 树脂颗粒度:(0.2~~0.8)mm。A2处理方法
取适量的强酸性阳离子交换树脂于烧杯中(干树脂,应先用饱和氮化钠溶液浸泡,再逐步稀释氯化钠溶液,以免树脂膨胀而破碎),用水漂洗至澄清后,加水浸泡12h~24h,使其充分膨胀。排去水后,加人95%乙醇浸泡24h。用水洗至无醇味后,加人1+3盐酸溶液浸泡2h~3h,用水洗至中性,加人100g/L氢氧化钠溶液,浸泡2h3h,水洗至中性,再用1+3盐酸溶液漂洗,并浸泡24h,经常搅拌。用1+3盐酸溶液漂洗三次。
将上述处理的树脂装入交换柱中,用1+3盐酸溶液400mL以10mL/min的流量洗涤树脂,再用水洗至洗液呈中性。用水浸泡,备用。A3再生方法
将失效的强酸性阳离子交换树脂移人烧杯中,用1十3盐酸溶液漂洗三次,并浸泡24h,经常搅拌。将盐酸溶液排尽,再用1+3盐酸溶液漂洗三次。将上述处理的树脂装人交换柱,用1+3盐酸溶液400ml,以10mL/min的流量洗涤树脂,再用水洗至滴下溶液呈中性。用水浸泡,备用。1268
小提示:此标准内容仅展示完整标准里的部分截取内容,若需要完整标准请到上方自行免费下载完整标准文档。
标准图片预览:





- 其它标准
- 热门标准
- 化工行业标准(HG)
- HG/T3534-2011 代替 HG/T 3534-2003 工业循环冷却水污垢和腐蚀产物中酸不溶物、磷、铁、铝、钙、镁、锌、铜含量测定方法
- HG/T2343-2012 硫化促进剂ETU
- HG20520-1992 玻璃钢/聚氯乙烯(FRP/PVC)复合管道设计规定
- HG2101-1991 单级悬臂双作用液环式氯气泵试验及参数测量方法
- HG/T5699-2020 扩散渗析阳膜
- HG/T4519-2013 碱式碳酸钴
- HG/T3935-2007 哺乳类动物细胞培养基
- HG/T4462-2012 苯醚甲环唑微乳剂
- HG/T3198-1981 石墨管端头
- HG/T21578-1994 管道减振器
- HG/T20701.12-2000 容器、换热器和特殊设备专业厂商协调会工作程序及说明
- HG/T2959-2000 工业水合碱式碳酸镁
- HG/T4315-2012 工业速溶粉状硅酸钠
- HG/T4335.9-2012 酸类物质泄漏的处理处置方法 第9部分氢氟酸
- HG/T3796.8-2005 推进式搅拌器
- 行业新闻
请牢记:“bzxz.net”即是“标准下载”四个汉字汉语拼音首字母与国际顶级域名“.net”的组合。 ©2025 标准下载网 www.bzxz.net 本站邮件:bzxznet@163.com
网站备案号:湘ICP备2025141790号-2
网站备案号:湘ICP备2025141790号-2