- 您的位置:
- 标准下载网 >>
- 标准分类 >>
- 国家标准(GB) >>
- GB 5725-1997 安全网
标准号:
GB 5725-1997
标准名称:
安全网
标准类别:
国家标准(GB)
英文名称:
Safety Net标准状态:
现行-
发布日期:
1997-07-07 -
实施日期:
1998-01-01 出版语种:
简体中文下载格式:
.rar.pdf下载大小:
205.76 KB
替代情况:
替代GB 5725-1985;GB 5726-1985;被GB 5725-2009代替采标情况:
≈ANSI A10.11-89 BS 3913-89
点击下载
标准简介:
标准下载解压密码:www.bzxz.net
本标准规定了安全网定义、产品分类、技术要求、检验方法、检验规则及标志、包装、运输、贮存等要求。本标准适用于建筑等高处作业用的安全网。 GB 5725-1997 安全网 GB5725-1997
部分标准内容:
GB5725-1997
本标准是在参照美国国家标准ANS1A10.11—1989《建筑和拆除作业用的人和碎物网》,BS3913:1989《工业安全网》,GB16909一1997《密自式安全立网》等标准及对国内生产,使用、销售等情况进行调研的基础上,对GB5725~5726~-85进行修订而成的,以适应国民经济发展,科学技术进步及国际贸易的需要。
与原标准相比,本标准主要作了以下几点修改:—将原GB5725~5726-85两个标准合并为一个标推。一产品分类中增加密邑式安全立网。技术要求以突出功能性为主,增加了对材料耐候性及阻燃性要求等条款,取消了原标准中缓冲性能、设置试验绳及原材料规格等规定。—绳(线)物理机械性能的测定按GB8834--88规定进行,取消了原来有关的试验方法附录。检验规则贯彻执行GB2828-87及GB2829—87标准。为了保证安全,本标准应与相关的标准及《安全网搭设规程》配套使用。本标准从生效之日起,同时代替GB5725~5726—85。本标准的附录 A是标准的附录;附录 B是提示的附录。本标准由中华人民共和国劳动部提出。本标准由全国劳动防护用品标准化技术委员会归口。本标准起草单位:上海市劳动保护科学研究所。本标准主要起草人:汪怀青、李健君、尹兆洋、尹建国、汪志刚、孙德水。36
1范围
中华人民共和国国家标准
Safety nets
GB 5725--1997
代替GB5725~5726-85
本标准规定了安全网定义、产品分类、技术要求、检验方法、检验规则及标志、包装、运输、贮存等要求。
本标准适用于建筑等高处作业用的安全网。2引用标准
下列标准所包含的条文,通过在本标准中引用而构成为本标准的条文。本标准出版时,所示版本均为有效。所有标准都会被修订,使用本标准的各方应探讨使用下列标准最新版本的可能性。GB2828—87逐批检查计数抽样程序及抽样表(适用于连续批的检查)GB2829一87周期检查计数抽样程序及抽样表(适用于生产过程稳定性的检查)GB4609-84塑料燃烧性能试验方法垂直燃烧法GB8834--88绳索有关物理和机械性能的测定GB/T14522—93机械工业产品用塑料、涂料、橡胶材料人工气候加速试验方法GB16909—1997密国式安全立网
3定义
本标准采用下列定义。
3.1安全网 safety nets
用来防止人、物坠落,或用来避免、减轻坠落及物击伤害的网具。安全网一般由网体、边绳、系绳等构件组成。
3.2网体net body
由单丝、线,绳等经编织或采用其他成网工艺制成的,构成安全网主体的网状物。3.3边绳side rope
沿网体边缘与网体连接的绳。
3.4系绳tied rope
把安全网固定在支撑物上的绳
3.5筋绳tendonrope
为增加安全网强度而有规则地穿在网体上的绳。3. 6 菱形、方形网目边长 length of the rhombus and rectangle mesh相邻两个网绳结或节点之间的距离。3.7规格specification
用安全网的宽度(高度)和长度表示其规格,单位是米。国家技术监督局1997-07·07批准1998-01-01实施
3.8安装平面setting surface
安全网支撑点所在的平面。
3.9 平网 horizontal safety netGB 5725--1997
安装平面不垂直水平面,用来防止人或物坠落的安全网。3.10 立网 vertical safety net安装平面垂直水平面,用来防止人或物坠落的安全网。3.11 密目式安全立网fine mesh safety vertical net网目密度不低于800目/100cm,垂直于水平面安装用于防止人员坠落及坠物伤害的网。-般由网体、开眼环扣、边绳和附加系绳组成。[GB 16909—1997]4分类、标记
4.1根据功能,产品分为三类:
a)平网;
b)立网;
c)密目式安全立网。
4.2产品标记由名称、类别、规格三部分组成,字母P、L、ML分别代表平网、立网及密目式安全立网。4.3标记示例:
示例1:宽3m,长6m锦纶平网:
锦纶安全网-P-3×6GB5725
示例2:宽1.8,长6m密目式安全立网:ML-1.8X6GB 16909
示例3:宽(高)4m,长6m阻燃维纶立网:阻燃维纶安全网-L-4X×6GB57255技术要求
5.1安全网可采用锦纶、维纶、涤纶或其他的耐候性不低于上述品种(耐候性)的材料制成。5.2同一张安全网上的同种构件的材料、规格和制作方法须一致。外观应平整。5.3平网宽度不得小于3m,立网宽(高)度不得小于1.2m,密目式安全立网宽(高)度不得小于1.2m。产品规格偏差:允许在士2%以下。每张安全网重量一般不宜超过15kg。5.4菱形或方形网目的安全网,其网目边长不大于8cm。5.5边绳与网体连接必须牢固,平网边绳断裂强力不得小于7000N;立网边绳断裂强力不得小于3000N。
5.6系绳沿网边均匀分布,相邻两系绳间距应符合表1规定。长度不小于0.8m。当筋绳、系绳合一使用时,系绳部分必须加长,且与边绳系紧后,再折回边绳系紧,至少形成双根。表1
安全网类别
密目式安全立网
相邻两系绳间距,m
5.7筋绳分布应合理,平网上两根相邻筋绳的距离不小于30cm,筋绳的断裂强力不大于3000N。5.8网体(网片或网绳线)断裂强力应符合相应的产品标准。5.9安全网所有节点必须固定。
GB5725--1997
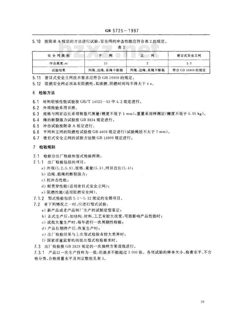
按附录A规定的方法进行试验,安全网的冲击性能应符合表2的规定。5.10
安全网类别
冲击高度,m
试验结果
网绳、边绳、系绳不断裂
网绳,边绳、系绳不断裂
5.11密目式安全立网技术要求应符合GB16909的规定。5.12阻燃安全网必须具有阻燃性,其续燃、阴燃时间均不得大于4s。6检验方法
6.1材料耐候性能试验按GB/T14522—93中4.2规定进行。6.2外观检验采用目测。
密目式安全立网
符合GB16909的规定
6.3规格与网目边长采用钢卷尺测量(精度不低于1mm),重量采用秤测定(精度不低于0.05kg)。6.4绳的断裂强力试验按GB8834规定进行。6.5冲击试验按附录A规定进行。6.6平网和立网的阻燃性试验按GB4609规定进行(试验绳径不大于7mm)。6.7密目式安全立网的试验方法按GB16909规定进行。7检验规则
7.1检验分出厂检验和型式检验两类:7.1.1出厂检验包括的项目:
a)外观(5.2、5.9)、规格、重量(5.3)、网目边长(5.4);b)边绳、筋绳的断裂强力;
c)抗冲击性能;
d)耐贯穿性能(适用密目式安全立网);e)阻燃性能(适用阻燃安全网)。7.1.2型式检验包括5.1~5.12规定的全部项目。7.2有下列情况之一时,应进行型式试验:a)新产品或老产品转厂生产的试制定型鉴定;b)正式生产后,如结构、材料、工艺有较大改变,可能影响产品性能时;c)成批大量生产时,每年进行一次周期性检验;d)产品长期停产后,恢复生产时:e)出厂检验结果与l:次型式检验有较大差异时;f)国家质量监督机构提出型式检验要求时。7.3出厂检验按GB2828规定的一次抽样方案逐批进行。7.3.1产品以一次生产投料为一批,但最多不能超过3000张。各项试验的样本大小、检查水平、不合格分类、合格质量水平及判定数组见表3。39
检验项目
绳断裂强力
神击试验
阻燃性
批量范围
51~150
151~500
501~3000
51~500
501~3000
16~50
51~150
151~500
501~3000
51~500
501~~3000
51~~500
501~3000
51~500
501~3000
样本大小
GB5725-1997
检查水平
不合格分类
合格质量水平
判定数组
合格判定数|不合格判定数
7.4型式检验按GB2829规定进行,采用判别水平DL=I,不合格质量水平RQL50,样本n-3,合格判定数A。=0,不合格判定数R。一1,一次抽样方案8标志、包装、运输、贮存
8.1产品标志包括以下内容:
a)产品名称及分类标记;
b)网目边长;
c)制造厂名、厂址;
d)商标;
e)制造日期(或编号)或生产批号:)有效期限;
g)其他按有关规定必须填写的内容如生产许可证编号等。8.2每张安全网宜用塑料薄膜、纸袋等独立包装,内附产品说明书、出厂检验合格证及其他按有关规定40
GB 5725--1997
必须提供的文件(如安鉴证等)。外包装可采用纸箱、丙纶薄膜袋等,上面应有以下标志:a)产品名称、商标;
b)制造厂名、地址;
c)数量、毛重、净重和体积;bzxz.net
d)制造日期或生产批号;
e)运输时应注意的事项或标记等。8.3安全网在贮存、运输中,必须通风、避光、隔热,同时避免化学物品的侵袭,袋装安全网在搬运时,禁止使用钩子。
8.4贮存期超过两年者,按0.2%抽样,不足1000张时抽样2张进行冲击试验,符合5.10、5.11要求后方可销售使用。
A1原理
GB5725--1997
附录A
(标准的附录)
安全网冲击试验方法
利用专用的试验装置,使模拟人形沙包从规定的高度自由落人试验网,根据其破坏程度来判断安全网的抗冲击性能。
A2试验装置及用具
A2.1长100cm,底面积2800cm2,重100kg士2kg的模拟人形沙包一个。A2.2具有能将模拟人形沙包提升、释放使之在规定的位置自由落体的试验台架一个。A2.3刚性试验框架
a)长6m、宽3m、高度不小于2.5m,采用不小于g100mm×5mm钢管焊成,总重量不少于200kg(平网、立网试验用)。
b)密目式安全立网按GB16909有关规定进行。A3试样
试样为3m×6m的平网或立网。
A4试验方法
A4.1平网或立网的冲击试验点如图A1所示。试验网
A一种击试验点
A4.2密目式安全立网的冲击试验按GB16909有关规定进行。A4.3进行冲击试验的模拟人形沙包的长边应:a)菱形网目安全网:平行于安全网长边;b)方形网目安全网:平行于安全网短边。42
A5试验步骤
A5.1将试验网牢固系在试验框架上。GB5725—1997
A5.2利用试验台架的提升、释放机构将模拟人形沙包提升到试验点的上方,使其底面与试验框架所在平面间的距离等于试验高度,并按规定调整其方向。然后释放模拟人形沙包使之自由落下。A6试验结果评定
按表2规定进行。
附录B
(提示的附录)
安全网的一般使用规则
B1 安装时注意事项
B1.1安全网上的每根系绳都应与支架系结,四周边绳(边缘)应与支架贴紧,系结应符合打结方便,连接牢固又容易解开,工作中受力后不会散脱的原则。有筋绳的安全网安装时还应把筋绳连接在支架上。B1.2平网网面不宜绷得过紧,当网面与作业面高度差大于5 m时,其伸出长度应大于 4 m,当网面与作业面高度差小于5m时,其伸出长度应大于3m,平网与下方物体表面的最小距离应不小于3m。两层平网间距离不得超过10m。
B1.3立网网面应与水平面垂直,并与作业面边缘最大间隙不超过10cm。B1.4安装后的安全网应经专人检验后,方可使用。B2使用
B2.1使用时,应避免发生下列现象:a)随便拆除安全网的构件;
b)人跳进或把物品投入安全网内;c)大量焊接或其他火星落入安全网内;d)在安全网内或下方堆积物品;e)安全网周围有严重腐蚀性烟雾。B2.2对使用中的安全网.应进行定期或不定期的检查,并及时清理网上落物污染,当受到较大冲击后应及时更换。
B3管理
安全网应由专人保管发放,暂时不用的应存放在通风、避光、隔热、无化学品污染的仓库或专用场所。
小提示:此标准内容仅展示完整标准里的部分截取内容,若需要完整标准请到上方自行免费下载完整标准文档。
本标准是在参照美国国家标准ANS1A10.11—1989《建筑和拆除作业用的人和碎物网》,BS3913:1989《工业安全网》,GB16909一1997《密自式安全立网》等标准及对国内生产,使用、销售等情况进行调研的基础上,对GB5725~5726~-85进行修订而成的,以适应国民经济发展,科学技术进步及国际贸易的需要。
与原标准相比,本标准主要作了以下几点修改:—将原GB5725~5726-85两个标准合并为一个标推。一产品分类中增加密邑式安全立网。技术要求以突出功能性为主,增加了对材料耐候性及阻燃性要求等条款,取消了原标准中缓冲性能、设置试验绳及原材料规格等规定。—绳(线)物理机械性能的测定按GB8834--88规定进行,取消了原来有关的试验方法附录。检验规则贯彻执行GB2828-87及GB2829—87标准。为了保证安全,本标准应与相关的标准及《安全网搭设规程》配套使用。本标准从生效之日起,同时代替GB5725~5726—85。本标准的附录 A是标准的附录;附录 B是提示的附录。本标准由中华人民共和国劳动部提出。本标准由全国劳动防护用品标准化技术委员会归口。本标准起草单位:上海市劳动保护科学研究所。本标准主要起草人:汪怀青、李健君、尹兆洋、尹建国、汪志刚、孙德水。36
1范围
中华人民共和国国家标准
Safety nets
GB 5725--1997
代替GB5725~5726-85
本标准规定了安全网定义、产品分类、技术要求、检验方法、检验规则及标志、包装、运输、贮存等要求。
本标准适用于建筑等高处作业用的安全网。2引用标准
下列标准所包含的条文,通过在本标准中引用而构成为本标准的条文。本标准出版时,所示版本均为有效。所有标准都会被修订,使用本标准的各方应探讨使用下列标准最新版本的可能性。GB2828—87逐批检查计数抽样程序及抽样表(适用于连续批的检查)GB2829一87周期检查计数抽样程序及抽样表(适用于生产过程稳定性的检查)GB4609-84塑料燃烧性能试验方法垂直燃烧法GB8834--88绳索有关物理和机械性能的测定GB/T14522—93机械工业产品用塑料、涂料、橡胶材料人工气候加速试验方法GB16909—1997密国式安全立网
3定义
本标准采用下列定义。
3.1安全网 safety nets
用来防止人、物坠落,或用来避免、减轻坠落及物击伤害的网具。安全网一般由网体、边绳、系绳等构件组成。
3.2网体net body
由单丝、线,绳等经编织或采用其他成网工艺制成的,构成安全网主体的网状物。3.3边绳side rope
沿网体边缘与网体连接的绳。
3.4系绳tied rope
把安全网固定在支撑物上的绳
3.5筋绳tendonrope
为增加安全网强度而有规则地穿在网体上的绳。3. 6 菱形、方形网目边长 length of the rhombus and rectangle mesh相邻两个网绳结或节点之间的距离。3.7规格specification
用安全网的宽度(高度)和长度表示其规格,单位是米。国家技术监督局1997-07·07批准1998-01-01实施
3.8安装平面setting surface
安全网支撑点所在的平面。
3.9 平网 horizontal safety netGB 5725--1997
安装平面不垂直水平面,用来防止人或物坠落的安全网。3.10 立网 vertical safety net安装平面垂直水平面,用来防止人或物坠落的安全网。3.11 密目式安全立网fine mesh safety vertical net网目密度不低于800目/100cm,垂直于水平面安装用于防止人员坠落及坠物伤害的网。-般由网体、开眼环扣、边绳和附加系绳组成。[GB 16909—1997]4分类、标记
4.1根据功能,产品分为三类:
a)平网;
b)立网;
c)密目式安全立网。
4.2产品标记由名称、类别、规格三部分组成,字母P、L、ML分别代表平网、立网及密目式安全立网。4.3标记示例:
示例1:宽3m,长6m锦纶平网:
锦纶安全网-P-3×6GB5725
示例2:宽1.8,长6m密目式安全立网:ML-1.8X6GB 16909
示例3:宽(高)4m,长6m阻燃维纶立网:阻燃维纶安全网-L-4X×6GB57255技术要求
5.1安全网可采用锦纶、维纶、涤纶或其他的耐候性不低于上述品种(耐候性)的材料制成。5.2同一张安全网上的同种构件的材料、规格和制作方法须一致。外观应平整。5.3平网宽度不得小于3m,立网宽(高)度不得小于1.2m,密目式安全立网宽(高)度不得小于1.2m。产品规格偏差:允许在士2%以下。每张安全网重量一般不宜超过15kg。5.4菱形或方形网目的安全网,其网目边长不大于8cm。5.5边绳与网体连接必须牢固,平网边绳断裂强力不得小于7000N;立网边绳断裂强力不得小于3000N。
5.6系绳沿网边均匀分布,相邻两系绳间距应符合表1规定。长度不小于0.8m。当筋绳、系绳合一使用时,系绳部分必须加长,且与边绳系紧后,再折回边绳系紧,至少形成双根。表1
安全网类别
密目式安全立网
相邻两系绳间距,m
5.7筋绳分布应合理,平网上两根相邻筋绳的距离不小于30cm,筋绳的断裂强力不大于3000N。5.8网体(网片或网绳线)断裂强力应符合相应的产品标准。5.9安全网所有节点必须固定。
GB5725--1997
按附录A规定的方法进行试验,安全网的冲击性能应符合表2的规定。5.10
安全网类别
冲击高度,m
试验结果
网绳、边绳、系绳不断裂
网绳,边绳、系绳不断裂
5.11密目式安全立网技术要求应符合GB16909的规定。5.12阻燃安全网必须具有阻燃性,其续燃、阴燃时间均不得大于4s。6检验方法
6.1材料耐候性能试验按GB/T14522—93中4.2规定进行。6.2外观检验采用目测。
密目式安全立网
符合GB16909的规定
6.3规格与网目边长采用钢卷尺测量(精度不低于1mm),重量采用秤测定(精度不低于0.05kg)。6.4绳的断裂强力试验按GB8834规定进行。6.5冲击试验按附录A规定进行。6.6平网和立网的阻燃性试验按GB4609规定进行(试验绳径不大于7mm)。6.7密目式安全立网的试验方法按GB16909规定进行。7检验规则
7.1检验分出厂检验和型式检验两类:7.1.1出厂检验包括的项目:
a)外观(5.2、5.9)、规格、重量(5.3)、网目边长(5.4);b)边绳、筋绳的断裂强力;
c)抗冲击性能;
d)耐贯穿性能(适用密目式安全立网);e)阻燃性能(适用阻燃安全网)。7.1.2型式检验包括5.1~5.12规定的全部项目。7.2有下列情况之一时,应进行型式试验:a)新产品或老产品转厂生产的试制定型鉴定;b)正式生产后,如结构、材料、工艺有较大改变,可能影响产品性能时;c)成批大量生产时,每年进行一次周期性检验;d)产品长期停产后,恢复生产时:e)出厂检验结果与l:次型式检验有较大差异时;f)国家质量监督机构提出型式检验要求时。7.3出厂检验按GB2828规定的一次抽样方案逐批进行。7.3.1产品以一次生产投料为一批,但最多不能超过3000张。各项试验的样本大小、检查水平、不合格分类、合格质量水平及判定数组见表3。39
检验项目
绳断裂强力
神击试验
阻燃性
批量范围
51~150
151~500
501~3000
51~500
501~3000
16~50
51~150
151~500
501~3000
51~500
501~~3000
51~~500
501~3000
51~500
501~3000
样本大小
GB5725-1997
检查水平
不合格分类
合格质量水平
判定数组
合格判定数|不合格判定数
7.4型式检验按GB2829规定进行,采用判别水平DL=I,不合格质量水平RQL50,样本n-3,合格判定数A。=0,不合格判定数R。一1,一次抽样方案8标志、包装、运输、贮存
8.1产品标志包括以下内容:
a)产品名称及分类标记;
b)网目边长;
c)制造厂名、厂址;
d)商标;
e)制造日期(或编号)或生产批号:)有效期限;
g)其他按有关规定必须填写的内容如生产许可证编号等。8.2每张安全网宜用塑料薄膜、纸袋等独立包装,内附产品说明书、出厂检验合格证及其他按有关规定40
GB 5725--1997
必须提供的文件(如安鉴证等)。外包装可采用纸箱、丙纶薄膜袋等,上面应有以下标志:a)产品名称、商标;
b)制造厂名、地址;
c)数量、毛重、净重和体积;bzxz.net
d)制造日期或生产批号;
e)运输时应注意的事项或标记等。8.3安全网在贮存、运输中,必须通风、避光、隔热,同时避免化学物品的侵袭,袋装安全网在搬运时,禁止使用钩子。
8.4贮存期超过两年者,按0.2%抽样,不足1000张时抽样2张进行冲击试验,符合5.10、5.11要求后方可销售使用。
A1原理
GB5725--1997
附录A
(标准的附录)
安全网冲击试验方法
利用专用的试验装置,使模拟人形沙包从规定的高度自由落人试验网,根据其破坏程度来判断安全网的抗冲击性能。
A2试验装置及用具
A2.1长100cm,底面积2800cm2,重100kg士2kg的模拟人形沙包一个。A2.2具有能将模拟人形沙包提升、释放使之在规定的位置自由落体的试验台架一个。A2.3刚性试验框架
a)长6m、宽3m、高度不小于2.5m,采用不小于g100mm×5mm钢管焊成,总重量不少于200kg(平网、立网试验用)。
b)密目式安全立网按GB16909有关规定进行。A3试样
试样为3m×6m的平网或立网。
A4试验方法
A4.1平网或立网的冲击试验点如图A1所示。试验网
A一种击试验点
A4.2密目式安全立网的冲击试验按GB16909有关规定进行。A4.3进行冲击试验的模拟人形沙包的长边应:a)菱形网目安全网:平行于安全网长边;b)方形网目安全网:平行于安全网短边。42
A5试验步骤
A5.1将试验网牢固系在试验框架上。GB5725—1997
A5.2利用试验台架的提升、释放机构将模拟人形沙包提升到试验点的上方,使其底面与试验框架所在平面间的距离等于试验高度,并按规定调整其方向。然后释放模拟人形沙包使之自由落下。A6试验结果评定
按表2规定进行。
附录B
(提示的附录)
安全网的一般使用规则
B1 安装时注意事项
B1.1安全网上的每根系绳都应与支架系结,四周边绳(边缘)应与支架贴紧,系结应符合打结方便,连接牢固又容易解开,工作中受力后不会散脱的原则。有筋绳的安全网安装时还应把筋绳连接在支架上。B1.2平网网面不宜绷得过紧,当网面与作业面高度差大于5 m时,其伸出长度应大于 4 m,当网面与作业面高度差小于5m时,其伸出长度应大于3m,平网与下方物体表面的最小距离应不小于3m。两层平网间距离不得超过10m。
B1.3立网网面应与水平面垂直,并与作业面边缘最大间隙不超过10cm。B1.4安装后的安全网应经专人检验后,方可使用。B2使用
B2.1使用时,应避免发生下列现象:a)随便拆除安全网的构件;
b)人跳进或把物品投入安全网内;c)大量焊接或其他火星落入安全网内;d)在安全网内或下方堆积物品;e)安全网周围有严重腐蚀性烟雾。B2.2对使用中的安全网.应进行定期或不定期的检查,并及时清理网上落物污染,当受到较大冲击后应及时更换。
B3管理
安全网应由专人保管发放,暂时不用的应存放在通风、避光、隔热、无化学品污染的仓库或专用场所。
小提示:此标准内容仅展示完整标准里的部分截取内容,若需要完整标准请到上方自行免费下载完整标准文档。
标准图片预览:





- 热门标准
- 国家标准(GB)
- GB/T30917—2014 /ISo 29941:2010 天然胶乳橡胶避孕套中可迁移亚硝胺的测定
- GB/T12777-1999 金属波纹管膨胀节通用技术条件
- GB/T29633.4-2020 南极地名 第4部分:罗马字母拼写
- GB15193.5-2003 骨髓细胞微核试验
- GB30530-2024 二甲基硅氧烷单位产品能源消耗限额
- GB/T43225-2023 空间物体登记要求
- GB4706.3-1986 家用和类似用途电器的安全食物搅碎器及类似用途电器的特殊要求
- GB15985-1995 丝虫病诊断标准及处理原则
- GB19159-2003 车用液化石油气
- GB/T7407-1997 中国及世界主要海运贸易港口代码
- GB1913.2-1990 漂白浸渍绝缘纸
- GB/T15425-1994 贸易单128条码
- GB5237.3-2008 铝合金建筑型材 第3部分:电泳涂漆型材
- GB/T39964-2021 造纸行业能源管理体系实施指南
- GB/T9771.6-2020 通信用单模光纤 第6部分:宽波长段 光传输用非零色散单模光纤特性
- 行业新闻
请牢记:“bzxz.net”即是“标准下载”四个汉字汉语拼音首字母与国际顶级域名“.net”的组合。 ©2025 标准下载网 www.bzxz.net 本站邮件:bzxznet@163.com
网站备案号:湘ICP备2025141790号-2
网站备案号:湘ICP备2025141790号-2