- 您的位置:
- 标准下载网 >>
- 标准分类 >>
- 船舶行业标准(CB) >>
- CB/T 3496-1992 船用电缆扎带
标准号:
CB/T 3496-1992
标准名称:
船用电缆扎带
标准类别:
船舶行业标准(CB)
英文名称:
Marine cable ties标准状态:
现行-
发布日期:
1993-01-08 -
实施日期:
1993-07-01 出版语种:
简体中文下载格式:
.rar.pdf下载大小:
3.74 MB
点击下载
标准简介:
标准下载解压密码:www.bzxz.net
本标准规定了船用电缆扎带的产品分类、技术要求、试验方法、检验规则、标志、包装。本标准适用于船舶电缆敷设的尼龙扎带、金属扎带和覆塑金属扎带。 CB/T 3496-1992 船用电缆扎带 CB/T3496-1992
部分标准内容:
中华人民共和国船舶行业标准
CB/T3496—92
船用电缆扎带
1993-01-08发布
1993-07-01实施
中华人民共和国船舶行业标准
船用电缆扎带
1主题内容与适用范围
CB/T3496-92
分类号:U06
代替:CB1113—85
CB'3125--82
CB3126—82
本标准规定了船用电缆扎带(以下简称扎带)的产品分类、技术要求、试验方法、检验规则以及标志、包装和贮存等。
本标准适用于船舶电缆敷设的尼龙扎带、金属扎带和覆塑金属扎带。2引用标准
GB2423.10电工电子产品基本环境试验规程试验Fc:振动(正弦)试验方法GB2792压敏胶带180度剥离强度测定方法GB9286色漆和清漆漆膜的划格试验ZB/TU06002船用电缆敷设工艺
3产品分类
3.1型式
按制造材料分为尼龙扎带、金属扎带及覆塑金属扎带;覆塑金属扎带按其生产工艺分为包塑金属扎带、喷塑金属扎带和挤塑金属扎带3.2型号
3.2.1尼龙扎带
有效长度Lo,mm
尼龙扎带
3.2.2金属扎带
中国船舶工业总公司1993-01-08批准一嵌片锁紧
倒齿锁紧
1993-07-01实施
3.2.3覆塑金属扎带
3.3标记示例
CB/T3496-92
本体材光
锁紧型式
镀锌钢
-不锈钢
0—0型
H—-H型
有效长度Le,mm
金属扎带
覆塑型式
本体材料
锁紧型式
一喷塑
一挤塑
镀锌钢
不锈钢
-L——L型
有效长度Lmm
覆塑金属扎带
3.3.1有效长度为110mm、嵌片锁紧的尼龙扎带,其标记为:尼龙扎带NZ110QCB/T3496--92
3.3.2有效长度为150mm、L型锁紧的不锈钢金属扎带,其标记为:金属扎带JZ150LSCB/T3496—92
3.3.3有效长度为200mm、G型锁紧的镀锌钢喷塑金属扎带,其标记为:覆塑金属扎带FZ200GZPCB/T3496—923.4扎带的基本尺寸
3.4.1尼龙扎带的基本尺寸
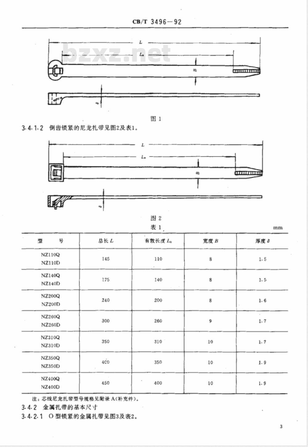
3.4.1.1嵌片锁紧的尼龙扎带见图1及表1。2
CB/T3496--92
倒齿锁紧的尼龙扎带见图2及表1。图2
总长L
NZ110Q
NZ110D
NZ140Q
NZ140D
NZ200Q
NZ200D
NZ260Q
NZ260D
NZ310Q
NZ310D
NZ350Q
NZ350D
NZ400Q
NZ400D
注:芯线尼龙扎带型号规格见附录A(补充件)。3.4.2金属扎带的基本尺寸
3.4.2.10型锁紧的金属扎带见图3及表2。有效长度L
宽度B
厚度。
CB/T3496-92
3.4.2.2H型锁紧的金属扎带见图4及表2Le
00000000000000000000000000000图4
3.4.2.3G型锁紧的金属扎带见图5及表2.图5
3.4.2.4L型锁紧的金属扎带见图6及表2。型
总长L
CB/T349692
有效长度 L
宽度B
镀锌钢
不锈钢
3.4.3覆塑金属扎带的基本尺寸见图3~图6及表3,不定尺的覆塑金属扎带每卷长度为20~25m,本体宽度为14mm。
技术要求
总长L
正常工作条件
扎带正常工作条件按表4。
环境空气温度最高值,℃
环境空气温度最低值,℃
扎带工作温度最高值,C
海上潮湿空气影响
油募影南
盐雾影响
4.2扎带材料
扎带选用材料按表5。
CB/T3496—92
有效长度L。
宽度B
覆塑层厚
喷塑型
部件名称
尼龙扎带本体
金属扎带本体
覆塑扎带本体
锁紧装置
4.3外观和尺寸免费标准bzxz.net
CB/T3496—92
冷轧不锈钢
软钢带
镀锌钢带
冷轧不锈钢
软钢带
镀锌钢带
不锈钢嵌片
不锈钢
A3钢镀锌钝化
尼龙6/尼龙66
OCr18Nig
1Cr18Ni9
OCr18Ni9
1Cr18Ni9
尼龙6/尼龙66
1Cr18Ni9Ti
1Ct18Ni9
Q235-A
GB2598
GB3526
GB2598
GB3526
GB2598
GB2598
GB 700
扎带表面色泽应均匀一致,平整光泽,边缘应无锐角、毛刺或缺口;覆塑扎带的覆塑层厚度应均匀。尺寸应符合3.3条的规定。
4.4耐振动
按GB2423.10的规定及表6的参数对扎带进行振动试验,在试验过程中不得发生扎带断裂、锁紧件松脱等现象。
频率范围
4.5抗拉力
位移±1.0
按5.4条进行试验时,其抗拉力值不应低于表7的规定。表7
扎带有效长度L。
4.6耐锈蚀
加速度
最小抗拉力
CB/T3496—92
镀锌钢带按5.5条进行试验时,扎带表面应无沉积的铜。4.7滞燃性
尼龙扎带和覆塑金属扎带按5.6条进行滞燃试验时,扎带应能自熄,燃烧停止后将试件表面擦净,其烧焦部分不应延伸到试件的顶部。4.8冷弯
尼龙扎带和覆塑金属扎带按5.7条进行冷弯试验时,试件表面不应有龟裂或断裂。4.9包塑和挤塑层剥离强度
包塑和挤塑金属扎带按GB2792的规定进行试验,包塑层、挤塑层剥剩离强度不得低于1.6N/cm。4.10涂层附着力
喷塑金属扎带按GB9286的有关规定进行试验,喷塑层的附着力应达95%,即1级附着力,4.11热老化
尼龙扎带按5.10条进行热老化试验时,其抗拉力及负荷力应不低于表8所列数值。表8
扎带有效长度L。
5试验方法
5.1环境条件
热老化前抗拉力
扎带试验时的正常的试验大气条件,见表9。表9
5.2外观和尺寸检验
热老化过程中的负载
相对湿度
热老化后抗拉力
86×10~106×10
目测检查试样外观应符合4.3条要求。用游标卡尺或直尺检验产品的实际成型尺寸应符合3.3条要求。
5.3振动试验
模拟实船电缆敷设形式,采用V型支架,按扎带的有效长度L,将成束电缆紧固于电缆支架上。电缆束长度可取500~900mm,电缆紧固要求应符合ZB/TU06002的规定。将一组试件空于振动试验台上,按表6参数往复扫描3次,然后在共振点上作2h耐久试验,若无明显共振点则在30Hz频率上作2h耐久试验。电缆应在下垂和侧挂两个方向上进行试验。其结果应符合4.4条要求。5.4抗拉力试验
每种规格取扎带10根,将单根扎带环绕并绑紧在图7所示的拉伸夹具上,然后施加拉力拉伸速度为12mm/min,直至扎带断裂或紧固件松脱时为止。8
5.5耐锈蚀试验
CB/T3496—92
央具连接孔
扎带案固件
位于中线
每种规格的镀锌钢带各10根,不定尺镀锌钢带剪取250mm长度的10根,用浸有汽油的棉纱清洁并干燥。对试样进行浸置硫酸铜(CuSO,·5H,O)溶液试验。1min后将试样由液体中取出,立即在自来水中用棉纱清洗,以除去海绵状沉积的铜质。其结果应符合4,6条要求。5.6滞然试验
长度为200mm的尼龙及覆塑扎带各10根,将试件置于三面金属屏蔽的试验台中间,屏蔽尺寸高×宽×深为1200mm×300mm×450mm,前面散开,顶部和底部封闭,底座是非金属。热源使用喷口直径为10mm的喷灯,喷灯火焰与试件成45°角,将喷灯调节到产生蓝色火焰,火焰温度为800士50℃,试件的底端应距离屏蔽的底座50mm左右,开始试验时,火焰的中间部分应射到带子下端以上约50mm处,连续供火605。其结果应符合4.7条的要求。5.7冷弯试验
取每类尼龙扎带和覆塑扎带成品各10根,不定尺覆塑扎带剪取长度为250mm的扎带10根作为试件。将试件与冷弯用卷简同时置于冷冻设备,降温至一25士2℃,历时4h后在低温下将扎带成螺旋形紧密缠绕卷筒5圈,卷简的直径为7.5mm,每圈盘绕的时间约5s。其结果应符合4.8条要求。5.8剥离强度试验
取长度为250rmm的包塑扎带和挤塑金属扎带各10根,用带有自动记录装置的剥离强度试验机,按GB2792的规定进行试验,其结果应符合4.9条要求。5.9涂层附着力试验
取各类喷塑金属扎带10根及长度为250mm的不定尺喷塑金属扎带10根作为试件,按GB9286的有关规定进行试验,其结果应符合4.10条要求。5.10热老化试验
5.10.1每种尼龙扎带各10根作为试件,试件应先进行预处理,即将其放在温度为50士2℃,相对湿度为(20士2)%的烘箱内,处理24h,取出后在室温下保持30min,然后立即开始进行试验。5.10.2经预处理后的试件装在图7所示的专用塑料拉力试验机上,作热老化前的拉力试验,夹具移动速度为12mm/min,其结果应符合4.11条的要求,5.10.3将试件放置于图8所示的负载试验机上,作热老化过程中的负载试验,使其承受4.11条的负荷值,并放置于温度90土2℃的烘箱内,历时240h,其间扎带不应断裂,锁紧装置不应松脱。扎带
CB/T3496—92
5.10.4按5.10.3条进行热老化试验后,然后按5.10.1条进行预处理后再按5.10.2条进行热老化后的抗拉试验,其结果应符合4.11条的要求。6检验规则
6.1产品的检验分为出厂检验和型式试验6.2出厂检验
6.2.1扎带应经制造厂检验部门检验并出具合格证书后方可出厂6.2.2
出厂检验的项目和试样数量按表10。表10
外观尺寸4.3条
抗拉力
耐锈蚀
剥离强度4.9条
附着力
i4.10条5.9条
热老化
4.11条5.10条
检验类别
试样数量
金属扎带
包塑扎带
喷塑扎带
在检验中如发现不合格品时,应加倍抽样进行复验。如复验仍有不合格时,则由制造厂检查原因。消除缺陷后,重新提交检验。10
小提示:此标准内容仅展示完整标准里的部分截取内容,若需要完整标准请到上方自行免费下载完整标准文档。
CB/T3496—92
船用电缆扎带
1993-01-08发布
1993-07-01实施
中华人民共和国船舶行业标准
船用电缆扎带
1主题内容与适用范围
CB/T3496-92
分类号:U06
代替:CB1113—85
CB'3125--82
CB3126—82
本标准规定了船用电缆扎带(以下简称扎带)的产品分类、技术要求、试验方法、检验规则以及标志、包装和贮存等。
本标准适用于船舶电缆敷设的尼龙扎带、金属扎带和覆塑金属扎带。2引用标准
GB2423.10电工电子产品基本环境试验规程试验Fc:振动(正弦)试验方法GB2792压敏胶带180度剥离强度测定方法GB9286色漆和清漆漆膜的划格试验ZB/TU06002船用电缆敷设工艺
3产品分类
3.1型式
按制造材料分为尼龙扎带、金属扎带及覆塑金属扎带;覆塑金属扎带按其生产工艺分为包塑金属扎带、喷塑金属扎带和挤塑金属扎带3.2型号
3.2.1尼龙扎带
有效长度Lo,mm
尼龙扎带
3.2.2金属扎带
中国船舶工业总公司1993-01-08批准一嵌片锁紧
倒齿锁紧
1993-07-01实施
3.2.3覆塑金属扎带
3.3标记示例
CB/T3496-92
本体材光
锁紧型式
镀锌钢
-不锈钢
0—0型
H—-H型
有效长度Le,mm
金属扎带
覆塑型式
本体材料
锁紧型式
一喷塑
一挤塑
镀锌钢
不锈钢
-L——L型
有效长度Lmm
覆塑金属扎带
3.3.1有效长度为110mm、嵌片锁紧的尼龙扎带,其标记为:尼龙扎带NZ110QCB/T3496--92
3.3.2有效长度为150mm、L型锁紧的不锈钢金属扎带,其标记为:金属扎带JZ150LSCB/T3496—92
3.3.3有效长度为200mm、G型锁紧的镀锌钢喷塑金属扎带,其标记为:覆塑金属扎带FZ200GZPCB/T3496—923.4扎带的基本尺寸
3.4.1尼龙扎带的基本尺寸
3.4.1.1嵌片锁紧的尼龙扎带见图1及表1。2
CB/T3496--92
倒齿锁紧的尼龙扎带见图2及表1。图2
总长L
NZ110Q
NZ110D
NZ140Q
NZ140D
NZ200Q
NZ200D
NZ260Q
NZ260D
NZ310Q
NZ310D
NZ350Q
NZ350D
NZ400Q
NZ400D
注:芯线尼龙扎带型号规格见附录A(补充件)。3.4.2金属扎带的基本尺寸
3.4.2.10型锁紧的金属扎带见图3及表2。有效长度L
宽度B
厚度。
CB/T3496-92
3.4.2.2H型锁紧的金属扎带见图4及表2Le
00000000000000000000000000000图4
3.4.2.3G型锁紧的金属扎带见图5及表2.图5
3.4.2.4L型锁紧的金属扎带见图6及表2。型
总长L
CB/T349692
有效长度 L
宽度B
镀锌钢
不锈钢
3.4.3覆塑金属扎带的基本尺寸见图3~图6及表3,不定尺的覆塑金属扎带每卷长度为20~25m,本体宽度为14mm。
技术要求
总长L
正常工作条件
扎带正常工作条件按表4。
环境空气温度最高值,℃
环境空气温度最低值,℃
扎带工作温度最高值,C
海上潮湿空气影响
油募影南
盐雾影响
4.2扎带材料
扎带选用材料按表5。
CB/T3496—92
有效长度L。
宽度B
覆塑层厚
喷塑型
部件名称
尼龙扎带本体
金属扎带本体
覆塑扎带本体
锁紧装置
4.3外观和尺寸免费标准bzxz.net
CB/T3496—92
冷轧不锈钢
软钢带
镀锌钢带
冷轧不锈钢
软钢带
镀锌钢带
不锈钢嵌片
不锈钢
A3钢镀锌钝化
尼龙6/尼龙66
OCr18Nig
1Cr18Ni9
OCr18Ni9
1Cr18Ni9
尼龙6/尼龙66
1Cr18Ni9Ti
1Ct18Ni9
Q235-A
GB2598
GB3526
GB2598
GB3526
GB2598
GB2598
GB 700
扎带表面色泽应均匀一致,平整光泽,边缘应无锐角、毛刺或缺口;覆塑扎带的覆塑层厚度应均匀。尺寸应符合3.3条的规定。
4.4耐振动
按GB2423.10的规定及表6的参数对扎带进行振动试验,在试验过程中不得发生扎带断裂、锁紧件松脱等现象。
频率范围
4.5抗拉力
位移±1.0
按5.4条进行试验时,其抗拉力值不应低于表7的规定。表7
扎带有效长度L。
4.6耐锈蚀
加速度
最小抗拉力
CB/T3496—92
镀锌钢带按5.5条进行试验时,扎带表面应无沉积的铜。4.7滞燃性
尼龙扎带和覆塑金属扎带按5.6条进行滞燃试验时,扎带应能自熄,燃烧停止后将试件表面擦净,其烧焦部分不应延伸到试件的顶部。4.8冷弯
尼龙扎带和覆塑金属扎带按5.7条进行冷弯试验时,试件表面不应有龟裂或断裂。4.9包塑和挤塑层剥离强度
包塑和挤塑金属扎带按GB2792的规定进行试验,包塑层、挤塑层剥剩离强度不得低于1.6N/cm。4.10涂层附着力
喷塑金属扎带按GB9286的有关规定进行试验,喷塑层的附着力应达95%,即1级附着力,4.11热老化
尼龙扎带按5.10条进行热老化试验时,其抗拉力及负荷力应不低于表8所列数值。表8
扎带有效长度L。
5试验方法
5.1环境条件
热老化前抗拉力
扎带试验时的正常的试验大气条件,见表9。表9
5.2外观和尺寸检验
热老化过程中的负载
相对湿度
热老化后抗拉力
86×10~106×10
目测检查试样外观应符合4.3条要求。用游标卡尺或直尺检验产品的实际成型尺寸应符合3.3条要求。
5.3振动试验
模拟实船电缆敷设形式,采用V型支架,按扎带的有效长度L,将成束电缆紧固于电缆支架上。电缆束长度可取500~900mm,电缆紧固要求应符合ZB/TU06002的规定。将一组试件空于振动试验台上,按表6参数往复扫描3次,然后在共振点上作2h耐久试验,若无明显共振点则在30Hz频率上作2h耐久试验。电缆应在下垂和侧挂两个方向上进行试验。其结果应符合4.4条要求。5.4抗拉力试验
每种规格取扎带10根,将单根扎带环绕并绑紧在图7所示的拉伸夹具上,然后施加拉力拉伸速度为12mm/min,直至扎带断裂或紧固件松脱时为止。8
5.5耐锈蚀试验
CB/T3496—92
央具连接孔
扎带案固件
位于中线
每种规格的镀锌钢带各10根,不定尺镀锌钢带剪取250mm长度的10根,用浸有汽油的棉纱清洁并干燥。对试样进行浸置硫酸铜(CuSO,·5H,O)溶液试验。1min后将试样由液体中取出,立即在自来水中用棉纱清洗,以除去海绵状沉积的铜质。其结果应符合4,6条要求。5.6滞然试验
长度为200mm的尼龙及覆塑扎带各10根,将试件置于三面金属屏蔽的试验台中间,屏蔽尺寸高×宽×深为1200mm×300mm×450mm,前面散开,顶部和底部封闭,底座是非金属。热源使用喷口直径为10mm的喷灯,喷灯火焰与试件成45°角,将喷灯调节到产生蓝色火焰,火焰温度为800士50℃,试件的底端应距离屏蔽的底座50mm左右,开始试验时,火焰的中间部分应射到带子下端以上约50mm处,连续供火605。其结果应符合4.7条的要求。5.7冷弯试验
取每类尼龙扎带和覆塑扎带成品各10根,不定尺覆塑扎带剪取长度为250mm的扎带10根作为试件。将试件与冷弯用卷简同时置于冷冻设备,降温至一25士2℃,历时4h后在低温下将扎带成螺旋形紧密缠绕卷筒5圈,卷简的直径为7.5mm,每圈盘绕的时间约5s。其结果应符合4.8条要求。5.8剥离强度试验
取长度为250rmm的包塑扎带和挤塑金属扎带各10根,用带有自动记录装置的剥离强度试验机,按GB2792的规定进行试验,其结果应符合4.9条要求。5.9涂层附着力试验
取各类喷塑金属扎带10根及长度为250mm的不定尺喷塑金属扎带10根作为试件,按GB9286的有关规定进行试验,其结果应符合4.10条要求。5.10热老化试验
5.10.1每种尼龙扎带各10根作为试件,试件应先进行预处理,即将其放在温度为50士2℃,相对湿度为(20士2)%的烘箱内,处理24h,取出后在室温下保持30min,然后立即开始进行试验。5.10.2经预处理后的试件装在图7所示的专用塑料拉力试验机上,作热老化前的拉力试验,夹具移动速度为12mm/min,其结果应符合4.11条的要求,5.10.3将试件放置于图8所示的负载试验机上,作热老化过程中的负载试验,使其承受4.11条的负荷值,并放置于温度90土2℃的烘箱内,历时240h,其间扎带不应断裂,锁紧装置不应松脱。扎带
CB/T3496—92
5.10.4按5.10.3条进行热老化试验后,然后按5.10.1条进行预处理后再按5.10.2条进行热老化后的抗拉试验,其结果应符合4.11条的要求。6检验规则
6.1产品的检验分为出厂检验和型式试验6.2出厂检验
6.2.1扎带应经制造厂检验部门检验并出具合格证书后方可出厂6.2.2
出厂检验的项目和试样数量按表10。表10
外观尺寸4.3条
抗拉力
耐锈蚀
剥离强度4.9条
附着力
i4.10条5.9条
热老化
4.11条5.10条
检验类别
试样数量
金属扎带
包塑扎带
喷塑扎带
在检验中如发现不合格品时,应加倍抽样进行复验。如复验仍有不合格时,则由制造厂检查原因。消除缺陷后,重新提交检验。10
小提示:此标准内容仅展示完整标准里的部分截取内容,若需要完整标准请到上方自行免费下载完整标准文档。
标准图片预览:





- 热门标准
- 船舶行业标准(CB)
- CB/T4125-2011 船舶压载舱涂层破损面积的评估与计算方法
- CB/T4151-2011 船舶坞内移位落墩工艺要求
- CB/T3732-1995 耙吸挖泥船耙头修理技术要求
- CB1381-2005 军用加固液晶显示器通用规范
- CB1203-1989 鱼雷用防护防水蜡通用技术条件
- CB/T3607-1993 螺旋桨及尾轴安装质量要求
- CB/T3945-2002 法兰铸钢带波纹管截止阀
- CB/T3563-1993 船用柴油机涡轮增压器修理技术要求
- CB751-68 钢质门
- CB597-1990 外螺纹钢制直角截止止回阀
- CB/T3031-2000 通风式带缆桩
- CB/Z254-2011 合同设计、详细设计和生产设计相关衔接的基本要求
- CB/T4160-2011 锚修理技术要求
- CB/T4122-2011 船舶碳素钢管TIG焊接技术要求
- CB/T4164-2011 船用组合式放泄阀
- 行业新闻
请牢记:“bzxz.net”即是“标准下载”四个汉字汉语拼音首字母与国际顶级域名“.net”的组合。 ©2025 标准下载网 www.bzxz.net 本站邮件:bzxznet@163.com
网站备案号:湘ICP备2025141790号-2
网站备案号:湘ICP备2025141790号-2