- 您的位置:
- 标准下载网 >>
- 标准分类 >>
- 其他行业标准 >>
- FZ/T 01107-2011纺织染整工业回用水水质
标准号:
FZ/T 01107-2011
标准名称:
纺织染整工业回用水水质
标准类别:
其他行业标准
英文名称:
Reusing water for textile dyeing and finishing标准状态:
现行-
发布日期:
2011-12-20 -
实施日期:
2012-07-01 出版语种:
简体中文下载格式:
.pdf .zip
点击下载
标准简介:
本标准规定了纺织染整工业回用水水质的术语和定义、回用水的应用和水质控制要求、水质指标测
定方法。
本标准适用于纺织染整企业的废水处理后用于部分工艺的回用水和杂用水水质。
本标准按照GB/T1.1—2009给出的规则起草。
本标准由中国纺织工业协会提出。
本标准由全国纺织品标准化技术委员会棉纺织印染分技术委员会(SAC/TC209/SC2)归口。
本标准起草单位:东华大学、中国印染行业协会。
本标准主要起草人:奚旦立、林琳、陈季华、马春燕。
下列文件对于本文件的应用是必不可少的。凡是注日期的引用文件,仅注日期的版本适用于本文
件。凡是不注日期的引用文件,其最新版本(包括所有的修改单)适用于本文件。
GB/T6920 水质 pH 值的测定 玻璃电极法
GB/T7477 水质 钙和镁总量的测定 EDTA 滴定法
GB/T8170 数值修约规则与极限数值的表示和判定
GB/T11901 水质 悬浮物的测定 重量法
GB/T11903 水质 色度的测定
GB/T11906 水质 锰的测定 高碘酸钾分光光度法
GB/T11914 水质 化学需氧量的测定 重铬酸盐法
GB/T13200 水质 浊度的测定
HJ/T345 水质 铁的测定 邻菲啰啉分光光度法(试行)
SL78 电导率的测定(电导仪法)
部分标准内容:
中华人民共和国纺织行业标准
FZ/T01107—2011
纺织染整工业回用水水质
Reusing water for textile dyeing and finishing2011-12-20发布
中华人民共和国工业和信息化部发布
2012-07-01实施
本标准按照GB/T1.1一2009给出的规则起草。本标准由中国纺织工业协会提出。FZ/T01107-2011
本标准由全国纺织品标准化技术委员会棉纺织印染分技术委员会(SAC/TC209/SC2)归口。本标准起草单位:东华大学、中国印染行业协会。本标准主要起草人:奚旦立、林琳、陈季华、马春燕。I
1范围
纺织染整工业回用水水质
FZ/T01107—2011
本标准规定了纺织染整工业回用水水质的术语和定义、回用水的应用和水质控制要求、水质指标测定方法。
本标准适用于纺织染整企业的废水处理后用于部分工艺的回用水和杂用水水质。2
规范性引用文件
下列文件对于本文件的应用是必不可少的。凡是注日期的引用文件,仅注日期的版本适用于本文件。凡是不注日期的引用文件,其最新版本(包括所有的修改单)适用于本文件。GB/T6920
GB/T7477
GB/T8170
GB/T11901
GB/T11903www.bzxz.net
GB/T11906
GB/T11914
GB/T13200
HJ/T345
水质pH值的测定玻璃电极法
钙和镁总量的测定EDTA滴定法
数值修约规则与极限数值的表示和判定悬浮物的测定重量法
色度的测定
锰的测定
高碘酸钾分光光度沃
化学需氧量的测定
重铬酸盐法
浊度的测定
邻菲啰啉分光光度法(试行)
铁的测定
电导率的测定(电导仪法)
3术语和定义
下列术语和定义适用于本文件。3.1
纺织染整dyeingandfinishingof textileindustry对纺织材料(纤维、纱、线和织物)进行以前处理、染色、印花、后整理为主的处理工艺过程,又称印染。
回用水reusingwater
废水经过处理后能够被重新循环利用的那部分水资源,又称污水再利用。回用水的应用和水质控制要求
4.1根据生产工艺要求,用于一般漂洗工序或杂用,最后一道水洗慎用,不宜用于配料、溶解染料、助剂,不宜用于打小样等,
4.2回用方式:将回用水直接用于部分生产工序和杂用:掺一定比例净水后使用。4.3根据生产工艺、产品质量要求和回用水实际水质,应经过小试、生产性试验后,确定回用量和回用方式。
FZ/T01107—2011
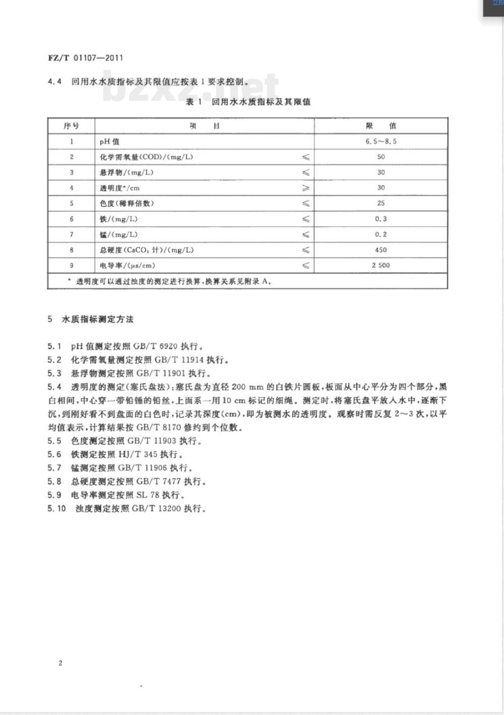
回用水水质指标及其限值应按表1要求控制。表1
化学需氧量(COD)/(mg/L)
悬浮物/(mg/L)
透明度\/cm
色度(稀释倍数)
铁/(mg/L)
锰/(mg/L)
总硬度(CaCO,计)/(mg/L)
电导率/(μs/cm)
回用水水质指标及其限值
透明度可以通过浊度的测定进行换算,换算关系见附录A。5
水质指标测定方法
PH值测定按照GB/T6920执行。
化学需氧量测定按照GB/T11914执行。3悬浮物测定按照GB/T11901执行。5.3
5.4透明度的测定(塞氏盘法):塞氏盘为直径200mm的白铁片圆板,板面从中心平分为四个部分,黑白相间,中心穿一带铅锤的铅丝,上面系一用10cm标记的细绳。测定时,将塞氏盘平放人水中,逐渐下沉,到刚好看不到盘面的白色时,记录其深度(cm),即为被测水的透明度。观察时需反复2~3次,以平均值表示,计算结果按GB/T8170修约到个位数。5.5
色度测定按照GB/T11903执行。
铁测定按照HIJ/T345执行。
锰测定按照GB/T11906执行。
总硬度测定按照GB/T7477执行。电导率测定按照SL78执行。
浊度测定按照GB/T13200执行。
浊度与透明度的换算见表A1。
透明度
透明度
附录A
(规范性附录)
浊度与透明度的换算关系
浊度与透明度换算表
透明度
14, 80
FZ/T01107—2011
透明度
小提示:此标准内容仅展示完整标准里的部分截取内容,若需要完整标准请到上方自行免费下载完整标准文档。
标准图片预览:





- 其它标准
- 热门标准
- 其他行业标准
- FZ/T54087-2016 粘合活化型涤纶工业长丝
- FZ/T54088-2016 锦纶6全牵伸单丝
- FZ/T54089-2016 有色锦纶6弹力丝
- FZ/T92036-2017 弹簧加压摇架
- YS/T433-2016 银精矿
- FZ/T54082-2015 锦纶6膨体长丝(BCF)
- FZ/T62036-2017 乳胶枕、垫
- QB/T4698-2014 家用和类似用途软水机
- QB/T4207-2011 一字槽螺钉旋具头
- FZ/T61002-2019 化纤仿毛毛毯
- JB/T4212.6-2014 内六角圆柱头螺钉冷镦模 第6部分:凹模
- NB/T31048.1-2014 风力发电机用绕组线 第1部分 一般规定
- T/CMAJY047-2021 加油机在线监督管理规范
- FZ/T73022-2019 针织保暖内衣
- QB/T1999-1994 密胺塑料餐具
- 行业新闻
网站备案号:湘ICP备2025141790号-2