- 您的位置:
- 标准下载网 >>
- 标准分类 >>
- 其他行业标准 >>
- FZ/T 01040-2014纺织品 特克斯(Tex)制捻系数
标准号:
FZ/T 01040-2014
标准名称:
纺织品 特克斯(Tex)制捻系数
标准类别:
其他行业标准
英文名称:
Textiles—Twist factor related to the Tex System标准状态:
现行-
发布日期:
2014-10-14 -
实施日期:
2015-04-01 出版语种:
简体中文下载格式:
.pdf .zip下载大小:
948.32 KB
标准ICS号:
纺织和皮革技术>>纺织产品>>59.080.20纱线中标分类号:
纺织>>纺织综合>>W04基础标准与通用方法
替代情况:
替代FZ/T 01040-1995采标情况:
ISO/TR 8091-1983,MOD
点击下载
标准简介:
本标准规定了以国际单位制单位表示的与Tex制相关的捻系数的计算公式,以及常用的其他单位制单位表示的捻系数与国际单位制单位表示的捻系数的换算关系和换算系数。
本标准适用于各种加捻短纤纱、长丝纱、股线和缆线。
本标准按照GB/T1.1—2009给出的规则起草。
本标准代替FZ/T01040—1995《Tex制捻系数》。与FZ/T01040—1995相比主要改变如下:
———标准名称修改为“纺织品特克斯(Tex)制捻系数”;
———将原标准第2章引用文件调整为参考文献,以后章节依次顺延;
———增加了捻回、捻度的术语和定义,修订了捻系数的定义(见第2章,1995年版的第3章);
———删除了αk 表示的捻系数及相关的计算公式(见第3章,1995年版的第4章);
———删除了与αk 相关的换算公式(见第4章,1995年版的第5章);
———修正了表1的部分转换系数,将αm修正为αm,删除了与αk 相关的转换系数(见第5章,1995年版的第6章);
———将表1注2中公制捻度单位“捻/10cm”修改为“捻/m”,删除了注3。
本标准采用重新起草法修改采用ISO/TR8091:1983《纺织品 特克斯制捻系数》(英文版)。本标准与ISO/TR8091的主要差异如下:
———将参考文献中的国际标准调整为对应的我国标准,并新增了GB/T3291.1;
———第2章中增加了捻回、捻度的定义;
———第5章换算关系中增加了注1“对换算系数结果修约的说明”和注2对“公制和英制捻系数的计算公式”;
———删除了原国际标准第7章捻系数单位换算表和第8章捻系数换算表。
本标准由中国纺织工业联合会提出。
本标准由全国纺织品标准化技术委员会基础标准分技术委员会(SAC/TC209/SC1)归口。
本标准起草单位:中纺标(北京)检验认证中心有限公司。
本标准主要起草人:龚迎秋、刘涛、方锡江。
本标准所代替标准的历次版本发布情况为:
———FZ/T01040—1995。
部分标准内容:
中华人民共和国纺织行业标准
FZ/T01040-2014
代替FZ/T01040-1995
纺织品
特克斯(Tex)制捻系数
Textiles-Twist factor related to the Tex System(ISO/TR8091-1983,MOD)
2014-10-14发布
中华人民共和国工业和信息化部发布
2015-04-01实施
本标准按照GB/T1.1—2009给出的规则起草。FZ/T01040—2014
本标准代替FZ/T01040一1995《Tex制抢系数》。与FZ/T01040一1995相比主要改变如下:标准名称修改为“纺织品特克斯(Tex)制捻系数”;将原标准第2章引用文件调整为参考文献,以后章节依次顺延;增加了捻回、捻度的术语和定义,修订了捻系数的定义(见第2章,1995年版的第3章);删除了αk表示的捻系数及相关的计算公式(见第3章,1995年版的第4章);删除了与α相关的换算公式(见第4章,1995年版的第5章);修正了表1的部分转换系数,将αm修正为αm,删除了与αk相关的转换系数(见第5章,1995年版的第6章);
将表1注2中公制捻度单位捻/10cm”修改为“捻/m”,删除了注3。本标准采用重新起草法修改采用ISO/TR8091:1983《纺织品特克斯制系数》(英文版)。本标准与ISO/TR8091的主要差异如下:将参考文献中的国际标准调整为对应的我国标准,并新增了GB/T3291.1;第2章中增加了捻回、捻度的定义;-第5章换算关系中增加了注1“对换算系数结果修约的说明”和注2对“公制和英制捻系数的计算公式”;
一删除了原国际标准第7章捻系数单位换算表和第8章捻系数换算表。本标准由中国纺织工业联合会提出。本标准由全国纺织品标准化技术委员会基础标准分技术委员会(SAC/TC209/SC1)归口。本标准起草单位:中纺标(北京)检验认证中心有限公司。本标准主要起草人:龚迎秋、刘涛、方锡江。本标准所代替标准的历次版本发布情况为:-FZ/T01040-—1995。
1范围
纺织品
特克斯(Tex)制捻系数
FZ/T01040—2014
本标准规定了以国际单位制单位表示的与Tex制相关的捻系数的计算公式,以及常用的其他单位制单位表示的抢系数与国际单位制单位表示的捻系数的换算关系和换算系数。本标准适用于各种加捻短纤纱、长丝纱、股线和缆线。2术语和定义
下列术语和定义适用于本文件。2.1
抢回turn
纱条绕其轴心旋转360°即为一个捻回。[GB/T3291.1-1997,定义2.39]2.2
抢度twist
纱线在退捻前的规定长度内的捻回数。一般以每米捻回数或每厘米捻回数表示。[GB/T3291.1—1997,定义2.40]
抢系数twistfactor
纱线中纤维或长丝螺旋取向的度量,它反映了纱表面上的纤维同纱轴形成的角度,并由纱线的线密度和抢度两个指标求得。
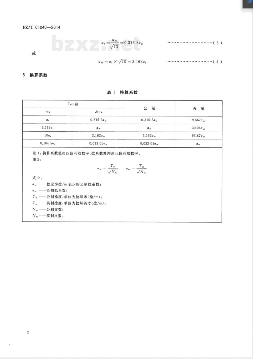
以Tex制表示的抢系数
抢系数的计算公式见式(1)和式(2):a,
式中:
-以Tex制表示的捻系数;
以公制表示的抢系数;
抢度,单位为抢每米(抢/m);T.
线密度,单位为特克斯(tex)。4αt、α之间的相互关系
αt、αm之间的相互关系见式(3)或式(4):或
V10000
(1)
·(2)
FZ/T01040—2014
换算系数
Tex制
=0.3162αm
αm=αt×V10=3.162αt
表1换算系数
0.3162αm
0.03305am
0.3162αm
0.03305αm
注1:换算系数使用四位有效数字,系数修约到三位有效数字。注2:
式中:
抢度为捻/m表示的公制捻系数;英制捻系数;
公制捻度,单位为捻每米(抢/m);英制抢度,单位为捻每英寸(捻/in);公制支数;
英制支数。
(3)
........4)
30.26αee
GB3100
国际单位制及其应用
GB/T3291.1纺织
FZ/T01035
纺织品
参考文
纺织材料性能和试验术语
FZ/T01040—2014
第1部分:纤维和纱线
标示线密度的通用制(特克斯制)立良
FZ/T01040-2014
打印日期:2015年2月10日F009A中华人民共和国纺织
行业标准
纺织品特克斯(Tex)制捻系数
FZ/T01040—2014
中国标准出版社出版发行
北京市朝阳区和平里西街甲2号(100029)北京市西城区三里河北街16号(100045)网址www.spc.net.cn
总编室:(010)64275323发行中心:(010)51780235读者服务部:(010)68523946
中国标准出版社秦皇岛印刷厂印刷各地新华书店经销www.bzxz.net
开本880×12301/16
6印张0.5字数5千字
2015年1月第一次印刷
2015年1月第一版
书号:155066·2-28020定价14.00元如有印装差错由本社发行中心调换版权专有侵权必究
举报电话:(010)68510107
小提示:此标准内容仅展示完整标准里的部分截取内容,若需要完整标准请到上方自行免费下载完整标准文档。
标准图片预览:





- 其它标准
- 热门标准
- 其他行业标准
- QB/T4698-2014 家用和类似用途软水机
- YS/T131-2010 炭素制品生产炉窑能耗限额
- FZ/T61002-2019 化纤仿毛毛毯
- FZ/T62036-2017 乳胶枕、垫
- T/CMAJY047-2021 加油机在线监督管理规范
- JB/T4212.4-2014 内六角圆柱头螺钉冷镦模 第4部分:内六角冲头
- NB/T31048.1-2014 风力发电机用绕组线 第1部分 一般规定
- QB/T4032-2010 纸杯原纸
- FZ/T62031-2015 针织被套
- FZ/T62032-2016 机织毛巾布
- FZ/T54089-2016 有色锦纶6弹力丝
- CECS97-1997 鼓风曝气系统设计规程
- DGJ32TJ94-2010 江苏省住宅信报箱建设标准
- GB/T17693.11-2019 外语地名汉字译写导则 第11部分:朝鲜语
- QB/T4935-2016 办公家具 屏风桌
- 行业新闻
网站备案号:湘ICP备2025141790号-2