- 您的位置:
- 标准下载网 >>
- 标准分类 >>
- 其他行业标准 >>
- QB/T 1290.3-2010钢锤 钳工锤
标准号:
QB/T 1290.3-2010
标准名称:
钢锤 钳工锤
标准类别:
其他行业标准
英文名称:
Hand hammers—Double-face sledge hammers标准状态:
现行-
发布日期:
2010-04-22 -
实施日期:
2010-10-01 出版语种:
简体中文下载格式:
.pdf .zip
替代情况:
替代QB/T 1290.3-1991
部分标准内容:
ICS25.140.30
分类号:J47
备案号:28851-2010
中华人民共和国轻工行业标准
QB/T1290.3-2010
代替QB/T1290.3-1991
钳工锤
Hand hammers-Double-face sledge hammers2010-04-22发布
中华人民共和国工业和信息化部2010-10-01实施
QB/T1290《钢锤》系列标准现有10项标准组成:QB/T1290.1-2010
QB/T1290.2-2010
QB/T1290.3-2010
QB/T1290.4-2010
QB/T1290.5-2010
QB/T1290.6-2010
QB/T1290.7-2010
QB/T1290.8-2010
QB/T1290.9-2010
QB/T1290.10-2010
八角锤;
圆头锤;
钳工锤;
扁尾锤;
检车锤;
敲锈锤;
焊工锤;
羊角锤;
木工锤;
石工锤。
本标准为QB/T1290系列标准的第3项。本标准是对QB/T1290.3一1991《钢锤钳工锤》的修订。本标准与QB/T1290.3一1991相比,主要变化如下:调整了锤体的硬度要求(1991版的4.1,本版的4);调整了装配性能的要求和试验方法(1991版的4.2、5,本版的4、5);增加了柄套附着力的要求和试验方法(本版的4、5);对标准的结构和表述作了修改。本标准由中国轻工业联合会提出。本标准由全国工具五金标准化中心归口。QB/T1290.3—2010
本标准由常州市新华工具有限公司、上海市工具工业研究所负责起草,上海吉益工具有限公司、宁波长城精工实业有限公司等单位参加起草。本标准主要起草人:邱国庆、吴祖训、叶伟明、陈立海、顾青。本标准所代替标准的历次版本发布情况为:-QB/T1290.3-1991。bzxz.net
1范围
钳工锤
QB/T1290.3-2010
本标准规定了钳工锤的产品分类、技术要求、试验方法、检验规则、包装、标志、运输与贮存,本标准适用于作业用钢制钳工锤。2规范性引用文件
下列文件中的条款通过本标准的引用而成为本标准的条款。凡是注日期的引用文件,其随后所有的修改单(不包括勘误的内容)或修订版均不适用于本标准。然而,鼓励根据本标准达成协议的各方研究是否可使用这些文件的最新版本。凡是不注日期的引用文件,其最新版本适用于本标准。GB/T2828.1计数抽样检验程序第1部分:按接收质量限(AQL)检索的逐批检验抽样计划(ISO2859-1:1999,IDT)
GB/T13473钢锤通用技术条件
3分类
3.1产品型式
钳工锤的产品型式如图1和图2所示。注:本标准的图示仅是示例,并不影响对产品的设计。图1A型钳工锤
QB/T1290.3-2010
3.2基本尺寸
图2B型钳工锤
钳工锤的基本尺寸按表1和表2的规定。3.3产品标记
钳工锤的产品标记由产品名称、标准编号、规格和型式代号组成。标记示例1:规格为0.5kg的A型钳工锤的产品标记为:钳工锤QB/T1290.3-0.5A
标记示例2:规格为0.4kg的B型钳工锤的产品标记为:钳工锤QB/T1290.3-0.4B
表1A型钳工锤的基本尺寸
规格/kg
基本尺寸
注1:本表不包括特殊型式的钳工锤。注2:锤孔的尺寸参照GB/T13473的附录。2
基本尺寸
b×b/(mm×mm)
基本尺寸
15×15
19×19
23×23
25×25
27×27
29×29
33×33
36×36
42×42
47×47
规格/kg
基本尺寸
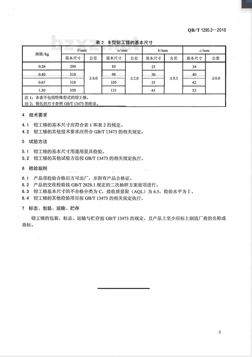
注1:本表不包括特殊型式的钳工锤。表2B型钳工锤的基本尺寸
注2:锤孔的尺寸参照GB/T13473的附录。4技术要求
基本尺寸
钳工锤的基本尺寸应符合表1和表2的规定。4.1
4.2钳工锤的其他技术要求应符合GB/T13473的相关规定。5试验方法
钳工锤的基本尺寸用通用量具检验。钳工锤的其他试验方法按GB/T13473的相关规定执行。6检验规则
产品须检验合格后方可出厂,并附有产品合格证。b/mm
基本尺寸
6.2产品的交收检验按GB/T2828.1规定的二次抽样方案逐项进行。公差
QB/T1290.3-2010
基本尺寸
6.3钳工锤基本尺寸的不合格分类为C,接收质量限(AQL)为6.5,检验水平为I。6.4钳工锤的其他检验项目按GB/T13473的相关规定执行。标志、包装、运输、贮存
钳工锤的包装、标志、运输与贮存按GB/T13473的规定,且产品上至少应标上制造厂商的名称或商标。
QB/T1290.3-2010
中华人民共和国
轻工行业标准
钢锤钳工锤
QB/T1290.3-2010
中国轻工业出版社出版发行
地址:北京东长安街6号
邮政编码:100740
发行电话:(010)65241695
网址:http:://www.chlip.com.cn/E-mail:club@chlip.com.cn
轻工业标准化编辑出版委员会编辑地址:北京西城区月坛北小街6号邮政编码:100037
电话:(010)68049923
版权所有侵权必究
书号:155019·3297
印数:1200册
小提示:此标准内容仅展示完整标准里的部分截取内容,若需要完整标准请到上方自行免费下载完整标准文档。
分类号:J47
备案号:28851-2010
中华人民共和国轻工行业标准
QB/T1290.3-2010
代替QB/T1290.3-1991
钳工锤
Hand hammers-Double-face sledge hammers2010-04-22发布
中华人民共和国工业和信息化部2010-10-01实施
QB/T1290《钢锤》系列标准现有10项标准组成:QB/T1290.1-2010
QB/T1290.2-2010
QB/T1290.3-2010
QB/T1290.4-2010
QB/T1290.5-2010
QB/T1290.6-2010
QB/T1290.7-2010
QB/T1290.8-2010
QB/T1290.9-2010
QB/T1290.10-2010
八角锤;
圆头锤;
钳工锤;
扁尾锤;
检车锤;
敲锈锤;
焊工锤;
羊角锤;
木工锤;
石工锤。
本标准为QB/T1290系列标准的第3项。本标准是对QB/T1290.3一1991《钢锤钳工锤》的修订。本标准与QB/T1290.3一1991相比,主要变化如下:调整了锤体的硬度要求(1991版的4.1,本版的4);调整了装配性能的要求和试验方法(1991版的4.2、5,本版的4、5);增加了柄套附着力的要求和试验方法(本版的4、5);对标准的结构和表述作了修改。本标准由中国轻工业联合会提出。本标准由全国工具五金标准化中心归口。QB/T1290.3—2010
本标准由常州市新华工具有限公司、上海市工具工业研究所负责起草,上海吉益工具有限公司、宁波长城精工实业有限公司等单位参加起草。本标准主要起草人:邱国庆、吴祖训、叶伟明、陈立海、顾青。本标准所代替标准的历次版本发布情况为:-QB/T1290.3-1991。bzxz.net
1范围
钳工锤
QB/T1290.3-2010
本标准规定了钳工锤的产品分类、技术要求、试验方法、检验规则、包装、标志、运输与贮存,本标准适用于作业用钢制钳工锤。2规范性引用文件
下列文件中的条款通过本标准的引用而成为本标准的条款。凡是注日期的引用文件,其随后所有的修改单(不包括勘误的内容)或修订版均不适用于本标准。然而,鼓励根据本标准达成协议的各方研究是否可使用这些文件的最新版本。凡是不注日期的引用文件,其最新版本适用于本标准。GB/T2828.1计数抽样检验程序第1部分:按接收质量限(AQL)检索的逐批检验抽样计划(ISO2859-1:1999,IDT)
GB/T13473钢锤通用技术条件
3分类
3.1产品型式
钳工锤的产品型式如图1和图2所示。注:本标准的图示仅是示例,并不影响对产品的设计。图1A型钳工锤
QB/T1290.3-2010
3.2基本尺寸
图2B型钳工锤
钳工锤的基本尺寸按表1和表2的规定。3.3产品标记
钳工锤的产品标记由产品名称、标准编号、规格和型式代号组成。标记示例1:规格为0.5kg的A型钳工锤的产品标记为:钳工锤QB/T1290.3-0.5A
标记示例2:规格为0.4kg的B型钳工锤的产品标记为:钳工锤QB/T1290.3-0.4B
表1A型钳工锤的基本尺寸
规格/kg
基本尺寸
注1:本表不包括特殊型式的钳工锤。注2:锤孔的尺寸参照GB/T13473的附录。2
基本尺寸
b×b/(mm×mm)
基本尺寸
15×15
19×19
23×23
25×25
27×27
29×29
33×33
36×36
42×42
47×47
规格/kg
基本尺寸
注1:本表不包括特殊型式的钳工锤。表2B型钳工锤的基本尺寸
注2:锤孔的尺寸参照GB/T13473的附录。4技术要求
基本尺寸
钳工锤的基本尺寸应符合表1和表2的规定。4.1
4.2钳工锤的其他技术要求应符合GB/T13473的相关规定。5试验方法
钳工锤的基本尺寸用通用量具检验。钳工锤的其他试验方法按GB/T13473的相关规定执行。6检验规则
产品须检验合格后方可出厂,并附有产品合格证。b/mm
基本尺寸
6.2产品的交收检验按GB/T2828.1规定的二次抽样方案逐项进行。公差
QB/T1290.3-2010
基本尺寸
6.3钳工锤基本尺寸的不合格分类为C,接收质量限(AQL)为6.5,检验水平为I。6.4钳工锤的其他检验项目按GB/T13473的相关规定执行。标志、包装、运输、贮存
钳工锤的包装、标志、运输与贮存按GB/T13473的规定,且产品上至少应标上制造厂商的名称或商标。
QB/T1290.3-2010
中华人民共和国
轻工行业标准
钢锤钳工锤
QB/T1290.3-2010
中国轻工业出版社出版发行
地址:北京东长安街6号
邮政编码:100740
发行电话:(010)65241695
网址:http:://www.chlip.com.cn/E-mail:club@chlip.com.cn
轻工业标准化编辑出版委员会编辑地址:北京西城区月坛北小街6号邮政编码:100037
电话:(010)68049923
版权所有侵权必究
书号:155019·3297
印数:1200册
小提示:此标准内容仅展示完整标准里的部分截取内容,若需要完整标准请到上方自行免费下载完整标准文档。
标准图片预览:





- 其它标准
- 上一篇: QB/T 2094.6-2015木工锯 夹背锯
- 下一篇: QB/T 1518-1992电焊钳技术条件
- 热门标准
- 其他行业标准
- FZ/T54085-2016 阻燃涤纶低弹丝
- FZ/T54087-2016 粘合活化型涤纶工业长丝
- FZ/T54089-2016 有色锦纶6弹力丝
- FZ/T54088-2016 锦纶6全牵伸单丝
- FZ/T54080-2015 有光异形锦纶66弹力丝
- FZ/T92036-2017 弹簧加压摇架
- YS/T433-2016 银精矿
- FZ/T54082-2015 锦纶6膨体长丝(BCF)
- QB/T4698-2014 家用和类似用途软水机
- QB/T4207-2011 一字槽螺钉旋具头
- FZ/T61002-2019 化纤仿毛毛毯
- FZ/T62036-2017 乳胶枕、垫
- JB/T4212.6-2014 内六角圆柱头螺钉冷镦模 第6部分:凹模
- T/CMAJY047-2021 加油机在线监督管理规范
- FZ/T73022-2019 针织保暖内衣
- 行业新闻
请牢记:“bzxz.net”即是“标准下载”四个汉字汉语拼音首字母与国际顶级域名“.net”的组合。 ©2025 标准下载网 www.bzxz.net 本站邮件:bzxznet@163.com
网站备案号:湘ICP备2025141790号-2
网站备案号:湘ICP备2025141790号-2