- 您的位置:
- 标准下载网 >>
- 标准分类 >>
- 纺织行业标准(FZ) >>
- FZ/T 63005- 2019 机织腰带
标准号:
FZ/T 63005- 2019
标准名称:
机织腰带
标准类别:
纺织行业标准(FZ)
标准状态:
现行出版语种:
简体中文下载格式:
.zip .pdf下载大小:
488.32 KB
点击下载
标准简介:
FZ/T 63005- 2019.
1范圜
FZ/T 63005规定了机织腹槽的术语和定义.要求、分等规定、试验方法、检验规则.包装.标志、运输、贮存。
FZ/T 63005适用于以纺织纤维制成的机织腰带。弹性机织腰带可参照本标准执行。
FZ/T 63005不适用于年龄在36个月及以下的婴幼儿产品。
2规范性引用文件
下列文件对于本文件的应用是必不可少的。凡是注日期的引用文件.仅注目期的版本适用于本文件。凡是不注8期的引用文件,其最新版本(包括所有的修改单)适用于本文件。
GB/T 250纺织品色牢度试验 评定变 色用灰色样卡
GB/T 251纺织品色牢度试验 评定沾 色用灰色样卡
GB/T 2828.1计数抽样检验程序 第1部分:按接收质量限(AQL)检索的连批检验抽样计划
GB/T 3820纺织品 和纺织制品厚度的测定
GB/T 3920纺织品色牢度试验 耐摩 擦色牢度
GB/T 3921纺织品色牢度试验 耐皂洗色牢度
GB/T 3922纺织品色牢度试验 耐汗渍 色牢度
GB/T 5296.4消费 品使用说明第4部分i紡织品和服装
GB/T 8427- -2008 纺织品色牢度试验 耐人造 光色牢度;氙弧
GB 18401国家纺织产 品基本安全技术规范
GB/T 24250机织物疵点的描述术谱
GB 31701婴 幼儿及儿童纺织产品安全技术规范
F2/T 6002织带产 品物理机械性能试验方法
3术语和定义
GB/T 24250中界定的以及下列术语和定义适用于本文件。
3.1跳花skips
跳棱
經纱或纬纱未按组织交织而浮在带面上。
3.2松档open-set mark
织帮相邻两纬之间有明显的空隙。
部分标准内容:
中华人民共和国纺织行业标准
FZ/T63005-2019
代替F2./T630052010
机织腰带
Woven belt
2019-11-11发布
中华人民共和国工业和信息化部发布
2020-04-01实施
本标准按照GB/T1.1—2009给出的规则起草。FZ/T63005—2019
本标准代替FZ/T63005—2010机织腰带》,与FZ/T63005—2010相比,除编辑性修改外主要技术变化如下:
修改了标准的范围,将各纤维材料名称以纺织纤维统称;增加:不适用于年龄在36个月及以下的婴幼儿产品(见第1章,2010年版的第1章),补充了规范性引用文件(见第2章,2010年版的第2章);修改了产品的安全性能要求(见4.1,2010年版的第4章)将长度偏差改为长度偏差率(见4.3表1,2010年版的第4章);修改了耐汗渍色牢度、耐光色牢度的技术指标(见4.3表1,2010年版的第4章);增加了耐皂洗色牢度的考核指标及试验方法等相关内容(见 4.3表 1,6.7,7.1.,2 表 5) 一修改了外观点允许程度(见第4章表2,2010年版的第4章);修改了评等(见第5章表3,2010年版的第5章);增加了测量长度,宽度的具体测试方法、测量部位和示意图(见6.1和图1);修改了耐光色牢度的试验方法(见第6章,2010年版的6.5);增加了扣合力的试验示意图(见6.8,2010年版的6.8);修改了使用说明的规定(见第8章,2010年版的8.1.2)。本标准由中国纺织工业联合会提出。本标准由全国家用纺织品标准化技术委员会线带分技术委员会(SAC/TC302/SC2)归口。本标准起草单位:浙江省纺织测试研究院,上海市纺织工业技术监督所、上海纺织集团检测标准有限公司、广州检验检测认证集团有限公司、东莞润信弹性织物有限公司、浙江澳亚织造股份有限公司。本标准主要起草人:张惠芳、俞伟琴、何波、施诞婷、李小红、张鑫警、樊平、贺美娣。本标准所代替标准的历次版本发布情况为:FZ/T63005—1996.FZ/T63005—2010。1范围
机织腰带
FZ/T 63005-2019
本标准规定了机织腰带的术语和定义、要求、分等规定、试验方法、检验规则、包装、标志、运输、贮存。
本标准适用于以纺织纤维制成的机织腰带。弹性机织腰带可参照本标推执行。本标准不适用于年龄在 36 个月及以下的婴幼儿产品。2 规范性引用文件
下列文件对于本文件的应用是必不可少的。凡是注日期的引用文件,仅注日期的版本适用于本文件。凡是不注日期的引用女件,其最新版本包括所有的修改单握用子本文件,GB/T250纺织品色牢度试验评定变色用灰色样卡GB/T251:纺织品色牢度试验评定沾色用灰色样卡GB/T2828.1计数抽样检验程序第1部分:按接收质量限(AQL)检索的逐批检验抽样计划GB/T3820纺织品和纺织制品厚度的测定GB/T3920纺织品色牢度试验耐摩擦色牢度纺织品色牢度试验耐皂洗色牢度GB/T3921
GB/T3922纺织品色牢度试验耐汗渍色牢度GB/T5296.4消费品使用说明第4部分:纺织品和服装GB/T8427一2008纺织品色年度试验耐人造光色牢度氛弧GB18401国家纺织产品基本安全技术规范GB/T24250机织物疵点的描述术语GB31701婴幼儿及儿童纺织产品安全技术规范F2/T60021织带产品物理机械性能试验方法3术语和定义
GB/T24250中界定的以及下列术语和定义适用于本文件。3.1
跳花skips
经纱或纬纱未按组织交织而浮在带面上。3.2
松档open-set mark
织带相邻两纬之间有明显的空隙。1
FZ/T63005—2019
扣件buckle
与腰带配合的扣合附件,包括包角、扣头等。4要求
4.1产品的安全性能应符合GB 18401的要求,36个月以上至 14岁儿童穿着用的机织腰带还应符合GIB31701的规定要求,
4.2机织腰带技术要求分为内在质量和外观质量,内在质量要求包括宽度偏差、纬向密度偏差率,厚度偏差、长度偏差率、耐汗渍色牢度、耐摩擦色牢度、耐光色牢度、耐皂洗色牢度、扣合力九项指标。外观质量要求主要是外观疵点。
机织腰带内在质量要求见表1。
表1内在质量要求
宽度偏差/mm
纬向密度偏差率/%
厚度偏差/mm
长度偏差率/%
耐汗渍色率度/级
耐摩擦色率度/级
耐光色牢度/级
耐皂洗色年度/级
扣合/N
15(含)~25
25(含)~31
31 及以上
15(含)~25
25(含)~31
31及以上
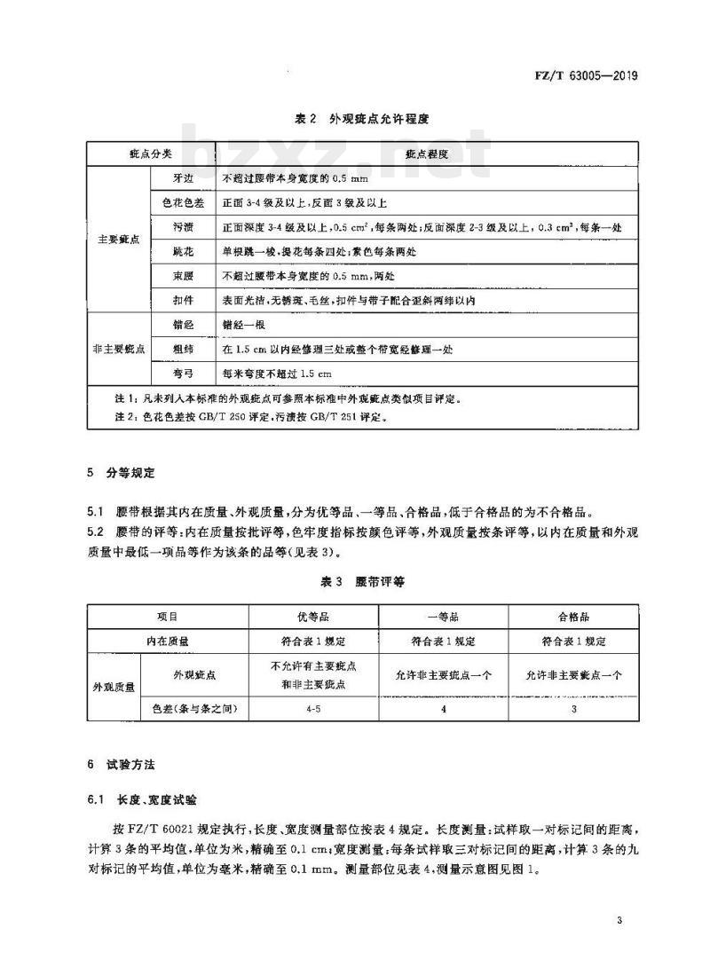
注:纬向密度为-梭口纬纱来回算一纬。耐皂洗色年度,印花产品:不充许印花脱落、起泡机织腰带的外观质量要求见表2。4.4
优等品
一等品
合格品
症点分类
色花色差
主要燕点
非主要点
表2外观疵点允许程度
疵点程度
不超过腰带本身宽度的0.5mm
正面3-4级及以上,反面3级及以上FZ/T63005—2019
正面深度 3-4级及以上,0.5 cm2,每条两处;反面深度 2-3级及以上,0.3 cm2,每条一处单根跳一梭,提花每条四处;素色每条两处不超过腰带本身宽度的0.5mm,两处表面光洁,无锈斑、毛丝,扣件与带子配合歪斜两纬以内错经一根
在 1.5 cm 以内经修理三处或整个带宽经静理一处每米弯度不超过 1.5 cm
注1:凡未列人本标准的外观疵点可参照本标准中外观癌点类似项目评定。注2:色花色差按GB/T250评定污渍接GB/T251评定。5分等规定
腰带根据其内在质量、外观质量,分为优等品、一等品、合格品,低于合格品的为不合格品。5.2腰带的评等:内在质量按批评等,色牢度指标按颜色评等,外观质量按条评等,以内在质量和外观质量中最低一项品等作为该条的品等(见表3)表 3 腰带评等
内在质量
外观蜓点
外观质量
色差(条与条之间)
6试验方法
6.1长度、宽度试验
优等品
符合表 1 规定
不允许有主要症点
和非主要疵点
一等品
符合表1规定
允许非主要疵点一个
合格品
符合表1规定
充许非主要藏点一个
按FZ/T60021规定执行,长度、宽度测量部位按表4规定。长度测量:试样取一对标记间的距离,计算 3条的平均值,单位为米,精确至 0,1 cm;宽度测量:每条试样取三对标记间的距离,计算 3条的九对标记的平均值,单位为毫米,精确至 0,1 。测量部位见表4,测量示意图见图 1。3
FZ/T63005—2019
测量项目
说明:
Wi.W..W.-
测量纺织部分长度
表 4 取样部位
测量部位规定
距离机织腰带尾端20cm处至距离机织腰带头端20 cm处任选三处进行测盘L/m
机织腰带的长度:
分别为机织腰带宽度测量三对标记间的距离。Ws/mm E
图1长度、宽度测量示意图
纬向密度试验
按FZ/T60021规定执行。
厚度偏差试验
按GB/T3820规定执行。压脚面积:500mm(带宽32mm及以下),1000mm(带宽32mm以上);加压压强:2kPa;加压时间:(10士2)s。在样品上随机测量5个位置,取平均值,精确至0.1mm。6.4耐汗溃色牢度试验
按GB/T3922规定执行。
6.5耐光色牢度试验
按GB/T8427一2008规定执行,其中噻晒按方法3,晒至第一阶段。6.6耐摩擦色牢度试验
按GB/T3920规定执行,只测试长度方向。4
6.7耐皂洗色牢度
按GB/T3921规定执行。
6.8扣合力试验
FZ/T 63005—2019
6.8.1本试验采用等速伸长(CRE)试验仪。见图2,试验仪上下夹钳的距离为20cm,夹持器移动的恒定速度为100 mm/min。
5.8.2设置预张力为10N,将装有扣子的腰带一端放入上夹钳的中央位置,并拧紧上夹钳。然后将腰带另一端从下夹钳的下方穿入夹钳的中央位置后串人扣子内扣紧,并使扣子位于隔距长度中心位置,保持无松动现象,再柠紧下夹钳,进行试验,记录其扣合力,测量3条,取平均值,精确到1N。满足以下条件的试验为有效试验:
a)织物不断裂;
b)织物未从夹具中滑移。
不满足以上条件的试验结果应剔除。如果三条试样中有两条以上被剔除,则此方法不适用。如果协议要求另外增加试样,试验数景宜加倍,同时在试验报告中应说明。图2扣合力实验示意图
6.9外观质量检验
6.9.1外观质量检验条件
采用室内北间自然光源,避免阳光直射试样。采用灯光检验时,以40W加罩青光日光灯管2根~3 根,照度不低于 600 1x。
6.9,2外观质量检验规定
6.9.2.1检验时应将产品平摊在检验台上,检验人员的视线应正视平摊产品的表面,自光与产品距离为40 cm左右。
6.9.2.2腰带症点长度以疵点的最大长度量计。6.9.2.3外观质量检验中,色差按GB/T250评定。5
FZ/T 63005--2019
7检验规则
取样规定
7.1.1同一品种、原料、规格及同一颤色的交货批作为一个检验批,各项指标检测样本均应从检验批中随机抽取。
7.1.2内在质量批按检验批随机抽样,抽样数量及试验次数规定见表5。表5内在质检验每批抽取试样数量的规定项目
宽度偏差
纬向密度偏差率
厚度偏差
长度偏差率
耐汗色牢度
耐摩擦色牢度
耐光色半度
耐皂洗色牢度
扣合力
数盘/条免费标准下载网bzxz
7.1.3外观质量批以条为单位抽验,抽样数量按照 GB/T 2828.1正常一次抽样方案,一般检验水平I接收质量限(AQL)为4.0规定抽样,其体抽样方案见表6表6外观质量检验抽样方案
批母范菌N
16 25
91~150
151~280
281~500
501~1200
样本大小及
注:当批量范围小于样本大小时,全数检验。2判定
7.2.1内在质量批的判定
合格判定数Ac
单位为条
不合格判定数Re
内在质量批按4.3进行验收,验收方法按6.1~6.8执行,检验结果以全部抽验样品合格作为全批合格。
7,2,2外观质量批的判定
FZ/T63005—2019
外观质量批按4.4规定,结果判定按表6执行。不合格数小于或等于Ac,则判检验批合格;不合格数大于或等于Re,则判检验批不合格。7.2.3综合质量批的判定
综合质量批判定按内在质量抽样检验和外观质量抽样检验中最低品等评定。7.3复验
7.3.1如供需双方对检验结果或质量有异议时,在规定期限内,可由双方重新抽取相同数最的产品进行复验。
复验结果的判定同 7,2。
复验以一次为准,凡判定合格的应作全批合格,判定不合格的应作全批不合格。7.3.32
8包装、标志、运输、存
8.1包装、标志
8.1.1包装标志应明确、清晰、项目齐全、便于识别,应包含以下内容:货号、品名、宽度、长度、生产单位、商标、执行的标推编号,并附有检验合格证。8.1.2每件产品应附使用说明,使用说明内容按GB/T5296.4相关要求执行8.2运输、购存
8.2.1产品运输、贮存应符合纺织品运输、保管的有关要求。8.2.2交货后,如因运输、贮存、保管不善,以致产品质量受到影响或发生质变时,应由责任方负责。9其他
用广对本标准有特殊要求时,供需双方另订协议。
小提示:此标准内容仅展示完整标准里的部分截取内容,若需要完整标准请到上方自行免费下载完整标准文档。
标准图片预览:





- 其它标准
- 热门标准
- FZ纺织行业标准
- FZ/T73011-2013 针织腹带
- FZ/T92052-1995 轴承内径φ12mm环锭锭子
- FZ/T90083-1995 纺织机械筒子架主要尺寸
- FZ/T70012-2016 -次成型束身无缝内衣号型
- FZ/T32024-2019 亚麻与棉混纺色纺纱
- FZ/T24010-2013 防缩毛纺织产品
- FZ/T60033-2012 家用纺织品 毛巾不均匀水洗尺寸变化的测定
- FZ/T14007-2011 棉涤混纺印染布
- FZ/T33010-1999 苎麻卷烟带
- FZ/T92054-1996 倍捻锭子
- FZ/T92038-1995 熔融纺丝圆形孔喷丝板
- FZ/T64003-1993 喷胶棉絮片
- FZ/T54102-2018 防割手套用超高分子量聚乙烯长丝
- FZ/T93079-2012 转杯纺纱机减震套
- FZ/T95014-2014 轧光机弹 性辊
- 行业新闻
网站备案号:湘ICP备2025141790号-2