- 您的位置:
- 标准下载网 >>
- 标准分类 >>
- 纺织行业标准(FZ) >>
- FZ/T 54087-2016 粘合活化型涤纶工业长丝
标准号:
FZ/T 54087-2016
标准名称:
粘合活化型涤纶工业长丝
标准类别:
纺织行业标准(FZ)
标准状态:
现行出版语种:
简体中文下载格式:
.zip .pdf下载大小:
3.78 MB
点击下载
标准简介:
FZ/T 54087-2016.
范围
FZ/T 54087规定了粘合活化型涤纶工业长丝的术语和定义.分类和标识.技术要求,试验方法.检验规则和标志包装.运输.贮存的要求。
FZ/T 54087适用于线密度为900 dtex~3 300 dtex, 圆形截面的粘合活化型涤纶工业长丝。其他品种规格的粘合活化型绦纶工业长丝可多照使用.
2规范性引用文件
下列文件对于本文件的应用是必不可少的。凡是注8期的引用文件,仅注8期的版本适用于本文件。凡是不注日期的引用文件,其最新版本(包括所有的修改单)适用于本文件。
GB/T 2828.1-2012计数抽样检验程序 第1部分:按接收质量限(AQL)检索的逐批检验抽样计划
GB/T2941橡胶物理试验方法试样制备和调节通用程序
GB/T 3291.1纺织纺织材 料性能和试验术语第1部分:纤維和纱线
GB/T 3291.3纺织纺织材料 性能和试验术语第3部分:通用
GB/T 4146.1纺织晶 化学纤维第1部分:属名
GB/T 4146.3纺织晶化学纤维第3部分检验术语
GB/T 6502化学纤维长丝取样方法
GB/T 8170数值修约规则 与级隈数值的表示和判定
GB/T 16604- 2008涤纶工业长丝
GB/T 17200- -2008 橡胶塑料拉力 、压力和夸曲试验机(恒速驱动)技 术规范(ISO 5893,2002,IDT)
3术语和定义
GB/T 3291.1 ,GB/T 3291.3.GB/T 4146.1.GB/T 4146.3.GB/T 16604- 2008 界定的以及下列术语和定义适用于本文件。
3.1粘合活化型涤纶工业长丝adhesive activated polyester industrial yarn
以活性剂涂覆在涤纶工业长丝表面制成的主要应用于橡胶骨架材料的涤纶工业长丝。
4分类和标识
部分标准内容:
中华人民共和国纺织行业标准
FZ/T540872016
粘合活化型涤纶工业长丝
Adhesive activated polyester industrial yarn2016-04-05发布
中华人民共和国工业和信息化部发布
2016-09-01实施
本标准按照GB/T1.1一2009给出的规则起草本标准由中国纺织工业联合会提出。本标准由上海市纺织工业技术监督所归口。FZ/T54087-2016
本标准起草单位:江苏恒力化纤股份有限公司、中国石化上海石油化工股份有限公司、江苏太极实业新材料有限公司、浙江古纤道新材料股份有限公司、上海市纺织工业技术监督所。本标准主要起草人:杨大矛、宋光坤、沈伟、华润稼、杨志超、李红杰I
1范围
粘合活化型涤纶工业长丝
FZ/T54087—2016
本标准规定了粘合活化型涤纶工业长丝的术语和定义、分类和标识、技术要求、试验方法、检验规则和标志、包装、运输、贮存的要求。本标准适用于线密度为900dtex~3300dtex,圆形截面的粘合活化型涤纶工业长丝。其他品种规格的粘合活化型涤纶工业长丝可参照使用。2规范性引用文件
下列文件对于本文件的应用是必不可少的。凡是注日期的引用文件,仅注日期的版本适用于本文件。凡是不注日期的引用文件,其最新版本(包括所有的修改单)适用于本文件。GB/T2828.1一2012计数抽样检验程序第1部分:按接收质量限(AQL)检索的逐批检验抽样计划
GB/T2941橡胶物理试验方法试样制备和调节通用程序GB/T3291.1纺织纺织材料性能和试验术语第1部分:纤维和纱线GB/T3291.3
纺织纺织材料性能和试验术语第3部分:通用GB/T4146.1
纺织品化学纤维第1部分:属名
GB/T4146.3
纺织品化学纤维第3部分:检验术语化学纤维长丝取样方法
GB/T6502
数值修约规则与极限数值的表示和判定GB/T8170
GB/T16604—-2008
GB/T17200—2008
3术语和定义
涤纶工业长丝
橡胶塑料拉力、压力和弯曲试验机(恒速驱动)技术规范(ISO5893:2002GB/T3291.1、GB/T3291.3、GB/T4146.1,GB/T4146.3、GB/T16604—2008界定的以及下列术语和定义适用于本文件。
粘合活化型涤纶工业长丝adhesiveactivatedpolyesterindustrialyarn以活性剂涂覆在涤纶工业长丝表面制成的主要应用于橡胶骨架材料的涤纶工业长丝,4分类和标识
4.1产品分类
根据产品性能,分为:高强型和低收缩型。FZ/T54087—2016
2产品标识
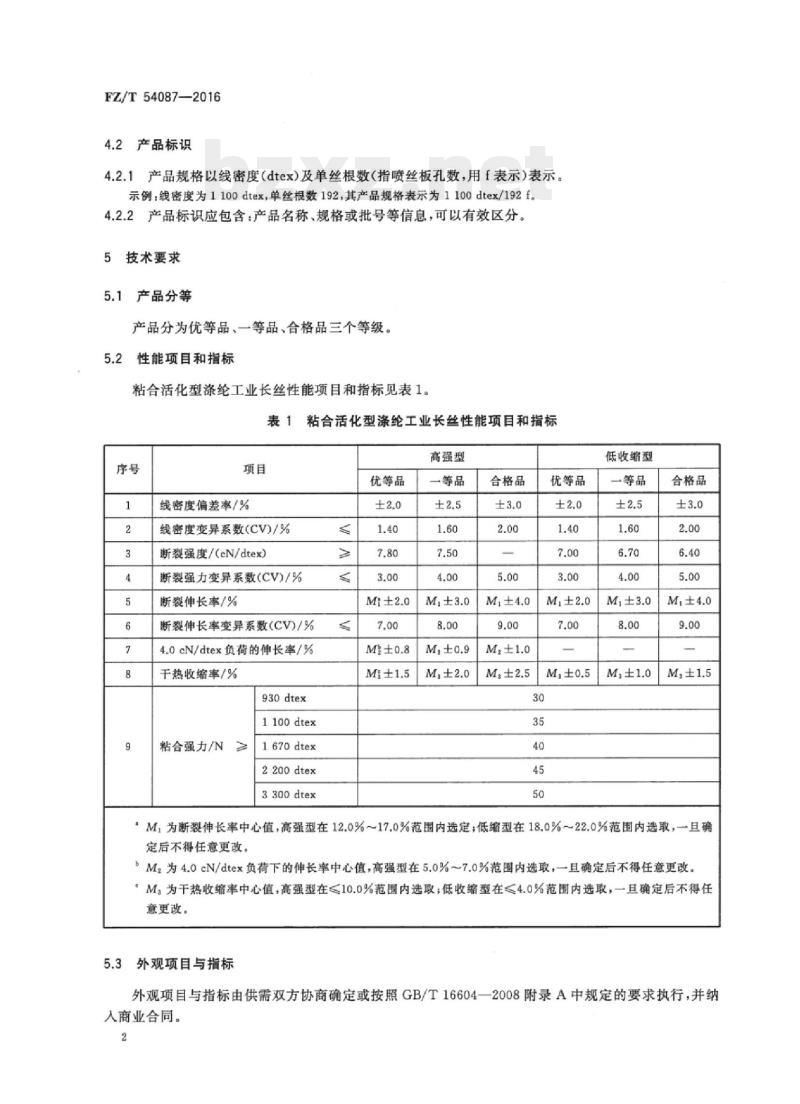
4.2.1产品规格以线密度(dtex)及单丝根数(指喷丝板孔数,用f表示)表示。示例:线密度为1100dtex,单丝根数192,其产品规格表示为1100dtex/192f。4.2.2产品标识应包含:产品名称、规格或批号等信息,可以有效区分。5技术要求
1产品分等
产品分为优等品、一等品、合格品三个等级。5.2
性能项目和指标
粘合活化型涤纶工业长丝性能项目和指标见表1。粘合活化型涤纶工业长丝性能项目和指标表1
线密度偏差率/%
线密度变异系数(CV)/%
断裂强度/(eN/dtex)
断裂强力变异系数(CV)/%
断裂伸长率/%
断裂伸长率变异系数(CV)/%
4.0cN/dtex负荷的伸长率/%
干热收缩率/%
930dtex
1100 dtex
粘合强力/N
1670dtex
2200dtex
3300dtex
优等品
高强型
一等品
合格品
优等品
低收缩型
一等品
合格品
*M,为断裂伸长率中心值,高强型在12.0%~17.0%范围内选定;低缩型在18.0%~22.0%范围内选取,一且确定后不得任意更改。
bM,为4.0cN/dtex负荷下的伸长率中心值,高强型在5.0%~7.0%范围内选取,一且确定后不得任意更改。M:为干热收缩率中心值,高强型在10.0%范围内选取:低收缩型在<4.0%范围内选取,一旦确定后不得任意更改。
外观项目与指标
外观项目与指标由供需双方协商确定或按照GB/T16604一2008附录A中规定的要求执行,并纳人商业合同。
6试验方法
6.1通则
调湿和试验用标准大气
FZ/T54087--2016
进行线密度、拉伸性能、干热收缩率测试时按照GB/T16604一2008规定的条件,采用温度(20士2)C,相对湿度(65士5)%。
物性试样制备
按照7.4.2规定取得20个卷装,作为实验室样品。在6.1.1规定的标准大气条件下,调湿平衡4h。调湿平衡后,在试验之前应剥去200m表层丝后再取试样。6.1.3
粘合力试样制备
按照附录A中规定的方法进行。
线密度试验
按GB/T16604—2008中6.2规定执行。6.3断裂强力、断裂伸长率及4.0eN/dtex负荷的伸长率试验按GB/T16604—2008中6.3规定执行。干热收缩率试验
按GB/T16604—2008中6.4规定执行。粘合强力
按附录A规定执行。采用的胶条尺寸为10mm×10mm×25mm。6.6外观检验
按照GB/T16604-2008附录A中规定的方法执行。7检验规则
7.1检验类型
检验类型分为型式检验和出厂检验。当下列情况下须进行型式检验:a)
规定的周期性检验时;
b)当生产设计、工艺、原料有变化,可能影响产品质量时;出厂检验的结果与上次型式检验有较大差异时;c
d)国家检验机构要求进行型式检验时。7.2
检验项目
表1中项目均为型式检验项目,其中1~8项作为出厂检验项目,按第6章规定的试验方法进行试验。
FZ/T54087—2016
7.2.2外观检验项目按5.3规定,并按照第6章规定的试验方法进行检验7.3组批规定
在一定范围内采用周期性取样组成检验批。一个生产批可由一个检验批组成,也可由若干检验批组成。
7.4取样规定
7.4.1外观项目全数检验。
7.4.2物理性能项目检验按照GB/T6502规定,在同一检验批中,随机抽取20个卷装,作为物理性能各项试验的实验室样品。抽取的实验室样品外观和筒重应符合相应的等级。不应抽取已经破损的包装件。
7.5判定规则
7.5.1外观检验按5.3规定,逐筒评定等级。7.5.2性能项目的测定值或计算值按GB/T8170中修约值比较法与表1的性能指标的极限数值比较:评定等级。
7.5.3性能指标按批定等,外观指标逐筒定等,以检验批中性能指标和外观指标最低项的等级定为该批产品的等级。
复验规则
7.6.1通则
一批产品到收货方三个月内,作为验收或对品质有异议时可提请复验。若该批产品的数量使用了1/3以上时,不得申请复验。但如果收货方可以出示相关证据证明该批产品确实影响到后加工产品的品质,并造成严重损失时,应分析原因,明确双方责任,协商处理。7.6.2检验项目
同7.2。
7.6.3组批规定
按原生产批组批,但生产日期间隔超过90天的产品不能按同一批号组批。7.6.4取样规定
7.6.4.1外观为抽样检验。根据批量按GB/T2828.1一2012表1中一般检验水平Ⅱ规定确定样本大小(字码)。
7.6.4.2表1中性能项目的实验室样品按6.1.2、6.1.3规定取样。7.6.5复验评定
7.6.5.1外观项目按7.6.4.2样本大小,根据GB/T2828.1一2012表2-A中正常检验一次抽样方案AQL值为4.0,确定接收数Ac和拒收数Re,并按供需双方合同指标评定。当不合格的卷装数
7.6.5.3产品综合等级的评定,按7.5.3评定,高于或等于原等级则判为符合,低于原等级则判为不符合。
标志、包装、运输、贮存
8.1标志
包装箱上应标明产品名称、规格、等级、批号、净重、毛重、卷装个数、包装日期、产品标准编号、商标、生产企业名称、详细地址等相关信息和防潮、小心轻放等警示标志。8.2包装
8.2.1每个卷装都应有一个保护层。包装的质量应能保证卷装不受损伤8.2.2
不同品种、规格、批号、等级要分别装箱,严禁混装。8.2.3
每批产品应附品质检验单
8.3运输
运输过程中禁止损坏包装箱和受潮。8.4购存
包装箱按批堆放,贮存在干燥,清洁,通风的场所。其他需要说明事项
9.1粘合强力的测试方法和要求,若客户有不同要求,按照客户要求进行,或与客户协商确定测试条件。
9.2表1中粘合强力的标准值是按照附录A要求的条件下平衡处理后进行的测试;高温条件下的粘合强力测试本标准不涉及,如果需要,可参照附录A中的有关内容测试,9.3不同的热处理条件所得到的粘合强力结果差异较大,在不同热处理条件下得到的结果,没有可比性。
FZ/T54087—2016
A.1范围
附录A
(规范性附录)
硫化橡胶与浸胶纱线静态粘合强力的测定一H抽出法本附录规定了粘合活化型涤纶工业长丝加捻纱线与硫化橡胶粘合强力的测试方法。用本方法测试的粘合强力在很大程度上受活化型涤纶工业丝的加工过程和橡胶胶料及其制备过程的影响。本方法所提供的数据可以作为判断材料使用性能的依据。本方法适用于线密度为900dtex3300dtex的单股加抢粘合活化型涤纶工业长丝的粘合强力测定。对于超出上述线密度范围的产品,可以参照类似方法在获得足够的实验测试数据后,可以作为判断材料使用性能的依据。
A.2原理
通过测量单根浸胶纱线从一个硫化橡胶块中抽出所需要的力,来评估橡胶与浸胶纱线之间的粘合性能,此力沿浸胶纱线纵轴向施加,包埋在橡胶中的浸胶纱线的长度是固定的。测量的粘合力是作用于纱线-橡胶界面上的剪切力值。两端的橡胶块与中间连接的纱线构成的试样形似字母“H”,故而得名。
A.3材料
A.3.1试样:由浸胶纱线、橡胶胶料及粘合剂等组合而成,浸胶纱线经硫化与橡胶制成H形的试样块,见图A.1。
单位为毫米
图A.1试样
A.3.2橡胶胶料:一般使用本标准规定的胶料和硫化处理条件。胶料的配方和处理条件见附录B和附录C。
A.3.3如果客户另有要求,也可使用客户要求的胶料配方,应明确规定试样的硫化条件,包括时间、温度和压力等,实际测试数据与采用本标准规定胶料的测试结果可能不同。6
A.4仪器
A.4.1模具
FZ/T54087-2016
试样尺寸受模具的规格和公差所控制,试样由厚度为Y/2的胶条,放到间距为Z,宽度为X的两个模腔中硫化制备,见图A.2。
本标准所用模具尺寸X=10mm,Y=10mm,Z=10mm,L=25mm。把拉直的纱线以垂直与胶条的方向,放在胶条上。每两根纱线的间距是L,然后在帘线上再覆盖上相同的胶条,合模、加压、加热,硫化试样。通常一个模具可硫化多根纱线样品,见图A.2单位为毫米
槽宽为0.8,深为0.4
除去毛刺
注:所示模具可制备16个测试试样,也可采用制备更多或较少试样数量的模具,但控制试样大小的模具尺寸不应改变。
图A.2H抽出试验模具
A.4.2提供纱线张力的装置
纱线张力可以通过在每根纱线的一端悬挂一定质量重锤获得。重锤可以是钩形或设计成一个能夹住纱线的夹具,通常为(50士1)g,把模具放到平板硫化机中加压硫化,硫化结束后去掉重锤。注:根据纱线规格的不同,也可以选择适宜质量的重锤A.4.3测试仪器
仪器检定符合GB/T17200—2008的要求。测量力值符合GB/T17200—2008第7章中规定的2级精度。夹持器应以规定的恒定速度(100士10)mm/min移动。7
FZ/T54087—2016
A.4.4试验夹持器
试样夹持器的设计应如图A.3所示。试验时需要两个夹持器>25
注1:锐边倒钝。
注2:夹持器帘线槽宽度尺寸1.6mm是重要尺寸,不应改变,其他尺寸如有需要可改变。图A.3试样夹持器
A.5试样
A.5.1试样尺寸
试样应是由一定长度的纱线包埋在规定尺寸的胶条中制成。具体的胶条尺寸见表A.1。表A.1胶条尺寸
注:上表中所列为三种常用的胶条尺寸,可根据客户的不同要求选择。Z/mm
单位为毫米
10.0~20.0
10.0~20.0
10.0~20.0
表1中采用的胶条尺寸为10mm×10mm×25mm。如果采用其他尺寸的胶条,需要特别说明。不同的胶条尺寸测得的结果没有可比性。A.5.2试样制备
A.5.2.1取样
每一批活化型长丝,至少取4个卷装作为实验室样品。A.5.2.2加抢
将丝在捻纱机上进行加捻处理,抢度(200士10)T/m。8
A.5.2.3浸胶
加过捻的长丝,在浸胶线试验机上做浸胶处理。浸胶处理条件,详见附录B:浸胶使用的RFL胶液制备,详见附录C。浸胶处理好的纱线如果不立即进行测试,应放置在遮光的干燥器中保存。A.5.2.4硫化
FZ/T54087-2016
A.5.2.4.1将硫化模具在硫化机上预热15min30min,使模具温度达到硫化温度。A.5.2.4.2月
用剪刀或冲模将未硫化的胶料裁切为长度、宽度适宜的胶条填充在模具的凹槽中。A.5.2.4.3
将浸胶纱线逐根放在模具的线槽中,一端固定,另一端挂上重锤使纱线伸直,将未硫化的胶条覆盖在浸胶纱线上,并填充在模具的凹槽中,合上模具。A.5.2.4.4
A.5.2.4.5
A.5.2.4.6免费标准下载网bzxz
以上。
将硫化模具放人硫化机中,根据附录B规定的硫化条件进行硫化,硫化结束后,将硫化试样从模具中取出。放在6.1.1所述的标准温湿度条件下平衡16hA.5.3试样数量
每一批粘合活化型涤纶工业长丝至少取4个卷装作为实验室样品,每个实验室样品至少应测试8个试样。
6硫化与力值测试试验之间的时间间隔A.6
硫化和试验之间的最小时间间隔应是16h。硫化与试验之间的最大时间间隔应是4个星期,比对试验应尽可能在相同的时间间隔下进行。A.7
力值测试试样的调节
A.7.1当试验在6.1.1规定的标准温湿度下进行时,试样在测试前应在标准温湿度下调节至少16h。A.7.2当试验在非常温(高温或低温)下进行时,测试试样应在测试环境下保持一定的时间,以使试样与测试环境达到充分的平衡,然后再进行试验A.8试验温度和湿度
试验应按照6.1.1规定在标准温湿度条件下进行如果选用其他条件时,可根据GB/T2941中给出的温度和湿度等条件。对比试验应使用相同的温度和湿度。A.9试验程序
A.9.1室温试验
将按A.7调节后的两个试样夹持器装到拉力试验机上,设置它们之间的距离为10mm~20mm:仔细定位,以保证夹持器的纵轴成一条直线。调整拉力试验机夹持器的移动速度为(100土10)mm/min把试样装人夹持器中,开始试样。记录纱线从橡胶中抽出时的最大力值,精确到0.1N。9
FZ/T54087—2016
高温试样
按照A.9.1中描述的程序进行试验,试样夹持器封闭在高温箱中并连接到试验机上。对任何试样,其在保持试验温度的高温箱中的总加热时间不少于15min,也不超过60min也可以选择在靠近试验机的高温箱中加热试样,然后逐个取出,并与15S内进行试验。加热试样和测试试样的技术条件应由供需双方协商、取得一致。
结果表示
记录纱线粘合强力值,单位为牛(N),并计算结果的算术平均值,精确到小数点后一位。描述纱线的表面状况并注明纱线上是否有附胶。A.11
试验报告
试验报告应包括以下内容:
样品的名称和规格;
被选作批量样品包装件的标识;采用的试验方法及所有的试验参数;实验室样品的各项测试结果,如果计算标准偏差和变异系数,则要写人报告;经协商后对试验步骤的修改提示及其他与本标准不一致的部分;观察到的异常现象;
试验人员和试验日期。
小提示:此标准内容仅展示完整标准里的部分截取内容,若需要完整标准请到上方自行免费下载完整标准文档。
标准图片预览:





- 其它标准
- 热门标准
- FZ纺织行业标准
- FZ/T73011-2013 针织腹带
- FZ/T92052-1995 轴承内径φ12mm环锭锭子
- FZ/T90083-1995 纺织机械筒子架主要尺寸
- FZ/T70012-2016 -次成型束身无缝内衣号型
- FZ/T32024-2019 亚麻与棉混纺色纺纱
- FZ/T12023-2011 芳纶1313本色纱线
- FZ/T24010-2013 防缩毛纺织产品
- FZ/T60033-2012 家用纺织品 毛巾不均匀水洗尺寸变化的测定
- FZ/T14007-2011 棉涤混纺印染布
- FZ/T33010-1999 苎麻卷烟带
- FZ/T92054-1996 倍捻锭子
- FZ/T92038-1995 熔融纺丝圆形孔喷丝板
- FZ/T64003-1993 喷胶棉絮片
- FZ/T54102-2018 防割手套用超高分子量聚乙烯长丝
- FZ/T93079-2012 转杯纺纱机减震套
- 行业新闻
网站备案号:湘ICP备2025141790号-2