- 您的位置:
- 标准下载网 >>
- 标准分类 >>
- 纺织行业标准(FZ) >>
- FZ/T 97033- 2014 针织圆机针筒
标准号:
FZ/T 97033- 2014
标准名称:
针织圆机针筒
标准类别:
纺织行业标准(FZ)
标准状态:
现行出版语种:
简体中文下载格式:
.zip .pdf下载大小:
1.86 MB
相关标签:
针织
点击下载
标准简介:
FZ/T 97033- 2014.
1范围
FZ/T 97033规定了针织圆机针简的分类、规格参数、要求.试验方法、检验规则及标志、包装、运输.贮存。
FZ/T 97033适用于单面圆型纬编机、双面圆型纬编机用针简(以下简称针简)。
2规范性引用文件
下列文件对于本文件的应用是必不可少的。凡是注日期的引用文件,仅注日期的版本适用于本文件。凡是不注日期的引用文件,其最新版本(包括所有的修改单)适用于本文件。
GB/T 191包装储运 图示标志
GB/T 1800.2产品几何技术规范(GPS)极限与配合 第 2部分:标准公差等级和孔、轴极限偏差表
GB/T 2828.1计数抽样检验程序 第1部分:按接收质量限(AQL)检索的逐批检验抽样计划
FZ/T 90001纺织机械产 品包装
FZ/T 97003纬编机单面 圆型纬编机
FZ/T 97004纬编机双面 圆型纬编机
FZ/T 97009纬编机双面 提花圆型纬编机
3分类
针简按结构不同分为:单面类纬编机针简和双面类纬编机针简两种.
4规格
针简按公称直径划分规格。公称直径见表1.5要求
5.1总则
针筒应符合本标准要求,并按经规定程序批准的图样和技术文件制造.
5.2加工精度
5.2.1针简公称直径按表 1的规定,尺寸偏差应符合GB/T 1800.2中的h6 ,特殊规格按供需合同。
5.2.2针筒和针盘的简口面外径尺寸偏差应符合GB/T1800.2中的h7.
5.2.3针简和针盘的针槽深度极限偏差为士0.050mm.
5.2.4针筒和针盘的针槽槽距偏差不大于0.030mm.
5.2.5针简 和针盘的针槽槽寬偏差不大于0.030 mm.
5.2.6针简简口面深度极限偏差为士0.050 mm.
5.2.7生克圈槽深度极限偏差为士0.050mm.
5.2.8针简高度和针盘厚度极限偏差为士0.100mm.
5.2.9当针简公称直径≤1 067 mm(42)时,外圆柱面圆度公差应不大于0.030 mm;1 067 mm(42)<针筒公称直径≤1 524 mm(60)时,外圆柱面圆度公差应不大于0.050 mm;公称直径>1524 mm(60)时,外圆柱面圆度公差应不大于0.070 mm.
5.2.10针槽长度≤80mm时,针盘上表面平面度应不大于0.050mm;针槽长度>80mm时,针盘上表面平面度应不大于0.100mm.
部分标准内容:
中华人民共和国纺织行业标准
FZ/T97033—2014
针织圆机针筒
Needle cylinder for circular knitting machine2014-10-14发布
中华人民共和国工业和信息化部2015-04-01实施
本标准按照GB/T1.1一2009给出的规则起草。本标准由中国纺织工业联合会提出。本标准由全国纺织机械与附件标准化技术委员会(SAC/TC215)归口。FZ/T97033—2014
本标准起草单位:泉州正鑫机械有限公司、泉州估鑫机械有限公司、太仓市永发针织机械厂、泉州佳升机械有限公司、中国纺织机械器材工业协会。本标准主要起草人:罗新年、王静怡、黄国川、浦雪峰、萧荣宗、杨进忠、朱益峰、王志兴。1范围
针织圆机针筒
FZ/T97033—2014
本标准规定了针织圆机针简的分类、规格参数、要求、试验方法、检验规则及标志、包装、运输、贮存。本标准适用于单面圆型纬编机双面圆型纬编机用针筒(以下简称针筒)。规范性引用文件
下列文件对于本文件的应用是必不可少的。凡是注日期的引用文件,仅注日期的版本适用于本文件。凡是不注日期的引用文件,其最新版本(包括所有的修改单)适用于本文件。GB/T191包装储运图示标志
产品几何技术规范(GPS)极限与配合第2部分:标准公差等级和孔、轴极限偏GB/T1800.2
GB/T2828.1
FZ/T90001
FZ/T97003
FZ/T97004
FZ/T97009
3分类
计数抽样检验程序第1部分:按接收质量限(AQL)检索的逐批检验抽样计划纺织机械产品包装
纬编机单面圆型纬编机
纬编机
纬编机
双面圆型纬编机
双面提花圆型纬编机
针筒按结构不同分为:单面类纬编机针筒和双面类纬编机针筒两种。4规格
针筒按公称直径划分规格。公称直径见表1。表1针织圆机针筒公称直径
小直径圆型针织机
公称直径
公称直径
大直径圆型针织机
FZ/T970332014
小直径圆型针织机
公称直径
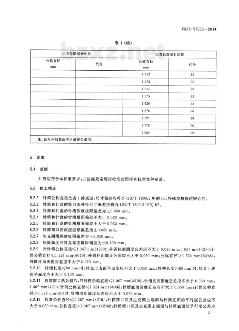
表1(续)
公称直径
大直径圆型针织机
公称直径
小直径圆型针织机
注:括号内的数值应尽量避免采用。5要求
表1(续)
公称直径
FZ/T97033—2014
大直径圆型针织机
针筒应符合本标准要求,并按经规定程序批准的图样和技术文件制造。加工精度
针筒公称直径按表1的规定,尺寸偏差应符合GB/T1800.2中的h6,特殊规格按供需合同。针筒和针盘的筒口面外径尺寸偏差应符合GB/T1800.2中的h7。针筒和针盘的针槽深度极限偏差为士0.050mm。针筒和针盘的针槽槽距偏差不大于0.030mm。针筒和针盘的针槽槽宽偏差不大于0.030mm。针筒筒口面深度极限偏差为士0.050mm。生克圈槽深度极限偏差为土0.050mm。针筒高度和针盘厚度极限偏差为士0.100mm。当针筒公称直径≤1067mm(42)时,外圆柱面圆度公差应不大于0.030mm;1067mm(42)<针筒公称直径≤1524mm(60)时,外圆柱面圆度公差应不大于0.050mm;公称直径>1524mm(60)时,外圆柱面圆度公差应不大于0.070mm。5.2.10针槽长度≤80mm时,针盘上表面平面度应不大于0.050mm;针槽长度>80mm时,针盘上表面平面度应不大于0.100mm。
5.2.11针筒筒口热处理后,当针筒公称直径1067mm(42)时,针槽底面圆度公差应不大于0.030mm;1067mm(42)<针筒公称直径≤1524mm(60)时,针槽底面圆度公差应不大于0.050mm;针筒公称直径>1524mm(60)时,针槽底面圆度公差应不大于0.070mm。5.2.12针筒公称直径≤1067mm(42)时,针筒筒口面及生克圈上端面与针筒底面的平行度公差应不大于0.050mm;公称直径>1067mm(42)时,针筒筒口面及生克圈上端面与针筒底面的平行度公差应3
FZ/T97033—2014
不大于0.080mm。
5.2.13针槽底面和插片表面粗糙度Ra≤1.6μm,无插片针槽和生克片槽表面粗糙度Ra≤3.2μm。5.2.14针筒筒口面热处理硬度为50HRC~55HRC,硬化层深度不小于0.30mm。5.3装配精度
单面类纬编机针筒的装配精度应符合FZ/T97003中的相关规定双面类纬编机针筒的装配精度应符合FZ/T97004、FZ/T97009中的相关规定。5.3.2
外观质量
针筒和针盘表面不应有明显的碰伤、划痕、锈蚀、棱角、毛刺、锐边等缺陷5.4.1
5.4.2针筒筒口上端面和针盘筒口面不允许有氧化皮、毛刺等缺陷5.4.3针槽底面应清洁,不允许有杂物及遗漏胶水。5.4.4针槽内干净无异物,针槽两侧边上无毛刺,织针、沉降片在针槽内运动灵活。6试验方法
6.1加工精度
6.1.1针筒公称直径尺寸偏差(5.2.1)、针筒和针盘的筒简口面外径尺寸偏差(5.2.2)、针筒高度和针盘厚度尺寸偏差(5.2.8)采用游标卡尺或外径千分尺检测。6.1.2针筒和针盘的针槽深度尺寸偏差(5.2.3)、针筒简口面深度尺寸偏差(5.2.6)、生克圈槽深度尺寸偏差(5.2.7)用百分表和专用测量头检测。6.1.3针筒和针盘的针槽槽距误差(5.2.4)用公法线千分尺检测。6.1.4针筒和针盘的针槽槽宽误差(5.2.5)用塞尺检测。6.1.5针筒外圆柱面圆度公差(5.2.9)、针槽底面圆度公差(5.2.11)、针筒筒口面及生克圈上端面与底面的平行度公差(5.2.12)用专用回转台和百分表检测。6.1.6针盘上表面平面度(5.2.10)用平板和塞尺检测。6.1.7针底、针槽表面粗糙度(5.2.13)采用表面粗糙度对比样块比对。6.1.8
硬度(5.2.14)采用硬度锉刀检测,硬化层深度采用同材料同热处理工艺的试块进行检测。6.2装配精度
将针筒装配在相应机型上,然后,依据相应类别标准(FZ/T97003、FZ/T97004和FZ/T97009)中的规定试验方法逐一检测装配精度(5.3.1、5.3.2)。6.3外观质量
在正常光线下,采用目测和手感等感官方法检测外观质量(5.4.1~5.4.4);氧化皮、毛刺缺陷采用棉布擦拭方法检查,观察擦拭棉布是否有被刮毛的现象。7检验规则
7.1检验分类
产品检验分出厂检验和型式检验。4
7.2出厂检验
7.2.1每套针筒均须经厂质检部门检验合格,并附上合格证方可出厂。FZ/T97033—2014
出厂检验项目、检验水平、抽样方案和接收质量限按GB/T2828.1及表2规定。7.2.2
表2出厂检验规定
检验项目
加工精度
外观质量
标准条款
5.2.1~5.2.8
5.2.10,5.2.12,5.2.13
5.4.1~5.4.4
检验水平
抽样方案
正常检验一次抽样方案
正常检验一次抽样方案
接收质量限(AQL)
7.2.3出厂检验结果,加工精度、外观质量全部符合表2规定,则该批产品为合格品。否则为不合格品。
7.3型式检验
7.3.1在下列情况之一时应进行型式检验:a)新产品投产前试制鉴定时;
当工艺或原材料发生重大改变时;b)
停产半年以上又重新恢复生产时;当出厂检验结果与上次型式检验数据有较大差异时;d)
国家质量监督机构提出进行型式检验要求时。e
7.3.2型式检验的检验项目、要求条款、试验方法条款、样本数、判定数组如表3所示。表3型式检验规定此内容来自标准下载网
检验项目
加工精度
装配精度
外观质量
技术要求条款
试验方法条款
样本数
判定数组
型式检验结果,当全部检验项目均符合表3规定时,则本次型式检验合格。否则,本次型式检验7.3.3
不合格。
8标志、包装、运输和贮存
8.1标志
8.1.1产品标签上应标明:适用机型、规格、执行标准号、制造日期、出厂编号、厂名(代号)。产品上至少应标明:规格、出厂编号、厂名(代号)。8.1.2当产品采用包装箱时,包装储运图示标志应符合GB/T191的规定。8.2包装
针筒的包装按FZ/T90001的规定。5
FZ/T97033—2014
产品在运输过程中,应轻装、轻吊,包装箱按规定的朝向安置,不得倾斜或改变方向。应避免强烈的震动、冲击、翻滚、高处跌落和雨雪淋装。购存
产品出厂后,在有良好防雨、防腐蚀及通风的贮存条件下贮存。FZ/T97033-2014
打印日期:2015年3月19日F009A中华人民共和国纺织
行业标准
针织圆机针筒
FZ/T97033—2014
中国标准出版社出版发行
北京市朝阳区和平里西街甲2号(100029)北京市西城区三里河北街16号(100045)网址spc.net.cn
总编室:(010)64275323
发行中心:(010)51780235
读者服务部:(010)68523946
中国标准出版社秦皇岛印刷厂印刷各地新华书店经销
开本880X×1230
2015年2月第一版
印张0.75
字数11千字
2015年2月第一次印刷
书号:155066·2-28006
如有印装差错
昔由本社发行中心调换
版权专有侵权必究
举报电话:(010)68510107
小提示:此标准内容仅展示完整标准里的部分截取内容,若需要完整标准请到上方自行免费下载完整标准文档。
标准图片预览:





- 其它标准
- 热门标准
- FZ纺织行业标准
- FZ/T73011-2013 针织腹带
- FZ/T24010-2013 防缩毛纺织产品
- FZ/T92052-1995 轴承内径φ12mm环锭锭子
- FZ/T90083-1995 纺织机械筒子架主要尺寸
- FZ/T70012-2016 -次成型束身无缝内衣号型
- FZ/T32024-2019 亚麻与棉混纺色纺纱
- FZ/T43004-2013 桑蚕丝纬编针织绸
- FZ/T12023-2011 芳纶1313本色纱线
- FZ/T60033-2012 家用纺织品 毛巾不均匀水洗尺寸变化的测定
- FZ/T43015-2011 桑蚕丝针织服装
- FZ/T14007-2011 棉涤混纺印染布
- FZ/T33010-1999 苎麻卷烟带
- FZ/T92054-1996 倍捻锭子
- FZ/T92038-1995 熔融纺丝圆形孔喷丝板
- FZ/T64003-1993 喷胶棉絮片
- 行业新闻
网站备案号:湘ICP备2025141790号-2