- 您的位置:
- 标准下载网 >>
- 标准分类 >>
- 纺织行业标准(FZ) >>
- FZ/T 52040-2014 有色腈纶短纤维和丝束
标准号:
FZ/T 52040-2014
标准名称:
有色腈纶短纤维和丝束
标准类别:
纺织行业标准(FZ)
标准状态:
现行出版语种:
简体中文下载格式:
.zip .pdf下载大小:
2.15 MB
点击下载
标准简介:
FZ/T 52040-2014.
1范围
FZ/T 52040规定了有色腈纶短纤维和丝東产品的术语和定义.分类和标识、技术要求.试验方法、检验规则和标志、包装.运输、贮存的要求。
FZ/T 52040适用于以丙烯腈为主要单体的多元共聚物,在原液制备过程中加入颜料直接制得的(原液着色)短纤维和丝東;或者在凝胶态时加入染料,快速着色制得的(凝胶染色)短纤维和丝東;单纤维名义线密度1.11 dtex~16.67 dtex.其他规格.类型的有色腈纶短纤维和丝東可参照使用。
2规范性引用文件
下列文件对于本文件的应用是必不可少的。凡是注日期的引用文件,仅注日期的版本适用于本文件。凡是不注8期的引用文件,其最新版本(包括所有的修改单)适用于本文件.
GB/T 3291.1纺织纺织材料 性能和试验术语第1部分:纤维和纱线
GB/T 3291.3纺织纺织材料 性能和试验术语第3部分:通用
GB/T 3921- -2008 纺织品色牢度试验耐皂洗 色牢度
GB/T 3922纺织品色牢度试验耐汗渍色牢度
GB/T 4146.1纺织品化学纤维第1 部分:属名
GB/T 4146.3纺织品化学纤维第3 部分:检验术语
GB/T 5713纺织品色牢度试验耐水 色牢度
GB/T 6503化学纤维回潮率试验方法
GB/T 8170数值修约 规则与极限数值的表示和判定
GB/T 8427纺织品色牢度试验 耐人造 光色牢度:氙弧
GB/T 14334- -2006 化学纤维 短纤维 取样方法
GB/T 14335化学纤维 短纤 维线密度试验方法
GB/T 14336化学纤维短纤维 长度试验方法
GB/T 14337化学纤维短纤 维拉伸性能试验方法
6试验方法
6.1 通则
6.1.1预调湿、调湿和试验 用标准大气
预调湿用标准大气:温度≤50 C ,相对湿度5%~25%。
调湿和试验用标准大气:温度(20士2)C ,相对湿度(65士5)%.
6.1.2试样 的调湿
批样品和实验室样品按GB/T 14334- -2006 规定取得。超过公定回潮率时,样品先在6.1.1规定的预调湿用标准大气条件下,预调湿30 min.样品在公定回潮率以下,在6.1.1规定的调湿和试验用标准大气条件下,平衡4 h;也可采用快速调湿,平衡2 h;如果是复验,平衡16 h.
6.1.3取样 .
6.1.3.1有 色腈纶短纤维
6.1.3.1.1批样品和实验室样品的抽取和制备
按GB/T 14334- 2006 中6.1或6.2规定执行。
6.1.3.1.2试样 的抽取
部分标准内容:
中华人民共和国纺织行业标准
FZ/T52040—2014
有色睛纶短纤维和丝束
Colouredacrylicstapleandtow
2014-12-24发布
中华人民共和国工业和信息化部发布
2015-06-01实施
本标准按照GB/T1.1一2009给出的规则起草。本标准由中国纺织工业联合会提出。本标准由上海市纺织工业技术监督所归口。FZ/T52040—2014
本标准起草单位:吉林奇峰化纤股份有限公司、吉林化纤集团有限责任公司,中国石化上海石油化工股份有限公司、上海市纺织工业技术监督所。本标准主要起草人:白桦、国桂荣、孙丽梅、苏志诚、王丽莉、盛杰、徐佳威。I
1范围
有色纶短纤维和丝束
FZ/T52040—2014
本标准规定了有色睛纶短纤维和丝束产品的术语和定义、分类和标识,技术要求、试验方法、检验规则和标志,包装、运输、贮存的要求。本标准适用于以丙烯睛为主要单体的多元共聚物,在原液制备过程中加入颜料直接制得的(原液着色)短纤维和丝束;或者在凝胶态时加人染料,快速着色制得的(凝胶染色)短纤维和丝束;单纤维名义线密度1.11dtex~16.67dtex。其他规格、类型的有色睛纶短纤维和丝束可参照使用。2规范性引用文件
下列文件对于本文件的应用是必不可少的。凡是注日期的引用文件,仅注日期的版本适用于本文件。凡是不注日期的引用文件,其最新版本(包括所有的修改单)适用于本文件。GB/T3291.1
纺织纺织材料性能和试验术语第1部分:纤维和纱线GB/T3291.3
纺织材料性能和试验术语第3部分:通用纺织
GB/T3921-2008纺织品色牢度试验耐皂洗色牢度纺织品
GB/T3922
色牢度试验耐汗渍色牢度
GB/T4146.1
GB/T4146.3
GB/T5713
GB/T6503
GB/T8170
GB/T8427
纺织品1
化学纤维第1部分:属名
纺织品
化学纤维第3部分:检验术语
纺织品色牢度试验耐水色牢度
化学纤维回潮率试验方法
数值修约规则与极限数值的表示和判定纺织品
GB/T14334—2006
GB/T14335
色牢度试验耐人造光色牢度:氙弧化学纤维
短纤维取样方法
化学纤维
GB/T14336
化学纤维
GB/T14337
GB/T14338
GB/T14339
化学纤维
化学纤维
化学纤维
短纤维线密度试验方法
短纤维长度试验方法
短纤维拉伸性能试验方法
短纤维卷曲性能试验方法
短纤维疵点试验方法
GB/T16602—2008)
腈纶短纤维和丝束
3术语和定义
GB/T3291.1GB/T3291.3,GB/T4146.1和GB/T4146.3界定的术语和定义适用于本文件。4分类和标识
4.1产品分类
4.1.1按照光泽,分为有光、半消光有色睛纶短纤维和丝束:1
FZ/T52040—2014
半消光:二氧化钛含量0.10%~0.50%;有光:二氧化钛含量<0.05%。
4.1.2按照生产工艺,分为原液着色腈纶短纤维和丝束、凝胶染色腈纶短纤维和丝束。4.2产品标识
产品以着色方式、色泽、光泽、名义线密度、(短纤维)名义长度/丝束)名义千特数等信息加以标识。具体标识方式由各生产单位自定。5技术要求
产品分等
产品分为优等品、一等品、合格品三个等级,低于合格品等级的产品为等外品。5.2
性能项目和指标
见表1和表2。
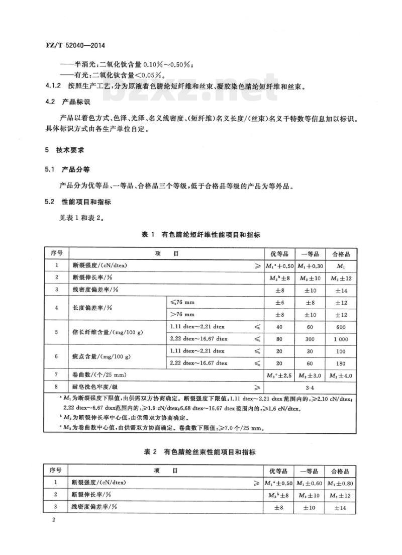
表1有色睛纶短纤维性能项目和指标序号
断裂强度/(cN/dtex)
断裂伸长率/%
线密度偏差率/%
长度偏差率/%
倍长纤维含量/(mg/100g)
症点含量/(mg/100g)
卷曲数/(个/25mm)
耐皂洗色牢度/级
1.11 dtex~2.21 dtex
2.22 dtex~16.67 dtex
1.11 dtex~2.21 dtex
2.22 dtex~16.67 dtex下载标准就来标准下载网
优等品
一等品
Ma±10
合格品
Ma±12
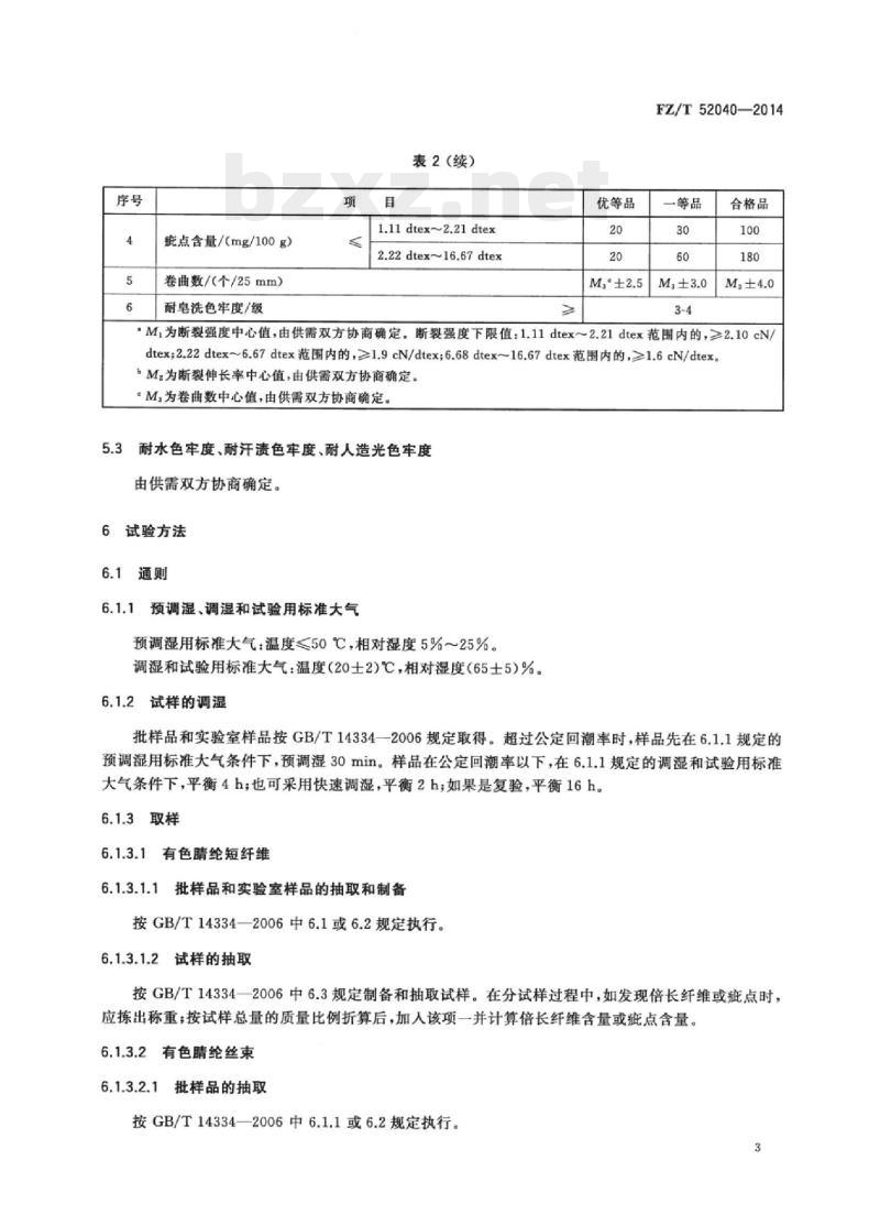
M为断裂强度下限值,由供需双方协商确定。断裂强度下限值:1.11dtex~2.21dtex范围内的,≥2.10cN/dtex;2.22dtex6.67dtex范围内的,≥1.9cN/dtex:6.68dtex~16.67dtex范围内的,≥1.6cN/dtex。bM为断裂伸长率中心值,由供需双方协商确定。“Ms为卷曲数中心值,由供需双方协商确定。卷曲数下限值:≥7.0个/25mm。2有色睛纶丝束性能项目和指标
断裂强度/(cN/dtex)
断裂伸长率/%
线密度偏差率/%
优等品
合格品
鹿点含量/(mg/100g)
卷曲数/(个/25mm)
耐皂洗色牢度/级
表2(续)
1.11 dtex~2.21 dtex
2.22 dtex~16.67 dtex
优等品
FZ/T52040—2014
一等品
合格品
·M,为断裂强度中心值,由供需双方协商确定。断裂强度下限值:1.11dtex~2.21dtex范围内的,≥2.10cN/dtex:2.22dtex~6.67dtex范围内的,≥1.9cN/dtex6.68dtex~16.67dtex范围内的,≥1.6cN/dtex。bM2为断裂伸长率中心值,由供需双方协商确定。“M.为卷曲数中心值,由供需双方协商确定。5.3耐水色牢度、耐汗渍色牢度、耐人造光色牢度由供需双方协商确定。
6试验方法
6.1通则
6.1.1预调湿、调湿和试验用标准大气预调湿用标准大气:温度≤50℃,相对湿度5%~25%。调湿和试验用标准大气:温度(20士2)℃,相对湿度(65士5)%。6.1.2试样的调湿
批样品和实验室样品按GB/T14334一2006规定取得。超过公定回潮率时,样品先在6.1.1规定的预调湿用标准大气条件下,预调湿30min。样品在公定回潮率以下,在6.1.1规定的调湿和试验用标准大气条件下,平衡4h:也可采用快速调湿,平衡2h;如果是复验,平衡16h。6.1.3取样
6.1.3.1有色腈纶短纤维
6.1.3.1.1批样品和实验室样品的抽取和制备按GB/T14334—2006中6.1或6.2规定执行。6.1.3.1.2试样的抽取
按GB/T14334一2006中6.3规定制备和抽取试样。在分试样过程中,如发现倍长纤维或疵点时,应栋出称重,按试样总量的质量比例折算后,加人该项一并计算倍长纤维含量或疵点含量。6.1.3.2有色睛纶丝束
6.1.3.2.1批样品的抽取
按GB/T14334—2006中6.1.1或6.2规定执行。3
FZ/T52040—2014
6.1.3.2.2
实验室样品的抽取
在每个批样品的丝头处,剪去受损的丝束,剪取1.0m~1.5m的丝束,立即放人密封容器中。6.1.3.2.3
试样的制备
根据需要将取回的实验室样品剪成长度适宜的短纤维。按GB/T14334一2006中6.3规定制备和抽取试样。在分试样过程中,如发现有疵点时,应栋出称重;按试样总量的质量比例折算后,加人该项一并计算疵点含量。
6.2拉伸性能
断裂强度、断裂伸长率按GB/T14337规定执行。6.3线密度偏差率
按GB/T14335规定执行。
6.4长度偏差率、超长纤维率、倍长纤维含量按GB/T14336规定执行。
症点含量
按GB/T14339规定执行。
6.6卷曲数
按GB/T14338规定执行。
6.7耐皂洗色牢度
按GB/T3921—2008规定执行,试验条件按7.2条款(C3)方法。6.8耐水色牢度
按GB/T5713规定执行。
6.9耐汗渍色牢度
按GB/T3922规定执行。
耐人造光色牢度
按GB/T8427规定执行。
6.11二氧化钛含量试验
按GB/T166022008中附录C规定执行7
检验规则
7.1检验类型
检验类型分为型式检验和出厂检验。4
当下列情况之一时,应进行型式检验:a)规定的周期性检验时;
b)当生产设计、工艺、设备或原辅料等有变化,可能影响产品性能时;出厂检验的结果与上次型式检验有较大差异时;c
d)国家检验机构要求进行型式检验时。7.2检验项目
7.2.1表1、表2中所有项目均为型式检验项目。7.2.2除耐皂洗色牢度外,表1、表2中其他项目均为出厂检验项目。7.3组批规则
FZ/T52040—2014
在一定范围内采用周期性取样组成检验批。一个生产批可由一个检验批或由若干个检验批组成。
生产上发生波动或遇到特殊情况时,应将该部分产品单独组成检验批。7.4取样规定
性能项目的取样按6.1.3规定进行。7.5综合评定
各性能项目的测定值或计算值按GB/T8170中修约值比较法与表1、表2中规定项目指标的极限值比较,逐项判定等级,以各项性能指标中最低的等级定为该批产品的等级。7.6复验规则
7.6.1通则
批产品到需方时应及时检查包装件的外包装、件数、质量与货单是否相符,如因运输、保管等原因影响品质时,应查明责任,由责任方负责。一批产品到收货方三个月内,对产品品质有异议时可提交复验。若该批产品的数量使用了三分之一以上时,不应申请复验。复验可在双方同意的任何一方进行,必要时可请仲裁检验机构按本标准要求取样、检验、仲裁。由于该批产品品质影响了后加工产品品质,并造成严重损失时,供需双方应分析原因、明确责任、协商处理。7.6.2复验项目
由供需双方协商确定。
复验取样规定
7.6.3.1性能项目试验按GB/T14334一2006中6.2和6.3规定抽样检验,不得抽取在运输途中意外受潮、污染、擦伤或包装已经打开的包装件。7.6.3.2倍长纤维含量、疵点含量的试样量增加一倍。7.6.4组批规定
按原生产批组批。
5复验评定
按7.5进行等级评定,高于或等于原等级则判为符合,低于原等级则判为不符合。5
FZ/T52040—2014
7.6.6公定质量
7.6.6.1将批样品按GB/T14334称取和计算批产品包装件的净质量。7.6.6.2
将实验室样品按GB/T6503规定得到实测回潮率。对N个包装件质量差异的计算公式见式(1)~式(2):7.6.6.3
m(1+R。)
式中:
包装件的平均净质量,单位为千克(kg);每个包装件的净质量,单位为千克(kg);包装件的公定质量,单位为千克(kg);R
纶的公定回潮率,R。2%;
实测回潮率,%。
8标志、包装、运输、购存
8.1标志
.··(2)
8.1.1包装件上应按规定的分类和命名标明产品名称、规格、等级、批号、净重、包装日期、商标、产品标准编号,生产企业名称,详细地址等相关信息以及产品防护,搬运等警示标志。8.1.2产品印刷标志应明显且不褪色,防止油、色渗人包内污染纤维。8.2包装
8.2.1产品包装应保证纤维不受损伤,并便于贮存和运输。8.2.2产品单包净质量由生产单位自定。8.2.3不同规格、批号、等级的有色睛纶短纤维和丝束应分别包装。8.3运输
运输和装卸时应按产品警示标志规定执行,采取相应防范措施,防止产品受潮、曝晒、污染和受损,严禁抛掷。
8.4贮存
包装件按批存放,贮存在通风、干燥、清洁的仓库内,不应靠近火源、热源,避免阳光直射。6
FZ/T52040-2014
打印日期:2015年5月4日F009A
中华人民共和国纺织
行业标准
有色纶短纤维和丝束
FZ/T52040—2014
中国标准出版社出版发行
北京市朝阳区和平里西街甲2号(100029)北京市西城区三里河北街16号(100045)网址spc.net.cn
发行中心:(010)51780235
总编室:(010)64275323
读者服务部:(010)68523946
中国标准出版社秦皇岛印刷厂印刷各地新华书店经销
开本880×1230
2015年3月第一版
印张0.75字数15千字
2015年3月第一次印刷
书号:155066·2-28350定价
告由本社发行中心调换
如有印装差错
版权专有侵权必究
举报电话:(010)68510107
小提示:此标准内容仅展示完整标准里的部分截取内容,若需要完整标准请到上方自行免费下载完整标准文档。
标准图片预览:





- 热门标准
- FZ纺织行业标准
- FZ/T73011-2013 针织腹带
- FZ/T92052-1995 轴承内径φ12mm环锭锭子
- FZ/T90083-1995 纺织机械筒子架主要尺寸
- FZ/T70012-2016 -次成型束身无缝内衣号型
- FZ/T24010-2013 防缩毛纺织产品
- FZ/T60033-2012 家用纺织品 毛巾不均匀水洗尺寸变化的测定
- FZ/T14007-2011 棉涤混纺印染布
- FZ/T33010-1999 苎麻卷烟带
- FZ/T92054-1996 倍捻锭子
- FZ/T92038-1995 熔融纺丝圆形孔喷丝板
- FZ/T64003-1993 喷胶棉絮片
- FZ/T54102-2018 防割手套用超高分子量聚乙烯长丝
- FZ/T32024-2019 亚麻与棉混纺色纺纱
- FZ/T93079-2012 转杯纺纱机减震套
- FZ/T95014-2014 轧光机弹 性辊
- 行业新闻
网站备案号:湘ICP备2025141790号-2