- 您的位置:
- 标准下载网 >>
- 标准分类 >>
- 交通行业标准(JT) >>
- JT/T 710-2008 公路桥涵用波形钢板
标准号:
JT/T 710-2008
标准名称:
公路桥涵用波形钢板
标准类别:
交通行业标准(JT)
标准状态:
现行出版语种:
简体中文下载格式:
.zip .pdf下载大小:
365.39 KB
点击下载
标准简介:
JT/T 710-2008 Corrugated sheet plate in highway bridges and culverts.
1范围
JT/T 710规定了公路构造物用波形钢板的术语和定义、分类规格与尺寸允许偏差、技术要求、试验方
法检验规则,以及标志包装运输和储存的要求。
JT/T 710适用于公路酒道涵洞、小桥梁等工程结构用波形钢板构造物。铁路、水利、建筑、市政等行
业用波形钢板构造物可参照执行。
2规范性引用文件
下列文件中的条款通过本标准的引用而成为本标准的条款。凡是注日期的引用文件,其随后所有的修改单(不包括勘误的内容)或修订版均不适用于本标准,然而,鼓励根据本标准达成协议的各方研究是否可使用这些文件的最新版本。凡是不注H期的引用文件,其最新版本适用于本标准。
GB/T 228金属材料室温拉伸试验方 法(CB/T 228- -2002, eqv IsO 6892:1998)
GB/T 247钢板和钢带检验、包装、标志及质量证明书的一般规定
CB/T 699优质碳素结构钢
CB/T 700碳素结构钢(CB/T 700- -2006, ISO 630: 1995,NEQ)
GB/T 709热轧钢板和钢带的尺寸、外形.重量及允许偏差(GB/T 709 -2006, ISO 7452:2002, ISO
16160:2000,NEQ)
GB/T 1839钢产 品镀锌层质量试验方法(CB/T 1839- 2003, IS0 1460: 1992, MOD)
CB/T 2970厚钢板 超声波检验方法
CB/T2975钢及钢产品 力学 性能试验取样位置及试样制备(GB/T 2275- -1998, eqv ISO 377:
1997) .
GB/T 6725冷 弯型钢
GB/T 13912金属覆益层钢铁制件 热没镀锌层技术要求及试验方法(GB/T 13912- 2002, ISO 1460; 1999, MOD)
3术语和定义.
下列术语和定义适用于本标准。
3.1波形钢板cormugated steel plate
采用金属钢板为板材,按照规定的尺寸,经过波形轧制而制成的一种金属波形板状材料。
4产品分类
4.1 分类
波形钢板分类代号为CSP。
波形钢板按波形峰谷之间的距离大小分为:
部分标准内容:
备案号
中华人民共和国交通行业标准
JT/T 7102008
公路桥涵用波形钢板
Corrugated sheet plate in highway bridges and culverts2008-04-03发布
中华人民共和国交通运输部
2008-06-01实施
规范性引用文件
术语和定义bzxz.net
产品分类
产品规格系列与尺寸允许偏差
技术要求
试验方法
检验规则
标志、包装、运输和储存
JT/T710—2008
本标准由交通部公路科学研究院提出。本标准由交通部公路司归口。
JT/T710—2008
本标准起草单位:交通部公路科学研究院、浦项(中国)投资有限公司、衡水益通金属制品有限责任公司、北京交路科工程科技有限责任公司、中交公路规划设计院有限公司、上海交通大学。本标准起草人:王园、任红伟、张劲泉、刘洪林、朴春基、王建军、王沁、谭春海等。Ⅲ
1范围
公路桥涵用波形钢板
JT/T710—2008
本标准规定了公路构造物用波形钢板的术语和定义、分类、规格与尺寸允许偏差、技术要求、试验方法、检验规则,以及标志、包装、运输和储存的要求。本标准适用于公路通道、涵洞、小桥梁等工程结构用波形钢板构造物。铁路、水利、建筑、市政等行业用波形钢板构造物可参照执行。2规范性引用文件
下列文件中的条款通过本标准的引用而成为本标准的条款。凡是注日期的引用文件,其随后所有的修改单(不包括勘误的内容)或修订版均不适用于本标准,然而,鼓励根据本标准达成协议的各方研究是否可使用这些文件的最新版本。凡是不注日期的引用文件,其最新版本适用于本标准。GB/T228
GB/T247
GB/T 699
GB/T700
GB/T709
GB/T1839
GB/T2970
GB/T2975
GB/T 6725
GB/T13912
3术语和定义
金属材料室温拉伸试验方法(GB/T228—2002,eqVIS06892:1998)钢板和钢带检验、包装、标志及质量证明书的一般规定优质碳素结构钢
碳素结构钢(GB/T700—2006IS0630:1995,NEQ)热轧钢板和钢带的尺寸、外形、重量及允许偏差(GB/T709-2006,ISO7452:2002,ISO16160:2000,NEQ)
钢产品镀锌层质量试验方法(GB/T18392003,IS01460:1992,MOD)厚钢板超声波检验方法
钢及钢产品
力学性能试验取样位置及试样制备(GB/T2275—1998,eVIS0377:1997)
冷弯型钢
钢铁制件热浸镀锌层技术要求及试验方法(GB/T13912—2002,ISO金属疆盖层
1460:1999,MOD)
下列术语和定义适用于本标准。3.1
波形钢板corrugated steelplate采用金属钢板为板材,按照规定的尺寸,经过波形轧制而制成的一种金属波形板状材料。4产品分类
4.1分类
波形钢板分类代号为CSP。
波形钢板按波形峰谷之间的距离大小,分为:-A波型,代号为CSPA;
-B波型,代号为CSPB;
C波型,代号为CSPC;
-D波型,代号为CSPD:
JT/T710—2008
-E波型,代号为CSPE;
-F波型,代号为CSPF。
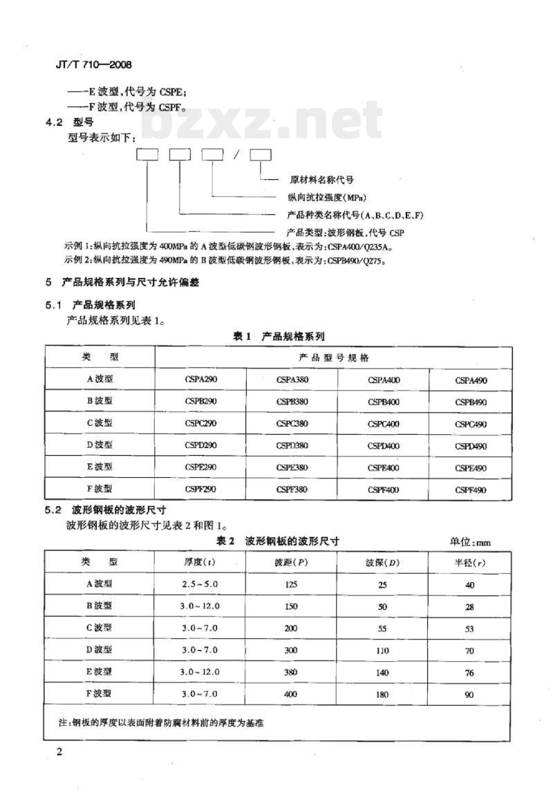
4.2型号
型号表示如下:
原材料名称代号
纵向抗拉强度(MPa))
产品种类名称代号(A、B、C、D.E、F)产品类型:波形钢板,代号CSP
示例1:纵向抗拉强度为400MPa的A波型低碳钢波形钢板,表示为:CSPA400/Q235A。示例2:纵向抗拉强度为490MPa的B波型低碳钢波形钢板,表示为:CSPB490/Q275。5产品规格系列与尺寸充许偏差
5.1产品规格系列
产品规格系列见表1。
表1产品规格系列
A波型
B波型
C波型
D波型
E波型
F波型
波形钢板的波形尺寸
CSPA290
CSPE290
CSPC290
CSPD290
CSPE290
CSPF290
波形钢板的波形尺寸见表2和图1。表2
A波型
B波型
C波型
D波型
E波型
F波型
厚度(t)
产品型号规格
CSPA380
CSPR380
CSPC380
CSPD380
CSPE380
CSPF380
波形钢板的波形尺寸
波距(P)
注:钢板的厚度以表面附着防腐材料前的厚度为基准2
CSPA400
CSPB400
CSPC400
CSPD400
CSPE400
CSPF400
波深(D)
CSPA490
CSPB490
CSPC490
CSPD490
CSPEA90
CSPF490
单位:mm
半径(r)
5.3几何尺寸允许偏差
图1波形钢板的横向波形尺寸示意图波形钢板的几何尺寸充许偏差应符合表3的规定。表3波形钢板的几何尺寸允许偏差目
厚度,%
波距,mm
波深,mm
技术要求
6.1波形钢板原材料
充许偏差
波形钢板原材料采用低碳钢,应符合GB/T699和GB/T700的要求。6.1.1
JT/T710--2008
波形钢板原材料的化学成分应符合表4的规定,并应进行热浸镀锌(熔融镀锌)。表4波形钢板原材料的化学成分要求磷(P)含量,%
硫(S)含量,%
镀锌层厚度,μm
键锌层的厚度按钢板单面镀锌层厚度标准。附着其他防腐材料的,应不低于本标准镀锌层厚度所具有的防腐能力
波形钢板的物理性能应符合表5的规定。表5波形钢板的物理性能
纵向抗拉强度,MPa
纵向届服强度,MPa
标称抗拉强度时纵向
延伸率,%
5mm
注:设计时强度适用此数据(若有试验数据时,可以使用试验数据)6.2波形钢板的外观质量
≥275
波形钢板的外观质量除应满足GB/T6725外,还应符合表6的规定。格
≥245
JT/T710—2008
试验方法
水云、云雾和机械划痕
端面错位
表6波形钢板的外观质量
平直,无明显锯齿现象
表面色泽均匀、无明显缺损
表面平整光滑、无损伤、无破裂、无孔洞不明显
试验取样应按GB/T2975的规定进行。波形钢板的厚度测定按GB/T2970的规定进行。现场检测可采用质量法按GB/T1839的规定进7.2
波形钢板的波距、波深的测试应在室内使用标定的钢直尺进行。7.4
波形钢板纵横向有效长度的测定按GB/T709的规定进行。磷含量和硫含量的测试均应按GB/T700的规定进行。7.5
镀锌层厚度的测试按GB/T13912的规定进行。7.7
纵向抗拉强度、届服强度和延伸率的测定按GB/T228的规定进行。8检验规则
8.1检验分类
8.1.1产品检验分为出厂检验和型式检验。8.1.2产品出厂时应进行出厂检验。出厂检验项目为5.2.5.3和6.1、6.2的内容。产品需经检验合格,并附有质量检验合格证方可出厂。8.1.3有下列情况之一时,应进行型式检验:a)
正式生产后,如结构、材料、工艺有较大改变,可能影响产品性能时;b)
正常生产时,每半年进行一次型式检验;c)
产品停产超过三个月,恢复生产时;出厂检验结果与上次型式检验有较大差异时:d)
国家及部级质量监督机构提出进行型式检验要求时。型式检验的项目包括第5章和第6章中的各项内容。8.2组批与抽样
8.2.1组批
产品以批为单位验收,同牌号的原料、同一规格、同一生产工艺并稳定连续生产的一定数量的产品为批。每批波形钢板的数量不少于1000块,不足1000块购以五日产量为一批。现场成品抽检以一个供贷货批量为一批。
8.2.2抽样
产品检验以批为单位,从每批产品中随机抽取波形钢板一块进行检验。现场抽样以用量最大的规格型号的波形钢板作为抽检对象。8.3判定规则
8.3.1外观质量的判定
样品外观质量应符合6.2的规定。8.3.2检验判定
JT/T710—2008
若5.3和6.1.3全部合格,而5.2和6.2中只有一项不合格,则判为合格批;否则判为不合格。若5.3和6.1.3有一项不合格,而满足5.2和6.2的规定,则应在该批产品中重新抽取双倍样品制作试样,对5.3和6.1.3中的不合格项目进行复检,复检全部合格,则该批产品为合格:如果复检仍有一项不合格,则判为该批产品不合格。复检结果为最终判定依据。9标志、包装、运输和储存
9.1标志,包装
标志、包装按CB/T247的规定进行。9.2运输
产品在装卸运输过程中,不得抛摔,避免与尖锐物品混装运输,避免剧烈冲击。9.3储存
波形钢板应包装完好,储存在无魔蚀气体、无粉尘和通风良好、干燥的地方。S
小提示:此标准内容仅展示完整标准里的部分截取内容,若需要完整标准请到上方自行免费下载完整标准文档。
标准图片预览:





- 其它标准
- 热门标准
- JT交通运输标准
- JTGD30-2015 公路路基设计规范
- JT4209-1978 绞吸式挖泥船换轴节技术要求
- JT4212-1978 绞吸式挖泥船主机与泥浆泵总装配技术要求
- JTGF80/1-2004 公路工程质量检验评定标准 第一册 土建工程
- JT/T481-2002 道路货物运输交易信息服务系统技术要求
- JT/T494-2003 汽油机进气阀沉积物模拟试验方法
- JTJ061-1999 公路勘测规范(附条文说明)
- JT/T291-1995 海港船舶燃料供应行业船舶能耗计算方法
- JT/T331.1-2006 港口码头劳动定员 第1部分:术语
- JTGD63-2007 公路桥涵地基与基础设计规范
- JTGE42-2005 公路工程集料试验规程
- JT/T852-2013 公路桥梁摩擦摆式减隔震支座
- JT/T860.1-2013 沥青混合料改性添加剂 第1部分:抗车辙剂
- JTJ200-2001 水运工程建设标准编写规定
- JT322-1997 挂桨机船噪声限值及测量方法
- 行业新闻
网站备案号:湘ICP备2025141790号-2