- 您的位置:
- 标准下载网 >>
- 标准分类 >>
- 轻工行业标准(QB) >>
- QB/T 2199-1996 硬钢纸板
标准号:
QB/T 2199-1996
标准名称:
硬钢纸板
标准类别:
轻工行业标准(QB)
标准状态:
现行出版语种:
简体中文下载格式:
.zip .pdf下载大小:
200.63 KB
相关标签:
纸板
点击下载
标准简介:
QB/T 2199-1996.
1范围
QB/T 2199规定了硬钢纸板的技术规范。
QB/T 2199适用于加工机械、航空、电器仪表,铁路、纺织设备的部件和绝缘材料用硬钢纸板。
2引用标准
下列标准所包含的条文,通过在本标准中引用而构成为本标准的条文。本标准出版时,所示版本均为有效。所有标准都会被修订,使用本标准的各方应探讨使用下列标准最新版本的可能性。
GB/T 450—1989纸和纸板试样的采取
GB/T 451.2——1989纸和纸板定量的测定法GB/T 451.3—1989纸和纸板厚度的测定法
GB/T 453—-1989纸和纸板抗张强度的测定法(恒速加荷法)GB/T 461.3--1989纸和纸板吸收性的测定法(浸水法)
GB/T462——1989纸和纸板水分的测定法
GB/T 463——1989
纸和纸板灰分的测定
GB/T 1408—1989
固体绝缘材料工频电气强度试验方法
GB/T 1410—1989
固体绝缘材料体积电阻率和表面电阻率试验方法
GB/T 2828—1987
逐批检查计数抽样程序及抽样表(适用于连续批的检查)
GB/T 10342——1989
纸张的包装和标志
GB/T 10739——1989
纸浆,纸和纸板试样处理和试验的标准大气
GB/T 12656——1990电容器纸工频击穿电压测定法
3产品分类
3.1硬钢纸板按用途可分为A类钢纸板,B类钢纸板、C类钢纸板三种。其中C类钢纸板又分为1 、1两种,l为间歇性生产,l为连续性生产。
3.1.1 A类硬钢纸板供航空构件用。
3.1.2B类硬钢纸板供机械、电器、仪表的部件和绝缘消弧材料用。
3.1.3 C类硬钢纸板供纺织、铁路、氧气设备及其他机械部件电器、电机的绝缘消弧材料用。
3.2硬钢纸板为平板纸板。
3.3硬钢纸板的色泽按订货合同规定。
4技术要求
4.1︰硬钢纸板的技术指标必须符合表1和表⒉规定。
部分标准内容:
本标准是根据GB/T1.1—1993《标准化工作导则第1单元:标准的起草与表述规则第1部分:标准编写的基本规定》对QB364--1981《硬钢纸板》进行修订的,为了适应我国钢纸工业的实际情况,满足钢纸板在各行业中的应用,在原标准的基础上做了如下修订:本标准非等效采用前苏联FOCT11945-1978标准。根据GB/T1.22—1993《标准化工作导则第2单元:标准内容的确定方法第22部分:引用标的规定》在本标准中增加了引用标准一项。一技术指标采用法定计量单位。一胶合系数改为层间剥离强度。体积电阻系数,击穿电压强度改用GB/T1410固体绝缘材料体积电阻率和表面电阻率试验方法》和GB/T1408《固体绝缘材料工频电气强度试验方法》规定进行。检验抽样规则采用GB/T2828《逐批检查计数抽样程序及抽样表(适用于连续批的检查)》规定进行。
本标准由中国轻工总会食品造纸部提出。本标准由全国造纸标准化中心归口。本标准起草单位:牡丹江钢纸企业集团公司。本标准主要起草人:石福庆、孙晓君。自本标准实施之日起,原轻工业部部标准QB364—-1981《硬钢纸板》作废。391
1范围
中华人民共和国轻工行业标准
钢纸板
本标准规定了硬钢纸板的技术规范。iKAoNniKAca-
QB/T 2199--1996
本标准适用于加工机械、航空、电器仪表、铁路、纺织设备的部件和绝缘材料用硬钢纸板。2引用标准
下列标准所包含的条文,通过在本标准中引用而构成为本标准的条文。本标准出版时,所示版本均为有效。所有标准都会被修订,使用本标准的各方应探讨使用下列标准最新版本的可能性。GB/T450—1989纸和纸板试样的采取GB/T451.2-1989纸和纸板定量的测定法GB/T451.3—1989纸和纸板厚度的测定法GB/T453—1989纸和纸板抗张强度的测定法(恒速加荷法)GB/T 461.3--1989
纸和纸板吸收性的测定法(浸水法)GB/T 462—1989
GB/T 463—1989
GB/T 1408—1989
GB/T 1410—1989
GB/T 2828—1987
纸和纸板水分的测定法
纸和纸板灰分的测定
固体绝缘材料工频电气强度试验方法固体绝缘材料体积电阻率和表面电阻率试验方法逐批检查计数抽样程序及抽样表(适用于连续批的检查)GB/T10342—1989
GB/T10739—1989
GB/T 12656—1990
3产品分类
纸张的包装和标志
纸浆、纸和纸板试样处理和试验的标准大气电容器纸工频击穿电压测定法
3. 1硬钢纸板按用途可分为 A类钢纸板、B类钢纸板、C类钢纸板三种。其中 C类钢纸板又分为 I、1两种,1为间歇性生产,为连续性生产。3.1.1A类硬钢纸板供航空构件用。3.1.2B类硬钢纸板供机械、电器、仪表的部件和绝缘消弧材料用。3.1.3C类硬钢纸板供纺织、铁路、氧气设备及其他机械部件电器、电机的绝缘消孤材料用。3.2硬钢纸板为平板纸板。
3.3硬钢纸板的色泽按订货合同规定。4技术要求
硬钢纸板的技术指标必须符合表1和表2规定。4.1
中国轻工总会1996-03-22批准
1996-12-01实施
指标名称
0. 5mm~0. 9mm
1. 0mm~2. 0mm
2.1mm~5.9mm
6.0mm以上
温度(23土1)C时的体积电阻率
QB/T 2199-1996
不小于
不小于
温度(23士1)℃、相对湿度(50土2)%的空气介质中,50Hz时的击穿电压强度
0.5mm~~0. 9mm
1.0mm~2.0mm
2. 1mm~~5. 0mm
5.1mm~~12mm
横断面抗张强度
0. 5mm~~0. 9mm
1.0mm~2.0mm
2. 1mm~3. 5mm
3. 6mm~5: 0mm
5.0mm以上
伸长率
层间剥离强度
1.5mm~~3.0mm不小于
<1.5mm、>3.0mm不予试验
吸水率
水温(20±2)℃,浸24h
1. 0mm~ 2. 0mm
2. 1mm-~3. 5mm
3. 6mm~5. 0mm
吸油率浸24h
在(15~~20)℃的航空汽油中
在(15~20)℃的变压器油中
氯化锌含量
不小于
不小于
不小于
不大于
不予试验
不大于
不大于
不大于
不大于
kV/rmm
注:5.0mm以上的硬钢纸板系用薄钢纸粘合而成。A类
9×104
3.5.×104
6~10
指标名称
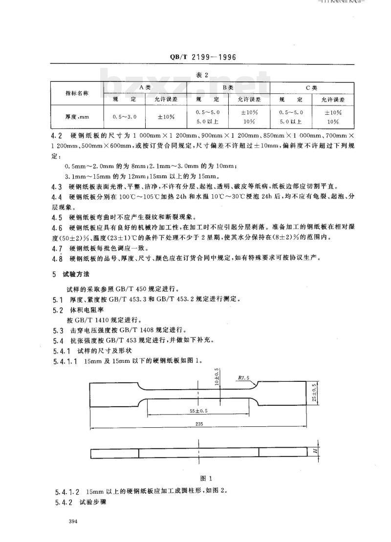
厚度,mm
0. 5~3.0
QB/T2199--1996
充许误差
5.0以上
允许误差
0. 5~~5. 0
5.0以上
I KAoNni KAca-
允许误差
硬钢纸板的尺寸为1000mm×1200mm、900mm×1200mm、850mm×1000mm、700mm×1200mm、500mm×600mm,或按订货合同规定,尺寸偏差不许超过士10mm,偏斜度不许超过下列规定:
0.5mm~2.0mm的为8mm;2.1mm~3.0mm的为10mm;3.1mm~~15mm的为 12mm;15mm以上的为15mm。4.3硬钢纸板表面光滑、平整、洁净,不许有分层、起泡、透明、破皮等纸病,纸板边部应切割平直。4.4硬钢纸板分别在100℃~105℃加热24h和水温10℃~30℃浸泡24h后,均不应有龟裂、起泡、分层现象。
4.5硬钢纸板弯曲时不应产生裂纹和断裂现象。4.6硬钢纸板应具有良好的机械冷加工性,在加工时不应引起分层剥落。准备加工的钢纸板在相对湿度(50土2)%、温度(23±1)℃的条件下处理不少于2星期,使其水分保持在(8士2)%的范围内。4.7
硬钢纸板每批色调应一致。
硬钢纸板的品号、厚度、尺寸、颜色应在订货合同中规定,如有特殊要求可按协议生产。5试验方法
试样的采取参照GB/T450规定进行。5.1厚度、紧度按GB/T453.3和GB/T453.2规定进行测定。5.2体积电阻率
按GB/T1410规定进行。
5.3击穿电压强度按GB/T1408规定进行。5.4抗张强度按GB/T453规定进行,并做如下补充。5.4.1试样的尺寸及形状
5.4.1.115mm及15mm以下的硬钢纸板如图1。g0干ot
5.4.1.215mm以上的硬钢纸板应加工成圆柱形,如图2。5.4.2试验步骤
QB/T 2199--1996
D(15±1.0)mm.d=(10±0.5)mm
厚度20mm以上,D=(20±0.1)mm,d=(15±0.5)mm图2
5.4.2.1测量试样的各部厚度,精确至0.05mm,取5点的平均值为测量结果。5.4.2.2将推备好的试样置于万能材料试验机的两夹具之间夹牢,以125~150kg/min的负荷速度施加张力,直至试样破裂为止,记录所施加的张力之读数,以三次測定值的算术平均值表示测定结果。5.4.3单位横切面的抗张力的计算5.4.3.1厚度15mm及15mm以下的硬钢纸板:Q=
式中:P--试样的抗张力,kN;
一检验前试样的横切面积,m\;F
---单位横截面的抗张强度,kN /m\Q,
5.4.3.2厚度15mm以上的硬钢纸板:P
式中:P-
-试样的抗张力,kN;
检验前试样的直径,m;
单位横截面的抗张强度,kN/m°。(1)
5.5层间剥离强度的测定
5.5.1距硬钢纸板的边部不少于50mm起,沿纸板的绒向截取长100mm、宽30mm的试样3块,置于(20士2)℃的蒸馏水中浸泡24h后取出,将试样一端的中间部位用刀尖剥离,然后用手撕开约30mm,将撕开的两端分别夹紧在300N的拉力试验机的上下两个夹头上,两夹头间的距离为30mm,然后开动拉力机,使下夹均勾下降,直至指针不再移动为止。三次测定值的算术平均值表示测定结果,层间剥离强度(N/m)按式(3)计算:
式中:F—粘着力,N,
D试样宽度,m。
5.6吸水率按GB/T461.3的规定进行。5.7吸油率的测定
5.7.1吸航空汽油率的测定
取不同部位的硬钢纸板三块,其尺寸为50mm×50mm,精确称量后置于15~20℃航空汽油中浸泡24h,再分别用锻子取出,用滤纸将表面浮油擦净,迅速放人已知重量的称量瓶中进行称量,精确至0.01g,其结果按式(4)计算:
式中:S吸航空汽油率,%;
Gi——吸油前试样重,g;
Gz——吸油后试样重,g。
5.7.2吸变压器油率的测定
QB/T 2199-1996
i KAoNi KAca-
取不同部位的硬钢纸板三块,其尺寸为50mm×50mm,精确称量后置于15~20℃的变压器油中浸泡24h,再分别用镊子取出,用滤纸将表面浮油擦净,迅速放入已知重量的称量瓶中进行称量,精确至0.01g,其结果按式(5)计算:
式中:S-
吸变压器油率,%;
吸油前试样重,g;
G.---吸油后试样重,g。
5.8水分按GB/T462规定进行测定。5.9灰分按GB/T463规定进行测定。s=G=G×100
(5)
5.10氯化锌含量的测定
首先将硬钢纸板试样切成2mm×2mm的小块,称取2.5g两份,份置于100~105℃烘箱中烘干至恒重,另一份置于250mL锥形瓶中,然后加入蒸馏水约150mL,再加入3%的过氧化氢溶液2~4mL,放在电炉上煮沸约15min,将其抽出液倾入250mL容量瓶中,再将150mL蒸馏水注人装有试样的锥形瓶中(此次不加入过氧化氢),经第二次煮沸后将抽出液混合并于250mL容量瓶中,冷却至20℃,稀释至刻线。然后吸取稀释液50mL移人150mL锥形瓶中,再加人5%铬酸钾指示剂0.4mL,用0.01N硝酸银滴定至桔红色为止,按式(6)计算结果:氯化锌含量(%)=c×V×0.0682×5、A
式中:V—
耗用0.01N硝酸银的体积,mL,
硝酸银的摩尔浓度,mol/L;
A—干燥试样恒重,g;
与1.00mL硝酸银标准滴定溶液[c(AgNO:)=1.00mol/L>相当的以克表示的氯化锌的质0.0682
6检验规则
供方应保证产品质量符合本标准的规定,以每次交货数量为一批。交货时每件应贴合格证,箱内放6.1
产品质量说明书。
6.2产品交货检验抽样检查按GB/T2828规定进行。6.3试样的采取及检验前试样的处理按GB/T450规定进行。6.4交货抽样的项目、顺序及检查水平、抽样方案和合格质量水平(AQL)按表3规定进行。396
批意,张
抽样方案
≤150
151~35000
QB/T 2199--1996
正常检查二次抽样方案检查水平S-2B类不合格品
样本大小
C类不合格品
AQL= 10
不合格分类
B类不合格bzxZ.net
抗张强度
击穿电压强度
C类不合格
厚度、体积电阻
率、伸长率、层间
剥离强度、吸水
率、吸油率、灰
分、水分、氯化锌
含量、外观
6.5需方有权按本标准进行验收,如对产品有异议,应在到货后三个月内通知供方,共同复验。如不符合本标准要求,则判为批不合格,由供方负责处理,如符合本标准要求则判为批合格,由需方负责处理。6.6由于保管和运输不符合本标准的规定,以至造成质量不符合本标准的规定的,应由有关方面负责。7标志、包装、运输、贮存
产品的包装与标志按GB/T10342规定进行,并作如下补充。7.1产品应用本箱包装,在保证产品质量的情况下,经用户同意,允许使用木夹板包装和软包装。7.2硬钢纸板每件重量分别为100kg、150kg或按订货合同规定。7.3产品应放在干燥处保管,经常保持相对湿度60%~70%和温度为10~25℃的条件,置于干燥的地板上或木架上谨防受大气凝结物和地面潮气的影响。7.4产品不应靠近墙壁和传热系统。7.5产品应用有篷而洁净的运输工具运输。397
小提示:此标准内容仅展示完整标准里的部分截取内容,若需要完整标准请到上方自行免费下载完整标准文档。
标准图片预览:





- 其它标准
- 热门标准
- QB轻工标准
- QB/T5247-2018 箱包配件塑料插扣耐 用性能试验方法
- QB/T2856-2007 毛革服装
- QB2584-2003 蒸汽淋浴房
- QB/T2711-2005 皮革 物理和机械试验 撕裂力的测定:双边撕裂
- QB/T1664-1998 纸板戳穿强度测定仪
- QB/T2161-1995 儿童推车整车通用技术条件
- QB/T2425-1998 封箱用再湿性牛皮纸胶粘带
- QB/T3520-1999 500kV油纸套管绝缘纸
- QB/T2569.6-2002 钢锉 木锉
- QB/T1433.10-2005 饼干 装饰饼干
- QB/T1439-2005 帐册
- QB/T1584-2005 日用皮手套
- QB/T2333-1997 防晒化妆品中紫外线吸收剂定量测定高效液相色谱法
- QB/T1756-1993 造纸机械湍流式中浓度浆泵
- QB/T1782-1993 苯乙醇
- 行业新闻
网站备案号:湘ICP备2025141790号-2