- 您的位置:
- 标准下载网 >>
- 标准分类 >>
- 国家标准(GB) >>
- GB 19148.1-2003 螺口式灯座的型式和尺寸
标准号:
GB 19148.1-2003
标准名称:
螺口式灯座的型式和尺寸
标准类别:
国家标准(GB)
标准状态:
现行出版语种:
简体中文下载格式:
.zip .pdf下载大小:
247.89 KB
点击下载
标准简介:
GB 19148.1-2003.Types and dimensions of Edison screw lampholders.
1范围
GB 19148.1规定了螺口式灯座的型式和尺寸。
GB 19148.1适用于电光源用螺口式灯座的设计和生产,也适用于电光源产品的设计。
注:对于我国不使用的E26、E39灯座,其型式和尺寸可参考IEC 60061-2中的活页:7005-20-5(E26灯座),
7005-24A(E39灯座)。
2引用标准
下列标准所包含的条文,通过在本标准中引用而构成为本标准的条文。本标准出版时﹐所示版本均为有效。所有标准都会被修订,使用本标准的各方应探讨使用下列标准最新版本的可能性。
GB/T 1483.2---2002螺口式灯座的量规(eqv IEC 60061-3:2001)
GB 1406---2001螺口式灯头的型式和尺寸(eqv IEC 60061-1:1999)QB 2218---1996灯头、灯座的型号命名方法(idt IEC 60061-4:1994)
3型式和尺寸
3.1灯座的型号应符合QB 2218——1996的规定。
3.2螺口式灯座的型式和尺寸应符合图1~图5,表1~表5的规定。
E5灯座的型式和尺寸见图1和表1。
E10灯座的型式和尺寸见图1和表1。E14灯座的型式和尺寸见图1和表1。E17灯座的型式和尺寸见图1和表1。E27灯座的型式和尺寸见图1和表1。E40灯座的型式和尺寸见图1和表1。EP10灯座的型式和尺寸见图2和表2。EY10灯座的型式和尺寸见图3和表3。EZ10灯座的型式和尺寸见图4.和表4。
部分标准内容:
中华人民共和国国家标准
GB 19148. 1-2003
ey1c60061-2.2001
螺口式灯座的型式和尺寸
Iypes and dirnensions of Edison screw lampholders2003-05-26发布
中华人民共和国
国家质量监督检验检疫源局
2004-01-01实施
GB 19148. 12003bzxZ.net
本标准的全部技术内案为强制性。前
TTTKAONTKACa-
本标难等效来用国际电工委员会IFEC60051-2:灯头灯座及检验其安全性和互换件的量规第S
部分:灯座》及1970年~-2007年的修汀件中的螺[1式灯座部分·其技术内容与IF600612叫的活负:7005-20-3:7005-30-1+7005-7-1:7C05-1:6-1700:-28-1的内容完全一致。因为E26、E39灯座不适用我国,所以没有纳人本标准。
本标雅自实施之日起轻工行业标准8们一1螺日灯座的型我和尺寸废止。本标滩非中国轻业联合会提
本标滩全国照明电器标进化技术委员会电光源及共附件分会归日。本标准起草单位:北点电光源研究所、多利铺亚明照明行限公司。本标准起草人赵秀荣、董建明、黄佩、杨小平。GB 19148.1—2003
IEC前育
1,再际电工委质会([E:)有定技术问题方商的正式决议和协议均山各技术委员会制定所有对比有特殊兴趣的各国委员会都有代表参加,因此,这些决议利协议在尽可能的限度内表达了国际间的有关此间题的致意,
2、为国际之间使用而理版的推孝标准,在某种意义上告山各国委员会采纳.3.为育促进国际间的统--,国电工委员会希望目前还没有相关国家标准的国家,在制定相关标推叫·在困家杀性许可的范用内,各独委员会应以IEC的推荐标准作为相炎标谁的基础。1,为了加强国际间有关这些问题的意见一-致性,需要各国委员会在本国条件允许的情祝下,努力使术诱标准与1F推荐标准扣谐调。备国委员会为此要发挥样用。1范围
中华人民共和国国家标准
螺口式灯座的型式和尺寸
Types and dimensions of Edison screw lampholders木标准製定了螺口式灯座的型和尺寸。-TTKANIKACA
GB19148.1—2003
eqIEC50061-2:2001
本标准适用于电光源用螺口式座的设让和生产,适用于电光源自品的设计坐:病于我[不使层的 E26,E39灯座,其型式和尺寸可参考[以:60061-2中的活页:7095 20 3(E26灯座)700524A(ES灯座)
2引用标准
下列标准所包含的条文,题过在本标推中引用而构成为本标准的条文。本标准比版时.所示版本均为有效。所有标避都会被修订,使用本标推的各方证探讨使用下列标准最新版在的可能性。(H/T1483.2--2002口式灯座编量(e91E60061-32001)GI3 [406--2001螺式灯头的型式和尺(eyv1EC60061-F:1S99)Q32218—1996灯头、灯座的型号命名方法(id1IF:60061-4:1994)3型式和尺寸
3.1灯库的型号减符合QB22:8—1905的规定:3.2螺口式汀座的型式和尺对应符分图[~图5,表1-~表5的规症,E5 灯座的型状和尺寸见图 1 利表 1. E10 灯座的型式和尺计见图1 和表,E:4 灯座的型式和尺寸见图 1 和表 ] ,E!7灯座的型试和尺寸见图 1和表 1。E27 灯座的型式和尺可见图 1 和表 1 E40灯座的型式和尺小见图1和表1,FP10灯座的型式利尺寸免图2和表2。EYO灯座的塑和尺可见图和表3。FZ1灯座的型式利尺寸见图 4 和表 4。F12 灯座的型试和尺寸见图 5 和表 5中华人民共和国国家质量监督检验检疫总局2003-05-26 批准2004-01-01实施
GR 19148.1—2003
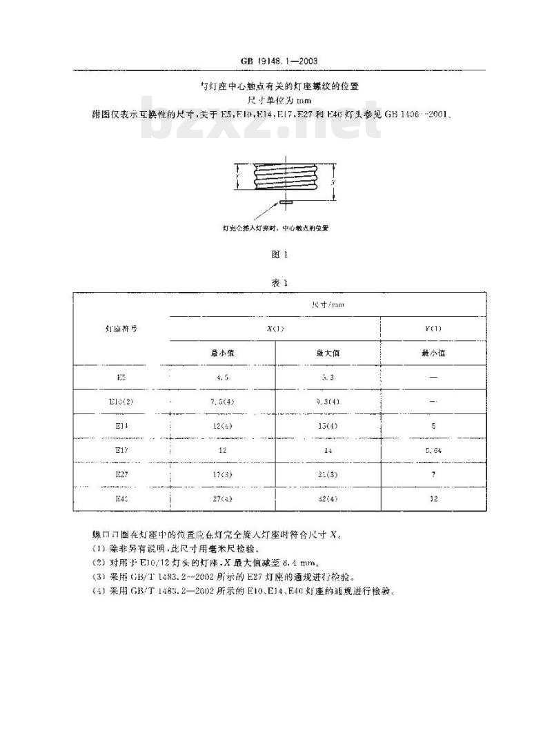
与灯座中心触点有关的灯座螺纹的位置尺于单做为mm
附图仅表示互换性的尺寸,关于F5,F10,14,E[7,F27和E40灯头参见GB 1406--2001灯完全播入灯率时,中心触点的位置图上
尺ram
打医符号
Ele(2)
殿大值
螺口可圈在灯座中的位置应在灯完全旋人灯座时符合寸X。1)除非另有说明·此尺寸用旁米尺检验。(2)对用=E10/12灯头的灯幽.X最大值至8.4 mm。<3)采用GB3/11483.2~2002斯示的E27灯座的通规进行检验。(4)来用 GR/T 1483.2—2002所示的F10,E14、E40如座的通规进行检验。Y()
殿小值
GB 19148. 1--2003
FP1n预聚焦螺口灯座
尺寸单位为mm
附图使表示互换性的尺寸,关于EP10预聚焦灯头参见GR1406—2001。2-1
基准面
此(5)
尺寸符号
最小值
螺统细部
右境螺纹
殿大有
-KAONiKAca-
关于成品划与灯座的互换性,应来用GB/T 1483,22002所示的FP10灯座的通规进汀检验中心触点的弹性应完金符会尺寸B的要求。灯体应具螺口口或其他类似的装置。使出螺口口阀时,螺口当圜应符合所示的各项尺寸【1)此征指触点处于完全还下时的位置,2)此值指融点处于穿载时的位置。(3)此尺寸由理论螺纹剖面得出·用于量规设计不用F灯座检验(4)尺司A和P表示为灯头预留的自由空间。()基准面由真径F的边缘确定。内此在尺寸上和A之间灯座的各部件不得突出基准而,GB19148.1-2003
EY1o螺日灯座
尺寸单位为mm
附图仅表示互换性的尺寸,关于Y1U灯头参见GB1406-2001。比例2-1
趋点究法【2
史注(1)
尺寸符号
(1)基准菌由 7. 2 mm 的直径边缘确定。最小值
(2)触点应能充分随差焊高度变化而运行。参见灯头尺寸B:32
蛳纹细部图
行跳螺较
殿大值
检验:采用 GR/T 1483. 2—2002 所示的 FY10 灯座的通规和 E10、EY10 灯座的止规进行检验。GB19148.1--2003
EZ10螺灯座
尺寸单位t!
附图议表示红换性的尺寸,美于EZ13 灯头参见GB 1406:-2001。静注状东下触点的位胃
压 F附题点位肾
尺寸符号
最小值
标移值5.5
(1)采用GH/下148.3.2-.-2002所示的E10 灯座的止规进行检验心症螺效
最大值
-TKAONIKAca
GB 19148.1—2003
E12螺口灯
尺寸单位为mrn
附图仪表示4换性的尺于关于E12灯头参见GB14062001。
比2-1
中心触点(而定或充全所下后的)是寸符子
最小值
尺寸是根锯装行带电螺口医的灯座而制定的。右蕨螺较
尺/mr
最大疽
(1)(肩形)绝续西出部的极驱范围.用GB/T1183.22002所示其接触规米硫定(2)“N\表示灯挫空腔的深度;谢量该深度时应从亡被压下的中心触点的表平面量至绝缘讨居的逆沿,果灯座是绝缘材料的,则成量荃灯座外壳的边沿,(3)“X\值的测量应从静止或完全被压低的中心触点量至灯座螺纹部件(螺纹)的顶竭,灯座的螺纹部件(螺口)不得用作电接触点。()该尺计龈据理论螺纹齿形得出,不用灯座检验。检验;F12 灯座应采用(:B/T1483.2—2002所示其性能接触规、通规、止规进行各项试验。
小提示:此标准内容仅展示完整标准里的部分截取内容,若需要完整标准请到上方自行免费下载完整标准文档。
标准图片预览:





- 其它标准
- 热门标准
- GB国家标准
- GB/T30917—2014 /ISo 29941:2010 天然胶乳橡胶避孕套中可迁移亚硝胺的测定
- GB/T12777-1999 金属波纹管膨胀节通用技术条件
- GB15193.5-2003 骨髓细胞微核试验
- GB/T29633.4-2020 南极地名 第4部分:罗马字母拼写
- GB/T39964-2021 造纸行业能源管理体系实施指南
- GB/T43929-2024 空间用纤维光学器件测试指南
- GB/T42970-2023 半导体集成电路 视频编解码电路测试方法
- GB/T43225-2023 空间物体登记要求
- GB/T4074.3-1999 绕组线试验方法 第3部分:机械性能
- GB15985-1995 丝虫病诊断标准及处理原则
- GB19159-2003 车用液化石油气
- GB/T5515-1985 粮食、油料检验 粗纤维素测定法
- GB/T7407-1997 中国及世界主要海运贸易港口代码
- GB/T10599-1998 多绳摩擦式提升机
- GB1913.2-1990 漂白浸渍绝缘纸
- 行业新闻
网站备案号:湘ICP备2025141790号-2