- 您的位置:
- 标准下载网 >>
- 标准分类 >>
- 轻工行业标准(QB) >>
- QB/T 2201-1996 钢纸管
标准号:
QB/T 2201-1996
标准名称:
钢纸管
标准类别:
轻工行业标准(QB)
标准状态:
现行出版语种:
简体中文下载格式:
.zip .pdf下载大小:
150.89 KB
点击下载
标准简介:
QB/T 2201-1996.
1范围
QB/T 2201规定了钢纸管的技术规范。
QB/T 2201适用于供电器高、低压熔断器,避雷器及其他线路套管用钢纸管。
2引用标准
下列标准所包含的条文,通过在本标准中引用而构成为本标准的条文。本标准出版时.,所示版本均为有效。所有标准都会被修订,使用本标准的各方应探讨使用下列标准最新版本的可能性。
GB/T 450--1989纸和纸板试样的采取
GB/T 462——1989纸和纸板水分的测定法GB/T463---1989纸和纸板灰分的测定
GB/T 1408—-1989固体绝缘材料工频电气强度试验方法
GB/T 2828—1987逐批检查计数抽样程序及抽样表(适用于连续批的检查)GB/T 10342—1989纸张的包装和标志
GB/T 10739-1989纸浆、纸和纸板试样处理和试验的标准大气
3产品分类
3.1钢纸管按用途可分为A类钢纸管,B类钢纸管两种。
3.1.1 A类钢纸管供高压熔断器﹑避雷器及不同型号的玻璃钢复合管用材料。
3.1.2B类钢纸管供低压熔断器及其他线路套管用材料。
4技术要求
4.1钢纸管的技术指标必须符合表1的规定。
5.7灰分按.GB/T 463规定测试。
5.8 水分按GB/T 462规定测试。
6检验规则
6.1供方应保证产品符合本标准的规定﹐以一次交货为一批,交货时每件应贴合格证,箱内放产品质量说明书。
6.2产品交货检验抽样检查按GB/T 2828规定进行。
6.3试样的采取及检验前试样的处理按GB/T 450规定进行。
6.4交货抽样的项目﹑顺序及检查水平,抽样方案和合格质量水平(AQL)按表3规定进行。
部分标准内容:
本标准是根据GB/T1.1--1993标准化工作导则第1单元:标准的起草与表述规则第1部分:标准编写的基本规定》对QB366一1981《钢纸管》进行修订的。为了使钢纸管满足供电器高、低压熔断器和避雷器及其他线路套管使用,在原标准的基础上做了如下修订:本标准非等效采用前苏联rOCT11945-1978《钢纸管技术条件》。-根据GB/T1.1一1993《标准化工作导则第1单元:标准的起草与表述规则第1部分:标准
编写的基本规定》,在本标准中增加了引用标准一项。技术指标采用法定计量单位。
一根据用户的需要,钢纸管的内外径及公差进行了重新规定。检验抽样规则采用GB/T2828—1987《逐批检查计数抽样程序及抽样表(适用于连续批的检查)》规定进行。
本标推由中国轻工总会食品造纸部提出。本标准由全国造纸标准化中心归口。本标准起草单位:牡丹江钢纸企业集团公司。本标准主要起草人:石福庆、孙晓君。自本标准实施之日起,原轻工业部部标准QB366--1981《钢纸管》作废。403
中华人民共和国轻工行业标准
钢纸管
本标准规定了钢纸管的技术规范。本标准适用于供电器高、低压熔断器,避雷器及其他线路套管用钢纸管。2引用标准
- KAoNi KAca-
QB/T 2201-1996
下列标准所包含的条文,通过在本标准中引用而构成为本标准的条文。本标准出版时,所示版本均为有效。所有标准都会被修订,使用本标准的各方应探讨使用下列标准最新版本的可能性。GB/T 450--1989
纸和纸板试样的采取
GB/T 462—1989
GB/T 463---1989
GB/T 1408—1989
GB/T 2828—-1987
纸和纸板水分的测定法
纸和纸板灰分的测定
固体绝缘材料工频电气强度试验方法逐批检查计数抽样程序及抽样表(适用于连续批的检查)GB/T 10342—1989
GB/T 10739—1989
3产品分类
纸张的包装和标志
纸浆、纸和纸板
试样处理和试验的标准大气
3.1钢纸管按用途可分为A类钢纸管、B类钢纸管两种。3.1.1A类钢纸管供高压熔断器、避雷器及不同型号的玻璃钢复合管用材料。3.1.2B类钢纸管供低压熔断器及其他线路套管用材料。4技术要求
4.1钢纸管的技术指标必须符合表1的规定。表1
指标名称
轴向横断面抗张强度
不小于
不小于
轴向耐电压(常态试验1min)
不低于
垂直壁层耐电压(常态试验
壁厚2.5mm~3.0mm
3. 1mm~5. 0mm
不低于
中国轻工总会1996-03-22批准
1996-12-01实施
指标名称
5.imm~10mm
10.1mm~15mm
吸水率(在水温10~25C时浸
2.5mm~3.5mm
3. 6mm~5. 0mm
5.1mm~10mm
氟化锌含量
不大于
不大于
不大于
QB/T2201-1996
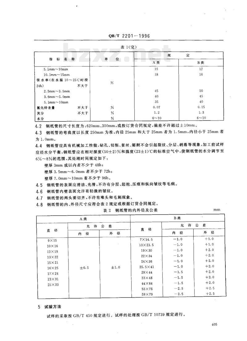
表1(完)
6~10
6~10
4.2钢纸管的尺寸长度为:620mm、300mm,或按订货合同规定,偏差不许超过士10mm。4.3钢纸管的弯曲度以长度250mm为准,内径25mm和大于25mm者为1.5mm,内径小于25mm者为 1.Omm。
4.4钢纸管应具有机械加工性能,钻孔、切削、套丝、锯割不会引起裂纹、分层、剥落等现象,加工前试样应经水分平衡,钢纸管应在相对湿度(50士2)%和温度(23士1)℃的标准空气中,使钢纸管的水分调节至6%~8%的范围,其处理时间规定如下:壁厚3mm或以内者不少于48h;
壁厚3.5mm~~6.0mm者不少于72h;壁厚7.0mm~10mm者不少于96h。4.5钢纸管的表面应清洁、光滑,不许有分层、起泡、压痕和纵向皱纹等毛病。4.6钢纸管内壁表面允许有轻微的皱纹。4.7钢纸管的两头要切齐,不许有堆头和毛刺现象。4.8钢纸管的内、外径尺寸应符合表2规定或根据订货合同规定。表2钢纸管的内外径及公差
10×16
13×19
13×22
15×21
16×25
17×24
23×31
25×33
5试验方法
允许公差
19×30
22×34
29×44
33×48
44×64
55×78
59×79
允许公差
试样的采取按GB/T450规定进行。试样的处理按GB/T10739规定进行。+1.0
5.1紧度的测试
QB/T 2201-1996
-i KAoNi KAca-
距离边部不小于50mm处截取试样不少于3个,试样尺寸按质量不同确定,般20g左右,精确称取质量,并用精确为0.2mm游标卡尺准确测量试样的内径、外径、高度,计算其体积,其计算结果如下:紧度一
质量(g)
体积(cm2)Www.bzxZ.net
5.2轴向横断面抗张强度的测定
5.2.1试样
(1)
取测试用的钢纸管,去掉端部50mm,截取长度为(250士2)mm,按本标准4.4条规定处理。试验前准确测量试样的内径、外径尺寸,精确至0.05mm,以备测抗张强度用。5.2.2试验步骤
试样两端塞进长度为50mm的金属棒,金属棒的外径等于试样的内径。将试样置于拉力机夹具之间。夹牢后,按下扳手使下夹平稳均勾的移动,以(50士2)mm/min的速度施加拉力直至试样断裂为止。记录拉力机上的拉力数,以三次测试的算术平均值表示测定结果。5.2.3计算方法
元(D2—d=)
~钢纸管轴向抗张强度,kN/m2;式中· Q~—
钢纸管轴向拉断时所需的力,kN;试样外径,m;
试样内径,m。
5.3轴向耐电压的测定
按GB/T1408规定测试。
5.4垂直壁层耐电压
按GB/T1408规定测试。
5.5吸水率的测定
(2)
按GB/T461.3规定测试,并作如下补充。取测试用的钢纸管,去掉端部50mm,截取长度为(20士2)mm的试样三个,将其浸于水温为(20土2)C的水中24h,取出后迅速将表面的水擦掉,称其重量计算吸水率。G2-G1、
式中.W-吸水率,%;
G ---浸水前试样质量,8;
G2—浸水后试样质量,g。
(3)
5.6氯化锌含量的测定
将钢纸管试样切成2mmX2mm的小块,称取2.5g两份。一份置于100~105℃的烘箱中烘至恒重。另-~份置于250mL的锥形瓶中,加人蒸馏水150mL左右,再加入3%的过氧化氢溶液2~4mL,放在电炉上煮沸15min,将抽出液倒入250mL的容量瓶中,再加入150mL蒸馏水继续煮沸15min,抽出液合并于250mL的容量瓶中,冷却至20℃后加蒸馏水稀释至刻线。然后用移液管吸取50mL,移人150mL锥形瓶中,加人5%铬酸钾指示剂0.4mL,用0.01mol/L硝酸银滴至桔红色为终点。K=exVx0. 068 2X5×100
式中:K-
氯化锌含量,%;
-耗用硝酸银的体积,mL;
-硝酸银的摩尔浓度,mol/L;
A干燥的试样质量,g;
QB/T2201-—1996
0.0682——与1.00mL标准滴定溶液c(AgNO,)=1.0mol/L相当的以克表示的氯化锌的质量。5.7灰分按.GB/T463规定测试。
5.8水分按GB/T462规定测试。
6检验规则
6.1供方应保证产品符合本标准的规定,以一次交货为-批,交货时每件应贴合格证,箱内放产品质量说明书。
6.2产品交货检验抽样检查按GB/T2828规定进行。6.3试样的采取及检验前试样的处理按GB/T450规定进行。6.4交货抽样的项目、顺序及检查水平、抽样方案和合格质量水平(AQL)按表3规定进行。表3
抽样方案
批量,根
151~35000
检查水平 S-2
正带二次抽样方案
B类不合格品
样本大小
C类不合格品
不合格分类
B类不合格
C类不合格
强度、轴向耐电1外观、紧度、水压、垂直壁层耐分、灰分、氯化锌电压
含量、吸水率
6.5需方有权按本标准进行验收,如对产品有异议,应在到货后三个月内通知供方,共同复验。如不符合本标准要求,判为批不合格,由供方负责处理,如符合本标准要求则判为批合格,由需方负责处理。7标志、包装、运输、贮存
7.1产品的包装和标志按GB/T10342规定进行。7.2产品应用木箱包装(在保证质量的情况下,经需方同意也可以用其他包装)。每件质量不多于100kg,或根据订货合同规定。木箱必须符合下列要求。a)木箱用的木板水分不许超过20%;b)木箱木板厚度不小于10mm,木带不小于20mm,并要求制作结实,接缝严密,木箱规格与容积符合要求:
c)木箱要钉实、牢固,不得稍受外力即发生破损现象。7.3钢纸管应放在干燥处保管,经常保持相对湿度60%~70%和温度10℃~25℃的条件,置于干燥的地板上或木架上,防止受大气凝结物和地面潮气的影响。7.4钢纸管应用清洁,带篷的运输工具运输。木箱不许从高处往下扔。407
小提示:此标准内容仅展示完整标准里的部分截取内容,若需要完整标准请到上方自行免费下载完整标准文档。
标准图片预览:





- 其它标准
- 热门标准
- QB轻工标准
- QB/T5247-2018 箱包配件塑料插扣耐 用性能试验方法
- QB/T2856-2007 毛革服装
- QB2584-2003 蒸汽淋浴房
- QB/T2711-2005 皮革 物理和机械试验 撕裂力的测定:双边撕裂
- QB/T1664-1998 纸板戳穿强度测定仪
- QB/T2161-1995 儿童推车整车通用技术条件
- QB/T2425-1998 封箱用再湿性牛皮纸胶粘带
- QB/T3520-1999 500kV油纸套管绝缘纸
- QB/T2569.6-2002 钢锉 木锉
- QB/T1433.10-2005 饼干 装饰饼干
- QB/T1439-2005 帐册
- QB/T1584-2005 日用皮手套
- QB/T2333-1997 防晒化妆品中紫外线吸收剂定量测定高效液相色谱法
- QB/T1756-1993 造纸机械湍流式中浓度浆泵
- QB/T1782-1993 苯乙醇
- 行业新闻
网站备案号:湘ICP备2025141790号-2