- 您的位置:
- 标准下载网 >>
- 标准分类 >>
- 轻工行业标准(QB) >>
- QB/T 1699-2006 球形转子泵
标准号:
QB/T 1699-2006
标准名称:
球形转子泵
标准类别:
轻工行业标准(QB)
标准状态:
现行出版语种:
简体中文下载格式:
.zip .pdf下载大小:
344.42 KB
点击下载
标准简介:
QB/T 1699-2006.Global rotor pumps.
5.5整机压力试验
5.5.1该项试验应在性能试验后接着进行。
5.5.2试验时,关闭出口管路阀门,使压力升至1.30倍的额定压力,并运行15min,检查各部件工作情况,零部件的连接、润滑、密封良好,无渗漏现象。
5.6安全装置试验(仅限于装有安全装置的球形泵)
5.6.1安全装置的试验在整机压力试验后进行。
5.6.2试验时,逐渐关闭排出管路阀门,提高压力,在4.4.1规定的起跳压力下,安全阀应能正确动作,试验应不少于三次。
5.7参数的测量5.7.1压力
5.7.1.1压力的测量采用弹簧式压力表或压力传感器及其他形式的压力计,被测量数值应保证在仪表1/3~2/3的量程内。
5.7.1.2测压孔的位置应分别设在距球形泵⒉倍吸入口和排出口直径处,其孔径为2mm~6mm,如受球形泵结构尺寸等原因的限制,可适当增大测压孔及距吸入口和排出口的距离,以不影响测量精度为原则。
5.7.2流量
流量测量采用转子流量计,其他方法应符合国家有关标准规定。
5.7.3转速
转速测量有条件的应优先采用数字式光电传感器测量或用手持式离心式转速表测量,其他方法应符合国家有关标准规定。
5.7.4 温升
5.7.4.1温升测量采用点接式温度计进行。
5.7.4.2︰测量的温度值减去介质温度即为实测温升值,测量应不少于三次,每次测时间为lmin。
5.7.5功率
5.7.5.1功率的测量按GB/T 1032进行。
5.7.5.2功率的测量应在额定电压和额定频率及球形泵的压力、流量下同时测量。
5.7.6噪声
5.7.6.1噪声测量采用噪声仪进行。
5.7.6.2噪声应测量三次。测量时,应在离球形泵中心前、后、左、右、上 1m 处测量,取算术平均值为实测噪声值。
5.7.7可靠性试验
5.7.7.1球形泵应在额定工况下运行,考核其可靠性。平均无故障工作时间和耐久性试验时间的考核可结合进行,此时耐久性试验时间包含平均无故障T作时间。
5.7.7.2试验时,应记录运行时间内的故障次数和相应的工作时间及故障原因。
5.7.7.3 对不需拆机进行排除的轻微故障不计。
5.7.7.4可靠性考核,采用下列方法之一均可。
a)在产品质量监督检测单位认可下根据用户实际使用报告统计,但不应少于三个用户报告;
b)由产品质量监督检测单位进行,但样机台数应能满足可靠性试验的要求。
5.7.7.5耐久性试验后的性能复测应按5.3进行,并应符合4.5.3.3的规定。
5.8试验结果的计算
5.8.1 流量(转子流量计)
部分标准内容:
分类号:Y91
备案号:19940-2007
中华人民共和国轻工行业标准
QB/T1699-2006
代替QB/T1699—1993
球形转子泵
Globalrotorpumps
2006-12-17 发布
中华人民共和国国家发展和改革委员会2007-08-01实施
本标准是对QB/T1699一1993《球形转子泵》的修订。本标准与QB/T1699-1993相比,主要变化如下:修改了适用范围;
-增加了规范性文件的引用:
对效率和噪声作了适当的调整:-提高了平均无故障工作时间要求;-删除了原标准中零部件加工精度表7的要求;-修改了测量仪器、仪表的精度要求及测量参数的允许波动范围:修改了检验规则;
一删除了原标准第8节。
本标准由中国轻工业联合会提出。本标准由全国轻工业机械标准化技术委员会归口。本标准负责起草单位:江苏大学流体机械工程技术研究中心。本标准主要起草人:王洋、叶晓琰、黄道见、孔繁余、魏东。本标准于1993年首次发布,本次为第一次修订。FIKANYKAca
QB/T1699—2006
本标准自实施之日起,代替原轻工业部发布的轻工行业标准QB/T1699--1993《球形转子泵》。1范圈
球形转子泵
QB/T 1699-2006
本标准规定了球形转子泵的分类、要求、试验方法、检验规则和标志、包装、运输、贮存。本标准适用于输送易燃、易爆、高温、大黏度介质的球形转子泵(以下简称“球形泵”)。2规范性引用文件
下列文件中的条款通过本标准的引用而成为本标准的条款。凡是注日期的引用文件,其随后所有的修改单(不包括勘误的内容)或修订版均不适用于本标准,然而,鼓励根据本标准达成协议的各方研究是否可使用这些文件的最新版本。凡是不注日期的引用文件,其最新版本适用于本标准。GB/T191包装储运图示标志
GB/T1032三相异步电动机试验方法GB/T2828.1计数抽样检验程序第1部分:按接收质量限(AQL)检索的逐批检验抽样计划GB5226.1一2002机械安全机械电气设备第1部分:通用技术条件GB/T13306标牌
轻工机械通用技术条件
GB/T 14253
JB/T8098泵的噪声测量与评价方法3分类
3.1型式
球形泵按结构形式分为:
a)I型:主、被动轴夹角为30°;b)II型:主、被动轴夹角为20°;c)I型:主、被动轴夹角为10°。3.2型号
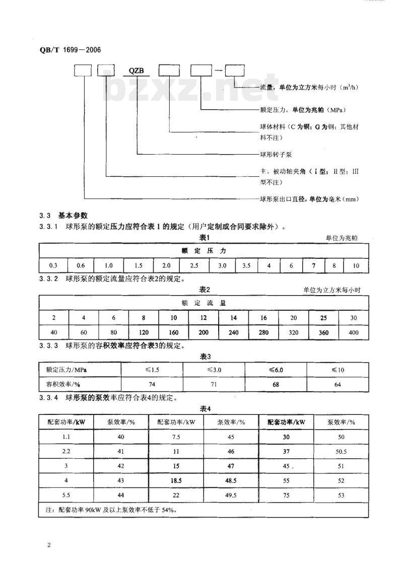
3.2.1型号标示方法
球形泵的型号由汉语拼音字母和阿拉伯数字组成,具体如下:3.2.2型号示例
球形转子泵,主、被动轴夹角为20°,额定压力0.6MPa,流量8m2/h,铜球,出口直径40mm,其标记为:40IIQZBC0.6-8
QB/T1699—2006
基本参数
-流量,单位为立方米每小时(m/m)额定压力,单位为兆帕(MPa)
球体材料(C为铜:G为钢;其他材料不注)
球形转子泵
主、被动轴夹角(I型,II型;III型不注)
球形泵出口直径,单位为毫米(mm)球形泵的额定压力应符合表1的规定(用户定制或合同要求除外)表1
额定压
球形泵的额定流量应符合表2的规定。2.5
定流量
球形泵的容积效率应符合表3的规定。额定压力/MPa
容积效率/%
球形泵的泵效率应符合表4的规定。配套功率/kW
泵效率/%
配套功率/kW
注:配套功率90kW及以上泵效率不低于54%。2
泵效率/%
单位为兆帕
单位为立方米每小时
配套功率/kW
泵效率/%
TKANYKAca
QB/T 1699-2006
3.3.5球形泵的球外径应在下列数中选取(用户定制或合同要求除外):80,135,180,210,250,300,350,400mm。
3.3.6球形泵在规定转速和额定压力下的必汽蚀余量NPSHR应不大于5m。3.3.7球形泵的各参数是以油为介质下的参数。4要求
4.1基本要求
4.1.1球形泵应符合本标准的要求,并按照经规定程序批准的图样及技术文件制造。4.1.2球形泵在规定的使用条件下(如压力、流量、温度、介质等)应能正常工作。4.1.3产品的焊接件、机加工件及装配质量应符合GB/T14253的规定。4.2工作性能要求
4.2.1球形泵的性能参数应符合3.3的规定。4.2.2在额定压力下,其泵效率应不低于规定值的95.5%。4.2.3在额定转速和额定压力下,其流量应不低于额定流量的95%4.3运行要求
4.3.1在额定压力下运行时,轴封处的泄漏量每小时不大于4mL。4.3.2在额定压力下连续运行4h后,滚动轴承温升不大于40℃,滑动轴承温升不大于30℃,最高温度不大于80℃。
4.3.3在1.2倍的额定压力下运行时应不超过配套功率。4.3.4在1.3倍的额定压力下运转15min,不应出现零部件损坏等异常现象。4.3.5在额定工况下运行时,噪声应符含表5的规定。表5
配套功率/kw
4.4安全性要求
操声值/dB(A)
配套功率/kW
噪声值/B(A)
4.4.1装有安全阀或溢流阀的球形泵,开启压力调整到1.15~1.30倍的额定压力时,其排放压力应不大于1.1倍的开启压力。
4.4.2球形泵的传动部位应有安全防护措施。4.4.3产品的电气安全性能应符合GB5226.1一2002中19.2~19.4保护接地、电路连续性绝缘电阻检验、耐压试验和19.6功能试验的规定。4.4.4承受压力的零部件,均应进行液(气)压试验而无渗漏现象,其试验压力为1.5倍的额定压力,历时5min。
4.5可靠性要求
4.5.1故障
按其原因和影响球形泵正常工作的程度分为三类:a)严重故障:主要零部件严重损坏,不能用易损备件在短时间内排除的故障;b)一般故障:产品功能下降,可用更换易损件在较短时间内排除的故障;c)轻微故障:不影响产:品功能和使用要求,且无需拆机而轻易排除的故障。4.5.2平均无故障工作时间
QB/T1699-2006
-TKANYKACa
球形泵在额定工况下运行时,平均无故障(不含轻微故障)工作时间:以油为介质应不小于400h,其他介质应不小于200h。
4.5.3耐久性
4.5.3.1球形泵在额定工况下运行时,累计工作时间:油为2000h,其他介质为1000h。4.5.3.2耐久试验期间,除按制造厂规定的要求进行维护保养并按规定时间更换易损件外,不应更换其他零部件。
4.5.3.3耐久试验后,应符合下列要求:a)泵效率允许比规定值净降0.04;b)容积效率允许比规定值净降0.05。4.6装配与外观要求
4.6.1零部件经检验合格后方可进行装配。4.6.2对密封和轴承的装配应符合GB/T14253的规定。4.6.3各紧固件应连接可靠,不应有缺少和松动现象。4.6.4装配后的球形泵手工转动时应无阻卡等现象。球形泵的外观应色泽一致,无流痕、污损等现象。4.6.5
球形泵(机组)应有转向标志。5试验方法
5.1试验的一般要求
5.1.1球形泵的试验应按本标准规定进行。5.1.2凡用于测量的仪器、仪表均应有检定证书或报告,并按期定期标定。5.1.3
各测量仪器、仪表的精度应符合表6的要求。表6
仪器、仪表名称
压力表
流量计
噪声仪
温度计
功率表
电流传感器
电压、电流表
出厂检验
注:采用数字式仪表或仪器,其精度等级应符合本表的规定。5.1.4球形泵试验装置(推荐)如图1所示。5.1.5球形泵的试验应在额定电压、额定频率下进行。精度等级
型式检验
±1℃
5.1.6试验介质为30号机油和0号柴油的混合油,其配比为6:4。5.1.7试验时,各测量参数的仪器、仪表指示值允许波动范围应符合表7的规定。5.1.8球形泵功率的测量,采用下列方法之一均可。a)额定电压负载法(损耗分析法);4
b)直接法。
5.1.9除本标准规定的方法外,其他符合有关标准规定的方法均可采用。7
QB/T1699-2006
1-功率测量系统:2—电动机;3—球形泵;4-入口测压表:5—调节阀;6一介质容器(池);7一调节阀;8—流量计;9一出口测压表注:也可采用其他试验装置进行。图1
被测参数
排出压力
吸入压力
5.2运转试验
允许波动范围/%
5.2.1运转试验应先在出口和进口管路阀门全开状态下,调整密封等后试运转不少于0.5h。试运转正常后,将压力逐渐调至额定压力并运转不少于0.5h。5.2.2
检查密封应无泄漏。
5.2.4在离球形泵1m的前、后、左、右、上面测量噪声,其值应符合4.3.5的规定。5.2.5测量轴承座处温升,其值应符合4.3.2的规定。5.3性能试验
5.3.1性能试验应在运转试验后进行。5.3.2试验时应确定流量、轴功率、泵效率、规定转速与压差的关系,并绘制5.8.11图2球形转子泵性能曲线。
5.3.3性能试验时,应从出口管路阀门全开状态开始,按额定压力值的10%~120%升压,其间测量应不少于12点,在每一压力下,同时测取入口压力、出口压力、转速、输入电功率、电压、电流值。5.4汽蚀试验
5.4.1汽蚀试验应确定流量与净吸入压头HPSNR的关系,并找出球形泵必需的净吸入压头HPSNR。5.4.2汽蚀试验应在性能试验后进行。5.4.3试验应在额定压力和最大转速下进行。汽蚀余量(NPSH)由最大值(吸入管路阀门全开状态)开始,按5.3.3规定测量各值。然后逐渐降低汽蚀余量(NPSH)到流量比正常流量低5%~10%为止。5.4.4必需汽蚀余量NPSHR按下列方法确定:5
QB/T 1699—2006
在其他条件不变的情况下,球形泵的流量下降为3%。5.5整机压力试验
5.5.1该项试验应在性能试验后接着进行。HIKANYKAea
5.5.2试验时,关闭出口管路阀门,使压力升至1.30倍的额定压力,并运行15min,检查各部件工作情况,零部件的连接、润滑、密封良好,无渗漏现象。5.6安全装置试验(仅限于装有安全装置的球形泵)5.6.1安全装置的试验在整机压力试验后进行。5.6.2试验时,逐渐关闭排出管路阀门,提高压力,在4.4.1规定的起跳压力下,安全阀应能正确动作,试验应不少于三次。
5.7参数的测量
5.7.1压力
5.7.1.1压力的测量采用弹簧式压力表或压力传感器及其他形式的压力计,被测量数值应保证在仪表1/3~2/3的量程内。
5.7.1.2测压孔的位置应分别设在距球形泵2倍吸入口和排出口直径处,其孔径为2mm~6mm,如受球形泵结构尺寸等原因的限制,可适当增大测压孔及距吸入口和排出口的距离,以不影响测量精度为原则。
5.7.2流量
流量测量采用转子流量计,其他方法应符合国家有关标准规定。5.7.3转速
转速测量有条件的应优先采用数字式光电传感器测量或用手持式离心式转速表测量,其他方法应符合国家有关标准规定。
5.7.4温升
5.7.4.1溢升测量采用点接式温度计进行。5.7.4.2测量的温度值减去介质温度即为实测温升值,测量应不少于三次,每次测量时间为1min。5.7.5功率
5.7.5.1功率的测量按GB/T1032进行。5.7.5.2功率的测量应在额定电压和额定频率及球形泵的压力、流量下同时测量。5.7.6噪声
5.7.6.1噪声测量采用噪声仪进行。5.7.6.2噪声应测量三次。测量时,应在离球形泵中心前、后、左、右、上1m处测量,取算术平均值为实测噪声值。
5.7.7可靠性试验
5.7.7.1球形泵应在额定工况下运行,考核其可靠性。平均无故障工作时间和耐久性试验时间的考核可结合进行,此时耐久性试验时间包含平均无故障工作时间。5.7.7.2试验时,应记录运行时间内的故障次数和相应的工作时间及故障原因。5.7.7.3对不需拆机进行排除的轻微故障不计。5.7.7.4可靠性考核,采用下列方法之一均可。a)在产品质量监督检测单位认可下根据用户实际使用报告统计,但不应少于三个用户报告;b)由产品质量监督检测单位进行,但样机台数应能满足可靠性试验的要求。5.7.7.5耐久性试验后的性能复测应按5.3进行,并应符合4.5.3.3的规定。5.8试验结果的计算
5.8.1流量(转子流量计)
式中:
(Pr - Ps)en
(Pr-PN)ps
实测流量,单位为立方米每小时(m2/h);Qn—-流量计的刻度流量,单位为立方米每小时(m2/h);Pr
5.8.2压力
-浮子密度,单位为千克每立方米(kg/m2):QB/T 1699-2006
水(即标定介质,在标准状态下)的密度,单位为千克每立方米(kg/m2):被测介质的密度,单位为于克每立方米(kg/m2)a)吸入口压力
P, = Psi + pgZs ×10~6
式中:
-吸入口压力,单位为兆帕(MPa):一吸入压力读数(小于大气压为负,反之为正),单位为兆帕(MPa);(2)
压力表中心至球形泵球中心平面(基准面)的垂直距离,单位为米(m)。压力表中心位于基准面上为正,反之为负;重力加速度,取g-9.81m/s2;
p—一试验介质的密度,单位为千克每立方米(kg/m2)。b)排出口压力
Pa = Pa, + pgz ×10-6
式中:
Pa—排出口压力,单位为兆帕(MPa):Pai
排出口压力读数,单位为兆帕(MPa);一压力表中心到球形泵基准面的垂直距离,单位为米(m)。表中心位于基准面上为正,反之为负。
c)压差
P=P-Ps
式中:
P一一压差,单位为兆帕(MPa)。5.8.3汽蚀余量(NPSH)
NPSH=P++
式中:
Pp一大气压力,单位为兆帕(MPa):Py
汽化压力,单位为兆帕(MPa)。(4)
QB/T 1699-2006
容积效率
式中:
5.8.7转速
式中:
5.8.8功率
a)电流
式中:
容积效率,%;
噪声:
测量的总分贝数
测量次数
温升=测量温度值一介质温度
Q×100%
理论流量,单位为立方米每小时(m2/h)。n, =n,An
实测转速,单位为转每分钟(r/min):-配套电动机同步转速,单位为转每分钟(r/min);实测转差,单位为转每分钟(r/min)。A+A+A
I—试验电流,单位为安培(A);A1,A2,A3—试验时的三相电流读数,单位为格(格):Ak
一电流表倍数,单位为安培每格(A/格)。b)电动机定子铜耗
Pcu=312·R
式中:
电动机定子铜耗,单位为瓦(W);R,一一试验结束时测得的电动机绕组电阻,单位为欧姆(Q)。c)铁耗(Pee)由空载试验获得d)机械耗(Pw)由空载试验获得e)杂散损耗(P)按经验获得
f)转子铜耗(Pcu2)
Peu2 =[Pn -(Pcun + Pe)]× S
式中:
一电动机转子铜耗,单位为瓦(W);(6)
实测电动机输入电功率,单位为瓦(W);-转差率,%。
S的计算:
S= ns -An、
×100%
g)电动机输出功率
P2 = Pri - (Prw + Pee + Po + Pcun + Pcu2式中
电动机输出功率,单位为瓦(W)。5.8.9泵效率此内容来自标准下载网
式中:
-泵效率,%。
P·E×100%
5.8.10换算至规定转速(nsp)的流量(Qo)、轴功率(Pr20)按式(16)与式(17)确定:
式中:
规定转速,单位为转/每分钟(r/min);一换算至规定转速的流量,单位为立方米每小时(m2/h):换算至规定转速的轴功率,单位为瓦(W)。QB/T1699-2006
(15)
(16)
5.8. 11 绘制球形泵性能曲线 Qo=f(p)、Pr20=f(p)、np==f(p)、ni=f(p),如图2 所示。可靠性
5.8.12.1试验采用定时截止法时,试验(截止)时间应符合4.5的规定。其平均无故障工作时间MTBF按式(18)确定。
式中:
试验样机台数;
试验截止时间,单位为小时(h);在试验截止时间内,样机发生故障的总次数。当出现r=0时,按r=1计算。(18)
5.8.12.2试验采用定数截止法时,试验至发生故障的样机台数不小于试验样机台数的2/3止。其平均无故障工作时间MTBF按式(19)确定。MTBF - 1++, ++t.
QB/T 1699-2006
式中:
.nm—第l,2,
t, t2, +...
.n台样机试验时间。
Qo/(m'h) / n;
n=f(P)
np-f(p)
Qgmf(p)
P%=f(P)
图2球形转子泵性能曲线
5.9试验报告
TKAONYKACa
试验结果应经过仔细的检查,校核后整理成报告,试验报告上应有试验负责人和参加人员签字。试验报告-般应包括下列内容:
a)试验地点、日期、人员、试验单位(盖章):b)试验性质;
c)制造厂名称、产品型号、编号:d)试验运转条件(环境、介质);e)关于试验方法及使用测量仪器仪表的说明;f)试验测量值:
g)试验结果(包括性能曲线):h)结论。
检验规则
基本要求
每台产品均应检查试验合格后,并附有产品合格证、使用说明书和装箱单以及随机附件才可出厂。6.2出厂检验
6.2.1检验项目
a)外观检查:
b)装配质量检验:
c)运转试验。
d)额定压力下的流量;
e)安全检查;
f)a)、b)、c)、e)金数检验,d)抽检。6.2.2判定规则
抽样检验和判断处置规则应符合GB/T2828.1的规定。可采用正常检验-次抽样方案,检验批为产10
小提示:此标准内容仅展示完整标准里的部分截取内容,若需要完整标准请到上方自行免费下载完整标准文档。
标准图片预览:





- 其它标准
- 上一篇: QB/T 1698—2006 纸浆泵试验方法
- 下一篇: QB/T 1702.2-1993 括板升运机
- 热门标准
- QB轻工标准
- QB/T5247-2018 箱包配件塑料插扣耐 用性能试验方法
- QB/T2518—2001 地毯用毛纱
- QB/T2856-2007 毛革服装
- QB/T3520-1999 500kV油纸套管绝缘纸
- QB/T2711-2005 皮革 物理和机械试验 撕裂力的测定:双边撕裂
- QB/T1584-2005 日用皮手套
- QB/T1873-2004 鞋面用皮革
- QB/T2192—1996 卷缠绝缘纸
- QB/T1286-1991 羊剪绒毛皮
- QB/T4292-2012 多用组合文具
- QB/T3712-1999 家用缝纫机卷边压脚
- QB/T2025-1994 平版印铁油墨
- QB/T1939-1994 电风扇用机械式定时器
- QB/T3607-1999 油浸鲅鱼罐头
- QB/T2425-1998 封箱用再湿性牛皮纸胶粘带
- 行业新闻
网站备案号:湘ICP备2025141790号-2