- 您的位置:
- 标准下载网 >>
- 标准分类 >>
- 轻工行业标准(QB) >>
- QB/T 5190一2017 麻编鞋
标准号:
QB/T 5190一2017
标准名称:
麻编鞋
标准类别:
轻工行业标准(QB)
标准状态:
现行出版语种:
简体中文下载格式:
.zip .pdf下载大小:
2.03 MB
点击下载
标准简介:
QB/T 5190一2017.Linen shoes.
1范围
QB/T 5190规定了麻编鞋的术语和定义、产品分类、要求、试验方法、检验规则、包装储运图示标志、包装、运输和贮存。
QB/T 5190适用于麻编鞋。
2规范性引用文件
下列文件对于本文件的应用是必不可少的。凡是注日期的引用文件,仅注日期的版本适用于本文件。凡是不注日期的引用文件,其最新版本(包括所有的修改单)适用于本文件。
GB/T 2703鞋类术语
GB/T 3293中国鞋植系列GB/T 3293.1鞋号
GB/T 3903.1鞋类通用试验方法耐折性能GB/T 3903.2鞋类通用试验方法耐磨性能GB/T 3903.3鞋类整鞋试验方法剥离强度GB/T 3903.5鞋类通用试验方法感官质量GB/T 20991—2007个体防护装备鞋的测试方法GB/T 22756—2008皮凉鞋
GB 30585 儿童鞋安全技术规范
QB/T 1187鞋类检验规则及标志、包装、运输、贮存QB/T 2673鞋类产品标识
QB/T 2882—2007鞋类帮面、衬里和内垫试验方法摩擦色牢度QB/T 4329--2012布鞋
3术语和定义
GB/T 2703界定的及下列术语和定义适用于本文件。
3.1麻编鞋linen shoes
以各种材料为帮面,麻编加橡胶压制成大底或用麻编包跟、包边制成的鞋。
3.2儿童麻编鞋children's linen shoes
鞋号不大于250,供3周岁至14周岁儿童穿用的麻编鞋。
3.3婴幼儿麻编鞋infants'linen shoes
鞋号不大于170,供3周岁及以下婴幼儿穿用的麻编鞋。
3.4主要部位primary site
一般情况下为帮面外侧、前部。
部分标准内容:
分类号:Y78
备案号:60663-2017
中华人民共和国轻工行业标准
QB/T5190-2017
麻编鞋
Linen shoes
2017-11-07发布
中华人民共和国工业和信息化部2018-04-01实施
本标准按照GB/T1.1一2009给出的规则起草。本标准由中国轻工业联合会提出。本标准由全国制鞋标准化技术委员会(SAC/TC305)归口。QB/T5190-2017
本标准主要起草单位:杭州杉友鞋业有限公司、北京市轻工产品质量监督检验一站、中国皮革和制鞋工业研究院、杭州市福特宝鞋业有限公司、杭州市吉达来鞋业有限公司、杭州萧山高达鞋业有限公司、杭州萧山杰威鞋业有限公司、杭州布克鞋业有限公司、杭州市通运鞋业有限公司、杭州恒胜鞋业有限公司、杭州兆力鞋业有限公司。
本标准主要起草人:王昕瑶、张荣华、于淑贤、汪岗林、俞国江、汪关华、姚李昌、俞宇杰、俞红波、曹忠海、朱如定、俞桂贤。本标准为首次发布。
1范围
麻编鞋
QB/T5190-2017
本标准规定了麻编鞋的术语和定义、产品分类、要求、试验方法、检验规则、包装储运图示标志、包装、运输和贮存。
本标准适用于麻编鞋。
规范性引用文件
下列文件对于本文件的应用是必不可少的。凡是注日期的引用文件,仅注日期的版本适用于本文件。凡是不注日期的引用文件,其最新版本(包括所有的修改单)适用于本文件。GB/T2703
GB/T3293
鞋类术语
中国鞋檀系列
GB/T3293.1
GB/T3903.1
GB/T3903.2
GB/T3903.3
GB/T3903.5
GB/T209912007
GB/T22756—2008
GB30585
QB/T1187
通用试验方法
耐折性能
通用试验方法
整鞋试验方法
通用试验方法
个体防护装备
皮凉鞋
儿童鞋安全技术规范
耐磨性能
剥离强度
感官质量
鞋的测试方法
鞋类检验规则及标志、包装、运输、贮存QB/T2673
鞋类产品标识
QB/T2882-2007鞋类帮面、衬里和内垫试验方法摩擦色牢度QB/T4329—2012
3术语和定义
GB/T2703界定的及下列术语和定义适用于本文件。3.1
麻编鞋linenshoes
以各种材料为帮面,麻编加橡胶压制成大底或用麻编包跟、包边制成的鞋。3.2
children'slinen shoes
儿童麻编鞋
鞋号不大于250,供3周岁至14周岁儿童穿用的麻编鞋。3.3
婴幼儿麻编鞋infants'linen shoes鞋号不大于170,供3周岁及以下婴幼儿穿用的麻编鞋。3.4
主要部位primarysite
一般情况下为帮面外侧、前部。QB/T5190—2017
次要部位secondarysite
一般情况下为帮面内侧、后部。4产品分类
4.1按使用对象分为成人麻编鞋、儿童麻编鞋、婴幼儿麻编鞋。4.2成人麻编鞋按成鞋结构又分为低帮麻编鞋、其他类型麻编鞋。5要求
5.1通用要求
5.1.1鞋号
鞋号应符合GB/T3293.1的要求。5.1.2鞋檀
鞋植尺寸应符合GB/T3293的要求,注:企业合理应用GB/T3293,若不符合则不明示符合该标准。一般情况下,质检机构不承担识别该标准符合性的责任。
5.1.3标识
产品标识应符合QB/T2673的要求。5.1.4影响穿用的缺陷
整鞋不应出现影响穿用的缺陷。5.2感官质量
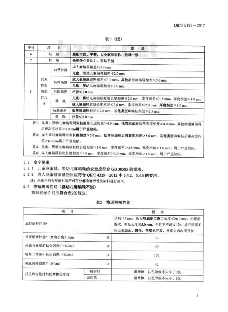
感官质量应符合表1的规定,其中序号1~3和严重缺陷项为主要项目,其他为次要项目。表1感官质量
整体外观
帮面、衬里应无明显变色(擦色革变色革等多色特殊鞋面革除外)帮面、衬里应清洁,无水渍、污渍、胶渍前帮、后跟应端正:前后帮应平服:帮脚四周应平挺、不起壳、不起皱内垫、中底应牢固平服
粘合部位不应欠胶、脱胶、露胶同双鞋对应部位的色泽、厚度、花纹应基本一致帮面不应明显脱色,织物帮面无明显藏点,皮革、人造革和合成革帮面无裂浆、裂面(裂纹革等特殊帮面材料除外)可有不明显的轻微缺陷,不应有露帮脚、白霜,不应有伤残。次要部位可有轻微松面串珠、绣花等用线不应褪色
同双鞋毛、绒不应倒顺:沿条、沿口应平服、无折皱同双鞋对应部位应宽窄一致、花纹基本一致;无明显色差、疵点、污点,表面应平服:接口只可在鞋内侧,并应平整
针码均匀、针迹平服、顺直。主要部位缝线不应有重针、跳线、翻线、断线、开线及缝线越轨等,次要部位跳线、重针可有1处,每只鞋不应超过两处轧口针迹均匀。线路顺、直,缝线松紧适宜,沿条与帮面结合良好,宽狭一致,缝接牢固,沿条接头不在前帮部位免费标准下载网bzxz
前帮长度
后帮高度
后跟高度
后缝歪斜
表1(续)
装配牢固、平整,大小高低对称,色泽一致托底垫心要均匀,服贴平挺
成人麻编鞋相差≤3.0mm
儿童、婴幼儿麻编鞋相差≤2.0mm求
成人低帮麻编鞋相差≤3.0mm,其他类型麻编鞋相差≤5.0mm儿童,婴幼儿麻编鞋相差≤2.0mm相差≤2.0mm
QB/T5190-2017
儿童、婴幼儿麻编鞋鞋底长度相差≤2.0mm,宽度相差≤1.5mm,厚度相差≤1.0mm成人麻编鞋鞋底长度相差≤3.0mm,宽度相差≤2.0mm,厚度相差≤1.0mm低帮廉编鞋相差≤2.0mm,其他类型麻编鞋相差≤2.5mm相差≤2.0mm
注1:儿童、婴幼儿麻编鞋同双鞋前帮长度相差>4.0mm,低帮麻编鞋后帮高度相差>4.0mm,其他类型麻编鞋后帮高度相差>5.0mm属于严重缺陷。注2:成人同双麻编鞋前帮长度相差>5.0mm,低帮麻编鞋后帮高度相差>5.0mm,其他类型麻编鞋后帮高度相差>6.0mm属于严重缺陷。
注3:儿童、婴幼儿麻编鞋鞋底长度相差>3.0mm,宽度相差>2.5mm,厚度相差>1.0mm,属于严重缺陷。注4:成人麻编鞋鞋底长度相差>4.0mm,宽度相差3.0mm,厚度相差>1.0mm,属于严重缺陷。5.3安全要求
5.3.1儿童麻编鞋、婴幼儿麻编鞋的安全应符合GB30585的要求。5.3.2成人麻编鞋限量物质应符合QB/T4329-2012中5.4.2、5.4.3的要求。注:未染色的天然麻材质不对可分解有害芳香胺染料进行要求。物理机械性能(婴幼儿麻编鞋不测)5.4
物理机械性能应符合表2的规定。物理机械性能
成鞋耐折性能
外底耐磨性能(磨痕长度)/mm
外底与麻底的粘合强度/(N/cm)鞋帮(帮带)拉出强度/(N/cm)帮底剥离强度(N/cm)
衬里和内垫材料的摩擦色牢度
一般材料
绒面革
预割口5mm,折后鞋底割口裂口长度≤20.0mm。出现新裂纹,单处长度≤5.0mm,并且不应超过3处,折后帮面不应出现裂面、破损,帮底无开胶,外底与麻底无开胶12
湿摩擦,沾色等级不应小于3级
湿摩擦,沾色等级不应小于2级
QB/T5190—2017
表2(续)
鞋底屈挠部位厚度大于25mm的麻编鞋不考核耐折性能(鞋底屈挠部位厚度包括内垫的厚度,不包括高于内垫的底墙部分厚度);整鞋刚度按GB/T20991-2007中8.4.1的规定测试后弯折角度小于45°不考核耐折性能。b不应出现外底磨穿或欠硫现象。。缝绡麻编鞋免测鞋帮(帮带)拉出强度。d鞋底前端测试部位厚度超过25mm免测剥离强度:缝绡麻编鞋免测剥离强度。6试验方法
6.1感官质量
感官质量按GB/T3903.5规定的方法进行试验。6.2安全要求
6.2.1儿童麻编鞋、婴幼儿麻编鞋安全按GB30585方法进行试验。6.2.2成人麻编鞋限量物质按QB/T4329一2012中6.8、6.9、6.10、6.11的方法进行试验。6.3物理机械性能
6.3.1成鞋耐折性能
按GB/T3903.1规定的方法进行试验,连续屈挠40000次。6.3.2外底耐磨性能
按GB/T3903.2规定的方法进行试验。6.3.3外底与麻底的粘合强度
6.3.3.1试验设备:拉力试验机,准确度为2级,量程0N~500N。6.3.3.2环境温度:(23土2)℃。6.3.3.3试验步骤:在成鞋底面沿鞋底边缘截取宽度为1.0cm,长度不小于10cm(截取试样时不应将麻纤维破坏)的试样。使用游标卡尺在等距离5个点的位置测量试样宽度,计算平均值A,精确到0.1cm。用加热刀插入粘合层,将麻底与外底层间剥离,剥开长度为2.0cm,将试样剥离的两端分别夹持到平面夹具钳中。启动拉力试验机,夹钳移动速度为(100土20)mm/min,剥离长度为5.0cm,读取波峰波谷的平均力值F。试验过程中,若出现外底材料断裂,记录在试验报告中。6.3.3.4试验结果按公式(1)进行计算:R=
式中:
R——粘合强度,单位为牛顿每厘米(N/cm):F—波峰波谷的平均力值,单位为牛顿(N);A试样平均宽度,单位为厘米(cm)。6.3.3.5试验结果精确到整数。
6.3.4帮底剥离强度
按GB/T3903.3规定的方法进行试验,刀口宽度10mm。试验部位为前尖或后跟部位,当前尖、后跟部位无法进行剥离时,改测鞋侧面,如都无法检测时,不做此项目,不对该性能进行判定。6.3.5鞋帮(帮带)拉出强度
鞋底不能切割的以及有麻底的样品,仅将帮带切割出10mm宽的试条,切割试条时不应破坏麻纤维,按GB/T22756一2008中5.8进行测试。每只鞋以两条试样帮带拉出强度的低值为试验结果,精确到整数,每只试验结果分别表示。
6.3.6衬里和内垫材料的摩擦色牢度6.3.6.1按QB/T2882一2007中的方法A进行试验,湿擦10次。QB/T5190-2017
6.3.6.2若从鞋上无法取样,应从仓库取与衬里和内垫相同材料作为试样。如果没有衬里,帮面与脚的接触面作为衬里材料进行试验。7判定
7.1感官质量主要项目符合要求且次要项目不超过两项不符合要求,物理机械性能、安全要求全部符合本标准要求,则判该产品为合格。7.2感官质量中有1项及以上主要项目不符合要求或超过两项次要项目不符合要求或物理机械性能或安全要求中有1项及以上不符合本标准要求,判该产品为不合格8检验规则、包装储运图示标志、包装、运输、贮存应符合QB/T1187的要求。
小提示:此标准内容仅展示完整标准里的部分截取内容,若需要完整标准请到上方自行免费下载完整标准文档。
标准图片预览:





- 其它标准
- 热门标准
- QB轻工标准
- QB/T5247-2018 箱包配件塑料插扣耐 用性能试验方法
- QB/T2856-2007 毛革服装
- QB/T2425-1998 封箱用再湿性牛皮纸胶粘带
- QB/T3520-1999 500kV油纸套管绝缘纸
- QB2584-2003 蒸汽淋浴房
- QB/T2591-2003 抗菌塑料-抗菌性能试验方法和抗菌效果
- QB/T1439-2005 帐册
- QB/T1584-2005 日用皮手套
- QB/T1756-1993 造纸机械湍流式中浓度浆泵
- QB/T1782-1993 苯乙醇
- QB/T1664-1998 纸板戳穿强度测定仪
- QB/T1702.2-1993 括板升运机
- QB/T2501-2000 重力式自动装料衡器
- QB/T2161-1995 儿童推车整车通用技术条件
- QB/T3510-1999 Y311条粗条干仪用记录纸
- 行业新闻
网站备案号:湘ICP备2025141790号-2