- 您的位置:
- 标准下载网 >>
- 标准分类 >>
- 汽车行业标准(QC) >>
- QC/T 337-1999 焊接叉
标准号:
QC/T 337-1999
标准名称:
焊接叉
标准类别:
汽车行业标准(QC)
标准状态:
现行出版语种:
简体中文下载格式:
.zip .pdf下载大小:
618.92 KB
点击下载
标准简介:
QC/T 337-1999.Weldable connecting fork.
1主题内容和适用范围
QC/T 337规定了焊接叉的型式、尺寸及技术条件。
QC/T 337适用于汽车上使用的焊接叉。
2引用标准
GB979碳素钢铸件一.分类及技术条件
JZ68铸件模样拔模斜度和重量偏差
JB 2864汽车用 电镀层和化学处理层
GB90 紧固件验收检查、标志与包装
3型式、尺寸
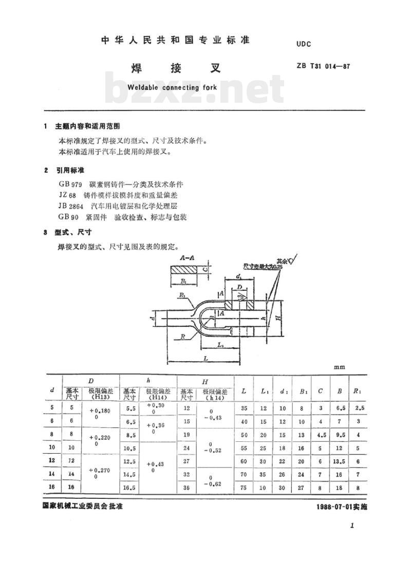
焊接叉的型式、尺寸见图及表的规定。
4标记
直径d为8 mm焊接叉的标记示例:
焊接叉ZBT 31014-87 8
5技术要求
5.1材料: ZG 35、ZG 45按GB 979的规定。
5.2拔模斜度: 精铸工艺的拔模斜度最大为3。,按JZ 68的规定。
5.3表面处理: 镀锌钝化DZn 13,按JB 2864的规定。
5.4表面不得有气孔、 粘砂、裂纹等缺陷。
6验收检查、 标志与包装
6.1尺寸D、h、H的合格质量水平AQL=1.5。
6.2其余项目的合格质量水平 AQL=4.0。
6.3其余按GB 90的规定。
附加说明:
本标准由中国汽车技术研究中心提出,武汉汽车标准件研究所归口。
本标准由中国汽车技术研究中心标准化研究所负责起草。
本标准实施之日起原部标准JB 3606- -84《 焊接叉》作废。
部分标准内容:
ZB-T31-014-87
CC/T 337-1999
焊接叉
Weldableconnectingfork
1987-12-31发布
国家机械工业委员会发布
1988-07-01实施
中华人民共和国专业标准
Weldable connecting fork
主题内容和适用范围
本标准规定了焊接叉的型式、尺寸及技术条件。本标准适用于汽车上使用的焊接叉。引用标准
GB979碳素钢铸件一分类及技术条件JZ68铸件模样拔模斜度和重量偏差JB2864汽车用电镀层和化学处理层GB90紧固件验收检查、标志与包装8型式、尺寸
焊接叉的型式、尺寸见图及表的规定。A-A
极限偏差
国家机械工业委员会批准
极限偏差
(H14)
极限偏差
尺寸套量大为025
ZBT31014—87
1988-07-01实施
4标记
直径d为8mm焊接叉的标记示例:焊接叉ZBT31014—87
技术要求bzxz.net
3T31014-87
1材料:ZG35、ZG45按GB979的规定。5.1
5.2拔模斜度:精铸工艺的拔模斜度最大为3,按JZ68的规定。5.3表面处理:镀锌钝化DZn13,按JB2864的规定。5.4表面不得有气孔、粘砂、裂纹等缺陷。6验收检查、标志与包装
6.1尺寸D、h、H的合格质量水平AQL=1.5。6.2其余项目的合格质量水平AQL=4.0。6.3其余按GB90的规定。
附加说明:
本标准由中国汽车技术研究中心提出,武汉汽车标准件研究所归口。本标准由中国汽车技术研究中心标准化研究所负责起草。本标准实施之日起原部标准JB3606—84《焊接叉》作废。2
HiiKAoNiKAca
中华人民共和国
专业标准
焊接:
ZBT31014—87
国家机械工业委员会标准化研究所出版《北京清华东路》
机械工业标准印刷厂印刷
(湖南安江)
机械工业标准发行站发行
(湖南洪江市)
开本880×12301/16印张3/8字数4,0001988年10月第一版1988年10月第一次印刷印数2,500
定价0,50元
小提示:此标准内容仅展示完整标准里的部分截取内容,若需要完整标准请到上方自行免费下载完整标准文档。
标准图片预览:





- 热门标准
- QC汽车标准
- QC/T29106-2014 汽车电线束技术条件
- QC/T201-1995 汽车气制动用热塑管接头尺寸
- QC/T691-2002 车用天然气单燃料发动机技术条件
- QC/T670-2000 汽车合成制动液
- QC/T261-1998 客车安全门技术要求
- QC/T232-2009 摩托车和轻便摩托车制动手柄强度要求及试验方法
- QC/T417.2-2001 车用电线束插接器 第2部分 试验方法和一般性能要求(摩托车部分)
- QC/T641-2000 客车门窗用塑料密封条
- QC/T311-2018 汽车液压制动主缸性能要求及台架试验方法
- QC/T383-2013 六角头锥形磁性螺塞
- QC/T587-1999 罐式汽车产品质量检验评定方法
- QC/T813-2009 二甲醚汽车专用装置技术要求
- QC/T801-2008 摩托车和轻便摩托车簧片阀式二次空气补给机构技术要求和试验方法
- QC/T346-1999 塑料堵塞
- QC/T1045-2016 汽车管路保护用热收缩管
- 行业新闻
网站备案号:湘ICP备2025141790号-2