- 您的位置:
- 标准下载网 >>
- 标准分类 >>
- 轻工行业标准(QB) >>
- QB/T 2440. 2-1999 夹扭钳扁嘴钳
标准号:
QB/T 2440. 2-1999
标准名称:
夹扭钳扁嘴钳
标准类别:
轻工行业标准(QB)
标准状态:
现行出版语种:
简体中文下载格式:
.zip .pdf下载大小:
287.49 KB
点击下载
标准简介:
QB/T 2440. 2-1999.
QB/T 2440. 2参照采用国际标准ISO5745:1988{夹扭钳和剪切钳---夹扭钳尺寸和试验数值》。
1范围
QB/T 2440. 2规定了扁嘴钳的产晶分类、技术要求、试验方法。
QB/T 2440. 2适用于扁嘴钳。当产品有特殊要求时,可不受本标准限制。
2引用标准
下列标准所包含的条文,通过在本标准中引用而构成为本标准的条文。本标准出版时,所示版本均为有效。所有标准都会被修订,使用本标准的各方应探讨使用下列标准最新版本的可能性。(GB/T 6290- 1999夹 扭钳和剪切钳通用技术条件
GB/T 6291-1999夹扭钳和剪切钳试验方法
3产品分类
3.1 型式
府嘴钳的型式如图1所示。.
3.3标记示例
产品的标记应由产品名称.规格和标准号组成。
140mm的扁嘴钳标记示例:
扁嘴钳140mm QB/T 2440. 2--1999.
4技术要求
4.1 抗弯强度
扁嘴钳的抗夸强度必须符合表2的规定。
4.3嘴顶缝隙
扇嘴钳自嘴顶起在不大于3mm的区域内,其嗜顶缝隙最大值应不超过0.08mm.
4.4其他技术要求.
扁嘴钳的其他技术要求按GB/T 6290的规定。
5试验方法
尖嚅钳的试验方法按GB/T 6291的规定。
部分标准内容:
本标准是根据国家质量技术监督局对国家标准进行清理整顿的要求,由原国家标准GB6293.2扁嘴钳》改为行业标准的(该标准曾由国轻行[1999112号文发布转化标准号为1986《夹扭钳
QB/T3851.2-1999,内容同前)。本标准是在原国家标准GB6293.2--1986的基础上,参照采用国际标准ISO5745:1988《夹扭钳和剪切钳一-一-夹扭钳尺寸和试验数值》制定的,取消了原国家标准对钳柄抗弯强度的“甲”、“乙”分级。本标准自实施之日起,同时代替GB6293.2—1986。本标准由国家轻工业局行业管理司提出。本标准由全国工具五金标准化中心归口。本标准负责起草单位:上海市工具工业研究所;参加起草单位:北京电讯工具厂、江苏省金鹿集团公司、张家港钟新五金工具有限公司等。本标准主要起草人:林美德、王如洁、邵学海、黄永祥。698
中华人民共和国轻工行业标准
夹扭钳
扁嘴钳
QB/T2440.2
代替QB/T3851.2—1999
本标准参照采用国际标准ISO5745:1988夹扭钳和剪切钳夹扭钳尺寸和试验数值》。1范围
本标准规定了扁嘴钳的产品分类、技术要求、试验方法。本标准适用于扁嘴钳。当产品有特殊要求时,可不受本标准限制。引用标准
下列标准所包含的条文,通过在本标准中引用而构成为本标准的条文。本标准出版时,所示版本均为有效。所有标准都会被修订,使用本标准的各方应探讨使用下列标准最新版本的可能性。GB/T6290—1999夹扭钳和剪切钳通用技术条件GB/T6291-1999夹扭钳和剪切钳试验方法3产品分类
3.1型式
病嘴钳的型式如图1所示。
图1扇嘴钳的型式
3.2基本尺寸
偏嘴钳的基本尺寸按表1规定。
国家轻工业局1999-05-06批准
1999-12-01实施
125±6
140±7
160±8
125±6
140±7
160±8
180±9
200±9
1Wm小于1.5mm的为幕扇嘴钳,
QB/T2440.2-1999
表1基本尺寸
2用户对尺寸另有要求时,可协议决定。3.3标记示例
产品的标记应由产品名称、规格和标准号组成。140mm的扁嘴钳标记示例:
扇嘴钳140mmQB/T2440.2--1999。4技术要求
4.1抗弯强度
扁嘴钳的抗弯强度必须符合表2的规定。16
表2抗弯强度
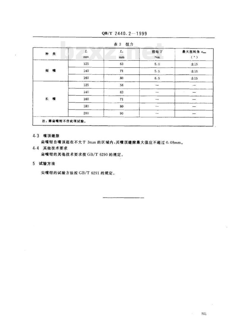
4.2扭力
扁嘴钳的扭力必须符合表3的规定。700
载荷F
永久变形量S...
注:薄扇嘴钳不作此项试验。www.bzxz.net
4.3嘴顶继隙
QB/T2440.2-1999
表3扭力
扭矩T
最大扭转角C
扇嘴钳自嘴顶起在不大于3mm的区域内,其嘴项缝隙最大值应不超过0.08mm。4.4其他技术要求
扇嘴钳的其他技术要求按GB/T6290的规定5试验方法
尖嘴钳的试验方法按GB/T6291的规定。701
小提示:此标准内容仅展示完整标准里的部分截取内容,若需要完整标准请到上方自行免费下载完整标准文档。
标准图片预览:





- 其它标准
- 热门标准
- QB轻工标准
- QB/T5247-2018 箱包配件塑料插扣耐 用性能试验方法
- QB/T2518—2001 地毯用毛纱
- QB/T2856-2007 毛革服装
- QB/T3712-1999 家用缝纫机卷边压脚
- QB/T3520-1999 500kV油纸套管绝缘纸
- QB/T2425-1998 封箱用再湿性牛皮纸胶粘带
- QB/T1873-2004 鞋面用皮革
- QB/T1788-2014 洋茉莉醛(胡椒醛)
- QB/T1335.1-2012 油画颜料
- QB/T3607-1999 油浸鲅鱼罐头
- QB/T2161-1995 儿童推车整车通用技术条件
- QB/T2130-1995 日用陶瓷彩烤辊道窑热平衡、热效率测定与计算方法
- QB/T2222-1996 合成鞣剂测试方法
- QB/T2333-1997 防晒化妆品中紫外线吸收剂定量测定高效液相色谱法
- QB/T2664-2004 搪瓷浴缸
- 行业新闻
网站备案号:湘ICP备2025141790号-2