- 您的位置:
- 标准下载网 >>
- 标准分类 >>
- 轻工行业标准(QB) >>
- QB/T 2173-1995 螺旋拉链
标准号:
QB/T 2173-1995
标准名称:
螺旋拉链
标准类别:
轻工行业标准(QB)
标准状态:
现行出版语种:
简体中文下载格式:
.zip .pdf下载大小:
1.21 MB
点击下载
标准简介:
QB/T 2173-1995.
4.2.2 拉链带和链牙在同一批号中色差不得低于GB/T 250中的三级要求。同-条拉链的拉链带色差不得低于GB/T 250中规定的四级。
4.2.3拉链表面要求色洋鲜艳,手感柔软,光滑.平.挺,吻合良 好。
4.2.4开尾拉链应插拔、启动灵活,自锁可靠.
4.2.5 拉链拉开或拉合时无卡住上止,下止的现象。
4.2.6码装拉链每 91. 44m内的接头不得超过四个。
4.2.7拉链的零件不得有 缺损.链牙完好。
4.2.8电 镀的拉头应镀层光亮,不起皮,无严重划痕。
4.2.9 涂辣、涂塑拉头表面色泽鲜艳,徐层均匀牢固,无气泡等疵病。
4.2.10条装拉链的长度尺寸应符合 3.3条规定,码装拉链的长度为(91.44士0.5)m.
4.2.11 拉攀应翻动灵活,商标清晰。
5试验方法
5.1 拉链平拉强力测试方法
5.1.1 测试设备及夹具
5.1.1.1 测试设备:由上下夹具、传动构件、例力.显示系统组成。
5.1.1.2测 试范围:2000N.
5.1.1.3测试设 备:(300土10)mm/min.
5.1.1.4 测试设备精度:士0.5%FS(满量程)。
5.1.1.5夹具主要尺 寸:寬25mm,夹紧面齿形夹角60*,节距1. 5mm,顶寬0.2mm.两片啮合夹紧口到内齿3mm处加工成低于齿面0.5mm的平面,夹紧螺栓为M8外六角蜾栓。
5.1.2测试方法 及步骤
取长度大于100mm的拉链-一-段,装夹在上述夹具中。装夹时应将链牙脚和夹具的夹口部位对齐靠紧(见图2)。启动测试仪,测试至脱牙或纱带破损为止,此时记录的数值即为平拉强力值。
5.2拉链折 拉强力测试方法
5.2.1测试设备及夹具
5.2.1.1测试设 备:同5.1.1.1条。
5.2.1.2测试速度:同 5.1.1.3条。
5.2.1.3夹具主要尺寸 :寬10mm,夹紧面齿形夹角60° ,节距1. 5mm,顶宽0. 2mm,两片啮合夹紧口到内齿3mm处加工成低于齿面1.5mm的平面,夹紧螺栓为M8外六角螺栓。
部分标准内容:
螺旋拉链
主髓内容与适用范围
QB/T2173—1995
本标准规定了螺旋拉链的产品分类、技术要求、试验方法、检验规则和标志、包装、运输、览存。本标准适用于螺旋拉链(以下简称“拉链”)。2引用标准
GB/T250评定变色用灰色样卡
GB/T2828逐批检套计数抽样程序及抽样表(适用于连续批的检查)GB/T2829周期检查计数抽样程序及抽样表(适用于生产过程稳定性的检查)3产品分类
3.1产品形式(见图1)
3.1.1产品按拉链带可分为化纤带和棉纱带。3.1.2产品按用途可分为码装和条装。3.1.2.1条装拉链可分为闭尾式和开尾式及单拉头和双拉头。3.2规格型号(见表1)
拉链带
,单头闭尾拉链
中国轻工总会1995-10-24批准
拉买体
b.双头闭尾拉链
1996-06-01实施
c.单头开尾拉链
3.3尺寸参数(见表2)
前带头
后带头
QB/T2173-1995
续图1
加强薄膜
d.双头开尾拉链
拉链长度
基本尺寸
181~300
301~600
601~900
301~600
601~900
301~60
601~900
注:开尾式拉链无后带头。特殊长度规格的拉可根据用户商定。技术要求
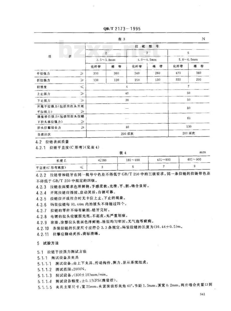
拉链的主要物理性能(见表3)
极限偏
平拉强力
折拉强力
轻滑度
上止强力
下正强力
开尾平拉强力(包括双拉头开尾平拉强力)
插座移位强力(包括双拉头拉链下拉头移位强力)
拉头拉攀结合力
负荷拉次
4.2拉链表面质量
QB/T2173-1995
拉链型号
3.5~3.8mm
化纤带
4.2.1拉链平直度(C形弯)(见表4)长度L
平直度(C形弯高度)
4.0~4.5mm
化纤带
200双欢
181~400
401~600
5.8~6.5mm
化纤带
200双欢
601~900
4.2.2拉链带和链牙在同一批号中色差不得低于GB/T250中的三级要求。同一条拉链的拉链带色差不得低于GB/T250中规定的四级。4.2.3拉链表面要求色泽鲜艳,手感柔软,光滑、平、挺,吻合良好。开尾拉链应插拔、启动灵活,自锁可靠。4.2.4
拉链拉开或拉合时无卡住上止、下止的现象。4.2.5
4.2.6码装拉链每91.44m内的接头不得超过四个。4.2.7拉链的零件不得有缺损,链牙完好。电镀的拉头应镀层光亮,不起皮,无严重划痕。4.2.8
4.2.9涂漆、涂塑拉头表面色泽鲜艳,涂层均匀牢固,无气泡等概病。条装拉链的长度尺寸应符合3.3条规定,码装拉链的长度为(91.44±0.5)m。4.2.70
拉攀应翻动灵活,商标清晰。
5试验方法
5.1拉链平拉强力测试方法
5.1.1测试设备及夹具
5.1.1.1测试设备:由上下夹具、传动构件、测力、显示系统组成。5.1.1.2测试范围:2000N。
3测试设备:(300士10)mm/min。5.1.1.3
5.1.1.4测试设备精度:士0.5%FS(满量程)。5夹具主要尺寸:宽25mm,夹紧面齿形夹角60°,节距1.5mm,项宽0.2rmm。两片啮合夹紧口到5.1.1.5
QB/T2173-—1995
内齿3mm处加工成低于齿面0.5mm的平面,夹紧螺栓为M8外六角螺栓。5.1.2测试方法及步骤
取长度大于100mm的拉链一段,装夹在上述夹具中。装夹时应将链牙脚和夹具的夹口部位对齐靠紧(见图2)。启动测试仪,测试至脱牙或纱带破损为止,此时记录的数值即为平拉强力值。5.2拉链折拉强力测试方法
5.2.1测试设备及夹具
5.2.1.1测试设备:同5.1.1.1条。5.2.1.2测试速度:同5.1.1.3条。5.2.1.3夹具主要尺寸:宽10mm,夹紧面齿形夹角60,节距1.5mm,顶宽0.2mm,两片啮合夹紧口到内齿3mm处加工成低于齿面1.5mm的平面,夹紧螺栓为M8外六角螺栓。上央具
下夹具
$XXXXXXXXXXXXXXXXXXXXX
5.2.2测试方法及步骤
取长度大于100mm的拉链一段并将其对折,(纵向)对齐(不得撤牙),装夹在上述夹具中,装夹时应将链牙脚和夹具的夹口部位对齐靠紧,折叠端面留0.5~1.0mm(见图3)。启动测试仪,测试至脱牙或纱带破损为止,此时记录的数值即为折拉强力值。F
上夹具
XXXXXXXXXXXXXXX
下夹具
0.5~1.0mm
5.3拉链轻滑度测试方法
5.3.1测试设备及夹具
QB/T2173-1995
5.3.1.1测试设备:由测试平台、移位夹具、螺杆传动系统和计数系统组成。5.3.1.2测试范围:不大于20N。5.3.1.3测试速度:1200~1300mm/min。5.3.1.4测试设备精度士0.5%FS。5.3.2测试方法及步骤
取长度为200mm左右的成品拉链一条,先在自由状态下手工往复拉动三次,并以拉开式置于工作台水平面上,将后带尾装夹在固定夹具中。装夹时将其下止与夹具口对齐,带筋在夹具间隙之中,同时将拉链沿测定方向用手推平,使之处于自然状态,然后将拉攀套在移位夹具上(见图4)。启动测试仪(测试仪表数值要复位),测至于定长度,此过程中记录的最大数值即为轻滑度值。移位夹具
5.4拉链上止强力测试方法
5.4.1测试设备及夹具
5.4.1.1测试设备:同5.1.1.1条。5.4.1.2测试速度:同5.1.1.3条。拉头体
5.4.1.3上夹具:采用5.1.1.5条中的夹具。下夹具:采用穿人形夹具。
固定夹具
5.4.2测试方法及步骤
取带拉链头和上止、长度大于50mm的拉链一段,将链牙一端装夹在夹具中。拉头向下,将拉攀固定在下夹具中(见图5)。启动测试仪,测试至拉链头全部脱离上止为止。此时记录的数值即为上止强力值。
上来具
下央具
5.5拉链下止强力测试方法
5.5.1测试设备及夹具
5.5.1.1测试设备:同5.1.1.1条。5.5.1.2测试速度:同5.1.1.3条。QB/T2173—1995
5.5.1.3夹具:采用5.2.1.3条中的夹具。5.5.2测试方法及步骤
取带下止、长度大于50mm的拉链一段,装夹在夹具中。装夹时夹具的端面必须与下止的内侧面(即靠紧链牙-一面)成一直线,夹具夹口靠紧下止(见图6)。启动测试仪,测试至下止脱出或纱带破损为止,此时记录的数值即为下止强力值。上夹真
5.6拉链开尾平拉强力测试方法
5.6.1测试设备及夹具
5.6.1.1测试设备:同5.1.1.1条。5.6.1.2测试速度:同5.1.1.3条。5.6.1.3测试夹具同5.1.1.5条。F
下夹具
5.6.2测试方法及步骤
取带开尾部件长度大于50mm的拉链一段。将其开尾处装夹在上述夹具中,装夹时夹具端面必须与插管的内侧面(即靠紧链牙一面)成一直线,夹具夹口靠紧插管和座管(见图7)。启动测试仪,测试至脱管或纱带破损为止,此时记录的数值即为开尾平拉强力值。25
上夹具
XXXXXX
下夹具
5.7拉链插座移位强力测试方法
5.7.1测试设备及夹具
5.7.1.1测试设备:同5.1.1.1条。5.7.1.2测试速度:同5.1.1.3条。QB/T2173--1995
5.7.1.3上夹具:采用5.1.1.5条中的夹具。下夹具:采用折弯式夹具。
5.7.2测试方法及步骤
取长度大于50mm单插座的拉链一段(拉链单片)。在链牙一端去掉若干个牙,使之有20mm左右的带坏,并将这段带坏装夹在上夹具中,将插管放人下夹具槽中(见图8)。启动测试仪,至插座脱落为止,此时记录的数值即为插座移位强力值。5.8拉链负荷耐磨拉次(200双次)的测试方法5.8.1测试设备及夹具
5.8.1.1测试设备:由一组夹具、曲柄连杆、传动系统和显示系统组成。5.8.1.2该仪器往复次数:30双次/min,行程75~120mm。上来具
下夹具
5.8.1.3测试范围:拉链规格在3.5~12mm以内。5.8.1.4夹具,采用弹性式夹具,横向宽25mm,纵向宽10mm,夹紧面齿形夹角60°,节距1.5mm,顶宽0.2mm.
5.8.2测试方法及步骤
5.8.2.1取长250mm以上的拉链成品一条,正反两面用石蜡各擦二次。5.8.2.2检查拉次仪:使其轴柄停留在上极限,将拉链装夹在五个固定点上,拉攀固定在曲柄上(见图9),步骤如下:
先将拉链尾部(下止方向)粗略固定在A固定点上(拉攀向内)。a.
将拉攀粗略地固定在曲柄固定点上。将带头(上止方向)固定在D、E上。松开A固定点,将拉链尾部向上拉起至固定销F中间,然后将A点夹紧(此时目测保持D、E点在网-水平线上)。
将横向夹块B、C松开,让拉链带按白然状态放入B、C夹块中夹紧。此时五个固定点固定完毕。e.
QB/T2173--1995
将拉次仪调至上极限松开传动曲柄上的固定螺钉:目测拉链是否保持直线,如不符合要求,需要重新调整,此时装夹全部完成。不同规格的拉链,分别在其横向和纵向加荷(见表5)。装夹方法和加荷位置如图9所示。g.
启动拉次仪,测试至200双次。
加荷方向
横向(F),N
纵向(F2),N
拉链规
5.8.3将测试合格的拉链,按5.1的方法做平拉强力实验。5.9拉攀拉头结合强力测试方法
5.9.1测试设备及夹具
5.9.1.1测试设备:同5.1.1.1条。5.9.1.2测试速度:同5.1.1.3条。5.9.1.3夹具,上夹具采用穿入式夹具,下夹具采用框式夹具。mm
5.9.2测试方法及步骤
取成品拉链头一件,装夹在上述夹具中(见图10)。启动测试仪,测试至拉攀与拉头分离为止,此时记录的数值即为拉攀拉头结合强力值。546
5.10拉链平直度测量方法
QB/T2173-1995
下来具
5.10.1量具500mm和150mm直尺各一把。5.10.2测量方法及步骤
5.10.2.1取拉链成品一条,平放在台板上(台板须平整)。使拉链处于自然状,然后用手指沿链牙边缘两侧来回移动一次。
5.10.2.2用直尺逐渐向弯曲处两端靠扰,然后用另一直尺量取链牙脚与直尺之间的最大距离(见图11)。此距离即为最大弯度值平直度(C形弯高度)。n
公分1
5.11拉链长度的测量方法
5.11.1量具:米尺一把。
5.11.2测量方法及步骤
:取拉链成品条,平放在台板上(台板须平整),使其处于自然状态。用米尺从拉链头顶点(拉链拉合后)量起,量至下止边缘,开尾拉链量至插座外边缘,这段距离即为拉链长度L,见图1。5.12拉链带色差测试方法
按GB/T250进行评定。
5.13涂漆(涂塑)拉头测试方法5.13.1用具:采用水浴锅或普通电炉及烧杯。547
QB/T2173-1995
5.13.2方法和步骤:取成品拉头5件悬挂在沸水中,保持20min,待取出吹干,视表面质量,5.14其他表面质量
5.14.1对4.2.3、4.2.7、4.2.8、4.2.9条均以感官检查为准。5.14.2对4.2.4、4.2.5、4.2.6、4.2.11条均以手感目测进行。6检验规则
6.1产品须经制造厂检验合格才能出厂。6.2产品检验分为出厂检验和型式检验,均采用每百单位产品不合格品数检验。6.3出厂检验按GB/T2828规定进行,采用正常检查一次抽样方案的规定。6.3.1条装拉链的出厂检验项目、不合格分类、合格质量水平和检查水平按表6规定。表6
不合格分类
轻滑度
缺零件
检查项目
开尾捕拨、启动灵活,自锁可靠平直度
长度尺寸
其他外观缺陷
技术要求
试验方法
检查水平
合格质量水平(AQL)
6.3.2码装拉链的出厂检验项目、不合格分类、合格质量水平和检查水平按表7规定。表7
合格分类
检查项目
长度尺寸
技术要求
试验方法
检查水平
合格质量水平(AQL)
6.3.3某批产品当被判为不合格时,生产方应将该批产品进行全数返工整理,剔除不合格品后才能重新提交检验。
6.4型式检验按GB/T2829规定进行,采取判别水平I的一次抽样方案。6.4.1型式检验每半年一次,在材料、工艺、设计、设备等发生变化及有其他影响产品质量因素时亦须检查。
6.4.2型式检验样本应从出厂检验合格批中抽验。条装拉链按表8规定,码装拉链按表9规定。548
检查项目
轻滑度
平拉强力
折拉强力
开尾平拉强力
上止强力
下止强力
缺零件
平直度
长度尺
其他外观缺陷
拉头拉攀结合力
插座移位强力
负荷拉次
(200双次)
检查项目
平拉强力
折拉强力
长度尺寸
标志、包装、运输、贮存
技术要求
.4.2.9
技术要求
7.1标志
7.1.1产品上应标有商标标志。
QB/T2173-1995
试验方法bzxZ.net
不合格质量水平(RQL)
试验方法
不合格质量水平(RQL)
判定数组
判别数组
样本大小
样本大小n
7.1.2内包装上应有厂名、产品名称、商标、规格、标准代号、数量及生产日期等标志,并附有产品合格证。
3外包装上应有厂名、产品名称、商标、规格、数量和体积等标志。7.1.3
7.2包装
7.2.1内包装采用纸圈,塑料袋。QB/T2173--1995
7.2.2外包装采用纸箱,纸箱内衬防潮纸。7.3运输
产品在运输中应防止受潮。
7.4贮存
产品应存放在通风、干燥、相对湿度小于80%的仓库中。离地面200mm以上。周圈应无腐蚀物质和腐蚀气体。产品在上述环境条件下贮存期为一年。附加说明:
本标准由中国轻工总会质量标准部提出。本标准由全国日用五金标准化中心归口。本标准由上海三星拉链厂负责起草。本标准主要起草人吴安行、李裕鑫。本标准参照采用DIN3418—1985、34191985。自本标准实施之日起,原轻工业部发布的专业标准ZBY73001-1985《螺旋拉链》废止。550
小提示:此标准内容仅展示完整标准里的部分截取内容,若需要完整标准请到上方自行免费下载完整标准文档。
标准图片预览:





- 其它标准
- 热门标准
- QB轻工标准
- QB/T5247-2018 箱包配件塑料插扣耐 用性能试验方法
- QB/T2518—2001 地毯用毛纱
- QB/T2856-2007 毛革服装
- QB/T3520-1999 500kV油纸套管绝缘纸
- QB/T2711-2005 皮革 物理和机械试验 撕裂力的测定:双边撕裂
- QB/T1584-2005 日用皮手套
- QB/T1873-2004 鞋面用皮革
- QB/T2192—1996 卷缠绝缘纸
- QB/T1286-1991 羊剪绒毛皮
- QB/T4292-2012 多用组合文具
- QB/T3812.5-1999 皮革 抗张强度和伸长率的测定
- QB/T3712-1999 家用缝纫机卷边压脚
- QB/T2025-1994 平版印铁油墨
- QB/T1939-1994 电风扇用机械式定时器
- QB/T3607-1999 油浸鲅鱼罐头
- 行业新闻
网站备案号:湘ICP备2025141790号-2