- 您的位置:
- 标准下载网 >>
- 标准分类 >>
- 公共安全行业标准(GA) >>
- GA 370-2001 端设备隔离部件安全技术要求
标准号:
GA 370-2001
标准名称:
端设备隔离部件安全技术要求
标准类别:
公共安全行业标准(GA)
标准状态:
现行出版语种:
简体中文下载格式:
.zip .pdf下载大小:
88.24 KB
点击下载
标准简介:
GA 370-2001.Security requirements for end-equipment isolate components.
1范围
GA 370规定了端设备隔离部件的分类、安全功能技术要求和安全保证要求。
GA 370适用于端设备隔离部件产品的研制、开发、测试、评估和产品的采购。
2术语定义
本标准采用下列定义
2.1物理隔离 physical isolation
公共网络和专网在网络物理连线上是完全隔离的,且没有任何公用的存储信息。
2.2逻辑隔离 logical isolation
公共网络和专网在物理上是有连线的,通过技术手段保证在逻辑上是隔离的。
2.3协议转 换protocol conversion
把公共协议转换为专用协议。
3端设备隔离部件分类
3.1 物理隔离部件
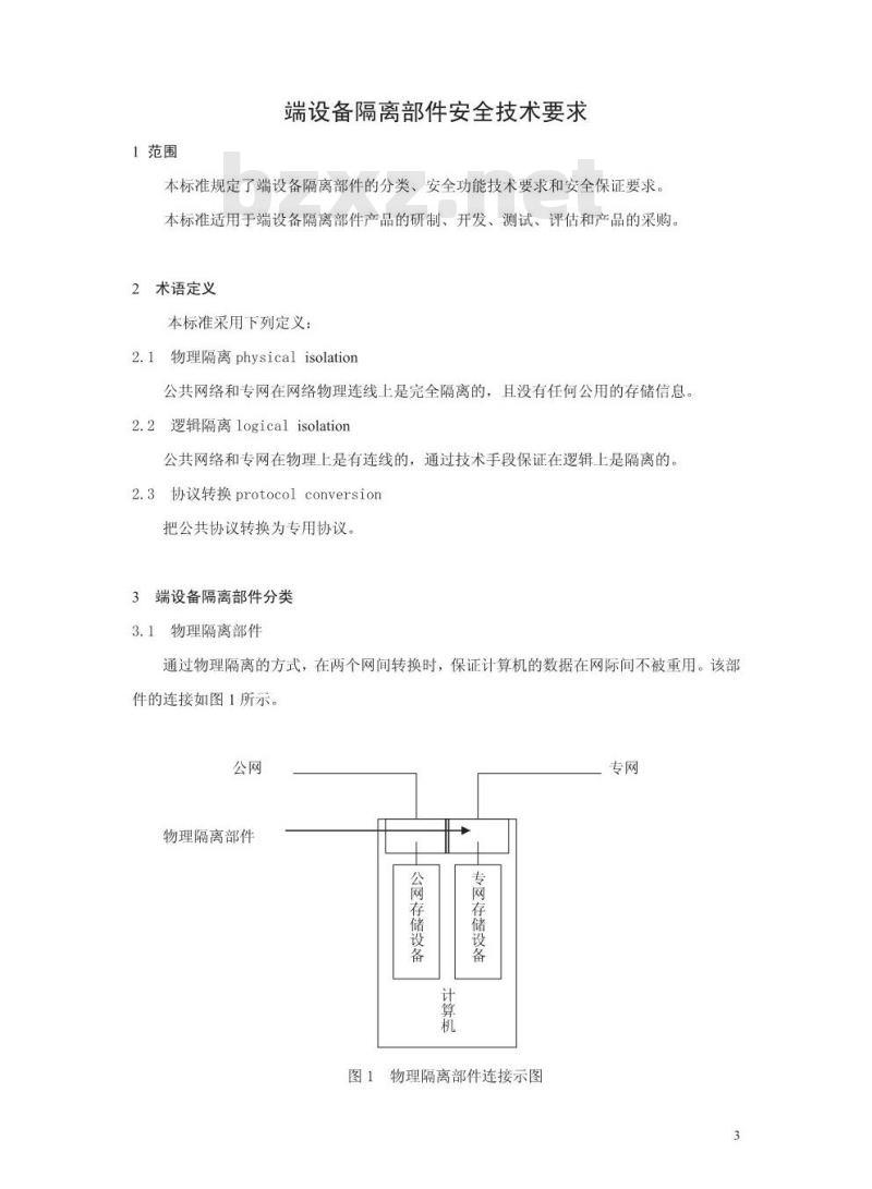
通过物理隔离的方式,在两个网间转换时,保证计算机的数据在网际间不被重用。该部件的连接如图1所示。
3.2逻辑隔离 部件
通过逻辑隔离的方式实现网络间隔离,该部件的连接如图2所示。
3.3 单向隔离部件
a)数据流无法从专网流向公网。
b)数据流能在指定存储区域从公网流向专网,对专网而言,能使用公网的某些指定的要导入的数据。该部件的连接如图3所示。
4端设备隔离部件安全功能的技术要求
4.1物理隔离部件的安全功能应保证被隔离的计算机资源不能被访问(至少应包括硬盘、软盘和光盘),计算机数据不能被重用( 至少应包括内存)。
4.2逻辑隔离部件的安全功能应保证被隔离的计算机资源不能被访问,只能进行隔离器内外的原始应用数据交换。
4.3单向隔离部件的安全功能应保证被隔离的计算机资源不能被访问(至少应包括硬盘/硬盘分区、软盘和光盘),计算机数据不能被重用(至少应包括内存)。
4.4逻辑隔离部件应保证其存在泄露网络资源的风险不得多于开发商的评估文档中所提及的内容。
4.5逻辑隔离部件的安全功能应保证在进行数据交换时数据的完整性。
4.6逻辑隔离部件的安全功能应保证隔离措施的可控性,隔离的安全策略应由用户进行控制,开发者必须提供可控方法。
5端设备隔离部件安全功能的保证要求
5.1最低限度支持
开发商应提供有关隔离安全策略的说明文档。
部分标准内容:
中华人民共和国公共安全行业标准GA370—2001
端设备隔离部件
安全技术要求
Security requirements for end-equipmentisolate components
2001-12-24发布
2002-5-1实施
中华人民共和国公安部发布
GA370--2001
本标准根据公安部公共信息网络安全监察局的要求,依据《计算机信息网络国际联网安全保护管理办法》和《计算机信息系统国际联网保密管理规定》的有关规定,提出了对端设备隔离部件的安全技术要求,
本标准的编写格式和方法按照GB/T1.1-2000《标准化工作导则第一部分:标准的结构和编写规则》的要求制定。
本标准由公安部公共信息网络安全监察局提出。本标准由公安部信息系统安全标准化技术委员会归口。本标准起草单位:公安部公共信息网络安全监察局、公安部计算机信息系统安全产品质量监督检验中心
本标准主要起草人:朱建平、陆臻、沈亮。本标准由公安部公共信息网络安全监察局负责解释。2
1范围
端设备隔离部件安全技术要求
本标准规定了端设备隔离部件的分类、安全功能技术要求和安全保证要求。本标准适用于端设备隔离部件产品的研制、开发、测试、评估和产品的采购。2术语定义
本标准采用下列定义:
2.1物理隔离physicalisolation公共网络和专网在网络物理连线上是完全隔离的,且没有任何公用的存储信息。2.2逻辑隔离logicalisolation
公共网络和专网在物理上是有连线的,通过技术手段保证在逻辑上是隔离的。2.3协议转换protocolconversion把公共协议转换为专用协议
3端设备隔离部件分类Www.bzxZ.net
3.1物理隔离部件
通过物理隔离的方式,在两个网间转换时,保证计算机的数据在网际间不被重用。该部件的连接如图1所示。
物理隔离部件
公网存储设备
专网存储设备
图1物理隔离部件连接示图
3.2逻辑隔离部件
通过逻辑隔离的方式实现网络间隔离,该部件的连接如图2所示。算
3.3单向隔离部件
a)数据流无法从专网流向公网。逻辑隔离部件
图2逻辑隔离部件示图
b)数据流能在指定存储区域从公网流向专网,对专网而言,能使用公网的某些指定的要导入的数据。该部件的连接如图3所示。公网
单向隔离部件
公网存储设备
交换存储设备
计算妞
网存储设备
图3单向隔离部件示图
4端设备隔离部件安全功能的技术要求专网
4.1物理隔离部件的安全功能应保证被隔离的计算机资源不能被访问(至少应包括硬盘、软盘和光盘),计算机数据不能被重用(至少应包括内存)。4.2逻辑隔离部件的安全功能应保证被隔离的计算机资源不能被访问,只能进行隔离器内外的原始应用数据交换。
4.3单向隔离部件的安全功能应保证被隔离的计算机资源不能被访问(至少应包括硬盘,硬盘分区、软盘和光盘),计算机数据不能被重用(至少应包括内存)。4.4逻辑隔离部件应保证其存在泄露网络资源的风险不得多于开发商的评估文档中所提及的内容。
4.5逻辑隔离部件的安全功能应保证在进行数据交换时数据的完整性,4.6逻辑隔离部件的安全功能应保证隔离措施的可控性,隔离的安全策略应由用户进行控制,开发者必须提供可控方法
5端设备隔离部件安全功能的保证要求5.1最低限度支持
开发商应提供有关隔离安全策略的说明文档。5.2开发过程保证
开发商应提供隔离部件产品的技术开发文档。3交付和操作保证
开发商应提供隔离部件产品的安装说明。4指南文件保证
开发商应提供隔离部件产品的使用指南。5.5
5测试保证
开发商应提供隔离部件产品的测试文档。5脆弱性分析保证
开发商应提供隔离部件产品的脆弱性分析文档。5
小提示:此标准内容仅展示完整标准里的部分截取内容,若需要完整标准请到上方自行免费下载完整标准文档。
标准图片预览:





- 热门标准
- GA公共安全标准
- GA470-2004 法庭科学DNA数据库现场生物样品和被采样人信息项及其数据结构
- GA563-2009 警服 春秋执勤服
- GA899-2010 大型焰火燃放作业单位资质条件及管理
- GA385-2002 火灾声和/或光警报器
- GA40-2004 交通事故案卷文书
- GA/T368-2001 入侵报警系统技术要求
- GA/T465.4-2004 治安管理信息系统基本业务功能规范 第4部分:工作对象管理基本业务功能
- GA125-1996 自动喷水灭火系统雨淋报警阀的性能要求和试验方法
- GA407.1-2003 进口机动车制造厂品牌名称代码 第1部分:制造厂各称代码
- GA44-1993 消防头盔
- GA300.1-2001 看守所在押人员信息管理代码 第1部分:看守所编码
- GA/T70-2004 安全防范工程费用预算编制办法
- GA/T521-2004 人身损害受伤人员误工损失日评定准则
- GA/T536.4-2005 易燃易爆危险品 火灾危险性分级及试验方法 第4部分:遇水放出易燃气体物质分级试验方法
- GA/T1523-2018 微粒悬浮液显现手印技术规范
- 行业新闻
网站备案号:湘ICP备2025141790号-2