- 您的位置:
- 标准下载网 >>
- 标准分类 >>
- 公共安全行业标准(GA) >>
- GA 128-1996 低压电器火灾模拟试验技术规程
标准号:
GA 128-1996
标准名称:
低压电器火灾模拟试验技术规程
标准类别:
公共安全行业标准(GA)
标准状态:
现行出版语种:
简体中文下载格式:
.zip .pdf下载大小:
298.11 KB
点击下载
标准简介:
GA 128-1996.Low voltage electrical fire simulated test rules of technicality.
1主题内容与适用范围
GA 128规定了工频50Hz交流380V及其以下、直流60V及其以下低压电气火灾模拟试验的分类、试验条件、试验设备、试验方法和试验结果的判定等。
GA 128适用于建筑物内常用的工业与民用低压交、直流电气设备或电气线路引起的火灾的模拟试验。本标准不适用于可燃物为气体、粉尘和轻质油类火灾的模拟试验。
2名词术语
2.1低压电气火灾 low voltage electrical fire
专指工频50Hz交流电压380V及其以下、直流电压60V及其以下电压级别的低压电气设备或电气线路,由自身故障或非自身故障的原因引起的火灾。
2.2低压电 气火灾模拟试验low voltage electrical fire simulated test
为低压电气火灾起火原因的最后判定提供科学依据,模拟火灾现场起火部位起火时的气候环境条件,模拟被怀疑的电气设备或电气线路及其自身故障或非自身故障的状况,模拟起火点附近可燃物状况进行的火因再现性试验。
23自身故障self-trouble
专指电气设备或电气线路自身发生的短路、过载、局部过热、火花放电、过电压故障。
2.4烟smoke
可燃物燃烧或热解产生的可见的固体和(或)液体在空气中的悬浮微粒。
2.5碳化char
可燃物热解或不完全燃烧时形成碳的残余物的过程和(或)现象。
2.6烧焦scorch
可燃物由于受热,表面发生有限的碳化。
2.7阴燃smouldring
材料无可见光的缓慢燃烧,常表现为烟和温度升高。
2.8试验样品sample
用以进行模拟试验的替代被怀疑引起火灾的电气设备或电线电缆的同类物品。简称试样。
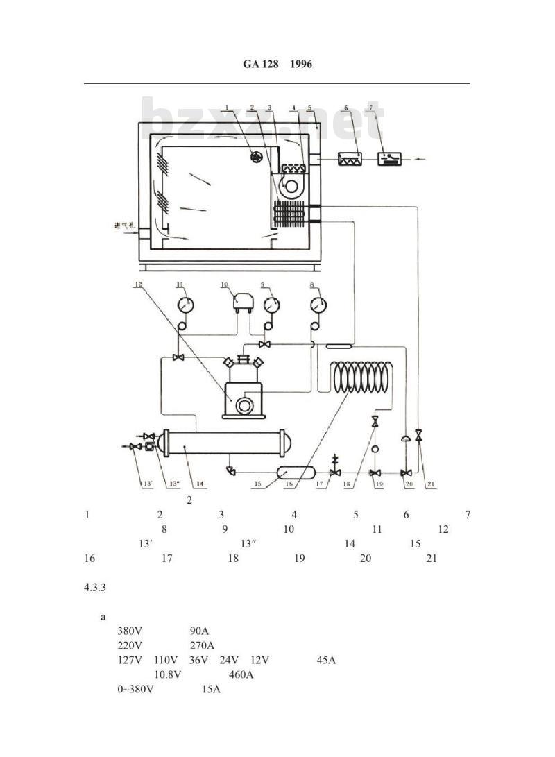
部分标准内容:
lowvoltageelectrical fire
low voltage electrical fire simulated testself-trouble
scorch
smouldring
sample
1996-01-17
1996-10-01
35%~95%
0.1~1.0m/s
36V24VwwW.bzxz.Net
财风抗器
爆装置
交,直流电源系施
安汽电源装置
监控系统
试验箱及空宵系统
试验新
加热加
湿风机
进电总
开美箱
进气孔
0~380V
24V:12V
0~500M
1200~4000
0~500A
0~1300
1~3min
50V48V
5.1.4.2~5.1.4.6
1~3min
5.1.4.1~5.1.4.8
1~3min
小提示:此标准内容仅展示完整标准里的部分截取内容,若需要完整标准请到上方自行免费下载完整标准文档。
标准图片预览:





- 其它标准
- 热门标准
- GA公共安全标准
- GA470-2004 法庭科学DNA数据库现场生物样品和被采样人信息项及其数据结构
- GA563-2009 警服 春秋执勤服
- GA899-2010 大型焰火燃放作业单位资质条件及管理
- GA385-2002 火灾声和/或光警报器
- GA40-2004 交通事故案卷文书
- GA/T368-2001 入侵报警系统技术要求
- GA/T465.4-2004 治安管理信息系统基本业务功能规范 第4部分:工作对象管理基本业务功能
- GA125-1996 自动喷水灭火系统雨淋报警阀的性能要求和试验方法
- GA407.1-2003 进口机动车制造厂品牌名称代码 第1部分:制造厂各称代码
- GA44-1993 消防头盔
- GA300.1-2001 看守所在押人员信息管理代码 第1部分:看守所编码
- GA/T70-2004 安全防范工程费用预算编制办法
- GA/T521-2004 人身损害受伤人员误工损失日评定准则
- GA/T536.4-2005 易燃易爆危险品 火灾危险性分级及试验方法 第4部分:遇水放出易燃气体物质分级试验方法
- GA/T1523-2018 微粒悬浮液显现手印技术规范
- 行业新闻
网站备案号:湘ICP备2025141790号-2