- 您的位置:
- 标准下载网 >>
- 标准分类 >>
- 公共安全行业标准(GA) >>
- GA/T 1093-2013 出入口控制人脸识别系统技术要求
标准号:
GA/T 1093-2013
标准名称:
出入口控制人脸识别系统技术要求
标准类别:
公共安全行业标准(GA)
标准状态:
现行出版语种:
简体中文下载格式:
.zip .pdf下载大小:
624.62 KB
点击下载
标准简介:
GA/T 1093-2013.Technical requirements for face recognition system for access control.
1范围
GA/T 1093规定了出人口控制人脸识别系统的技术要求和试验方法。
GA/T 1093适用于出人口控制应用中人脸识别系统的设计、开发和验收。
2规范性引用文件
下列文件对于本文件的应用是必不可少的。凡是注日期的引用文件,仅注日期的版本适用于本文件。凡是不注日期的引用文件,其最新版本(包括所有的修改单)适用于本文件。
GA/T 394一2002出入口控制系统技术要求
GA/T 893- 2010安 防生物特征识别应用术语
GA/T 922.2- 2011 安防 人脸识别应用系统第2 部分:人脸图像数据
GA/T 1126- 2013 近红外人脸识别设备 技术要求
3术语和定义
GA/T 394 -2002和GA/T 893 -2010界定的以及下列术语和定义适用于本文件。
3.1协作输入单元collaborative input unit
系统中接收辅助信息的单元。
注:辅助信息一般来自身份证件读取设备。
3.2识别准确率recognition accuracy rate
系统输出正确识别结果的比率。
4系统概述
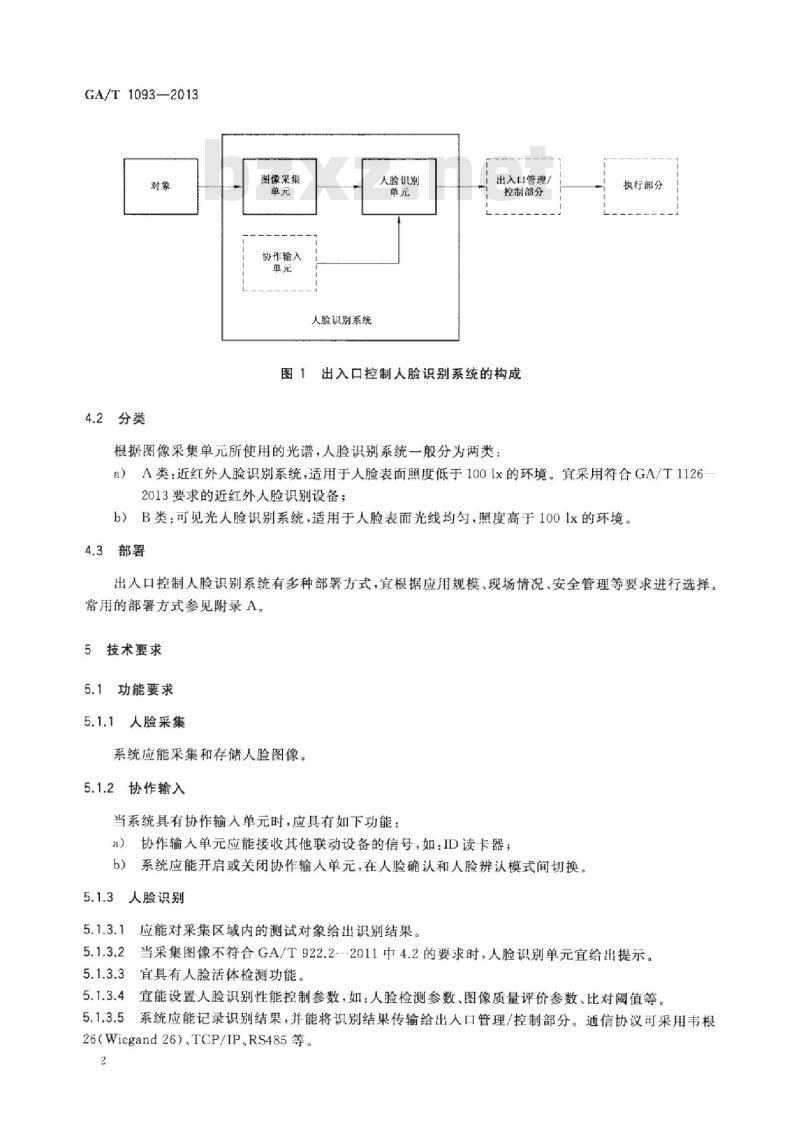
4.1构成
用于出入口控制的人脸识别系统-般由图像采集单元.协作输人单元和人脸识别单元组成,其中协作输人单元为可选单元。人脸识别系统除完成采集.识别功能,还需与出人口管理/控制部分进行通讯,完成对执行部分的驱动。出人口控制人脸识别系统的构成如图1所示:
部分标准内容:
中华人民共和国公共安全行业标准GA/T1093—2013
出入口控制人脸识别系统技术要求Technical requirements for face recognition system for access control2013-12-16发布
中华人民共和国公安部
2014-01-01实施
规范性引用文件
术语和定义
系统概述
技术要求
试验方法
附录A(资料性附录)
出人口控制人脸识别系统的常用部署方式................
GA/T1093—2013
本标准按照GB/T1.1---2009给出的规则起草。GA/T1093—2013
请注意本文件的某些内容可能涉及专利。本文件的发布机构不承担识别这些专利的责任。本标准由全国安全防范报警系统标准化技术委员会人体生物特征识别应用分技术委员会(SAC/TC100/SC2)提出并归口。
本标准起草单位:中国科学院自动化研究所、中国物联网研究发展中心、公安部第一研究所、北京中盾安全技术开发公司、北京中科奥森科技有限公司、公安部安全与警用电子产品质量检测中心、公安部安全防范产品质量监督检验测试中心、北京普赛科技有限公司、广州像素数据技术开发有限公司、上海银晨智能识别科技有限公司、中国科学院计算技术研究所、清华大学。本标准主要起草人:李子青、易东、雷震、敖萌、戎玲、田青、李井山、王睿、姚若光、曾文斌、山世光、苏光天,章柏幸、刘君平。
1范围
出入口控制人脸识别系统技术要求本标准规定了出人口控制人脸识别系统的技术要求和试验方法。本标准适用于出人口控制应用中人脸识别系统的设计、开发和验收。2
规范性引用文件
GA/T1093--2013
下列文件对于本文件的应用是必不可少的。凡是注日期的引用文件,仅注日期的版本适用于本文件。凡是不注日期的引用文件,其最新版本(包括所有的修改单)适用于本文件。出人口控制系统技术要求
GA/T3942002
GA/T893—2010
安防生物特征识别应用术语
GA/T922.2—2011安防人脸识别应用系统第2部分:人脸图像数据GA/T1126—2013
近红外人脸识别设备技术要求
术语和定义
GA/T394—2002和GA/T893--2010界定的以及下列术语和定义适用于本文件。3.1
collaborative input unit
协作输入单元
系统中接收辅助信息的单元。
注:辅助信息一般来自身份证件读取设备。3.2
识别准确率
recognition accuracy rate
系统输出正确识别结果的比率。100%
式中:
识别准确率;
设备输出正确识别结果的次数;总测试次数。
系统概述
4.1构成
用于出人口控制的人脸识别系统一般由图像采集单元、协作输人单元和人脸识别单元组成,其中协作输人单元为可选单元。人脸识别系统除完成采集、识别功能,还需与出人口管理/控制部分进行通讯,完成对执行部分的驱动。出人口控制人脸识别系统的构成如图1所示:1
GA/T1093—2013
4.2分类
图像采集
协作输入
人脸识别系统
人脸识别
出入口管理/
控制部分
图1出入口控制人脸识别系统的构成根据图像采集单元所使用的光谱,人脸识别系统一般分为两类:执行部分
a)A类:近红外人脸识别系统,适用于人脸表面照度低于1001x的环境。宜采用符合GA/T11262013要求的近红外人脸识别设备;b)B类:可见光人脸识别系统,适用于人脸表面光线均匀,照度高于1001x的环境。4.3部署
出人口控制人脸识别系统有多种部署方式,宜根据应用规模、现场情况、安全管理等要求进行选择。常用的部署方式参见附录A。
5技术要求
5.1功能要求
5.1.1人脸采集
系统应能采集和存储人脸图像。5.1.2协作输入
当系统具有协作输人单元时,应具有如下功能:协作输人单元应能接收其他联动设备的信号,如:ID读卡器;a)
系统应能开启或关闭协作输人单元,在人脸确认和人脸辨认模式间切换。b)
5.1.3人脸识别
应能对采集区域内的测试对象给出识别结果。5.1.3.2
当采集图像不符合GA/T922.2---2011中4.2的要求时,人脸识别单元宜给出提示。5.1.3.3宜具有人脸活体检测功能。宜能设置人脸识别性能控制参数,如:人脸检测参数、图像质量评价参数、比对阈值等。5.1.3.4
5.1.3.5系统应能记录识别结果,并能将识别结果传输给出人口管理/控制部分。通信协议可采用韦根26CWiegand26)、TCP/IP.RS485等。2
5.1.4人员管理
GA/T1093—2013
5.1.4.1应具有人员注册、修改、删除和查询功能,注册数据包括人员信息、人脸图像和人脸模板。应支持本地或远程数据管理模式。
5.1.4.2宜支持现场注册和历史图像注册5.1.5日志管理
应能将识别日志存储于人脸识别单元中,并能形成报表以供查看。日志中应包含:时间,注册图像和现场截图。时间信息应符合GA/T3942002中4.5.2h)的要求。5.2性能要求
5.2.1人脸注册失败率不高于5%
5.2.2人脸识别准确率不低于85%。5.2.3人脸识别平均响应时间应不长于3S。5.3安全性、电磁兼容性、防雷接地、环境适应性、可靠性要求系统和系统所使用设备的安全性,电磁兼容性,防雷接地,环境适应性、可靠性应符合GA/T394一2002中第6章,第7章、第8章,第9章,第10章的要求。6试验方法
6.1环境条件
试验在如下条件下进行:
环境温度:15℃~35℃;
-相对湿度:25%~75%;
--大气压力:86kPa~106kPa
6.2功能试验
6.2.1人脸采集
打开系统的图像采集界面,测试对象位于采集区域内,通过系统中的显示设备或其他设备显示采集图像,目测检查,判定是否符合5.1.1的要求。6.2.2协作输入
6.2.2.1对具有协作输人单元的系统,正确连接协作输人设备,输人辅助信息,系统给出提示,判定是否符合5.1.2a)的要求。
6.2.2.2对协作单元的工作模式切换,分以下两步测试:开启协作输人单元,接入ID读卡器,测试人员进人采集区域,由ID读卡器输人其身份信息后,a)
判定系统是否能正常进行人脸确认;b)关闭协作输人单元,测试人员进人采集区域,判定系统是否能正常进行人脸辨认。6.2.3人脸识别
6.2.3.1将测试对象的人脸图像注册进系统,测试对象位于采集区域内,系统给出识别结果,判定是否GA/T1093—2013
符合5.1.3.1的要求。
6.2.3.2测试对象位于采集区域内,左右转动人脸大于30度,或上下俯仰大于20度,持续10s,系统给出图像质量不合格提示,判定是否符合5.1.3.2的要求。6.2.3.3将测试对象的人脸图像注册进系统。将测试对象的人脸图像用相纸激光打印后,置于采集区域内,系统不显示其身份标识。将显示测试对象人脸图像的LCD显示屏置于采集区域内,系统不显示其身份标识。完成上述步骤后,判定是否符合5.1.3.3的要求。6.2.3.4打开参数设置界面设置参数,依次设置各项参数,判定是否符合5.1.3.4的要求。6.2.3.5将人脸识别系统与出人口管理/控制部分进行连接,测试对象进行人脸识别,系统给出识别结果后,在人脸识别系统和出人口管理/控制部分中查看全部识别记录,判定是否符合5.1.3.5的要求。6.2.4人员管理
6.2.4.1依次打开注册、删除、修改和查询界面,进行注册、删除、修改和查询操作,判定是否符合5.1.4.1的要求。
6.2.4.2打开注册界面,依次使用现场视频和历史图像进行人脸注册,判定是否符合5.1.4.2的要求。6.2.5日志管理
打开系统的日志管理界面,在人脸识别单元中搜索历史记录,应能生成报表且其中包含时间、注册图像和现场截图,判定是否符合5.1.5的要求。6.3性能试验
6.3.1数据准备
构建人脸注册数据集,人数为5000,每人1张人脸图像,男女比例1:1,年龄在16岁~60岁之间占70%,小于16岁占15%,大于60岁占15%,图像的格式和质量应符合GA/T922.2一2011中4.1的要求。
测试对象不包含在人脸注册数据集中,人数为20,男女比例1:1,年龄在16岁~60岁之间。测试时,测试对象知晓白已正被识别,并给予系统一定的配合。测试对象需行为自然,不故意做出夸张表情或是遮挡人脸来躲避系统的识别,使待识别图像符合GA/T922.2一2011中4.2的要求。在测试系统的人脸确认性能时,测试对象需通过ID卡或人工等方式输人个人身份信息。6.3.2人脸注册失败率
将人脸注册数据集注册进系统,记录成功导入数量B,按公式(1)计算注册失败率EFR,判定是否符合5.2.1的要求。
式中:
EFR-注册失败率;
B—-—成功导人图像数量。
EFR = 000-B×100%
6.3.3人脸识别错误接受率和正确接受率6.3.3.1辨认试验
如系统具有人脸辨认功能,试验按如下步骤进行:4
(1)
将系统设置为人脸辨认模式,清空系统中的所有数据;a)
b)将人脸注册数据集注册进系统;GA/T1093—2013
测试对象依次进人系统的图像采集区,面向图像采集单元,直到系统显示识别结果d)
每个测试对象进行10次以上的识别测试,包含戴眼镜和不戴眼镜两种情况;记录正确拒绝次数N
注册测试对象;
测试对象依次位于系统的图像采集区,面向图像采集单元,直到系统显示识别结果;每个测试对象进行10次以上的识别测试,包含戴眼镜和不戴眼镜两种情况;记录正确识别次数N.;
记录总测试次数N。
按公式(2)计算识别准确率,判定是否符合5.2.2的要求:Nr+N×100%
式中:
识别准确率:
N-正确拒绝次数;
正确识别次数;
总测试次数。
确认试验
如系统具有人脸确认功能,试验按如下步骤进行:将系统设置为人脸确认模式,清空系统中的所有数据;a)
将人脸注册数据集注册进系统,为所有注册图像分配相应的身份编号;为所有测试对象随机分配错误的身份编号;c)
.(2)
测试对象依次进人系统的图像采集区,输入所分配的身份编号,面向图像采集单元,直到系统d)
显示识别结果:
每个测试对象进行10次以上的识别测试,包含戴眼镜和不戴眼镜两种情况;记录正确拒绝次数M,°:
将测试对象的近期登记照注册进系统,为测试对象分配相应的身份编号;测试对象依次进人系统的图像采集区,输人各自的身份编号,面向图像采集单元,直到系统显h)
示识别结果:
每个测试对象进行10次以上的识别测试,包含戴眼镜和不戴眼镜两种情况;j)
记录正确识别次数M\;
记录总测试次数M。
按公式(3)计算识别准确率,判定是否符合5.2.2的要求。M.+M.
式中:
识别准确率;
正确拒绝次数;
正确识别次数;
总测试次数。
GA/T1093—2013
6.3.4人脸识别平均响应时间
清空系统中的所有数据,将人脸注册数据集和测试对象注册进系统。测试对象依次进入系统的图像采集区,直到系统显示识别结果后离开。在识别正确的试验中,记录系统开始采集图像至系统输出识别结果之间的时间间隔,计算平均响应时间,判定是否符合5.2.3要求。A.1按硬件结构划分
A.1.1一体型
附录A
(资料性附录)
出入口控制人脸识别系统的常用部署方式GA/T1093—2013
人脸识别系统与外部单元连接,集成在一个机箱内,实现人脸识别和出人口控制的所有功能,其部署方式见图A.1。
图像果集
协作输入
A.1.2分体型
人脸识别
出入口管理/
控制部分
一体型部署
执行部分
人脸识别系统与外部单元在结构上是分开的。二者之间通过电子,机电等方式传输连成一个大系统,实现人脸识别和出人口控制的所有功能,其部署方式见图A.2。图像采集
协作输入
人脸识别
出入口管理/
控制部分
图A.2分体型部署
A.2按人脸识别单元的工作模式划分A.2.1
基于人脸生物特征辨认的出入口控制执行部分wwW.bzxz.Net
提取人脸特征模板与全部注册人员的人脸特征模板进行1:N比对,搜索并判断是否存在身份相符人员,供系统进一步处理(如语音提示、记录等),其部署方式见图A.1和图A.2。7
GA/T1093—2013
A.2.2基于人脸生物特征确认的出入口控制先通过协作输人单元输人测试对象的身份,然后提取人脸特征模板与数据库中相应身份人员的人脸特征模板进行1:1比对,验证识别者与输人身份是否相符,供系统进一步处理(如语音提示、记录等),其部署方式见图A.1和图A.2。A.3按连接方式划分
A.3.1单出入口控制
出人口管理/控制部分仅能对单个执行部分实施控制,其部署方式见图A.3。出入口管理/
控制部分
执行部分
出入口1
人脸识别系统
单出入口控制
A.3.2多出入口控制
出人口管理/控制部分能同时对两个及以上执行部分实施控制,其部署方式见图A.4。出入口管理/
控制部分
执行部分
人脸识别系统
出入口1
图A.4多出入口控制
执行部分
出入口
人脸识别系统
按图像采集单元数量划分
单图像采集
GA/T1093—2013
每个人脸识别单元仅能连接
一个图像采集单元,并对其进行处理,其部署方式见图A.5。图像采集
多图像采集
人脸识别
单图像采集
每个人脸识别单元能连接多个图像采集单元,并对其进行处理.其部署方式见图A.6。图像采集
单元!
图像采集
人脸识别
多图像采集
小提示:此标准内容仅展示完整标准里的部分截取内容,若需要完整标准请到上方自行免费下载完整标准文档。
标准图片预览:





- 其它标准
- 热门标准
- GA公共安全标准
- GA470-2004 法庭科学DNA数据库现场生物样品和被采样人信息项及其数据结构
- GA407.1-2003 进口机动车制造厂品牌名称代码 第1部分:制造厂各称代码
- GA563-2009 警服 春秋执勤服
- GA40-2004 交通事故案卷文书
- GA385-2002 火灾声和/或光警报器
- GA300.1-2001 看守所在押人员信息管理代码 第1部分:看守所编码
- GA899-2010 大型焰火燃放作业单位资质条件及管理
- GA/T368-2001 入侵报警系统技术要求
- GA44-1993 消防头盔
- GA/T70-2004 安全防范工程费用预算编制办法
- GA/T536.4-2005 易燃易爆危险品 火灾危险性分级及试验方法 第4部分:遇水放出易燃气体物质分级试验方法
- GA473-2004 抗人精液血清试剂
- GA/T704.11-2007 出入境管理信息代码 第11部分:入出境人员乘坐交通工具类型代码
- GA/T704.15-2007 出入境管理信息代码 第15部分:中国机读护照证件名称及种类代码
- GA/T1523-2018 微粒悬浮液显现手印技术规范
- 行业新闻
网站备案号:湘ICP备2025141790号-2